Automatischer Zeitablauf Gartenbewässerung

Einklappen
X
 
  • Zeit
  • Anzeigen
Alles löschen
neue Beiträge
  • Gast

    #1

    Automatischer Zeitablauf Gartenbewässerung

    Hallo,

    wir haben uns eine Gartenbewässerung mit 3 Strängen eingebaut.
    Die Bedienung der einzelnen Stränge (Garten vorne, hinten und Seite) funktioniert bereits händisch per Schalter über Loxone (siehe Bild)

    Nun würden wir gerne folgendes realisieren:

    automatischer Zeitablauf der einzelnen Stränge
    Start um 3 Uhr Morgens zuerst Garten vorne für 45 Min - dann Garten hinten 45 Min - dann Garten seitlich 45 Min.
    Grund dafür ist, dass nicht alle Stränge auf einmal laufen können wegen dem Wasserdruck.

    Dieses Szenaria soll von uns händisch eingeschaltet werden.
    D.h. ich sage Abends, dass ich Morgen Früh ab 3 Uhr bewässern möchte und Schalte den Schalter ein.
    Solange der Schalter ein bleib läuft das Szenaria jeden Morgen ab 3 Uhr. Wenn ich ihn ausschalte läufte keine Bewässerung.

    Ich weiß gerade nicht wie ich das realsieren kann.

    Evtl. könnt Ihr mir einen Tipp geben, oder vielleicht gibt es eine Beispielconfig?

    Wäre sehr lieb von Euch - Danke!

    LG
    Melanie

  • AlexAn
    Lebende Foren Legende
    • 25.08.2015
    • 4452

    #2
    Zeitschaltuhr mit dem Schalter aktivieren
    Schaltuhr gibt den Analogwert dem Baustein Radiotasten (oder auch in der Visu direkt möglich) der den jeweiligen Aktor schaltet

    Klicke auf die Grafik für eine vergrößerte Ansicht

Name: Regenwasser.JPG
Ansichten: 1065
Größe: 110,9 KB
ID: 154582


    Zuletzt geändert von AlexAn; 10.05.2018, 09:18.
    Grüße Alex

    Kommentar

    • cdani
      Extension Master
      • 25.08.2015
      • 124

      #3
      Oder so, dann hast Du die Möglichkeit die Bewässerung manuell einzeln zu aktivieren wenn du es brauchst.
      Angehängte Dateien

      Kommentar

      • Gast

        #4
        ja super, dann probiere ich das mal aus
        Vielen Dank!

        Kommentar

        • AlexAn
          Lebende Foren Legende
          • 25.08.2015
          • 4452

          #5
          Smart wäre dann noch eine Sensor für die Bodenfeuchte:
          https://dvs-beregnung.de/epages/e242...Products/ZM-85
          https://dvs-beregnung.de/epages/e242...Products/ZM-80

          gibt da aber auch andere einfach mal Tante Google fragen
          Zuletzt geändert von AlexAn; 10.05.2018, 09:48.
          Grüße Alex

          Kommentar


          • cdani
            cdani kommentierte
            Kommentar bearbeiten
            Ein Air Feuchtesensor würd mich noch interessieren für unsere Topfpflanzen und dann die Frau per TTS daran errinnern zu giessen....:-) Extra Kabel ziehen geht leider nicht an dem Platz.
            Gibt es sowas vielleicht schon?
            Zuletzt geändert von cdani; 10.05.2018, 10:38.

          • AlexAn
            AlexAn kommentierte
            Kommentar bearbeiten
            Gab da tatsächlich ein Projekt wurde aber leider eingestampft bevor es Fahrt aufgenommen hat.
            https://www.kickstarter.com/projects...r-plants-alive

          • cdani
            cdani kommentierte
            Kommentar bearbeiten
            Ja solche Sensoren gibt es zuhauf, nur aus meiner Sicht wär das für Loxone ein einfaches einen solchen zu produzieren und ins System zu implementieren.
            Kaufen, einstecken und fertig. Analog dem Wassersensor....klar gibt es schon professionelle Systeme aber das wär jetzt ziemlich einfach zu bewerkstelligen und einige würden den sicher kaufen nur schon aufgrund dessen das es einfach zu implementieren ist.
        • Michael Sommer
          Lox Guru
          • 25.08.2015
          • 1976

          #6
          Hallo Melanie,
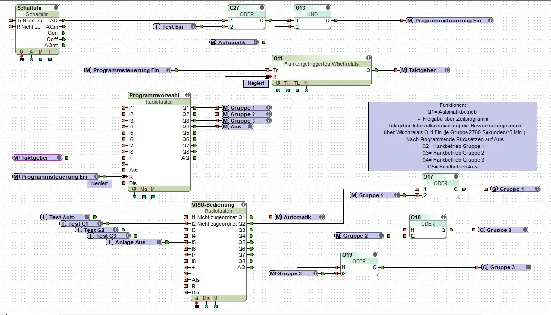
          Meine Gartenbewässerung hat ähnliche Funktionalitäten. Vielleicht hilft Dir mein Anhang weiter. Der Unterschied ist, ich setze später zur Bewässerung zusätzlich zur Zeitschaltuhr noch einen Bodenfeuchtewächter ein. Der fehlt noch in der angehängten Progammierung. Die Logik enthält zur Zeit eine Zeitsteuerung und eine Handbedienmöglichkeit. Bitte beachten, die DI-Eingänge habe ich nur zu Testzweckenin der Simulation verdrahtet. Die enfallen im Serverbetrieb.

          Gruß Michael
          Angehängte Dateien
          Haustechnik UG: MS2, 7 Extensionen, WAGO 750er I/O-Module, 19"-Notbedienebene, EMA-Anlage
          ELT-UG: MS1, 5 Extensionen, Notbedienebene, RM+WM-Anlage, Mehrere Shellys,
          OG: MS1, 8 Extensionen, Notbedienebene, Mehrere Shellys
          EG: konvent. E-Installation, Autarke EZR-Regelkreise (0-10V) für Stat.-HZG mit Aufschaltung (Schwellwert) des Heizkreises auf den Miniserver UG, Zeitsteuerung EG-Wohnung aus Miniserver UG). Mehrere Shellys
          LoxBerry-Nutzer: Stats4Lox,
          Testserver: 2xMS-GEN1

          Kommentar

          • Gast

            #7
            Zitat von cdani
            Oder so, dann hast Du die Möglichkeit die Bewässerung manuell einzeln zu aktivieren wenn du es brauchst.
            Danke für Dein Vorschlag, der ist für uns ausreichend.

            Ich habe es auch schon umgesetzt, leider ist noch ein kleiner Fehler drin.

            Wenn ich den Schalter Freigabe Bewässerung ein schalte funktioniert nichts, wenn er aus ist dann funktioniert ist.

            Also genau umgekehrt?

            Kommentar


            • Michael Sommer
              Michael Sommer kommentierte
              Kommentar bearbeiten
              Hallo,
              bei mir funktioniert es aber korrekt.
              Vorraussetzung ist aber, dass Du im Radiobutton "VISO-Bedienung" den Ausgang Q1 (Automatik) eingeschaltet hast.

              Der DI "Test Ein" entspricht ja der Schaltuhr und ist ein Dauerkontakt.
              Wenn beide ein sind wird der Merker "Programmsteuerung Ein" aktiv und damit startet der Programmablauf über den Taktgeber-Merker.

              Der Radibutten "Programmwahl" wird nur zur Umsetzung der Impule aus dem Taktmerker als Dauerkontakte verwendet.

              Wie gesagt, die angehängte Programmierung funktioniert bei mir Einwandfrei.
              Gruß Michael

            • cdani
              cdani kommentierte
              Kommentar bearbeiten
              DIe Freigabe Bewässerung macht nichts anderes als die schaltuhren nicht zu sperren, daher muss die negierung korrekt sein. Du kannst den Schalter aber auch Bewässerung sperren nennen, jenachdem wie du es in der visualisierung haben möchtest und die negierung nicht aktivieren. Musst halt ausprobieren wie du es haben willst.

            • Michael Sommer
              Michael Sommer kommentierte
              Kommentar bearbeiten
              Hallo Melanie, gerade lese ich dass Du einen Schalter zusätzlich integriert hast,
              Den brauchst Du aber bei meiner Variante nicht. Deshalb habe ich ja den Radiobutton VISU-Bedienung eingesetzt. Damit schaltest Du die Bewesserung in den Automatikbetrieb als in den manuellen Betrieb der Zone oder auf Aus, wenn Du keine Bewässerung haben willst.
              Gruß Michael
          • AlexAn
            Lebende Foren Legende
            • 25.08.2015
            • 4452

            #8
            Eingang Tr bei der Schaltuhr benutzen negiertes R entfernen
            In der Schaltuhr "Aktivierung notwendig den Haken" setzen wie im Bild bei Post #2
            Grüße Alex

            Kommentar

            • Buellpower
              LoxBus Spammer
              • 05.10.2015
              • 223

              #9
              Bewässerungsstart um 3 Uhr Morgens? Soweit ich weiß, sollte man zwar Früh bewässern - aber von Nachts habe ich bisher nicht gehört. Ich würde den Startpunkt daher auf (oder um) Sonnenaufgang legen. Zudem würde ich es so programmieren, dass ich zu jederzeit die Bewässerungszeiten der einzelnen Stränge anpassen kann, oder halt nen Feuchtesensor einbauen, der beim ersten Strang misst und bei erreichen entsprechender Feuchte abschaltet. Die benötigte Zeit wird dann automatisch an die weiteren Kreise übergeben (evtl. mit entsprechender individuellen Kreisanpassung)
              http://www.projekt-stadthaus.blogspot.de/

              Kommentar

              • Squarry
                MS Profi
                • 22.09.2015
                • 607

                #10
                Michael Sommer Darf ich fragen was Du für einen Bodenfeuchtewächter einsetzt?

                Kommentar

              Lädt...