PV Energiemonitor - Werte sporadisch nicht geliefert/Über Nacht keine Aktualisierung

Einklappen
X
 
  • Zeit
  • Anzeigen
Alles löschen
neue Beiträge
  • finity
    Smart Home'r
    • 11.11.2021
    • 68

    #1

    PV Energiemonitor - Werte sporadisch nicht geliefert/Über Nacht keine Aktualisierung

    Hallo liebes Forum!

    Ich habe eine Photovoltaik Anlage mit einem Huawei Wechselrichter und Batterie.
    Die Modbus Anbindung läuft soweit ganz gut, nur habe ich ein Problem mit der Frequenz der Aktualisierungen.

    Die Werte werden mir in der Loxone App über den Energiemonitor untertags normal angezeigt und aktualisiert.
    Problem: Sobald es dunkel ist, wird ja nichts produziert und somit liefert der Modbus keine Werte.

    1. Ich bekomme dadurch regelmäßig Fehler, dass keine Werte geliefert werden.
    Bedeutet ich bekomme Push Notifications und E-Mails regelmäßig, weil keine Werte geliefert werden.
    Im Liveview sehe ich diese Fehler ebenfalls, dann kommen wieder Werte hinein, dann wieder nicht usw...

    Workaround: Zeitüberschreitung Empfang = 0

    2. Wenn ich nun in der App in der Früh nachsehe und eigentlich Sonne habe, bleibt die Loxone App bei 0kW stehen.
    Erst wenn ich den Miniserver neustarte bzw. aktualisiere über die Config, bekomme ich wieder die aktuellen Werte hinein.

    Klicke auf die Grafik für eine vergrößerte Ansicht

Name: Screenshot 2022-08-01 at 12.12.25.png
Ansichten: 2543
Größe: 53,1 KB
ID: 354106
    Heute um 10 Uhr Vormittag bei strahlenden Sonnenschein.

    In diesem Zustand macht die Info von der PV Anlage in der Loxone App einfach keinen Sinn, wenn ich jedes mal einen "Reset" machen muss...

    Die Zeitüberschreitung Empfang bzw. Abfragezyklus habe ich auch wie in der Loxone Library von Huawei gehabt.. wie bereits geschrieben ununterbrochen Fehlermeldung bekommen.

    Würd mich über Tipps riesig freuen!
    Zuletzt geändert von finity; 01.08.2022, 12:48.
  • PeterChrisben
    LoxBus Spammer
    • 11.11.2015
    • 360

    #2
    Moin…
    ich habe das gleiche Problem. Ich hatte mir was gebaut, das Nachts trotzdem immer 1 Watt „produziert“ wird und eben nicht null.

    Das funktioniert soweit auch für 1 1/2 Monate. Jetzt spackt der Bausteln wieder ab und zeigt mir nichts mehr Tagesaktuell im Gesamtüberblick an.

    Keine Ahnung was das wieder ist.
    Ist mir ehrlich gesagt zu mühsam geworden da das Problem zu lokalisieren.

    Gruß,
    Peter


    Gesendet von iPhone mit Tapatalk

    Kommentar

    • finity
      Smart Home'r
      • 11.11.2021
      • 68

      #3
      Wie machen es denn andere Hersteller wie Fronius?
      Die müssten ja genauso in der Nacht "Null" liefern, somit kann ja nur der Energiebaustein fehlerhaft sein.

      Wenn dies so der Fall ist wäre meine Backup Lösung, die Daten per Huawei API und nicht per Modbus abzufragen, auch nicht helfen.

      PeterChrisben: Wie hast du denn das gebaut, dass in der Nacht 1 Watt gefaked wird?

      Kommentar

      • AlexAn
        Lebende Foren Legende
        • 25.08.2015
        • 4450

        #4
        Im Fronius WR ist der Datenmanager der die Daten vom WR, Smartmeter und Speicher per Modbus TCP sendet.
        Wenn der WR in Standby geht ist vermutlich der Datenmanager vom Huawei auch in Standby - Standby ausschalten
        Grüße Alex

        Kommentar

        • finity
          Smart Home'r
          • 11.11.2021
          • 68

          #5
          Zitat von AlexAn
          Im Fronius WR ist der Datenmanager der die Daten vom WR, Smartmeter und Speicher per Modbus TCP sendet.
          Wenn der WR in Standby geht ist vermutlich der Datenmanager vom Huawei auch in Standby - Standby ausschalten
          Guter Gedankenansatz! Manche Huawei Wechselrichter haben einen Hibernate Mode, der SUN2000-5KTL-M1 jedoch leider nicht und somit nicht Ursache des Problems.
          Hat jemand eine Idee, wie ich die temp. Lösung von @PeterChrisben über Nacht nachbauen könnte?

          Kommentar

          • finity
            Smart Home'r
            • 11.11.2021
            • 68

            #6
            Hier in der Früh bevor ich den Miniserver Neustarte, Samstag 11 Uhr mit ein bisschen Sonnenschein:

            Klicke auf die Grafik für eine vergrößerte Ansicht

Name: Screenshot 2022-08-06 at 11.15.18.png
Ansichten: 1913
Größe: 94,8 KB
ID: 354504

            Nach dem ich den Miniserver neugestartet habe:

            Klicke auf die Grafik für eine vergrößerte Ansicht

Name: Screenshot 2022-08-06 at 11.17.43.png
Ansichten: 1858
Größe: 195,0 KB
ID: 354502

            Ich verstehe es nicht.. kann es eventuell an der Zielwert Korrektur liegen, dass der Energiebaustein damit nicht zurecht kommt (Negativwerte)?
            Angehängte Dateien

            Kommentar

            • maxw
              Lox Guru
              • 25.08.2015
              • 1385

              #7
              Also ich kenne den Energiebaustein zu wenig, aber im ersten Bild hast du Input Power 0, im zweiten über 1 kW.

              Kommentar

              • finity
                Smart Home'r
                • 11.11.2021
                • 68

                #8
                Das ist ja das Problem maxw !
                Der erste Screenshot wurde am Vormittag gemacht, da hat die App vom Vortag Abend noch Werte angezeigt. Werte haben sich nicht im Liveview geändert.

                Paar Sekunden darauf mach speichere ich die Config in den MS und nach einem neustart bekomme ich wieder Werte hinein.

                Problem:
                - Über Nacht kommen keine Werte hinein (ok) aber sobald produziert wird, kommen keine Werte per Modbus.
                - Nur ein Miniserver neustart hilft, dass die aktuellen Werte hinein kommen
                Also extrem instabil...

                Kommentar


                • maxw
                  maxw kommentierte
                  Kommentar bearbeiten
                  Na ja, dann ist ja nicht der Energiebaustein das Problem, sondern warum da 0 ist. Wenn es ein Modbus Problem ist, würde ich mal bei Loxone ein Support Ticket machen.
                  Zuletzt geändert von maxw; 07.08.2022, 10:26.
              • PeterChrisben
                LoxBus Spammer
                • 11.11.2015
                • 360

                #9
                Moin Zusammen,
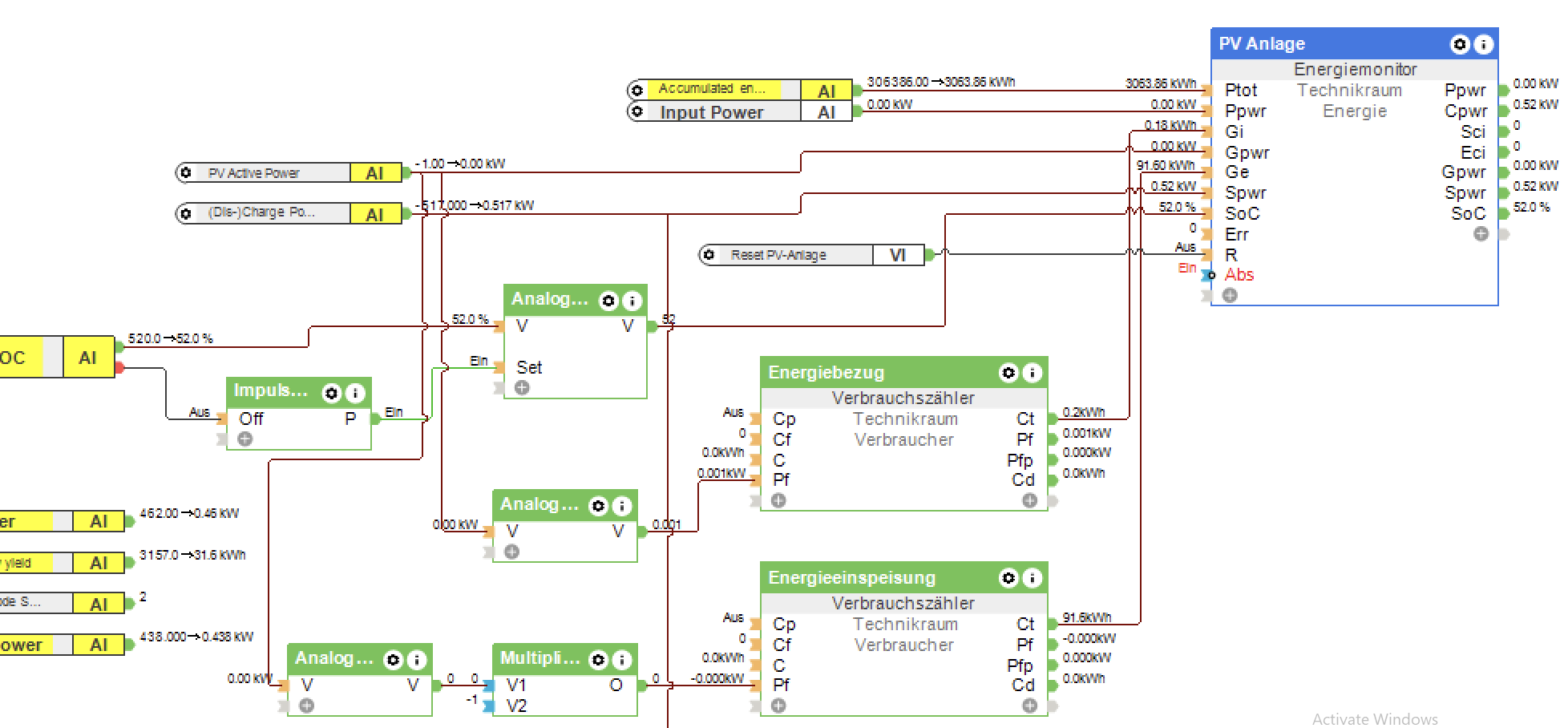
                sorry das ich erst jetzt antworten kann, ich liege gerade Flach. Bei mir hat immer der VERBRAUCHSZÄHLER abgespackt. Der lief immer kurz und meistens nach der Nacht am Folgetag hat er dann keine Werte mehr bei mir geliefert. Ich hatte das Problem darin ausgemacht, das der Baustein keine Null-Werte über längeren Zeitraum mag, zumindest ist es seit meinen Workarround nicht wieder aufgetreten.
                Der Baustein bekommt immer 1Watt Solarproduktion vorgegaukelt, sobald diese Null ist.
                Anbei ein Screenshot meiner Konfig.

                Ich finde den gesamten Energiemonitor ebenfalls sehr buggy und schwach Programmiert. Dieser Spinnt bei mir ebenfalls recht häufig ab. Obwohl alle Werte ankommen, zeigt er mir die Gesamtübersicht nicht mehr an. Die Seite mit Batterie, Bezug, Verbrauch und Produktion funktionierte immer, aber in der Gesamtübersicht wurde nichts aktualisiert.
                Den letzten RESET des Bausteins musste ich gerade wieder machen. Ist natürlich toll wenn alle Werte wieder auf Null sind.
                Gruß,
                Peter

                Klicke auf die Grafik für eine vergrößerte Ansicht

Name: Verbrauchszähler_Loxone.png
Ansichten: 1710
Größe: 120,0 KB
ID: 354550

                Kommentar

                • the--doctor-9
                  LoxBus Spammer
                  • 31.07.2016
                  • 201

                  #10
                  Hallo in die Runde,

                  ich habe auch ein Problem mit den EMonitor in Verbindung mit einen Sunny Island. Vom Sunny Island greife ich alle live Daten ab, Bezug und Einspeisung. Jedoch bleibt dieser sporadisch immer hängen, mal nach 2 Tagen und mal nach 14 Tagen. Loxone Neustart hilft nicht, jedoch ein Neustart des Sunny Island dann läuft es wieder. Jedoch besteht die Verbindung vom Sunny zum SMA Emeter weiterhin deshalb glaube ich nicht das es am Sunny liegt. Evtl. kann ja jemand ähnliches berichten.
                  zu viel KNX und zu wenig Loxone

                  Kommentar

                  • wege91
                    Smart Home'r
                    • 15.08.2016
                    • 35

                    #11
                    @finity ich bin auch gerade an der Einbindung per Smart Dongle.
                    Welche Adresse muss ich in der Loxone Config beim Modbus Server eintragen?
                    Die IP Adresse aus dem Router (192.168....:502) oder die Adresse aus der Benutzeroberfläche vom Dongle (91.248.....)

                    Danke schon mal!

                    Kommentar


                    • finity
                      finity kommentierte
                      Kommentar bearbeiten
                      In meinem Fall und auch sehr wahrscheinlich bei Dir die IP vom Router (192.168....:502).

                    • wege91
                      wege91 kommentierte
                      Kommentar bearbeiten
                      Danke, läuft alles. Ich musste den Dongle noch updaten.
                  • Gast

                    #12
                    Hello finity PeterChrisben ,
                    would you mind sharing your loxplan with the implementation of Huawei into Energymonitor ? I can't seem to get it to show meaningfull values.
                    Thank you in advance.
                    BR, Michal

                    Kommentar

                    • NilsG
                      LoxBus Spammer
                      • 09.04.2019
                      • 368

                      #13
                      Moin zusammen!

                      Ich klinke mich hier auch mal ein, da ich ebenfalls meine PV-Anlage(n) in LX abbilden möchte.

                      Dazu vorweg eine Frage:
                      Wie binde ich denn eine Wechselrichter-Kaskade (also Maste+Slave) an den Energiemonitor an?
                      Muss ich die Ausgangswerter beider WR addieren? Kann ich bei WR an den gleichen Energiemonitor hängen?

                      Danach sehe ich dann mal weiter.

                      DANKE!


                      Kommentar

                      Lädt...