bezugnehmend auf meinen älteren Thread bezüglich der falschen Verbrauchsmessung der SmartSocket in Verbindung mit dem Verbrauchszähler möchte ich mal in die Runde fragen ob hier jemand Lust und die Möglichkeit hat dies mal nachzustellen.
Grund: In mehrfachen Sitzungen mit dem Loxone-Support und Erhebung von Statistikdaten in verschiedenen Ausführungen wurde von Loxone das Problem bei mir auch festgestellt.
ich konnte das Problem bei mir hier auch mit verschiedenen SmartSockets und unterschiedlichen Verbrauchern nachstellen. Leider habe ich heute nach mehrfacher Nachfrage was denn mit dem Problem jetzt ist die Aussage erhalten, dass die das nicht nachvollziehen können und ob ich das nicht mal mit einer anderen Lampe nachvollziehen kann. Da ich das aber wie gesagt schon mit mehreren SmartSockets und unterschiedlichen Verbrauchern exakt nachstellen konnte, weiß ich nicht wirklich was ich noch testen soll und zähle hier auf Euch.
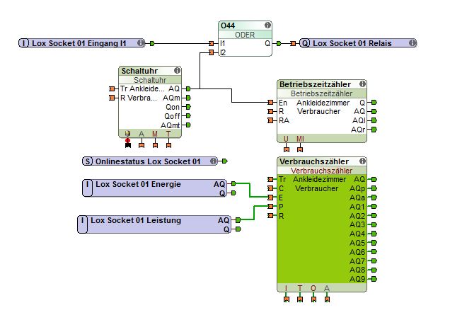
Test: Ein einfacher Verbraucher, der nicht gedimmt oder ähnliches wird also über die komplette Laufzeit die gleiche Leistung "zieht" also auch einen gleichbleibenden Verbrauch hat (habe das auch mit einen 1,7W Magnetventil nachstellen können, müssen also keine 100W-Glühbirnen sein :-) ), an eine SmartSocket hängen. Leistungs- und Energieausgang lt. Doku mit einen Verbrauchszähler verbinden. Das Ganze dann entweder den ganzen Tag durchlaufen lassen oder per Schaltuhr täglich ein paar Stunden laufen lassen. Halt jeden Tag die gleiche Zeit um das besser sehen zu können. Die Statistik für den Verbrauchszähler aktivieren und dann nach ein paar Tagen mal die Statistik in Augenschein nehmen.
Beireits nach einem Tag sollte man rein rechnerisch feststellen können, dass viel zu wenig Verbrauch angezeigt wird. Wenn ich z.B. einen Verbraucher mit 8W 10 Stunden laufen lasse, sollte der Verbrauch schon ca. 80Wh sein. Nach ein paar Tag sollte sich dann zeigen, dass der Verbrauch täglich schwankt. Mal mehr mal weniger und nie annähernd am tatsächlichen Verbrauch.
Wichtig ist noch, dass das mit einer Version ab V7 getestet werden muss, da bis V7 alles in Ordnung war.
Vielen Dank schonmal.
Gruß Sven
Kommentar