MDT Schaltaktor an Loxone?

Einklappen
X
 
  • Zeit
  • Anzeigen
Alles löschen
neue Beiträge
  • MichaelL
    Smart Home'r
    • 08.09.2015
    • 81

    #1

    MDT Schaltaktor an Loxone?

    Hi zusammen,

    ich bin aktuell noch in der Planung meines Smart Homes und gucke aktuell welche Extentions ich verwenden werde.

    Ich bin auf den "MDT-AMS-1216.01" (http://ebork-shop.de/detail/index/sA...sCategory/2227) gestoßen und wollte fragen ob hierzu schon jemand Erfahrungen hat? Ich würde hierrüber gerne ein paar Verbraucher steuern (u.A. Waschmaschine, Trockner, ein paar Steckdosen)

    Meine Fragen:
    - Funktioniert der als KNX Aktor am Miniserver?
    - Was benötige ich ggf. noch zusätzlich?
    - Funktioniert die Leistungsmessung in Loxone?
    - Kann ich den "Fertig programmiert" beziehen sodass ich keine Programmiersoftware für KNX mehr benötige? (eBork bietet das direkt als Bestelloption an "http://ebork-shop.de/detail/index/sArticle/43" )

    Danke für eure Antworten!

    Viele Grüße
    Michael
  • Gast

    #2
    Hi

    Soweit ich gelesen habe ist die Leistungsmessung teilweise recht ungenau da keine Wirkleistung und nur sehr verzögert, > 30 Sekunden oder so. Von daher plane ich zur Strommessung die MDT AZI ein.
    Was du noch benötigst ist nen KNX Netzteil mit Drossel.

    Viele Grüße,
    Michael

    Kommentar

    • MichaelL
      Smart Home'r
      • 08.09.2015
      • 81

      #3
      Hi Michael,
      danke für die Infos!

      Die Genauigkeit der Messung ist mir nicht soo wichtig. Hauptsächlich geht es mir um einen Trend um darum, etwas triggern zu können wenn z.B. keine Leistung mehr gezogen wird (z.B. eine Meldung wenn die Waschmaschine Fertig ist...)

      Viele Grüße
      Michael

      Kommentar

      • Peter_Aschenberger
        Smart Home'r
        • 27.08.2015
        • 71

        #4
        Hallo,

        ich hab genau den gleichen MDT-Aktor für genau den gleichen Einsatzfall. Ich überwache damit Waschmaschine, Trockner und Geschirrspüler und zeige auf der Startseite der App den Status an und lass mich benachrichtigen wenn ein Gerät fertig ist. Die Benachrichtigung läuft über die Hausklingel und eine Audio-Ausgabe des Tablets zur Visualisierung. Meiner Meinung nach (und viel wichtiger nach Meinung meiner Frau) funktioniert das perfekt. Für diese Zwecke ist die Strommessung des Aktors absolut OK. Man muss sich halt ein wenig spielen damit man das Ende richtig erkennt, weil je nach Gerät der Strom auch zwischendurch mal auf Null gehen kann oder er am Ende nicht ganz auf Null sondern leicht darüber bleibt. Aber dazu muss man sich nur ein paar Durchläufe in der Datenaufzeichnung der Ströme anschauen und dann findet man schon die richtigen Schwellen.

        Wir haben den Aktor noch für eine weitere Sache genutzt. Außer den 3 genannten Verbrauchern haben wir auch noch die wichtigsten Lichter im Haus darüber geschaltet. Somit hat man bei einem Loxone-Problem auch noch eine Grundbeleuchtung die über die Knöpfe auf dem Aktor unabhängig vom Miniserver aus- und eingeschaltet werden können.

        Also ich kann Dir das Teil nur empfehlen.

        Die KNX-Adressierung hat mir mein Elektriker gemacht. Darüber kann ich nichts sagen.

        Bei Interesse kann ich die Programmierung der Loxone-Config zur Überwachung gerne hier einstellen. Mich hat das am Anfang ziemlich gefuxt, aber nun läufts hervorragend.


        Schöne Grüße
        Peter


        Miniserver, 4 x Extension, 1wire, 12 fach KNX-Schaltaktor
        Raspi3 für: NAS und Audio-Server(2 Räume)
        Raspi2 zur Anbindung meiner Fröling Hackschnitzelheizung

        Kommentar

        • Matti
          LoxBus Spammer
          • 25.08.2015
          • 265

          #5
          Hallo Peter,

          bin gerade an der selben Thematik dran, wäre nett wenn Du Deine Konfig hierzu mal zeigen könntest...
          Vielen Dank
          Grüße

          Matthias
          gemischte KNX- und Loxoneinstallation im EFH Neubau

          Kommentar

          • Peter_Aschenberger
            Smart Home'r
            • 27.08.2015
            • 71

            #6
            Hallo,

            anbei mein Programm und ein paar Bilder wie das dann dargestellt wird.

            Aber zuerst ein paar Erklärungen was ich haben wollte:
            • Der erste und gleichzeitig Hauptwunsch war, dass wir eine akustische Benachrichtung bekommen wollten dass die Waschmaschine fertig ist, Sie steht im Keller und wir wollten nicht zum Spaß runter laufen und nachsehen. Oder wenn Waschtag ist möglichst schnell die nächste Ladung starten.
            • Zweiter Wunsch eine dreistufige Visualisierung des Status in der Loxone-App (Inaktiv, Wäscht, Fertig)

            Zum Ersten:
            • Man muss zuerst detektieren, dass überhaupt gewaschen (also Strom verbraucht) wird, damit man dann den richtigen Zeitpunkt erkennen kann wann die Maschine fertig ist (also nichts, oder fast nichts mehr verbraucht wird). Um vor allem das Ende richtig zu erkennen schaut man sich am besten ein paar Stromverlaufskurven von ein paar Durchläufen an (Achtung, es gibt unterschiedliche Waschprogramme). Bei meinen Geräten fallen manchmal zwischendurch die Verbauchswere sehr stark ab und bleiben auch manchmal für eine halbe oder ganze Minute nahe Null. Ein anderes fällt am Ende nicht ganz auf Null zurück, und der Trockner dreht die Trommel in bestimmten Intervallen obwohl er schon fertig ist.
            • Das alles muss man mit Schwellwerten und Wartezeiten abfangen, damit man dann einmal aber dann richtig alarmieren kann. Wir machen das zweistufig:
              • Einmal mit der selben Glocke auf der auch die Türklingel hängt. Diese wird 5x hintereinander aktiviert (so erkennt man den Unterschied zum an der Tür klingeln). Das hören wir dann sicher auch im ganzen Haus was uns für den Waschtag wichtig ist. Aber natürlich nur zwischen 7:00 und 21:00. In der Nacht ist Ruhe.
              • Die zweite Benachrichtigung wird über einen virtuellen Ausgang auf dem Tablet ausgelöst. Wir haben im Esszimmer ein Android-Tablet an der Wand hängen und dieses sagt uns welches Gerät fertig ist. Es wird für jedes fertige Gerät ein anderer UDP-Befehl geschickt und Tasker liest einfach den empfangenen Text vor. Das wird rund um die Uhr gemacht, weil wir das nur im Ess- und Wohnzimmer hören.

            Zum Zweiten:
            • Ich wollte nicht nur sehen ob ein Gerät aktiv oder inaktiv ist sondern ich wollte auch sehen ob es erst vor kurzem fertig wurde.
            • Folgende Symbole werden angezeigt:
              • Inaktiv: weiß
              • Aktiv: rot
              • fertig: grün
            • Das Fertig-Symbol wird dann nach 3 Stunden wieder auf inaktiv gesetzt. außer es wird vorher wieder aktiv.

            Ob ich das nun elegant oder "richtig" programmiert habe kann ich nicht sagen. Und auch nicht ob es eure Katze schwängert
            Bei mir funktioniert's tadellos. Aber Verbesserungsvorschläge nehme ich sehr gerne an.


            Viell Spaß damit und schöne Grüße aus dem Sauwald
            Peter
            Angehängte Dateien
            Zuletzt geändert von Peter_Aschenberger; 28.10.2015, 20:00.
            Miniserver, 4 x Extension, 1wire, 12 fach KNX-Schaltaktor
            Raspi3 für: NAS und Audio-Server(2 Räume)
            Raspi2 zur Anbindung meiner Fröling Hackschnitzelheizung

            Kommentar


            • Peter_Aschenberger
              Peter_Aschenberger kommentierte
              Kommentar bearbeiten
              Hallo,

              die Config sollte eigentlich schon dabei sein. Ich hab da beim Hochladen was falsch gemacht und nun ist's bei den Bildern dabei. Bei meinem Browser wird anstatt eines Bilds ein Downloadlink angezeigt.

              Schöne Grüße
              Peter

            • Jürgen
              Jürgen kommentierte
              Kommentar bearbeiten
              Hallo,
              Habe es soeben mit Google Chrome,Firefox und IE11 Probiert,bei keinem ist ein Link dabei.
              mfg
              Jürgen

            • Peter_Aschenberger
              Peter_Aschenberger kommentierte
              Kommentar bearbeiten
              Hallo,

              ich habe die Programmdatei nochmal in den Originalbeitrag hochgeladen.

              Schöne Grüße
              Peter
          • RobertS
            Extension Master
            • 25.08.2015
            • 148

            #7
            Matti

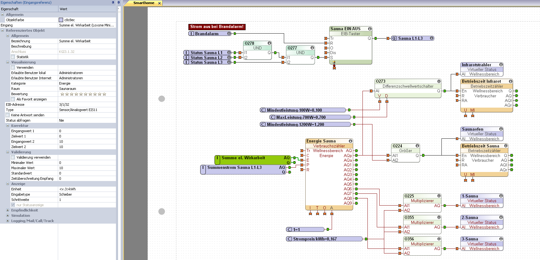
            Hier noch zwei screenshots als Beispiel der Konfiguration in der ETS, ein Beispiel für einen KNX-Sensor und die Verbrauchsmessung meiner Sauna in der Loxconfig.
            Muss natürlich alles auf deine Gegebenheiten angepasst werden.

            Ich habe einige MDT Komponenten und alle funktionieren absolut problemlos, und im Gegensatz zu Loxone Komponenten habe ich dort noch nie ein Update gebraucht oder auch nur daran gedacht. Wie Peter schon geschrieben hat, sind die Tasten auf den Aktoren für einen Notbetrieb sehr nützlich.

            schöne Grüße
            Robert
            Angehängte Dateien
            Zuletzt geändert von RobertS; 23.09.2015, 00:52.
            -----------------------------
            LOXONE: MiniServer, Air, RGBW Dimmer, SmartSockets, IR Control, Remote, Temperatur- Feuchtefühler, Wassermelder, Türkontakte, Regensensor
            KNX: ca. 20 Mehrfachtaster, ca. 50 Schaltaktoren, ca. 10 Dimmer, ca. 15 Temperatursensoren, Jalousiesteuerung, Raumtemperaturregelung, Garagentor, Markise
            SONSTIGES: 5 kWp PV mit Symo-Hybrid und Batteriespeicher, go-e Wallbox, Rauchmelder vernetzt mit Koppelmodul am MS, Globalstrahlungssensor, Stromzähler, Wetterstation (WLAN)

            Kommentar

            • Gast

              #8
              Zitat von Peter_Aschenberger
              [ATTACH]temp_594_1446058805577_984[/ATTACH] Hallo,

              anbei mein Programm und ein paar Bilder wie das dann dargestellt wird.
              Hi!
              Die Logik ist wirklich ganz gut durchdacht- aber wie quittierst Du denn das Signal wenn die Waschmaschine fertig ist?
              Denn ich möchte mit dem Ausgangs-Merker eine Textnachricht alle 10 Minuten am Loxone Musicserver abspielen (Loop)
              dass eben die Waschmaschine fertig ist- und dies muss ich ja irgendwie dann auch rücksetzen .
              Zuletzt geändert von Automation; 09.12.2016, 07:59. Grund: Bitte keinen ganzen Zitate

              Kommentar


              • COMHOME
                COMHOME kommentierte
                Kommentar bearbeiten
                Könntest ja z.B. Reset auslösen, wenn der BWM im Waschkeller auslöst

              • Peter_Aschenberger
                Peter_Aschenberger kommentierte
                Kommentar bearbeiten
                Diese Quittierung gibt's bei mir nicht. Die Logik setzt die Meldung ab und detektiert einen Neustart dann wieder selber.
                An den BWM hätte ich auch schon mal gedacht aber im Keller hält sich sehr oft unsere Katze auf, das macht sicher nur Probleme.
            • Gast

              #9
              Das stimmt- kämpfe aber gerade noch an der Logik-die funzt noch nicht so wie ich möchte- hat da jemand vielleicht eine fertige Config für Trockner oder WM fertig??

              Kommentar


              • COMHOME
                COMHOME kommentierte
                Kommentar bearbeiten
                Peter hat oben doch schon eine gute Config angehängt - da ist doch wirklich nicht mehr viel nötig.
            • Gast

              #10
              Ich hab das Problem dass der Merker WM fertig am Schluss nicht gesetzt bleibt- -Siehe Anhang.Der Status selbst -WM fertig- wird richtig mit 1 ausgegeben,aber der Merker selbst dürfte offensichtlich am Ende des Waschvorganges dann vorher rückgesetzt werden-somit keine akust. Meldung dass die WM fertig ist.
              Ich vermute dass das Problem der verzögerte Impuls - zu kurz eingestellt- Klicke auf die Grafik für eine vergrößerte Ansicht  Name: Waschmaschine_fertig_fehler_2.jpg Ansichten: 1 Größe: 253,3 KB ID: 69858 ist.(markiert mit Pfeil an der Skizze).
              Angehängte Dateien

              Kommentar

              • Gast

                #11
                ...ist erledigt- funzt jetzt- bei Bedarf kann jemand die leicht modifizierte Config natürlich haben...

                Kommentar


                • COMHOME
                  COMHOME kommentierte
                  Kommentar bearbeiten
                  Ich fände es schön, wenn du die Config hier hochladen würdest und das angeschlossene Gerät mitteilen würdest!

                • Leo Kirch
                  Leo Kirch kommentierte
                  Kommentar bearbeiten
                  Wiki wäre auch eine gute Ablagemöglichkeit ;-)
              • Gast

                #12

                Peter Aschenberger hat da wirklich einen guten Grundstein for die WM Steuerung vorbereitet.- Danke nochmals dafür!
                Ich hab die Config noch ein wenig für meine Zwecke modifiziert:

                Angeschlossen ist eine Waschmaschine mit Standby 0.002KW.
                Der Analogwert kommt von der Loxone Steckdose.Bei mir als Einstellhilfe erklärend:
                0.002Kw ist mein Standby Verbrauch wenn WM fertig ist.Die beiden Analogpegel wie in der Konfig sichtbar stellte ich somit auf 0,01 bis5KW und 0 bis 0,01KW ein !
                Angezeigt wird dann an Tablet bei uns im Wohnzimmer der Status der Waschmaschine-zugleich wird aber eine Speech Nachricht an den Loxone Music Server geschickt
                der "Waschmaschine ist fertig" spricht- bis jemand von uns in die Waschküche geht und durch den Bewegungsmelder im Keller dann die Nachricht rücksetzt.

                Diese config war auch die Vorlage für den Trockner und den Geschirrspüler in meinem Netzwerk.Alles funzt prima!

                Als nächstes muss ich noch meinen Denon Verstärker im Wohnzimmer(Denon AXR-x1100 W) einbinden um bei Ihm ebenfalls den Text abzuspielen(derzeit alles nur im Testaufbau mit Loxone Music Server und Standart HIFI Verstärker ohne Lan-denn der Loxone Multiroom Verstärker ist mir zu teuer für meine Anwendung).

                Wenn jemand eine Wiki oder config für den Denon dafür hat wäre ich sehr froh!
                by the way- tolles Forum!

                Loxone_Email_Waschmaschine.Loxone

                Kommentar


                • Gast
                  Gast kommentierte
                  Kommentar bearbeiten
                  Gast Eine wirklich gute Vorlage von Euch! Danke! Hast Du das Problem mit der Endlosschleife lösen können? Habe es sehr ähnlich gemacht und der PM in der Wirtschaftsküche soll den Aktiv-Status reseten, tut es aber (noch nicht) - bei mir bleibt es seit der Implementierung und dem ersten Test auf "aktiv" und Caller bzw Pushbenachrichtigung kämen im Minutentakt . Hast Du vielleicht eine Idee? Danke
              • ToB204
                Smart Home'r
                • 27.08.2015
                • 54

                #13
                Hallo ich versuche gerade mein Mdt Aktor dazu zu bewegen, dass er mir die Strommesswerte sendet. Hab die Ets Einstellungen wie bei RobertS Screenshots ein gestellt, leider werden mir keine Daten gesendet! Muss ich die manuell von dem Miniserver anfordern lassen?

                Kommentar

                • bdaenzer
                  Extension Master
                  • 28.08.2015
                  • 101

                  #14
                  vielen dank schon mal allen für die vorarbeit der waschmaschinenlogik! bin bisher nicht dazu gekommen, ist aber genau gleich angedacht. bei uns ist es etwas weniger dringend weil der waschraum meistens offen im EG liegt (wohnräume im OG) und die Siemens WM und TU einen relativ angenehmen und lauten End-Ton haben, damit zeigt sich jetzt in der praxis dass hier nicht dringend über die hausautomation alarmiert werden muss. eher schon beim geschirrspüler, welcher einen sehr nervigen pfeifton hat (auch Siemens), welchen man dann abschalten und durch etwas angenehmeres ersetzen könnte.

                  Zitat von ToB204
                  Hallo ich versuche gerade mein Mdt Aktor dazu zu bewegen, dass er mir die Strommesswerte sendet. Hab die Ets Einstellungen wie bei RobertS Screenshots ein gestellt, leider werden mir keine Daten gesendet! Muss ich die manuell von dem Miniserver anfordern lassen?
                  es gibt 3 wege wie man an die daten in der loxone kommt:
                  1: MDT auf "senden bei X% prozent veränderung" parametrisieren. in der loxone einen KNX eingang mit entsprechender gruppenaddresse konfigurieren und "mithören" lassen (variante hab ich gewählt und funktioniert so weit ich beurteilen kann gut. ist quasi eventbasiert und zumindest rein theoretisch am wenigsten belastung für das gesamtsystem, funktioniert so weit ohne ausreisser, hab's aber auch noch nicht extensiv getestet und überprüft)

                  2: MDT auf zyklisches senden parametrisieren (alle 20s oder so). in der loxone einen KNX eingang mit entsprechender gruppenadresse konfigurieren und "mithören" lassen. müsste ähnlich gut funktionieren wie ersteres, aber gesamtbuslast / anzahl verarbeitungen in der loxone werden höher. ev. ein theoretisches problem, aber entspricht nicht meinem ansatz möglichst viel last von der loxone wegzunehmen und extern zu lösen, damit diese aufs wesentliche konzentrieren kann.

                  3: weder prozent/noch zyklisch im aktor und den status von der loxone her periodisch mit statusabfragen "auslesen" lassen. meine erfahrungen hierzu sind schlecht. hatte versucht die loxone nach jedem boot mit den ganzen knx stati synchronisieren zu lassen (mit wert 0 bei der zyklischen statusabfrage) aber das hat nie wirklich zuverlässig funktioniert :-( dafür gibt's ja jetzt das knxd plugin auf dem loxberry und damit geht's! da triggert die loxone mit einer aktion nach dem booten den loxberry, und der fragt dann die knx stati reihum ab, welche loxone passiv mithört. (schalterzustände in der visu etc...)

                  bzgl. KNX: macht euch unabhängig vom elektriker! das ganze ist, wenn man's nur trivial "dumm" konfiguriert überhaupt keine hexerei! brauche immer noch die ETS4 mit der webtraining/20 geräte limitation und komme damit ganz gut klar (geräte aufgeteilt in 2 projekte). es kommt aber schon ab und zu noch vor, dass man was ändern will, gerade bei jalousieaktoren, präsenzmeldern oder wie hier strommessaktoren. da jedes mal zum eli rennen zu müssen wäre mir echt zu mühsam!

                  Kommentar


                  • ToB204
                    ToB204 kommentierte
                    Kommentar bearbeiten
                    Danke bdaenzer für deine ausführliche Antwort! Ich hab die % sende Funktion im Vorfeld schon gesehen, war mir nur unschlüssig ob es mit Loxone funktioniert. Kann ich auf 1 % gehen oder wegen der Buslast lieber auf 5 % oder so?

                  • bdaenzer
                    bdaenzer kommentierte
                    Kommentar bearbeiten
                    ich verwende 10% laständerung und das reicht für die typischen anwendungen vollkommen. ein TV gerät ein- oder ausschalten z.b. ergibt viel mehr als 10% änderung.
                    der MDT aktor hat übrigens noch ein separates binäres (ein/aus) kommunikationsobjekt für lastüber oder unterschreitung, welches für einfache aufgaben wie die TV ein/aus sogar noch besser/einfacher geeignet ist. einfach mal den standby verbrauch anschauen und entsprechend einen grenzwert etwas darüber einstellen. nachteil hier ist, dass das ganze nur recht grob konfiguriert (auf 100ma genau) werden kann und eben komplexere fälle wie waschprogramme mit starken schwankungen nicht abdeckt. aber einfache alarme wie "kühlschrank zieht nichts mehr" oder "dampfabzug ein" klappen tiptop.
                • miqa
                  MS Profi
                  • 03.06.2016
                  • 797

                  #15
                  Hallo Peter_Aschenberger

                  Ich kann deine Datei leider (immer noch) nicht runterladen. Könntest du die Datei nochmal hochladen? Vielleicht klappt es dann.

                  Kommentar

                  Lädt...