LED Farbwechsel mit Taster

Einklappen
X
 
  • Zeit
  • Anzeigen
Alles löschen
neue Beiträge
  • Gast

    #1

    LED Farbwechsel mit Taster

    Sorry, weiss gerade nicht wonach ich suchen soll.

    Ich habe hier eine LED in der Dampfdusche die per Taster immer eine Farbe weitergeschaltet wird, Langzeitdruck gleich aus!
    Also von AUS,Rot;grün,Gelb,usw 8Farben. Ich möchte eine Farbe auswählen bzw direkt anfahren und die Anzahl Tastungen auslösen lassen.
    Von mir aus auch immer von AUS starten mit Langzeitklick zu Beginn. Gibts da was fertiges?
    VG
    Jörg
  • mil@n
    Smart Home'r
    • 13.11.2015
    • 85

    #2
    Womit wird die LED gesteuert. Welcher Baustein? Am besten ein Screenshot zeigen!

    Kommentar

    • Gast

      #3
      Hab noch keinen Baustein. ich Kann die LED über einen Taster innerhalb der Dusche einschalten.Da liegt jetzt das Kabel parallel drauf und dann auf ein Relais vom MS.
      Gibt es einen Baustein der Mehrfach das Relais anziehen läßt? z.B 5x oder muss ich das mit mehreren Bausteinen Einschaltverzögerung lösen und davon 8 Stck hintereinander legen?
      VG

      Kommentar

      • Kitchenmaster1976
        Smart Home'r
        • 25.10.2018
        • 41

        #4
        Programmtechnisch geht das sicher aber wenn du nicht immer die gleiche Farbe willst wie soll der MS dann wissen welche also irgendwas mit 8 Tasten oder wieder wieder bis zu 8 Mal die gleiche

        Kommentar

        • mil@n
          Smart Home'r
          • 13.11.2015
          • 85

          #5
          in dem Fall gibt es soweit ich weiss nichts fertiges, aber Lösbar ist es auf jeden Fall!
          Die Frage die sich stellt ist, womit soll die Logik ausgelöst werden?
          Erkläre bitte mal was mit parallel gemeint ist? Schaltung?

          Wenn Du den Taster an einen digital Eingang vom MS legst, Der MS per Relais dann die LED steuern soll, würde es sicher gehen.
          Die Frage ist was wäre dann anders? Womit willst due den mehrfachen Schaltvorgang des Relais auslösen? Visualisierung?

          Du könntest natürlich mit dem Taster weniger Farben schalten, oder die Farben-Reihenfolge ändern.
          Ein Tastenklick=blau ( Beisp. Einfachklick löst am Relays 7 impulse aus um zum blauen Licht zu schalten )
          Doppelklick=rot
          Dreifachklick = gelb
          Langer Tastendruck=aus
          Zuletzt geändert von mil@n; 07.04.2020, 08:44.

          Kommentar

          • Gast

            #6
            Ich würde es mit festhalten programmieren. So lange man hält fährt er die Farben durch und die klackern durch. Beim loslassen wird die letzte Farbe gehalten. Doppelklick löscht alles und macht LED aus. 2. Relais Strom weg von LED/Steuerung. Mit einer 2. Taste daneben von einrm Doppelwippentaster würde ich dann Wunschfarben realisieren. Einzel, Doppel, Dreifach und 4fach klick.

            Man könnte ich den Taster gegen einen Drehschalter oder Poti tauschen und den 0-10V Ausgang befeuern. Ist sehr hoher Verschleiß des Relais wenn es zigmal klacketn muss.


            Gesendet von iPhone mit Tapatalk

            Kommentar


            • mil@n
              mil@n kommentierte
              Kommentar bearbeiten
              Relais gibs bei Conrad Du hast natürlich Recht! Man könnte auch mit einen analogen Ausgang ein außenliegendes kontaktloses Relais ansteuern!
              Zuletzt geändert von mil@n; 07.04.2020, 09:30.
          • Gast

            #7
            Zitat von mil@n
            i
            Ein Tastenklick=blau ( Beisp. Einfachklick löst am Relays 7 impulse aus um zum blauen Licht zu schalten )
            Genau So - Radioschalter Farbe wählen und dann die Anzahl Impule an das Relais geben, das suche ich als Baustein
            Wollte mir so etwas ersparen




            Angehängte Dateien

            Kommentar

            • mil@n
              Smart Home'r
              • 13.11.2015
              • 85

              #8
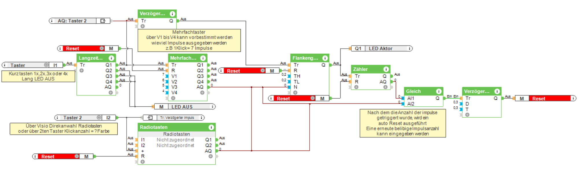
              Klicke auf die Grafik für eine vergrößerte Ansicht  Name: Screenshot 2020-04-07 11.12.34.png Ansichten: 0 Größe: 97,4 KB ID: 243361
              Es könnte so gehen:
              In einem Mehrfachklick kann man unter V1 bis V4 gewünschte Werte eintragen. Heißt Einfachklick bewirkt 7 an seinem AQ
              Der Rest wird mit einem Impulsgeber ausgewertet.
              Am Analogwahlschalter wird die Anzahl der Impulse zu einem Digitalen Ausgang ausgegeben. ( oder analogen )
              Der Monoflop bestimmt die Dauer der Ausgabe.
              Der Impulsgeber sollte an TH und TL nicht über 0,3 liegen, da sich sonst der grüne Zahler verzählt. Der rote Zähler dient nur zur Überprüfung.
              Man kann sicher noch was basteln das der Impulsgeber schneller laufen kann! Muß aber jetzt weg

              Mögliche Erweiterungen mit Kaskadierung ( auch per Langzeitklick zum festhalten bis die gewünschte Farbe kommt )
              Zuletzt geändert von mil@n; 07.04.2020, 12:14.

              Kommentar

              • Gast

                #9
                Um was für ein Lampenmodell habdelt es sich? Eventuell gibt es da noch rine Schnittstelle mehr?


                Gesendet von iPhone mit Tapatalk

                Kommentar

                • Thomas Kührer
                  LoxBus Spammer
                  • 25.08.2015
                  • 400

                  #10
                  Eine Möglichkeit wäre es auch das "Flankengetriggerte Wischrelais".
                  Hier kann man die Impulsanzahl vorgeben.

                  z.b. So:

                  Kommentar

                  • Gast

                    #11
                    Gast ich hab nur Zugriff auf das Panel draußen und von da zum MS
                    und vom Hersteller.....

                    wie besprochen werden die Widerstände parallel zum Taster an der Dampfbadsteuerung angeklemmt:

                    Dampfgenerator Ein/Aus: 470R von X1:3 nach X1:5 oder
                    über die Flachsteckkontakte ohne zusätzlichen Widerstand.

                    Farblicht: 3K3 von X1:3 nach X1:5

                    Sitzheizung: 10K von X1:3 nach X1:5

                    Licht weiss: 3K3 von X1:3 nach X1:4

                    Kommentar

                    • Gast

                      #12
                      Thomas, das werde ich mal probieren, DANKE @ll

                      Kommentar

                      • mil@n
                        Smart Home'r
                        • 13.11.2015
                        • 85

                        #13
                        Klicke auf die Grafik für eine vergrößerte Ansicht

Name: Screenshot 2020-04-07 16.21.18.png
Ansichten: 652
Größe: 102,7 KB
ID: 243400

                        Weitere Möglichkeit auch mit FlankenWischer.
                        Zuletzt geändert von mil@n; 07.04.2020, 16:23.

                        Kommentar

                        • mil@n
                          Smart Home'r
                          • 13.11.2015
                          • 85

                          #14
                          Klicke auf die Grafik für eine vergrößerte Ansicht

Name: Screenshot 2020-04-07 21.14.15.png
Ansichten: 664
Größe: 236,7 KB
ID: 243471
                          Mit Auto Reset und 2 Möglichkeiten die Impulse zu starten.

                          Kommentar

                          • Gast

                            #15
                            Please find included in here a solution using two buttons:
                            a) one button changes the intensity (starts from a given color)
                            b) other button changes the color (starts from a given intensity)
                            c) changing color or intensity happens with long push on the specific button
                            d) a short push on each of the buttons, turns off the lights
                            e) in case of lights off and RGBW, a short push on one of the buttons with give white light
                            Angehängte Dateien

                            Kommentar

                            Lädt...