Willkommen im Loxone Community Forum. Um alle Funktionen nutzen und sehen zu können, registriere dich bitte zuerst. Dies gilt auch für das herunterladen von Dateien.
stehe gerade etwas auf dem schlauch.
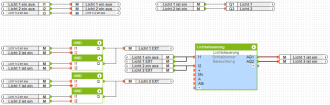
Habe die Schaltung wie auf dem angefügten Bild.
Allerdings hätte ich gern das der Taster XE EXT2 alles Ein bzw. alles Aus schaltet.
Leider wechseln die Leuchten aber wenn bereits eine eingeschaltet ist.
Das "Schlafzimmer-Bett-Bett-Tür-Problem" :-)
- Führe AQ1 und AQ2 auf ein ODER (ich nenne das jetzt LICHT-AN).
- Nach EXT1 brauchst du zwei UNDs:
- 1. Wenn LICHT-AN UND EXT1 --> Reset der Lichtsteuerung.
- 2. Wenn NICHT LICHT-AN (negiert) UND EXT1 --> Triggern der Lichteingänge.
PS: Damit es nicht wechselt, muss es noch etwas anders sein.
JEDER AQ muss einzeln auf zwei UND, und wenn EXT1 gedrückt wird, einzeln den jeweiligen Lichteingang triggern.
Mit Szenen arbeiten funktioniert nicht wirklich, weil niemand will zweimal drücken, dass es links leuchtet, oder viermal, dass beide leuchten usw.
Wir verarbeiten personenbezogene Daten über Nutzer unserer Website mithilfe von Cookies und anderen Technologien, um unsere Dienste bereitzustellen, Werbung zu personalisieren und Websiteaktivitäten zu analysieren. Wir können bestimmte Informationen über unsere Nutzer mit unseren Werbe- und Analysepartnern teilen. Weitere Einzelheiten finden Sie in unserer Datenschutzrichtlinie.
Wenn Sie unten auf "Einverstanden" klicken, stimmen Sie unserer Datenschutzrichtlinie und unseren Datenverarbeitungs- und Cookie-Praktiken wie dort beschrieben zu. Sie erkennen außerdem an, dass dieses Forum möglicherweise außerhalb Ihres Landes gehostet wird und Sie der Erhebung, Speicherung und Verarbeitung Ihrer Daten in dem Land, in dem dieses Forum gehostet wird, zustimmen.
Kommentar