Jalousie nach einem Zeitplan steuern

Einklappen
X
 
  • Zeit
  • Anzeigen
Alles löschen
neue Beiträge
  • Gast

    #1

    Jalousie nach einem Zeitplan steuern

    Hallo zusammen,
    bin momentan dabei, meine Jalousien zu testen.
    Den "Baustein" habe ich bereits programmiert und kann die Jalousie auch über die Visu steuern. Sprich, AUF und ZU fahren.
    Die Fahrzeiten habe ich dementsprechend angepasst..in meinem Fall 17Sekunden.

    Jedoch verstehe ich in der Inbetriebnahme - Beschreibung die Funktion der Aktuellen Position nicht ganz.
    Jalousiemotorsteuerung mit Ein- und Zweitastenbedienung inklusive Komfortfunktionen




    Meine 1. Frage:

    Wie kann ich die aktuelle Position der Jalousie eingeben?! In der Inbetriebnahme - Beschreibung steht zwar "Der Ausgang AQp zeigt die aktuelle Position der Jalousie", aber WO seh ich das genau im Baustein?
    Benötige ich das überhaupt?!?!


    Meine 2. Frage:

    Wie kann ich die Jalousie per festgelegten Zeiten Rauf bzw. Runter fahren lassen?
    Bsp: Morgens 7Uhr Hoch und ab 20Uhr wieder Runter?

    Gruß Neusser_Jung
  • kes
    Extension Master
    • 25.08.2015
    • 167

    #2
    Frage 1:
    Dies brauchst Du nur, wenn Du die Jalousie nicht nur ganz nach oben oder nach unten fahren möchtest. Angenommen Du möchtest eine Position anfahren, damit die Katze immer noch durch die Katzentüre kommt, dann brauchst Du natürlich die Position. Ich selber benötige die Position um zu prüfen, ob die Türe beim Sitzplatz unten ist wenn ich ins Bett gehe.

    Frage 2:
    Am einfachsten mit einer Schaltuhr. Mit deren Impuls kannst Du die Jalousien fahren.
    Ich selber kann auswählen, ob die Jalousien im Modus Manuell, Auto, Schaltuhr oder Halbautomatik (nur Schlafzimmer) gesteuert werden.

    Manuell: Jalousien fahren nur über die Betätigung der Taster oder App.
    Auto: Der Impuls kommt vom Sonnenauf- und Sonnenuntergang. Wobei ich hier noch einen virtuellen Schieber eingebaut habe, um die Zeit (z. B: Sonnenaufgang) zu schieben (+/-).
    Schaltuhr: Jalousien werden über die Schaltuhr gesteuert.
    Halbautomatik: Verwende ich nur im Schlafzimmer. Am Morgen werden die Jalousien über die Schaltuhr gesteuert. Am Abend werden diese wieder durch den Impuls Sonnenuntergang gesteuert (Modus Auto).

    Wenn wir sehr spät ins Bett gehen, dann wird in unserem Schlafzimmer automatisch der Modus Manuell gewählt. Somit fahren die Jalousien am Morgen nicht hoch wenn wir noch schlafen. Am Nachmittag wird ebenfalls wieder automatisch auf den Modus Auto umgestellt.

    Gruss
    Christoph

    Kommentar


    • Gast
      Gast kommentierte
      Kommentar bearbeiten
      Hallo,

      zur Frage 1:
      UNBEDINGT eingeben muss ich den WERT also nicht, denn ich möchte sie (Stand HEUTE) IMMER zu 100% hoch und 100% runter fahren lassen.

      zur Frage 2:
      Wie jetzt?!?! Ich benötige eine externe Schaltuhr, um die Jalousie nach festgelegten Zeiten Rauf/Runter fahren zu lassen?!?!
      In der Programmierung von LOXONE, kann ich keine Zeiten eingeben!! Ist doch jetzt ein Witz oder?

      Impuls vom Sonnenauf/untergang? Hast du eine Wetterstation auf dem Dach oder woher kommt der Impuls?

      Gruß Rene
  • Leo Kirch
    MS Profi
    • 26.08.2015
    • 831

    #3
    Klick Dich mal durch die Config-Bausteine und die passende Dokumentation dazu, das hilft.
    Zusätzlich gibt es von Loxone auch diverse Musterdateien.

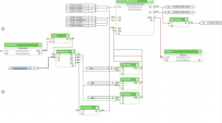
    Klicke auf die Grafik für eine vergrößerte Ansicht

Name: Schaltuhr.png
Ansichten: 5537
Größe: 49,8 KB
ID: 126380
    -

    Kommentar

    • kes
      Extension Master
      • 25.08.2015
      • 167

      #4
      Das mit der Schaltuhr hat Leo Kirch bereits geklärt. Ja, ich habe eine Wetterstation auf dem Dach. Die Impulse bekommst Du von Loxone aber kostenlos. Klicke einmal in die Peripherie und suche dort unter Zeiten die Impulse Sonnenauf- und Sonnenuntergang. Ziehe diese auf die Seite an deinen Jalousienbaustein. Beim Bild Schaltuhr habe ich ein Beispiel für heute Donnerstag gemacht. Das müsstest Du natürlich für jeden Tag wiederholen.

      Gruss
      Christoph
      Angehängte Dateien

      Kommentar

      • Vossi
        LoxBus Spammer
        • 25.08.2015
        • 456

        #5
        Zitat von Neusser_Jung
        ...In der Inbetriebnahme - Beschreibung steht zwar "Der Ausgang AQp zeigt die aktuelle Position der Jalousie", aber WO seh ich das genau im Baustein? ...
        Was du hier gefunden hast (AQp) ist ein Ausgang -- der gibt die aktuelle Position aus.
        Der Eingang, um die Jalousie auf eine bestimmte Position zu fahren, heißt ALp.
        Aber mit dem Ausgang kann man auch schöne Sachen machen! Ich habe in unseren Kinderzimmern einen Reset-Impuls auf den Lichtbaustein gegeben, wenn die Rolllade oben angekommen ist. Egal wie die Rolllade hochfährt, wenn sie oben ist, geht's Licht aus. Keine vergessenen Lichter mehr...

        Kommentar

        • Philipp
          Azubi
          • 27.04.2016
          • 4

          #6
          Hallo

          kannst du vielleicht Deine Rollo konfig hochladen würde mich auch sehr interessieren.

          lg

          philipp

          Kommentar

          • TGeissler
            LoxBus Spammer
            • 17.05.2016
            • 294

            #7
            Hallo Zusammen,

            ich habe ein Problem welches zu diesem Thema passt.

            Ich möchte ein Zeitversetztes Hochfahren des Rollo im Schlafzimmer realisieren was zu 90% funktioniert.
            Was mir hier noch fehlt ist das "freigeben" der Funktion nur wenn das Rollo unten ist. Also wenn vor dem Schaltuhr-Befehl das Rollo manuell angesteuert wird soll das bis zum nächsten morgen nicht mehr ausgeführt werden. Hat hierzu jemand eine Idee?

            Klicke auf die Grafik für eine vergrößerte Ansicht

Name: AutomatijalSchlaZi.PNG
Ansichten: 6670
Größe: 59,4 KB
ID: 151323

            Kommentar

            • kes
              Extension Master
              • 25.08.2015
              • 167

              #8
              Position der Rollo nehmen. Ist diese z. B. =1 (unten) dann könntest Du den Jalousien Baustein für eine gewisse Zeit sperren. Vielleicht mit Eingang auf [SP] und Parameter bei [SO] auf 1 setzen. Das Ganze hat natürlich den Nachteil, dass die Sicherheitsabschaltung für Sturmschutz für einen anderen Zweck missbraucht wird.
              Ein anderer Weg, die Position der Rollo mit einem [Und] und deinen Befehlen (Eingänge) verknüpfen.

              Kommentar

              • Snues
                Smart Home'r
                • 11.12.2021
                • 57

                #9
                Mahlzeit und schönen 3ten Advent.

                So ich möchte meine Beschattung nach Sonnenuntergang/Aufgang automatisch schalten lassen.
                Hier mein Config mal bei AT1 90min gewählt und bei AT2 -30 gewählt um es mal zu testen. In der App
                habe ich auf "Automatik aktivieren" gestellt nur leider passiert da nichts???
                Habe ich eine Einstellung übersehen ? Bin noch Anfänger auf dem Kapitel ;-)

                Mfg Bernd

                Kommentar

                • Vossi
                  LoxBus Spammer
                  • 25.08.2015
                  • 456

                  #10
                  Hast du dir die Doku mal angeschaut? Nur mit den beiden Parametern wird das natürlich noch nichts. Vor allem den Eingang AS und den Parameter D solltest du dir einmal anschauen. Hier der Link zum Baustein:

                  Jalousiemotorsteuerung mit Ein- und Zweitastenbedienung inklusive Komfortfunktionen

                  Kommentar

                  • Iksi
                    Lox Guru
                    • 27.08.2015
                    • 1111

                    #11
                    Das hat da nix mit zu tun. Die AT Parameter sind für die automatische Beschattung nach sonnenstand. Das was du möchtest musst du extra programmieren, das kann der Baustein nicht von sich aus....

                    Kommentar

                    • Snues
                      Smart Home'r
                      • 11.12.2021
                      • 57

                      #12
                      Vossi Danke ja hab ich mir angeschaut und von der Doku habe ich auch das mit At1 bzw At2. D Parameter ist für jedes Fenster eingestellt und AS ist auch klar. Funktioniert das jetzt mit dem Baustein ?

                      Iksi Warum funktioniert das nicht? Sind ja die Parameter dafür vorhanden. Bitte kläre mich auf.

                      Mfg Bernd

                      Kommentar

                      • wild_child
                        Extension Master
                        • 19.05.2019
                        • 157

                        #13
                        @Snues: bitte nochmal die Doku sauber lesen. Die Automatikbeschattung hat nichts mit "Morgens auf, abends ab" zu tun, sondern "Sonne im definierten Winkel zum Fenster --> Beschattung fährt herunter".
                        Haus: BJ 2019 - Einzug 2019 - Fertigstellung: 2058
                        Automatisierung: Miniserver Gen. 1, 3x Extension, Dimmer Extension, 1-Wire-Extension, 2x Relay Extension, Tree Extension, Air Base Extension, x Rauchmelder Air, x Smart Socket, Wetterstation Tree
                        Haustechnik: ETA PU15, Fußbodenheizung komplett, Vallox 350 MV
                        Spielwiese: ioBroker, Loxberry

                        Kommentar

                        • Snues
                          Smart Home'r
                          • 11.12.2021
                          • 57

                          #14
                          wild_child ach Mensch Maier jetzt hats klick gemacht 😅 leuchtet ein warum es nicht geht. Also da ich keinen Helligkeit Senor besitze würde es mit einer Schalteruhr funktionieren.

                          Kommentar


                          • Vossi
                            Vossi kommentierte
                            Kommentar bearbeiten
                            Oder mit den Zeiten für Sonnenauf- und -untergang, die Loxone dir bietet...
                        Lädt...