Komplexe Aussenlicht Steuerung mit Bewegungsmelder erweitern.

Einklappen
X
 
  • Zeit
  • Anzeigen
Alles löschen
neue Beiträge
  • Rar9
    LoxBus Spammer
    • 25.08.2015
    • 221

    #1

    Komplexe Aussenlicht Steuerung mit Bewegungsmelder erweitern.

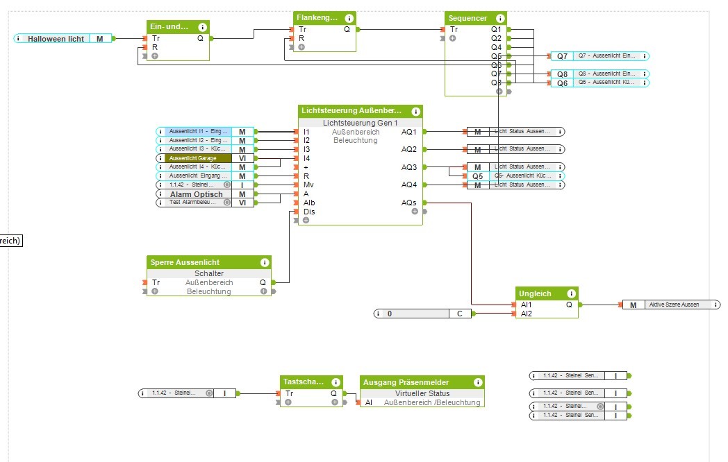
    ch möchte meine Außenbeleuchtung weiter optimieren, jedoch gestaltet sich dieses schwere als gedacht da mein aufbau schon etwas älter ist.

    Ich habe 4x Aussenlichter die Separat geschaltet werden können.

    Frontseite: Haustür 1x Links & 1x Rechts.

    Hausseite mit Einfahrt 1x links Küchentür/Garage & 1x Hausecke zur Frontseite.

    Bei Abenddämmerung sollen nur die 2x Haustür Lichter bis Morgendämmerung leuchten.

    Ausnahme 1 - Flurlicht:
    Wenn im Flur die Innenlampen an sind oder angeschaltet werden, soll die Haustürlichter aus sein, bis diese wieder ausgeschaltet werden.

    Ausnahme 2 - Haustür:
    Wenn die Haustür geöffnet wird, soll die 2x Lampen angehen, sollte diese wegen dem Flurlicht aus sein, solage die Tür offen ist und erst nach 90 sec wieder nach Turschliessung ausgehen.

    Ausnahme 3 - Küchentür + Garagentor:
    Nur eine Lampe (Nähe Garage) soll auf der Küchenseit angehen wenn die Küchentür oder das Garagentor geöffnet wird, und ebenfalls erst nach 60sec Ausgehen.

    Ausnahme 4 - Bewegungs Melder (Fern- + Nahbereich)
    Für Fernbewegung soll nur die Küchenseitenlampe Richtung Frontseite angehen.
    Wenn der Nahbereich ausgelöst wird sollen 3 Lampen angehen (1x Eck und 2x Haustürlichter)

    Ausnahme 5 - Halloween
    Wenn Halloween ist darf der BM nicht auslösen und die Haustürlichter müssen beim Klingel so lange flackern bis die Haustür geöffnet wird.

    Ich post morgen meine 2 vorhanden Seiten die vor längerer Zeit mal erstellt wurden jedoch nicht perfekt sind.

    _____________

    Was aktuell noch nicht geht ist der zweite BM Nahbereichzone.

    Erweiterung der Lichtsteuerung für dunkle Tage vor Dämmerungsimplus durch Nutzung der BM lux Werte.

    Konflikte wenn Küchentür und Garagentor auf sind bleibt manchmal das Garage Licht an.

    Verbesserungen des Kamera Bildes durch durch Ausschalten der rechten Haustürlampe wo die Kamera ist wenn jemand klingelt.

    Erweiterung des BM bereiches durch einbinden des Mobotix Bewegungsmelder.

    Erweiterung für New Year / Deaktierung der Kompletten Aussenlichter für 1 Stunde

    Ich bin mir sicher das evtl mit 2-3 verknüpften Statusbausteinen die die Lichtszene definieren, ich evtl noch flexibler werde.

    Jedoch freue ich mich über alternative Lösungen.

    Klicke auf die Grafik für eine vergrößerte Ansicht

Name: 1.jpg
Ansichten: 737
Größe: 140,2 KB
ID: 133945Klicke auf die Grafik für eine vergrößerte Ansicht

Name: 2.jpg
Ansichten: 430
Größe: 93,7 KB
ID: 133946
    Zuletzt geändert von Rar9; 20.12.2017, 08:50.
Lädt...