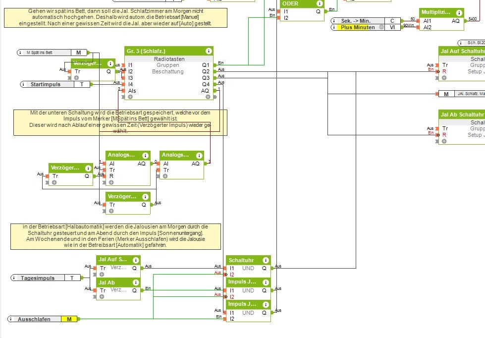
Ich stehe wieder einmal vor ein Problem. Ich habe für die Jalousie im Schlafzimmer quasi 4 Betriebsarten (1. Automatik, 2. Schaltuhr, 3. Manuell und 4. Halbautomatik). Im Winter ist im Normalfall die Betriebsart "Automatik" gewählt (im Sommer "Halbautomatik"). Dann fährt die Jalousie in Abhängigkeit vom Sonnenaufgang und Sonnenuntergang. Gehen wir aber spät ins Bett, dann wird automatisch die Betriebsart "Manuell" gewählt. Somit fährt die Jalousie am Morgen nicht hoch, sondern muss von Hand hochgefahren werden. Nach einer gewissen Zeit wird aber wieder automatisch die vorherige Betriebsart "aktuell Automatik" gewählt. Kurz gesagt, wird der Eingang I3 gesetzt, soll immer die vorherige Tasterposition gemerkt werden. In der Test Config (angehängte Datei) funktioniert es tadellos.
Live (Bild unten) funktioniert es leider nicht immer. Vielleicht kann mir jemand einen Tipp geben woran dies liegen kann.
Das gleiche Prinzip verwende ich auch für die Anwesenheitssimulation. Wenn ich das Haus verlasse und den Alarm scharfstelle, wird automatisch z. B. die Simulation eingeschaltet. Dann werden via Schaltuhr in Abhängigkeit von der Helligkeit (Lux) verschiedene Lampen ein- resp wieder ausgeschaltet. Komme ich nachhause und deaktiviere den Alarm, dann wird automatisch die z. B. Anwesenheit gewählt. In diesem Modus werden auswählbare Lampen via Impuls Sonnenuntergang eingeschaltet. Es gibt auch hier vier verschiedene Modi, je nachdem war einmal vorgewählt war sollte nach dem Wechsel wieder gewählt werden.
Beste Grüsse
Christoph
?

Kommentar