Licht ( Parameter MT ) schaltet nicht aus ??

Einklappen
X
 
  • Zeit
  • Anzeigen
Alles löschen
neue Beiträge
  • Fuzzy1983
    LoxBus Spammer
    • 25.01.2017
    • 241

    #1

    Licht ( Parameter MT ) schaltet nicht aus ??

    Hallo Forum,
    ich habe ein Problem bezüglich automatische Lichtabschaltung.
    Wenn ich per Taster in meinem Badezimmer das Licht einschalte dann müsste doch das Licht automatisch nach eingestellter Zeit MT wieder ausgehen wenn keine Bewegung mehr von meinem Präsenzmelder erkannt wird ??
    In anderen Räumen funktioniert das auch wunderbar, nur eben im Badezimmer nicht.
    Habe schon den Baustein gelöscht und neu angelegt, leider ohne Erfolg.
    Kann mir jemand sagen an was das liegen könnte?

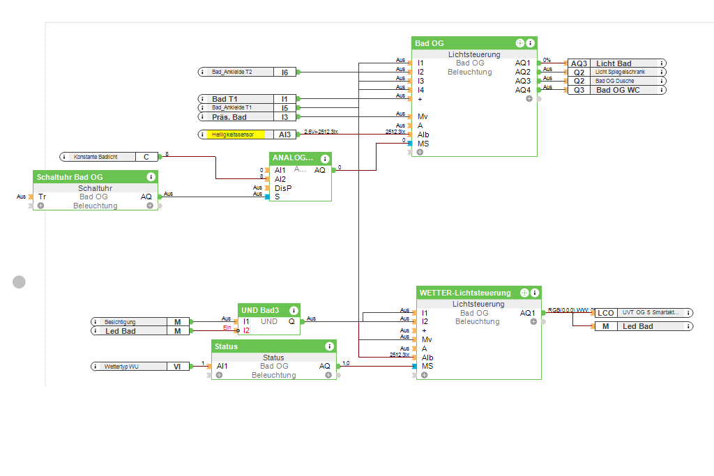
    Anbei ein Screenshot der Config
    Angehängte Dateien
  • kes
    Extension Master
    • 25.08.2015
    • 167

    #2
    Sehe ich auch so. Ich würde den BM loggen. Vielleicht gibt der noch ein Signal, wenn niemand im Bad ist.

    Kommentar


    • Fuzzy1983
      Fuzzy1983 kommentierte
      Kommentar bearbeiten
      Danke für deine Antwort.

      Was genau meinst du mit loggen?
  • romildo
    Lebende Foren Legende
    • 25.08.2015
    • 5173

    #3
    Hallo,
    Ich würde da einfach mal in der LiveView schauen ob die Eingänge an der Lichtsteuerung wie gewünscht schalten.
    Da die Lichtsteuerung auch noch mit einem Zentralbaustein gekoppelt ist, könnte auch dieser dafür verantwortlich sein.
    Solltest du noch nicht die neueste Config Version verwenden, dann könnte es auch daran liegen.
    LG Romildo

    Kommentar


    • Fuzzy1983
      Fuzzy1983 kommentierte
      Kommentar bearbeiten
      Werde ich später mal testen wenn ich zuhause bin. Habe die aktuellste Config.

      Jetzt ist mir gerade an meinem Screenshot aufgefallen das der Präsenzmelder nicht direkt auf meinen Lichtsteuerungsbaustein geht sondern über zwei UND Bausteine geht.
      Jetzt vermute ich stark das dass Signal vom PM nur zum Lichtbaustein durchgeht wenn die UND Bedingung erfüllt ist.?
      Könnte das sein?
      Aber wie mache ich es dann das trotzdem das Licht ausgeht wenn man es mal vergessen hat auszuschalten?

      Besten Dank schon mal

    • romildo
      romildo kommentierte
      Kommentar bearbeiten
      Die Lichtsteuerung hat ja noch die Eingänge AIb in Zusammenhang mit T für Helligkeit und DisMv für die Einschaltverhinderung des BWM.
      Ich würde den BWM direkt mit Mv und die Verriegelung über die genannten Eingänge verbinden.
  • Fuzzy1983
    LoxBus Spammer
    • 25.01.2017
    • 241

    #4
    Super Sache, jetzt funktioniert es!
    Vielen Dank
    Angehängte Dateien

    Kommentar

    Lädt...