Verbrauchszaehler - unerklaerbare Werte

Einklappen
X
 
  • Zeit
  • Anzeigen
Alles löschen
neue Beiträge
  • tholle
    MS Profi
    • 26.08.2015
    • 830

    #1

    Verbrauchszaehler - unerklaerbare Werte

    Hi,

    ich habe an meinem (Strom-)Verbrauchszaehler komische Werte, die ich mir nicht erklaeren kann.
    Evlt. kann das ja einer von euch.

    Ich lese meinen Stromzaehler mit einem IR-USB-Volkszaehler in Verbindung mit dem Loxberry-Smartmeterplugin aus. Im Grunde bekomme ich nur zwei relevante Daten.
    totaler Verbrauch (Consumption_Total_OBIS_1.8.0) und momentaner Verbrauch (Consumption_CalculatedPower_OBIS_1.99.0). Die empfangen Werte stimmen auch mit dem auf dem Stromzaehler angezeigten Werten ueberein.

    Ich habe jetzt einen Verbrauchszaehler an die Werte gehaengt, der mir unerklaerliche Werte anzeigt (an AQx).
    Vielleicht weiss jemand, wie der Verbrauchszaehlerbaustein diese Werte berechnet und wie valide diese sind.

    Vielleicht muss ich an dieser Stelle noch hinzufuegen, dass mein Haus ein Neubau ist, der Zaehler also neu hier im Haus vor ca. 2,5 Jahren installiert worden ist.


    Vielen Dank und Gruss,
    tholle
  • Christian Fenzl
    Lebende Foren Legende
    • 31.08.2015
    • 11250

    #2
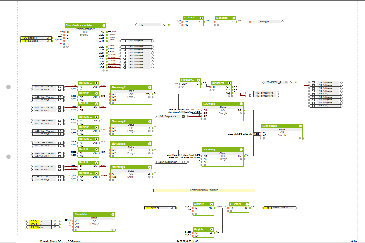
    Blend mal alles ein, man sieht ja gar keine Parameter.
    Hilfe für die Menschen der Ukraine: https://www.loxforum.com/forum/proje...Cr-die-ukraine

    Kommentar

    • tholle
      MS Profi
      • 26.08.2015
      • 830

      #3
      Parameter sind alle Standard geblieben, soweit ich weiss (siehe Screenshot).

      Formel: (I1/1000), dient dazu, dem momentanen Verbrauchswert in W anzuzeigen.

      Gruss,
      tholle

      Kommentar

      • Special
        LoxBus Spammer
        • 27.08.2015
        • 437

        #4
        Ich habe meine Zähler seit Anfang Februar dieses Jahr in Betrieb genommen (Modbus).
        Seltsamerweise habe ich auf allen drei Zähler den Verbrauch auf Ausgang AQ9 (vorheriges Jahr) stehen, der vorherige Monatsverbrauch ist auch auf einmal unrealistisch klein.
        AQ8 (Verbrauch dieses Jahr) wurde zurückgesetzt und wird jetzt neu gezählt, leider vier Monate zu früh :-((Arrr

        Da ich einen Zähler für den Verbrauch meiner Steuerung im Einsatz habe und diese Energie sehr Konstant ist, kann ich in etwa sagen das der Ausgewertete Zählerstand vom Verbrauchsbaustein vor 4,7 Tagen ins nächste Jahr katapultiert wurde.

        In den Statistiken konnte ich keine Auffälligkeit feststellen.

        Angehängte Dateien
        Zuletzt geändert von Special; 14.08.2018, 20:32.

        Kommentar

        • tholle
          MS Profi
          • 26.08.2015
          • 830

          #5
          Ich habe die Ursache fuer meine "unerklaerbaren" Werte gefunden.
          Ich hatte mal ein bisschen mit der "Korrektur" des VI gespielt. Dabei kam mal ein sehr hoher Wert heraus, den der Verbrauchszaehler natuerlich "mitgekriegt" hat. Da Werte bei aktivem Parameter A addiert werden und somit nur in eine Richtung zeigen koennen, hat hier ein RESET geholfen. Jetzt passen die Werte wieder zusammen.

          Gruss,
          tholle

          Kommentar

          • Special
            LoxBus Spammer
            • 27.08.2015
            • 437

            #6
            Oh das ist schön, ich habe ein Ticket bei Loxone eröffnet, geschäftlich bedingt wird sich das Loxone mit mir in meinem kommenden Urlaub anschauen.
            In der Doku steht das Reset alle Zählerstände auf Null setzt, wird der Absolutezählerstand dann automatisch wieder ins aktuelle Jahr geschrieben ?

            Kommentar


            • tholle
              tholle kommentierte
              Kommentar bearbeiten
              Ja! Der Reset verhaelt sich so, wie wenn man den Verbrauchszaehler das erste Mal in die Config aufnimmt. Allerdings bleiben die Statistiken erhalten. Finde ich gerade etwas nervig, weil mir der falsche (viel zu hohe Wert) die Statistik komplett versaut.

            • tholle
              tholle kommentierte
              Kommentar bearbeiten
              Doppelpost
          • tholle
            MS Profi
            • 26.08.2015
            • 830

            #7
            Ich habe doch noch mal eine Frage zum Thema unerklaerliche Verbrauchszaehlerwerte.

            Wie kann es sei, dass die Werte fuer WOCHENVERBRAUCH (AQ4), VERBRAUCH_GESTERN (AQ2), MONATSVERBRAUCH (AQ6) identisch dem Wert des GESAMTVERBRAUCH (AQ) ist?

            Thx und Gruss,
            tholle

            Kommentar


            • romildo
              romildo kommentierte
              Kommentar bearbeiten
              Ich vermute mal,
              Du hast gestern dem Verbrauchszähler einen Reset verpasst.
              Der Wert an E hat sich seit gestern nur einmal verändert.

              Dann gilt, da ja die Woche und der Monat noch nicht vorbei sind, der Wert von Gestern auch dem der Woche und dem des Monats.
          • tholle
            MS Profi
            • 26.08.2015
            • 830

            #8
            Du vermutest richtig.

            Dann warte ich mal bis morgen. Da müsste der Wochenwert ja anders aussehen.

            Danke und Gruß,
            tholle

            Kommentar

            Lädt...