Dank meiner großen Nächstenliebe habe ich jemanden versprochen seinen Wintergarten zu automatisieren (eine ganz simple Lösung) und das ohne jeglicher Vorkenntnisse über die Loxone.
Die Markiese hab ich mal geschafft mit dem Mini-Server (Automatikjalousie) und der Wetterstation Air.
Die Dachfenster machen mir aber Sorgen.
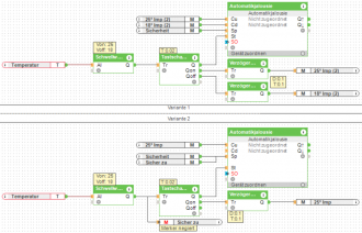
Als Baustein hab ich auch die Automatikjalousie gewählt, was nicht falsch sein dürfte. 2 Taster an die Eingänge und externe Relais an die Ausgänge (als Schutz der integrierten Relais), je eines auf, eines ab.
Nun will ich aber folgende Funktion mit dem Raumklimasensor Air umsetzen:
Bei 25°C sollen die Fenster aufmachen, Sicherheit vor Regen und Wind soll die Wetterstation bieten. Soweit ok, die Wetterstation auf den "SP-Eingang"- sollte passen hoffe ich (was ist mit dem "SO"-Eingang, istg der auch wichtig???)

Wie aber kann ich dem Raumklimasensor Air beibringen dass er bei 25°C die Fenster öffnen soll, und weiters bei 18° ´C die Fenster wieder schließen? Also als Sicherheit Wind und Regen über die Wetterstation, und gegen Frost der Raumklimasensor.
Ich bitte um eure geschätzte Hilfe!
Vielen Dank vorab!
LG Gerald



Kommentar