Lichtsteuerung mit Szene "automatischer Farbwechsel"

Einklappen
X
 
  • Zeit
  • Anzeigen
Alles löschen
neue Beiträge
  • HRA
    Lox Guru
    • 27.08.2015
    • 1037

    #1

    Lichtsteuerung mit Szene "automatischer Farbwechsel"

    Hallo,
    ich habe RGB-Streifen und den Lichtsteurungsbaustein im Einsatz. 6 Verschiedene Szenen (für jedes Familienmitglied das eigene Badelicht ) wurden programmiert. Nun möchte ich eine Szene erstellen, bei der ein automatischer Farbwechsel (vielleicht 5 verscheidene Farben) erstellen.
    Leider habe ich keine Idee wie das umzusetzen ist.
    Hat es jemand bereits gemacht oder eine gute Idee?
    Nehme gern Tips an

    Danke schon mal für euer Feedback.
    Gruß HRA

    ### MS Gen2 + Gen1, MultiExt, Ext, AirExt, DMXExt; DMX4ALL ###
    ### EnOcean, KNX, MDT GTII ###
  • Gast

    #2
    Hallo HRA,

    anbei Screenshots meiner Farbwechsel (Farbspiel) Programmierung in der Küche. Ich habe das ganze über einen zusätzlichen RGB-Lichtszene Baustein gelöst. Im RGB-Lichtszene Baustein kannst Du mehrere Farben fest hinterlegen. Über den Zufallsgenerator wird dann eine der Farben ausgewählt. Die Szene 6 im Lichtbaustein startet dann das Farbspiel.
    Zuletzt geändert von Gast; 05.09.2015, 20:30.

    Kommentar

    • Gast

      #3
      Probiere mal dieses hier (siehe Fotos).
      Ich weiß es nicht mehr wo ich das heraus gefischt habe. Vielleicht aus dem Musterhaus Programm.
      Klicke auf die Grafik für eine vergrößerte Ansicht

Name: RGB1.png
Ansichten: 1611
Größe: 40,2 KB
ID: 2306 Klicke auf die Grafik für eine vergrößerte Ansicht

Name: RGB2.png
Ansichten: 1468
Größe: 21,2 KB
ID: 2307
      Zuletzt geändert von Gast; 05.09.2015, 20:27.

      Kommentar

      • HRA
        Lox Guru
        • 27.08.2015
        • 1037

        #4
        Hallo,
        danke für Antworten.
        Habe den Vorschlag von Husi probiert Es funktioniert

        Wie kann man aber bei dem RGB-Lichtszene-Baustein die Dimmung einstellen?
        Der Farbwechsel kommt zwar zu Stande, aber eben immer mit 100% Lichtintensität.
        Und beim Baden würde ich schon gern etwas "Schummerlicht haben"

        Gruß HRA

        ### MS Gen2 + Gen1, MultiExt, Ext, AirExt, DMXExt; DMX4ALL ###
        ### EnOcean, KNX, MDT GTII ###

        Kommentar

        • Dietmar Wimmer
          Smart Home'r
          • 29.08.2015
          • 74

          #5
          Hallo,

          dieser Beitrag sollte Euch weiterhelfen!

          http://forum.loxone.com/dede/softwar...r-rgb-led.html

          Gruß
          Dietmar
          Angehängte Dateien
          Zuletzt geändert von Dietmar Wimmer; 06.09.2015, 09:56.

          Kommentar

          • Gast

            #6
            moin moin, einfach bei der Farbeinstellung im Baustein auf Farbe/Andere/Benutzerdefiniert und dann den rechten Schieber bissel Richtung schwarz drehen

            Kommentar

            • HRA
              Lox Guru
              • 27.08.2015
              • 1037

              #7
              Hallo,
              danke an die fleißigen Helfer.
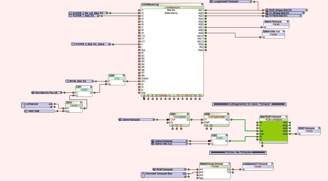
              Habe jetzt Folgendes (siehe bild) eingebracht und das funktioniert
              Klicke auf die Grafik für eine vergrößerte Ansicht

Name: RGB.JPG
Ansichten: 1457
Größe: 76,9 KB
ID: 2373


              Nur beim RGB-Lichtszenen-Baustein kann ich nicht den Wert der "zeitlichen Änderung" beim Farbwechsel einstellen, bei der Leichtsteuerung geht das, oder gibt es einen Trick?
              Ich meine die Zeit für den Wechsel von 100% Szene 1 auf 100% Szene 2.

              Außerdem zeigt es mir in der Visu-App die beiden Ausgänge am Lichtsteuerbaustein an (Szene Farbspiel, Szene alles Aus). Wie kann man das ausblenden?
              Sind als Schalter konfiguriert.

              Klicke auf die Grafik für eine vergrößerte Ansicht

Name: Lichtsteuerung.JPG
Ansichten: 1436
Größe: 63,4 KB
ID: 2372

              So, hoffe alles verständlich erklärt zu haben.
              Danke schon mal und einen schönen Sonntag
              Angehängte Dateien
              Gruß HRA

              ### MS Gen2 + Gen1, MultiExt, Ext, AirExt, DMXExt; DMX4ALL ###
              ### EnOcean, KNX, MDT GTII ###

              Kommentar

              • Gast

                #8
                Hallo, die Einstellung für die Geschwindigkeit des Farbwechsels habe ich bei mir fest am Anschluss hinterlegt (Bei den Eigenschaften der RGB und W Air Dimmer Ausgangs, Parameter Anstieg. Für die beiden unnötigen Schalter (Szene Farbspiel, Szene alles Aus) in der Visu habe ich leider auch noch keine Möglichkeit gefunden diese zu deaktivieren. Da die in der neuen App nur unter "Manuell" erscheinen kann ich jedoch auch damit leben. Evtl lässt sich das ganze statt eines RGB-Lichtszenen-Baustein auch mit einem zweiten "Lichtsteuerung" lösen.

                Kommentar

                • Michael K.
                  Dumb Home'r
                  • 31.08.2015
                  • 16

                  #9
                  Zitat von Dietmar Wimmer
                  Hallo,

                  dieser Beitrag sollte Euch weiterhelfen!

                  http://forum.loxone.com/dede/softwar...r-rgb-led.html

                  Gruß
                  Dietmar
                  Ich würde mir das Programm nochmal genauer anschauen, habe es auch bei mir im Einsatz funktioniert Super und du kannst Dimmen sowie die Geschwindigkeit anpassen.
                  Sieht komplizierter aus als es ist...

                  Gut das es seinen Platz im neuen Forum gefunden hat

                  Kommentar

                  • HRA
                    Lox Guru
                    • 27.08.2015
                    • 1037

                    #10
                    Hallo,

                    so nun habe ich das soweit funktionstüchtig.
                    Aber ich habe noch ein anderes Problemchen festgestellt.

                    Situation:
                    Ich betrete den Raum -> BWM schaltet -> Lichtsteuerung beginnt mit Szene (1) AQ1 (allgemeine Beleuchtung über RGB-Stripes)
                    Ich betätitige Taster -> Signal an "I3" -> AQ3 wird eingeschaltet (LED-Panel zur Spiegelbeleuchtung)

                    Sowiet so gut, nur bleibt beim Einschalten des AQ3 über Taster I3 die Szene 1 am AQ1 auch an.
                    Selbst wenn der Bewegungsmelder nicht mehr belegt ist (Raum verlassen) und der AQ3 wieder über Taster I3 abgeschalten wurde bleibt die Szene 1 AQ1 erhalten.
                    Man muß in diesem Fall die Doppelklickfunktion I3 (Alles AUS) nutzen.

                    Das kann ja eigentlich nicht sein, das kann ich auch nicht von meinen Kids verlangen zu begreifen, wann sie jetzt drücken müssen und wann nicht

                    Eigentlich sollte beim Betätigen eines Tasters I1 bis I12 der BMW-Pfad komplett abgeschaltet werden , zumindest wenn der BWM kein Signal mehr gibt oder alternativ wenn der Taster I3 ausgeschalten wird. [ATTACH=CONFIG]n4606[/ATTACH]
                    Den Parameter MT (automatisch alles aus) kann man hierfür auch nicht nutzen, den mußte ich schon auf 1 Std stellen, da meine Liebste nach 30min im Dunkeln in der Wanne sass

                    Habt ihr eine Idee wie ich so etwas realisieren kann, bzw. wo meine falsche Konfig ist.
                    Hier meine Konfig
                    Zuletzt geändert von HRA; 17.09.2015, 22:07.
                    Gruß HRA

                    ### MS Gen2 + Gen1, MultiExt, Ext, AirExt, DMXExt; DMX4ALL ###
                    ### EnOcean, KNX, MDT GTII ###

                    Kommentar

                    • Jan W.
                      Lox Guru
                      • 30.08.2015
                      • 1496

                      #11
                      Ich glaube, dass es bei Dir daran liegt, dass Du keine Szenen schaltest - I2 und I3 schalten die jeweiligen Ausgänge und keine Szenen. Ich verwende Szenen (Eingänge Sx) und habe das Problem nicht. Eigentlich ist genau dafür der Parameter MT gedacht - der kann allerdings nicht ahnen, ob Deine Kids vergessen haben, das Licht auszuschalten oder deine Frau in der Wanne sitzt - sofern der BWM hier keine Bewegung mehr erkennt ist das für ihn nicht unterscheidbar.

                      Die eingebaute Logik mit Szenen inkl. "BWM Szene" finde ich aber sehr gut nachvollziehbar: geht das Licht per BWM mit einer bestimmten Szene an, dann soll es nach einer "kurzen" Zeit ohne Bewegung wieder ausgehen. Wird die Lichtszene manuell gewählt (egal, ob das Licht dabei per BWM bereits angeschaltet wurde), dann geht das Licht automatisch erst nach einer "längeren" Zeit aus - falls man vergessen hat es auszuschalten.

                      Hier meine Logik für das Licht, wobei die Szene für BWM noch zwischen Abend und Nacht anhand der Uhrzeit wechselt (Szene 1 und 2). Ziel war es, dass man die Szene möglichst nicht manuell zu wechseln braucht, wenn man z.B. nur "mal eben kurz" im Bad ist. Beim Duschen bzw. Baden sollte man aber daran denken, die Szene zu wechseln, damit das Licht nicht nicht ausgeht, weil während des Timeouts BwMs keine Bewegung erkannt wird. Da die Szenen für Baden und Duschen die RGB Spots in diesem Bereich aktivieren, ist das aber auf für meine Familie verständlich. Da Du ja hier sogar ein Farbspiel eingebaut hast, ist der Teil sicherlich nicht das Problem und MT bei Dir ausreichend hoch.

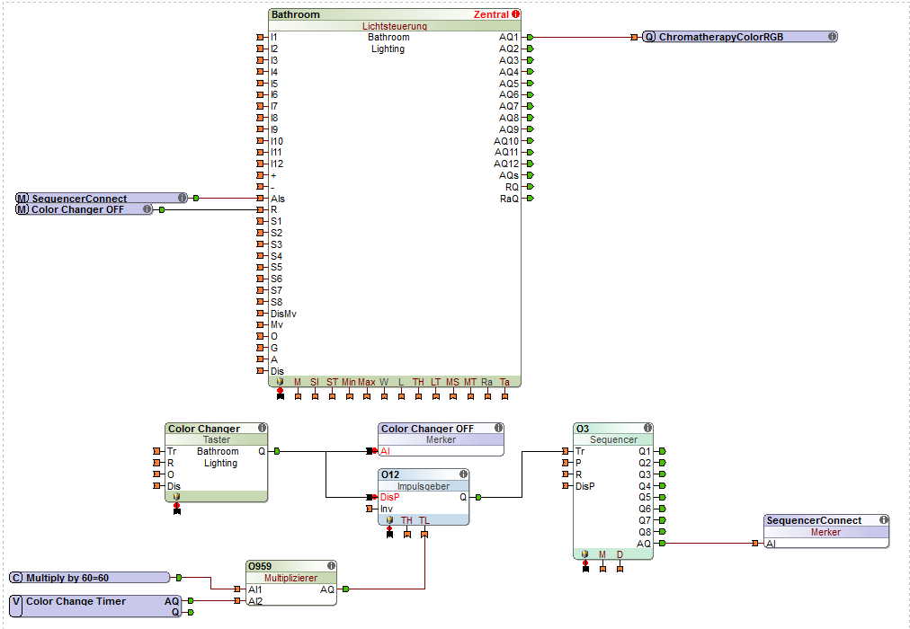
                      Hier ist ein Screenshot von mir, wobei die Wippe 1, das "Standardlicht" (=Szene 3) einschaltet oder alles ausschaltet und die Wippe darunter die Szene wechselt.
                      Die beiden Timeouts für BwM (0-300 sek) und Präsenz (0-120 min) können in vorgegebenen Bereichen über die App oder Web je nach Raum noch angepasst werden.

                      Gruß Jan

                      Klicke auf die Grafik für eine vergrößerte Ansicht

Name: Lichtsteuerung Bad.png
Ansichten: 1331
Größe: 82,3 KB
ID: 4730
                      Miniserver v14.5.12.7, 2x Ext., 2x Relay Ext., 2x Dimmer Ext., DMX Ext., 1-Wire Ext., Gira KNX Tastsensor 3 Komfort, Gira KNX Präsenzmelder, Fenster- und Türkontakte, Loxone Regen- und Windsensor, Gira Dual Q Rauchmelder vernetzt, 1x Relais-Modul
                      Loxberry: SmartMeter, MS Backup, CamConnect, Weather4Lox
                      Lüftung: Helios KWL EC 370W ET mit Modbus TCP - via Pico-C
                      Heizung: Stiebel Eltron WPF 5 cool (Sole-Wasser WP) mit ISG, FB-Heizung mit 18 Kreisen, Erdsonde - via modbus/TCP
                      Node-RED: IKEA Tradfri

                      Kommentar

                      • HRA
                        Lox Guru
                        • 27.08.2015
                        • 1037

                        #12
                        Hallo Jan W.,
                        Super danke für deine Info.
                        Werde mir das zu Gemüte führen.

                        Mich würde noch interessieren was du als Präsenzmelder verwendest?
                        Ich habe ja nur einen BWM und das hat sich mittlerweile auch als unglücklich herausgestellt, wenn meine Kleinste ... sitzt, erkennt der BWM sie nicht, da keine Bwegung stattfindet.
                        Logischer Weise ist dann nach ein paar Sekunden das Licht aus -> Geschrei groß.
                        Ein richtiger PM ist mir aber ehrlich gesat zu preisintesiv
                        Gruß HRA

                        ### MS Gen2 + Gen1, MultiExt, Ext, AirExt, DMXExt; DMX4ALL ###
                        ### EnOcean, KNX, MDT GTII ###

                        Kommentar

                        • Jan W.
                          Lox Guru
                          • 30.08.2015
                          • 1496

                          #13
                          Ich verwende Gira KNX Präsenzmelder. Die sind schon recht teuer - und wirklich 100%ig arbeiten die auch nicht. Die Technik ist ja eigentlich genau so wie in einem BM, nur vielleicht etwas empfindlicher und genauer. Wenn der BM gut auf das "Objekt" ausgerichtet ist und das Timeout ausreichend hoch ist, ist ein BM nach meiner Ansicht eine günstige Alternative. Evtl.weitere BMs installieren, so dass der Bereich zuverlässiger abgedeckt wird. In einem anderen Forum wird der Umbau eines BM von 230V auf 24V beschrieben, siehe hier: https://www.symcon.de/forum/threads/...30V-auf-24V-DC . Bin mir nicht 100%ig sicher, ob hier "Chilitec 19826 Decken-Einbau-Bewegungsmelder" von eBay verwendet wurden. Bei ca. 10 Euro wäre dies durchaus einen Versuch wert.

                          Gruß Jan
                          Miniserver v14.5.12.7, 2x Ext., 2x Relay Ext., 2x Dimmer Ext., DMX Ext., 1-Wire Ext., Gira KNX Tastsensor 3 Komfort, Gira KNX Präsenzmelder, Fenster- und Türkontakte, Loxone Regen- und Windsensor, Gira Dual Q Rauchmelder vernetzt, 1x Relais-Modul
                          Loxberry: SmartMeter, MS Backup, CamConnect, Weather4Lox
                          Lüftung: Helios KWL EC 370W ET mit Modbus TCP - via Pico-C
                          Heizung: Stiebel Eltron WPF 5 cool (Sole-Wasser WP) mit ISG, FB-Heizung mit 18 Kreisen, Erdsonde - via modbus/TCP
                          Node-RED: IKEA Tradfri

                          Kommentar

                          • HRA
                            Lox Guru
                            • 27.08.2015
                            • 1037

                            #14
                            Hallo Jan,

                            bzgl. BWM habe ich eine sehr günstige Variante gefunden:
                            Mini PRI Bewegungsmelder zum Einbau / Unterputzmontage. Durch die kleine Bauart fällt dieser mini PIR-Melder fast nicht auf. Dank des seperaten Steuergerätes und einergeringen Einbautiefe kann der Bewegungsmelder sogar in den engsten Stellen ...


                            Dieser funktioniert auch, da ich ein Koppelrelais (hatte ich zum Glück noch da) eingebaut habe, und somit den 230V-BWM nutzen kann.
                            Auch ist er sehr klein und somit schön in der Decke integriert.
                            Das mit dem Time-Out ist eben das Thema, wenn man es so hoch setzt, das man in Ruhe ..., dann schaltet aber das Licht eben beim Verlassen des Raumes erst nach dieser Zeit ab (Stromverbrauch :-( ).
                            Deshalb bin ich eben noch auf der Suche nach einem PM, da ich mir davon mehr erhoffe.
                            Aber danke schon mal für die Info zum Gira KNX.

                            Das KNX Thema steht bei mir auch schon auf der Liste, aber derzeit stört mich noch die Inverstition in die Software (auch die 100,-€ der Liteversion ist mir nur erst mal zu probieren zu teuer,)
                            Gruß HRA

                            ### MS Gen2 + Gen1, MultiExt, Ext, AirExt, DMXExt; DMX4ALL ###
                            ### EnOcean, KNX, MDT GTII ###

                            Kommentar

                            • Jan W.
                              Lox Guru
                              • 30.08.2015
                              • 1496

                              #15
                              Hallo HRA,

                              also ich halte die Unterschiede zwischen PM und BM eher für gering. Der von mir verwendete PM hat 3 Sensoren und ist daher "von Haus aus" genauer. 3 BMs würden aber nach meiner Ansicht fast genauso gut sein. Hatte vor der Installation keine Zeit mich näher mit dem Thema zu beschäftigen und dann die PMs gewählt. Mit KNX benötige ich ja keine digitalen Eingänge auf dem MS.

                              Wg. KNX: Die Lite- (oder Professional-) Version muss es nicht sein und mit der kostenlosen Demo-Version kommt man gerade in der Kombination mit dem Miniserver gut aus. Es ist vielleicht etwas bequemer, wenn man z.B. alle Geräte eines Typs initialisieren möchte und die Einstellungen per "copy&paste" von einem Gerät auf alle anderen übertragen möchte, aber ich habe die ETS schon seit fast einem Jahr nicht mehr genutzt, da ich die ganze Logik auf dem MS habe. Solange man nur 3 Geräte hat, gibt es keine Unterschiede und bei mehr Geräten kann man diese leicht auf mehrere Projekte aufteilen und nacheinander programmieren.

                              Ein KNX Netzteil ist allerdings schon erforderlich. Ich hatte hier schon mal was zu dem Thema gepostet.

                              Viele Grüße, Jan
                              Miniserver v14.5.12.7, 2x Ext., 2x Relay Ext., 2x Dimmer Ext., DMX Ext., 1-Wire Ext., Gira KNX Tastsensor 3 Komfort, Gira KNX Präsenzmelder, Fenster- und Türkontakte, Loxone Regen- und Windsensor, Gira Dual Q Rauchmelder vernetzt, 1x Relais-Modul
                              Loxberry: SmartMeter, MS Backup, CamConnect, Weather4Lox
                              Lüftung: Helios KWL EC 370W ET mit Modbus TCP - via Pico-C
                              Heizung: Stiebel Eltron WPF 5 cool (Sole-Wasser WP) mit ISG, FB-Heizung mit 18 Kreisen, Erdsonde - via modbus/TCP
                              Node-RED: IKEA Tradfri

                              Kommentar

                              Lädt...