Wie umsetzen: Impuls alle 120 Minuten - aber immer um xx:30 z.B

Einklappen
X
 
  • Zeit
  • Anzeigen
Alles löschen
neue Beiträge
  • ThePhantom79
    LoxBus Spammer
    • 27.10.2015
    • 253

    #1

    Wie umsetzen: Impuls alle 120 Minuten - aber immer um xx:30 z.B

    Hallo,
    ich möchte die maximale Böen-Geschwindigkeit der letzten ca. (!) 90 Minuten haben, was leider Out of the Box nicht.
    Ich habe dazu überlegt, vier "Min-Max-Bausteine mit Reset" nebeneiandner zu verwenden, die alle versetzt um je 30 Minuten jede 2 Stunden zurück gesetzt werden (diese gehen dann auf einen normalen Min-Max Baustein).
    Nun brauche in aber einen Impuls für diesen Reset - einen der 0 Uhr beginnend, alle 2 Stunden läuft, einen der 0:30 Uhr beginnend , einen der 1:00 Uhr beginnend und einen der 1:30 Uhr beginnne alle 2 Stunden einen Impuls sendet.
    Irgendwie muss das doch mit dem Baustein "Minuten nach Minnternacht" gehen - aber ich stehe auf dem Schlauch und komme nicht dahinter ...
    Hat da jemand eine Idee?
  • Christian Fenzl
    Lebende Foren Legende
    • 31.08.2015
    • 11250

    #2
    Hilft zwar nicht für eine Loxone-Only Lösung:

    Das MQTT Gateway für LoxBerry hat ein gleitendes Maximum als UDP Transformer eingebaut:
    Hilfe für die Menschen der Ukraine: https://www.loxforum.com/forum/proje...Cr-die-ukraine

    Kommentar

    • ThePhantom79
      LoxBus Spammer
      • 27.10.2015
      • 253

      #3
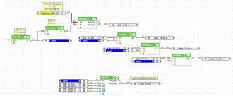
      Ich habe nun eine umständliche Lösung, aber sioe funktioniert:

      Minuten nach Mitternacht mit je einem Addeierer 0, 30, 60 und 90. Danach das Ergebnis per "Modulo" durch 120 geteilt und das Ergebnis (Rest der Division) ausgewertet mit "Impuls bei". Wenn hier eine Null rauskommt, wird ein Impuls gesendet.
      Das heisst, alle vier Bausteine bekommen nun zeitversetzt um je 30 Minuten einen Reset.

      Klicke auf die Grafik für eine vergrößerte Ansicht

Name: Impulse.JPG
Ansichten: 960
Größe: 157,5 KB
ID: 305939
      Angehängte Dateien

      Kommentar

      • macgee
        Smart Home'r
        • 02.12.2015
        • 86

        #4
        Eventuell ginge auch:
        Impulsgeber mit 30 Minuten -> Zähler von 1-4 -> Radiobaustein.
        Aber ob das eleganter ist?
        Ciao macgee

        Kommentar

        • lox4fun
          Smart Home'r
          • 02.09.2015
          • 51

          #5
          Vielleicht gefällt dir dieser Vorschlag?
          Für die Simulation hab ich vier Beobachtungsintervalle von je 15 Sekunden gewählt.
          Klicke auf die Grafik für eine vergrößerte Ansicht

Name: v-max-Wind.png
Ansichten: 901
Größe: 59,6 KB
ID: 306121

          Kommentar

          Lädt...