Statistik in Config auswerten

Einklappen
X
 
  • Zeit
  • Anzeigen
Alles löschen
neue Beiträge
  • Gast

    #1

    Statistik in Config auswerten

    Hallo

    Ich möchte gerne aus meiner Statistik "Öltank" errechnen, wie lange mein Öl noch hinhält bis xxxLiter vorhanden sind und mir das visualisieren.

    Das heisst, ich möchte einen Trend erstellen aufgrund einer Statistik (Ich weiss es ist nur ungefähr, aber für die Verwendung reicht es)

    Hat jemand schon so etwas realisiert?

    Bisher schreibe ich den Ölstand noch manuell in einen Virtuellen Status und mache damit eine Statistik. Ist noch nicht so Smart, aber ein Füllstandsmesser hab ich noch keinen. Wird später nachgebaut damit alles vollautomatisch geht..

    Irgendwie müsste ich den Verbrauch mit der Zeit verrechnen und daraus einen Trend berechnen können.. Hat jemand einen Tipp?

    Danke und Gruss
  • Christian Fenzl
    Lebende Foren Legende
    • 31.08.2015
    • 11250

    #2
    Direkt auf die Statistikdaten hast du im Programm keinen Zugriff.

    Was ich mal probiert hatte, war über den Verbrauchszähler:
    AQ6 und AQ7 geben den Verbrauch des Vormonats und aktuellen Monats aus.

    In einem Formelbaustein habe ich mit der Zeit "Tag" (enthält den Tag des Monats) den aktuellen Monatswert normalisiert (VerbrauchAktuell / TagdesMonats * 30) und den Trend fürs nächste Monat erreichnet (2 * AktMonatNormalisiert - Vormonat). So kam ich auf den geschätzten Verbrauch des kommenden Monats.

    Noch bisschen Formeln rundherum und man könnte den Absolutstand ermitteln.

    Beim Ölverbrauch wird das aber nicht funktionieren, weil der so jahreszeitabhängig ist.

    Als Gedankenexperiement könnte ich mir vorstellen, dass man 12 virtuelle Eingänge macht, die den letztjährigen Ölverbrauch pro Monat (oder pro Tag dieses Monats) wiederspiegeln.
    Ausgehend vom aktuellen Ölstand könnte man dann - wieder mit ein paar Formeln - in die Zukunft rechnen, wann das Öl alle ist.

    Zu pflegen wäre dann nur der Ölverbrauch pro Monat.

    Einen wirklich guten Trend könnte man nur ermitteln, wenn man die Statistikdaten automatisiert ausliest (z.B. aus einer Datenbank) und eine Trendberechnung durchführt. An so einer Umsetzung wäre ich auch interessiert.

    lg, Christian


    Hilfe für die Menschen der Ukraine: https://www.loxforum.com/forum/proje...Cr-die-ukraine

    Kommentar


    • Gast
      Gast kommentierte
      Kommentar bearbeiten
      Es ist zwar Jahreszeit abhängig, zur Zeit mache ich aber auch das Warmwasser via Heizung. Desshalb wird diese Jahr ein Jahr aus laufen. Nur halt mit mehr oder weniger Leistung und Ölverbrauch.

      Hast du auch gerade eine Idee, wie ich die 12 virtuellen Eingänge Automatisch den Verbauch "einlesen" kann? Wenn ich das ja doch von Hand machen muss, kann ich auch gleich den Füllstand bei der Heizung anschauen und schätzen..

      Weiss du, ob es möglich ist, die Statistik als csv automatisiert auf ein NAS oder so zu legen? 1xpro Tag würde ja reichen. Von dort könnte man dann evtl. wieder etwas auslesen.. ?
  • Christian Fenzl
    Lebende Foren Legende
    • 31.08.2015
    • 11250

    #3
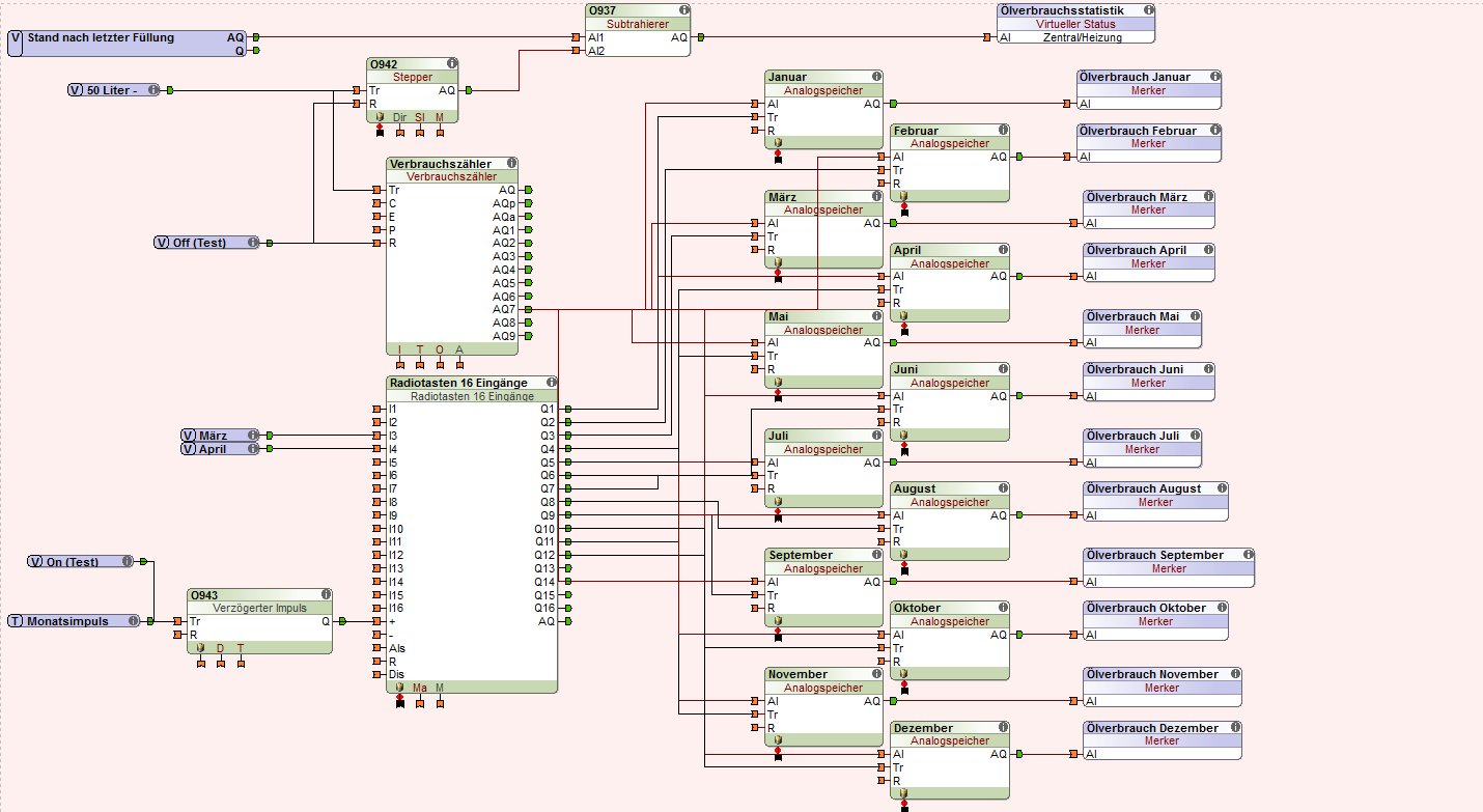
    Wieder Gedankenexperiment - siehe Screenshot
    Evt. muss man den Monatswechsel noch ein paar Sekunden verzögern, damit am Vormonat auch schon sicher der richtige Wert anliegt.
    Die Radiotasten müssen auch remanent sein.

    Den Analogeingang hab ich nur zum Testen dran (funktioniert so).

    Edit - zur Erklärung: Monat setzt am Radiotasten-Baustein den jeweiligen Ausgang, dieser hängt am Tr des jeweiligen Analogspeichers.
    Der AQ7 des Verbrauchszählers hängt am Al-Eingang aller Analogspeicher

    lg, Christian
    Zuletzt geändert von Christian Fenzl; 23.03.2016, 12:17.
    Hilfe für die Menschen der Ukraine: https://www.loxforum.com/forum/proje...Cr-die-ukraine

    Kommentar

    • Michael Sommer
      Lox Guru
      • 25.08.2015
      • 1992

      #4
      Hallo,
      Ich würde an Stelle der manuellen monatlichen Tank-Füllstandsmessungen, zur Bestimmung des Ölverbrauchs bzw. Restölmenge, folgendes empfehlen:

      - Aufschaltung Brennerbetrieb mittels Kontakt bzw. Melderelais auf das Loxonesystem

      - den Öldurchsatz bestimmen (Bei einer Brennerwartung kann das der Servicemonteur problemlos durch Messen des Pumpendrucks und der eingebauten Öldüse bestimmen. Das reicht für eine brauchbare Berechnung. Noch genauer wird es, wenn man den Öldurchsatz auslitert.

      - Dann mittels Formelbaustein den Ölverbrauch berechnen und in Verbindung mit der Tankfüllhöhe die gewünschten Berechnungen durchführen.

      Von Vorteil ist, man braucht nur einmal, nach dem Befüllvorgang, Eintragungen in das System vorzunehmen.

      Gruß Michael
      Haustechnik UG: MS2, 7 Extensionen, WAGO 750er I/O-Module, 19"-Notbedienebene, EMA-Anlage
      ELT-UG: MS1, 5 Extensionen, Notbedienebene, RM+WM-Anlage, Mehrere Shellys,
      OG: MS1, 8 Extensionen, Notbedienebene, Mehrere Shellys
      EG: konvent. E-Installation, Autarke EZR-Regelkreise (0-10V) für Stat.-HZG mit Aufschaltung (Schwellwert) des Heizkreises auf den Miniserver UG, Zeitsteuerung EG-Wohnung aus Miniserver UG). Mehrere Shellys
      LoxBerry-Nutzer: Stats4Lox,
      Testserver: 2xMS-GEN1

      Kommentar


      • Gast
        Gast kommentierte
        Kommentar bearbeiten
        Das ist längerfristig die Idee welche ich sowiso vor hatte. Leider habe ich im Keller noch nicht Saniert und noch keine Eingänge und Relais (Noch alte Verteilung) um soetwas auf die schnelle zu realisieren. Dies wird aber noch kommen. Gleich wie der Sensor im Tank.. Vorerst bleibt mir nicht viel übrig als es so zu lösen, oder? ;-)
    • Gast

      #5
      Zitat von Christian Fenzl
      Wieder Gedankenexperiment - siehe Screenshot
      Evt. muss man den Monatswechsel noch ein paar Sekunden verzögern, damit am Vormonat auch schon sicher der richtige Wert anliegt.
      Die Radiotasten müssen auch remanent sein.

      Den Analogeingang hab ich nur zum Testen dran (funktioniert so).

      Edit - zur Erklärung: Monat setzt am Radiotasten-Baustein den jeweiligen Ausgang, dieser hängt am Tr des jeweiligen Analogspeichers.
      Der AQ7 des Verbrauchszählers hängt am Al-Eingang aller Analogspeicher

      Das klingt schon mal gut. Allerdings weiss ich noch nicht wie ich den Ölverbrauch in den Zähler bringe. Müsste ja den Verbrauch dort eintragen. Machst du das über den Eingang E?

      Kommentar

      • cRieder
        LoxBus Spammer
        • 26.08.2015
        • 399

        #6
        Michael Sommer
        Hast Du ev. bereits eine ferige Programmiervorlage ?
        Zuletzt geändert von cRieder; 23.03.2016, 13:31.
        Smarter Gruß,
        Carsten

        Kommentar

        • Michael Sommer
          Lox Guru
          • 25.08.2015
          • 1992

          #7
          @cRieder
          hier meinen Planauszug der Ölverbrauchszählung. In meiner Anlage kontrolliere ich nicht den Tankrestanteil, sondern habe ich eine Statistik angelegt, bzw. Visualisiere ich den monatlichen Verbrauch des Ölbrenners.
          Gruß Michael
          Angehängte Dateien
          Haustechnik UG: MS2, 7 Extensionen, WAGO 750er I/O-Module, 19"-Notbedienebene, EMA-Anlage
          ELT-UG: MS1, 5 Extensionen, Notbedienebene, RM+WM-Anlage, Mehrere Shellys,
          OG: MS1, 8 Extensionen, Notbedienebene, Mehrere Shellys
          EG: konvent. E-Installation, Autarke EZR-Regelkreise (0-10V) für Stat.-HZG mit Aufschaltung (Schwellwert) des Heizkreises auf den Miniserver UG, Zeitsteuerung EG-Wohnung aus Miniserver UG). Mehrere Shellys
          LoxBerry-Nutzer: Stats4Lox,
          Testserver: 2xMS-GEN1

          Kommentar


          • cRieder
            cRieder kommentierte
            Kommentar bearbeiten
            Danke. Das hilft mir sicher, wenn ich das bei mir dann irgendwann mal umsetze.
        • Gast

          #8
          Hoi Christian

          Bin mal soweit (Anhang)
          Komme aber noch nicht weiter um eine Sinnvolle Berechnung zu erstellen. Für mich würde es Sinn machen, nicht den ganzen Jahresmittelverbrauch zu nehmen, sondern nur ca. der letzte Monat oder 2, um die Sommer und Wintermonate etwas unterscheiden zu können..
          Ebenfalls ist mir ein Rätsel, das ganze in die Zukunft zu rechnen.. Freue mich über weitere Inputs
          Angehängte Dateien

          Kommentar

          • Christian Fenzl
            Lebende Foren Legende
            • 31.08.2015
            • 11250

            #9
            Zeig mal (Anhang?)
            Hilfe für die Menschen der Ukraine: https://www.loxforum.com/forum/proje...Cr-die-ukraine

            Kommentar

            • Gast

              #10
              Ups, ging wohl vergessen

              Kommentar

              • Gast

                #11
                Hier mal ein Auszug aus meiner bisherigen Logik

                Durchschnitt der letzten 2 Monaten wird in Tagen ausgegeben und mit dem aktuellen Ölstand (muss noch von Hand eingetragen werden) und die Resttage berechnet.
                Ist das so brauchbar und Sinnvoll?

                Kommentar

                Lädt...