ich habe in meinem Haus eine alte Kombitherme die ich gerne über Loxone steuern möchte bzw. muss.
1. Möglichkeit: 2-Punkt-Regelung über 230V Schnittstelle an Klemmen 3+4.
Hier ist normalerweise eine Brücke angeschraubt. Schließt man
stattdessen einen einfachen Thermostaten an, der den Kontakt schließt,
wenn es ihm zu "kalt wird", startet ggf. der Brenner bei gleichzeitigem
unterschreiten der eingestellten Vorlauftemperatur. Die ist bei meinem
Classic-Modell zunächst einmal fix.
Es gibt aber auch die Möglichkeit über die Klemmen 7-8-9 mittels Spannungsdifferenz das etwas intelligenter zu gestalten.
2. bessere Möglichkeit) Anschluss eines Stetigreglers an den Klemmen 7,8
u. 9. Das funktioniert im Prinzip so, dass der Ausgang des
Analog-Reglers irgendwie der Soll-Ist-Differenz entspricht, so dass bei
starkem Unterschreiten der eingestellten Raumtemperatur stärker geheizt
wird als bei kleiner Differenz. Mit zunehmendem Überschreiten der
Solltemp. sollte die Vorlauftemperatur des Brenners gegen 0°C gedrosselt
werden. Damit nutzt man gleichzeitig die Möglichkeit der
Brennermodulation, d.h. einer internen Leistungsregelung des Brenners.
Meine VCW kann man so immerhin in der Leistung auf die Hälfte drosseln,
wenn weniger Wärme angefordert wird.
Die Logik dieser Schnittstelle ist allerdings etwas veraltet, da sie
tatsächlich eine Spannungsdifferenz auswertet.
An Klemmen 8 und 9 liegt eine ziemlich variable - weil nicht stabilisierte -
Gleichspannung zwischen etwa 15 und 20V an. An Klemme 7 liefert der
Stetigregler eine Spannung zwischen 8-12V an die Therme zurück, so der
Techniker bei Vaillant. Er meinte auch, die Differenzspannung würde ausgewertet werden.
Ich denke dagegen, das das Teilungsverhältnis zur Speisespannung für die
weitere Steuerung der Therme ausschlaggebend ist, weil das irgendwie
besser ins Bild mit der ggf. schwankenden Speisespannung passt. Wie
sollte bitte sonst ein 20 Jahre alter Raumregler mit einfachster Technik
eine nicht schwankende Spannungsdifferenz erzeugen??? Ich denke deshalb
auch, ein Poti müsste es demnach ohne weiteres für Testzwecke genügen.
Stimmt auch so, habe nämlich gerade ein Diagramm gefunden, dessen Achsen
entsprechend beschriftet sind: "Teilungsverhältnis U79 / U89" von 0,43
bis 0,75 entspricht einer Vorlauftemperatur TSoll von 0-90°C mit
annähernd linearem Verlauf zwischen 30 und 70°C.
Das habe ich so in einem Heizungsforum gefunden:
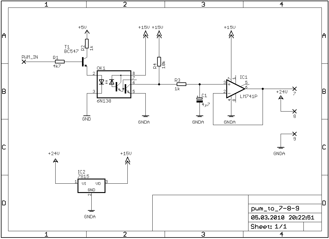
Mit dieser Schaltung:
in Verbindung mit einem PWM-fähigen Ausgangspin eines Arduino Uno. Die Schaltung habe ich im Microcontroller-Forum in einem Thread zur analogen 7-8-9-Schnittstelle 144 gefunden und nachgebaut. Sie sorgt für die Pegelwandlung und galvanische Trennung zwischen dem PWM-Ausgangspin (0…5V) des Arduino und der Heizungstherme.
Arduino-seitig ist die Ansteuerung ein Einzeiler; man setzt eben per analogOut den Duty-Cycle des Pins auf einen sinnvollen Sollwert (siehe Tabelle).
Damit funktioniert bei mir die Ansteuerung nun endlich zuverlässig. Ich habe folgenden Zusammenhang zwischen Steuerspannung und Vorlauftemperatur gefunden:
DutyCyc VHeiz Effekt/VlfTPeak
0 14.8 Heizt, 65°C
1 14.0 Heizt, 59°C
2 13.4 Heizt, 54°C
3 12.9 Heizt, 50°C
4 12.4 Heizt, 45°C
5 11.9 Heizt, 40°C
6 11.5 Kein Wbdf
Daran, dass nur die sehr niedrigen Duty-Cycle-Werte (der Bereich geht von 0…255, was 0…5V entspricht) überhaupt zu sinnvollen Spannugnspegeln führen, kann man erkennen dass die verwendete Schaltung durchaus noch optimierbar wäre für eine noch feinere Ansteuerung der Heizung. Es ist auch unbedingt anzuraten, die Spannungswerte beim Nachbau zu überprüfen, ob sie eventuell anders sind als bei mir. Es wurde je in dem Thread davon ausgegangen, dass die Therme Spannungspegel von 0…15 V interpretiert, tatsächlich ist aber alles ab 11.5 V für sie „kein Wärmebedarf“, ab einer weiteren Unterschreitung kommt dazu eine Statusmeldung „Sollwert am Regler < 20°C“. Mir langt es aber so wie es ist, ich kann damit leben, die Vorlauftemperatur nur im ungefähren 5°-Raster zu setzen, zumal man die Maximaltemperatur noch zusätzlich per Handrad an der Therme begrenzen kann.
Der Originalregler von Vaillant hat übrigens keineswegs so eine feinfühlige Regelung gemacht. Der hat nur jeweils zwischen „aus“ und „Maximalwert vom Handrad“ hin und her geschaltet.

Die Integration übersteigt leider meine Fähigkeiten, weshalb ich mich über eure Hilfe sehr freuen würde und dankbar wäre.
Kommentar