danke für alle vorschläge und anregungen…
Heizungssteuerung mit altem Allesbrenner
Einklappen
X
-
Heizungssteuerung mit altem Allesbrenner
Hallo, ich hab da mal ne frage an die Spezialisten, ich habe einen alten Holz-/Allesbrenner Kessel (ohne jegliche elektronik, und im sommer habe ich die heizungsanlage mit neuen Mischventilen und Pumpen ausgestattet, alles Loxone gesteuert, funktioniert auch ganz gut, nur eines stört mich, wenn im kessel kein Feuer mehr brennt aber noch genügend Hitze vorhanden ist, läuft die pumpe, passt auch soweit. Mein Problem ist, dass die pumpe vom kessel aber zu lange läuft und mir langsam den puffer aussaugt. Hat wer eine idee wie ich loxone erkennen lassen kann, dass das feuer jetzt aus is? Ich hab im kessel einen temperatursensor eingebau… und einen beim vorlauf und rücklauf des kessels
danke für alle vorschläge und anregungen…Stichworte: - -
Hallo, eine Möglichkeit würde sich über die Abgastempperatur ergeben. Du könntest diese messen und auswerten ob das Feuer noch vorhanden ist. Ich habe einen Abgastemperatursensor vom Typ PT1000 mit einem digitale Messumformer PT1000 auf 0-10V in Verwendung.
LG -
Ist die Temperatur im Kessel größer Puffer +5 dann Pumpe anMiniserver; KNX; Vitogate; EnOcean (EnOceanPi); Loxone Air; Caldav-Kalenderanbindung; RaspberryPi und für keine Frickellösung zu schade :-)Kommentar
-
Das einschalten der pumpe ist nicht das problem, ich merke mir die temp vom kessel und wenn 60sek später höher, dann startet kesselpumpe, also wenn temp steigt pumpe an, das ähnliche hab ich auch bei pumpe fallender temp, aber da die pumpe läuft und auch das warme wasser vom puffer holt funkt das nur bedingt…. Aber die idee mit der abgastemp ist nicht schlecht, hab nur 1-wire ds18b20 im einsatz, halten die diese temp aus?
-
-
Grundsätzlich richtig, aber der ofen ist ja nicht von der einen auf die andere sek. Kalt, darum funkt das nicht ganz, ich habs eben mit temp diff versucht aber weil das zu langsam abkühlt und eben auch vom puffer immer mitzieht klappt das so nicht ganz aber ich werd mir das mit der abgastemp mal anschaun…Kommentar
-
Ich habe eine ähnliche Situation und einen 900l 4-Zonen-Puffer (1 ist ganz oben).
Meine Bedingungen sind:
- VL > 40 Grad
- VL > Zone 2
- VL-RL > 10 Grad
Mein VL-Fühler ist direkt am Kesselausgang, Dh steigt mit, wenn die Kesseltemperatur steigt. Du könntest stattdessen den Innenfühler nehmen.
lg, ChristianZuletzt geändert von Christian Fenzl; 31.12.2022, 20:34.Hilfe für die Menschen der Ukraine: https://www.loxforum.com/forum/proje...Cr-die-ukraineKommentar
-
Michlb1003
Ich habe eine Ähnlichen hydraulischen Aufbau:
- Heizspeicher mit Tauchfühlern oben/unten
- Öl-Kesselanlage mit einem Kesselfühler in der Tauchhülse im Kesselwasser, gemeinsam mit TW/STW
- Kesselpumpe zur Heizspeicherladung /Wärmeversorgung der Heizkreise
Die Steuerung arbeitet ausschließlich über die Temperaturdifferenz (nicht Differenztemperaurbaustein) zwischen Kesselfühler und Pufferspeicher oben. Der wesentliche Unterschied zu deiner Logik wird sein, dass ich eine einstellbare Temperaturdifferenz per VISU habe und zur Pumpenschaltung u.a. einen Vergleicherbaustein nutze.
Addiererbaustein
AI1: 92B4_Kesseltemperaturfühler
AI2: SW-Differenz Kesseltemperatur /Heizspeicher oben (Differenz -2K) eingestellt.
Danach folgt ein Größer-Vergleicherbaustein
AI1: Ausgang Addiererbaustein
AI2: 93B2_Heizspeichertemperatur Oben
Funktion: Wenn die Kesseltemperatur um 2K niedriger ist als die Heizspeichertemperatur oben ist wird die 40aK3-SB_Kesselpumpe mit Nachlaufzeit zeitverzögert 30Sek. wieder abgeschaltet. Siehe dazu Config Blatt 93 (70f_Kesselanlage (KP)), untere Logik.
Durch die Restwärme des ausgeschalteten Kessels schaltet die Kesselpumpe mehrfach ein, wenn die Kesseltemperatur höher als mein Speicherfühler oben detektiert.
Hier sind aber noch diverse Verriegelungen zur Unterdrückung bzw. Freigabe der Abheizsteuerung enthalten, die Du wohl nicht brauchst
Zur Info noch meine Steuerung der Kesselpumpe Config Blatt 94 (70g_Kesselanlage (KP).
Hier habe ich zusätzlich für die Kesselpumpe einen Betriebsartenschalter (Automatik/Hand Ein/Hand Aus) sowie einen Schalter zur Sperrung des Abheizbetriebes integriert. Und Lass Dich von meiner aufwendigen Programmierung nicht „erschrecken“.
Gruß Michael
DT-Steuerung Kesselpumpe.pdfHaustechnik UG: MS2, 7 Extensionen, WAGO 750er I/O-Module, 19"-Notbedienebene, EMA-Anlage
ELT-UG: MS1, 5 Extensionen, Notbedienebene, RM+WM-Anlage, Mehrere Shellys,
OG: MS1, 8 Extensionen, Notbedienebene, Mehrere Shellys
EG: konvent. E-Installation, Autarke EZR-Regelkreise (0-10V) für Stat.-HZG mit Aufschaltung (Schwellwert) des Heizkreises auf den Miniserver UG, Zeitsteuerung EG-Wohnung aus Miniserver UG). Mehrere Shellys
LoxBerry-Nutzer: Stats4Lox,
Testserver: 2xMS-GEN1Kommentar
-
Kommentar
-
naja einen laddomat habe ich nicht, aber eine rücklaufanhebung habe ich durchaus... es ist dabei zu sagen,dass meine heizung etwas älter ist und diese im sommer adaptiert und erneuert habe, und mich an den gegebenheiten anlehnen musste. so ist mein puffer eigentlich mein alter brauchwasser-boiler, der nun mit allen ansclüssen an der heizung angebunden iist, also ca 250l puffer... ist besser als vorher mit 0 liter....
-
-
Eine Skizze wäre sinnvoll, wenn du mit den Infos noch nicht weitergekommen bist.
Wir raten ins Blaue.
LG, ChristianHilfe für die Menschen der Ukraine: https://www.loxforum.com/forum/proje...Cr-die-ukraineKommentar
-
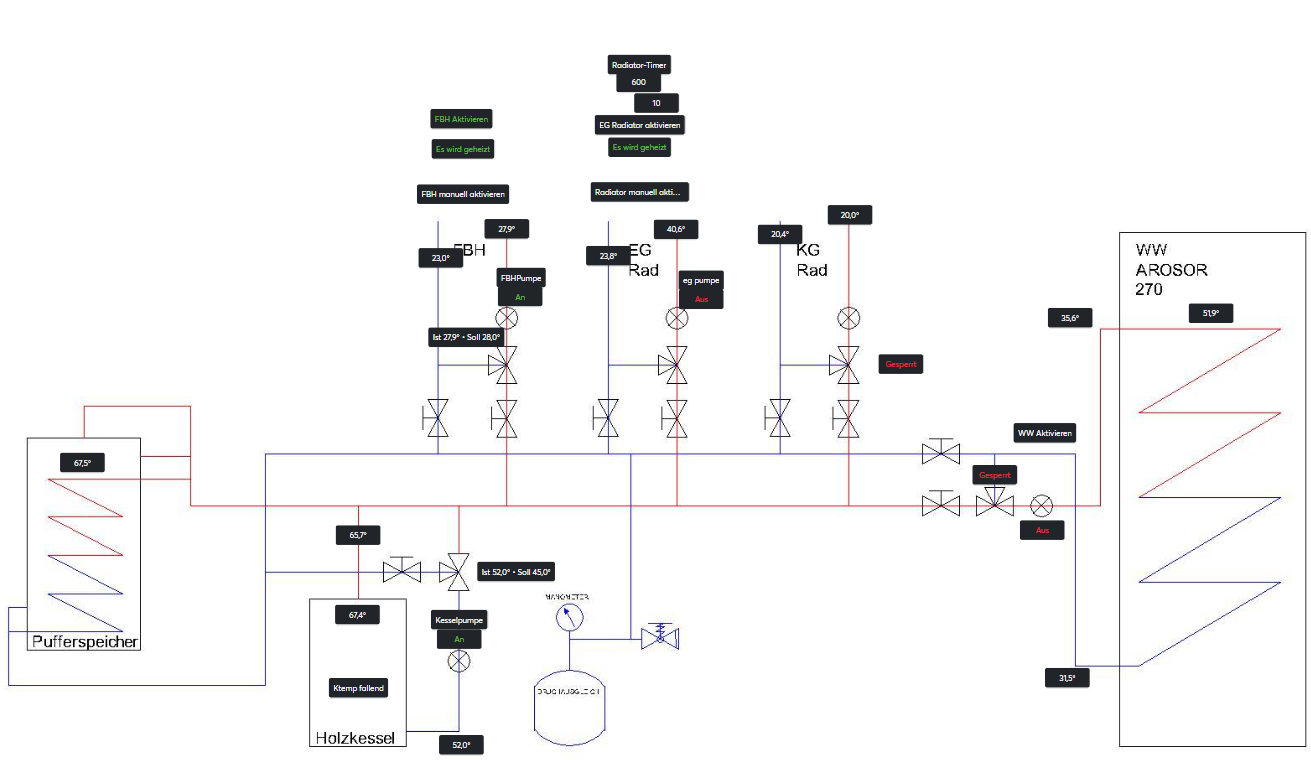
sorry, hab hier mal mein heizungschema .... die positionen der elemente sind auch die anordnungen in Realität - ist viel aus bestand und konnte aus platzgründen nicht verändert werden daher ist der puffer links vom kessel und halt viel Leitungs-gedings überall...
im Puffer ist ein Tauchfühler sowie im Kessel. Habe am Kesselausgang/eingang jeweils anlegefühler für VL/RL.
hier mal das blatt zum Kessel.... ist noch etwas unübersichtlich.
derzeit habe ich es so, unter 35° ist mal alles aus und die maxWerte werden resettet.
ÜBer35°:
Ich ermittle die alle 60sek die aktuelle kesseltemp damit ich das max.Ktemp erfahre um festzustellen wann es wieder abkühlt -> KtempMax Merker
wenn Ktemp < KtempMax ändert Kesselstatus.
Weiters prüfe ich ob die Ktemp Steigt oder fällt (ca. alle 60sec) und entsprechend an den Kesselstatus.
und je nach status schalte ich dann Kesselpumpe ein oder nicht bzw lasse idese nachlaufen.
damit fange ich auch ab, sollte ich nachlegen, und die Kesseltemp steigt, dass die pumpe wieder reaktiviert sollte die temp steigen.
ich hoffe ich hab das mal einigermassen anschaulich erklärt... bei fragen einfach noch mal nachhaken...
aber wie gesagt, mein problem ist dass ich mir oftmals mit dem kessel den kleinen puffer leer sauge weil die pumpe eben noch nachläuft weil der Temperaturabfall eben zu gering ist als dass sie sich ausschalten würde...
die sensoren für die abgastemp sind schon bestellt, sobald die kommen werden die eingebaut und dann weiß ich genau wann die Flamme aus ist... hoffe ich...
lg und nachträglich noch ein gutes neues...
Kommentar
-
Im Prinzip kannst du genau meine Bedingungen nehmen zum Einschalten.
- VL > 40 Grad
- VL > Zone 2
- VL-RL > 10 Grad
Das erste statt 40 VL auf 45 des Kessels (Rücklaufanhebung).
Statt Zone 2 nimmst du deinen Pufferfühler.
VL-RL > 10 brauchst du garnicht wegen der RL-Anhebung (hab ich nicht).
Deine bisherigen Vergleiche (inkl. „Steigt oder fällt es“ mit Analogspeicher oder dgl.) kannst du dir IMHO eigentlich schenken.
Dann baust du noch irgendwas ein, wenn Kessel > 90 Grad, alles ein + RL-Anhebungsmischer komplett auf, damit du die Hitze wegbekommst.
Im Prinzip kannst du die Pumpe abschalten, wenn Kessel kleiner Puffer, aber die Sicherheitsschaltung musst du einbauen.
lg, ChristianZuletzt geändert von Christian Fenzl; 02.01.2023, 15:09.Hilfe für die Menschen der Ukraine: https://www.loxforum.com/forum/proje...Cr-die-ukraineKommentar
-
Nochmal zusammengefasst, wie ich das steuern würde:
Holzkessel Temp > 45 UND Holzkessel Temp > Pufferspeicher:
Kesselpumpe EIN (Nachlauf Zb 1 Minute)
Mischer RL-Anhebung freigeben
Sicherheitsschaltung
Holzkessel Temp > 90:
Kesselpumpe EIN
Mischer RL-Anhebung komplett öffnen
Mehr brauchst du IMHO nicht. Die "Nachnutzung" der Restwärme des Kessels ergibt sich von alleine, weil die Heizung den Puffer abkühlt und dann auch wieder die Holzpumpe anspringt, wenn der Kessel noch wärmer ist.
Wenn die Kesselpumpe für Zb 5 Minuten nicht mehr läuft (Ausschaltverzögerung), kannst du eine Nachlege-Nachricht versenden.
LG, ChristianZuletzt geändert von Christian Fenzl; 02.01.2023, 15:29.Hilfe für die Menschen der Ukraine: https://www.loxforum.com/forum/proje...Cr-die-ukraineKommentar
-
Hallo und schönen guten Abend...
erstmal danke für die unterstützung, ich hab das jetzt so umgesetzt....Heiz-Pumpe läuft nur so lange Kesseltemp > Puffertemp. und auch den überhitzungsschutz...
auch das mit der abgastemperatur, aber da habe ich scheinbar den falschen sensor, der gibt bei 73,8° W.O.
hat da jemand einen Sensor der auf 250 - 400° rauf geht am besten mit Messwandler... 0-10V.
dankeKommentar
-
Ich würde z.B solch einen Messumformer mit Oberflächenfühler an der Abganleitung montieren um festzustellen ob mit dem Holzkessel geheizt wird.
Wichtig auf Leitungsmaterial achten: Silikon bis +250°C, Glasseide bis +550°C.
Messtechnik & Regeltechnik kaufen bei Sensorshop24.de » Messgeräte direkt vom Hersteller ✓ Messtechnik ✓ Sensoren ✓ Mess- und Regeltechnik ➔ Sensorshop24.de
Gruß Michael
Alternativ nur einen schaltenden Abgastemperaturwächter anstatt dem Messumformer einsetzen wie z.B. https://cetrotec.de/produkt/519-abga...gasthermostat/
-
Kommentar