Automatikbeschattung bei Hitze will einfach keine Raffsores zufahren!

Einklappen
X
 
  • Zeit
  • Anzeigen
Alles löschen
neue Beiträge
  • Pino72
    LoxBus Spammer
    • 31.07.2018
    • 280

    #1

    Automatikbeschattung bei Hitze will einfach keine Raffsores zufahren!

    Hallo Zusammen,

    wir betreiben 2 Miniserver Gen1, im Haupthaus geht alles, wenn es im Wohnzimmer zu warm wird (je nach Temp Einstellung beim Raumregler) fahren die Raffstores runter damit keine Sonne reinkommt. Das geht in allen Räumen,.

    In der Einliegerwohnung steuert ein zweiter Miniserver Gen1 und dort ist das Ganze genauso auf Standard aufgesetzt aber leider triggern zu hohe Temperaturen keine Aktion bei den Raffstores...und das obwohl der Raumregler brav den Shd Ausgang auf "Ein" setzt...und der dann den Sps eingang bei der zentralen Automatikbeschattung auch auf ein setzt...warum geht da nichts???

    Die Richtung der Fenster stimmen alle, aber er macht einfach nichts. Übersehe ich etwas?

    Der Miniserver hat keine Wetterstation, der vom Haupthaus schon. Liegt es daran?

    Hier mal die Screenshots:

    Temp ist unter Hitzeschutz:

    Klicke auf die Grafik für eine vergrößerte Ansicht

Name: grafik.png
Ansichten: 563
Größe: 140,0 KB
ID: 374807

    Temp manuell über Hitzeschutz gestellt (ab 24 Grad): Fenster Wohnzimmer ist Süden also 180grad, Fenster Küche ist Osten also 90 Grad. wohnzimmer müsste was passieren, tut sich aber nichts.

    Klicke auf die Grafik für eine vergrößerte Ansicht

Name: grafik.png
Ansichten: 314
Größe: 138,9 KB
ID: 374808

    Ich hab ja bisher wirklich sehr viele komplexe Sachen lösen können in Loxone, aber hier komme ich eifnach nicht weiter warum es nicht geht!

    Bin für jeden Hinweis sehr dankbar!
    Lg

    Anbei noch die Einstellungen der Beschattungen und der Raumregler, sind identisch zu dem anderen Minserver wo es geht:
    Klicke auf die Grafik für eine vergrößerte Ansicht

Name: grafik.png
Ansichten: 294
Größe: 93,9 KB
ID: 374809
    Klicke auf die Grafik für eine vergrößerte Ansicht

Name: grafik.png
Ansichten: 295
Größe: 94,6 KB
ID: 374810
    Klicke auf die Grafik für eine vergrößerte Ansicht

Name: grafik.png
Ansichten: 301
Größe: 92,1 KB
ID: 374811
    Loxone: MS Gen1, Audioserver +5 St. Ext, NFC(s), Air, Dimmer, Relais
    Sonstiges: Unifi System, Doorbird, PV-Anlage Solaredge + Lg 10H Prime Speicher, NUC iOBroker
    KNX: BWM, Glastaster II, div. Schaltaktoren und RGBW Dimmer
  • Thomas Kührer
    LoxBus Spammer
    • 25.08.2015
    • 398

    #2
    Hallo,
    wenn keine Wetterstation vorhanden ist kann es am Parameter "Sonnenschein verwenden" liegen.
    Sieh dir den mal an, deaktiviere ihn testweise.

    LG

    Kommentar

    • Pino72
      LoxBus Spammer
      • 31.07.2018
      • 280

      #3
      Ok, Danke kann ich probieren...aber zu dem Punkt steht folgendes:

      Ignoriert er dann komplett die Ausrichtung des Fensters etc?

      Klicke auf die Grafik für eine vergrößerte Ansicht

Name: grafik.png
Ansichten: 286
Größe: 10,4 KB
ID: 374823
      Loxone: MS Gen1, Audioserver +5 St. Ext, NFC(s), Air, Dimmer, Relais
      Sonstiges: Unifi System, Doorbird, PV-Anlage Solaredge + Lg 10H Prime Speicher, NUC iOBroker
      KNX: BWM, Glastaster II, div. Schaltaktoren und RGBW Dimmer

      Kommentar

      • Deepflash
        LoxBus Spammer
        • 08.06.2021
        • 217

        #4
        Ne das sind lediglich zusätzliche Bedingungen die zutreffen müssen bevor die Automatik aktiv ist.

        Kommentar

        • Pino72
          LoxBus Spammer
          • 31.07.2018
          • 280

          #5
          Also ob mit oder ohne Sonnenschein verwenden...es tut sich absolut nichts...egal in welchem Raum und welcher Himmelsrichtung etc.

          Woran kann es leigen, dass er den alktiven Eingang sps ignoriert?

          Bin wirklich ratlos aktuell....ich glaube es liegt nicht daran, dass ich keinen Wetterservice und keine Wetterstation habe oder?
          Loxone: MS Gen1, Audioserver +5 St. Ext, NFC(s), Air, Dimmer, Relais
          Sonstiges: Unifi System, Doorbird, PV-Anlage Solaredge + Lg 10H Prime Speicher, NUC iOBroker
          KNX: BWM, Glastaster II, div. Schaltaktoren und RGBW Dimmer

          Kommentar

          • Deepflash
            LoxBus Spammer
            • 08.06.2021
            • 217

            #6
            Also wenn die Variable Sonnenschein keinen Input bekommt, weiß ich ehrlich gesagt nicht, auf Basis welcher Kriterien dass deiner Meinung nach funktionieren sollte?
            Da bleibt ja nur noch Shading Demand vom Klima-Baustein..
            Auch wenn Sonnenschein nicht angehakt ist, braucht SPS eine Info über den Sonnenschein (standardmäßig die interne Variable Sonnenschein).

            Kommentar

            • Pino72
              LoxBus Spammer
              • 31.07.2018
              • 280

              #7
              Verstanden, die Variable würde ich gerne befüllen mit den Werten das anderen Miniservers (dort habe ich Loxone Wetterstation und Wetterservice) aber leider kann ich nur Wetterservice bei Quelle auswählen und der Menüpunkt externe Logik ist nicht zu sehen obwohl es in der Beschreibung drinnen steht?

              Klicke auf die Grafik für eine vergrößerte Ansicht

Name: grafik.png
Ansichten: 325
Größe: 190,4 KB
ID: 375225
              Loxone: MS Gen1, Audioserver +5 St. Ext, NFC(s), Air, Dimmer, Relais
              Sonstiges: Unifi System, Doorbird, PV-Anlage Solaredge + Lg 10H Prime Speicher, NUC iOBroker
              KNX: BWM, Glastaster II, div. Schaltaktoren und RGBW Dimmer

              Kommentar

              • Deepflash
                LoxBus Spammer
                • 08.06.2021
                • 217

                #8
                einfach die Variable Sonnenschein in die Logik einbauen, dann wird das von da genommen, umstellen brauchst du dann nichts mehr.

                Kommentar

                • Pino72
                  LoxBus Spammer
                  • 31.07.2018
                  • 280

                  #9
                  Sorry aber der Baustein hat nur einen Ausgang und keinen Eingang!? Und da er aktuell ja keinen Wert liefert wo soll ich den überhaupt anhängen? Verstehe es irgendwie nicht.
                  Loxone: MS Gen1, Audioserver +5 St. Ext, NFC(s), Air, Dimmer, Relais
                  Sonstiges: Unifi System, Doorbird, PV-Anlage Solaredge + Lg 10H Prime Speicher, NUC iOBroker
                  KNX: BWM, Glastaster II, div. Schaltaktoren und RGBW Dimmer

                  Kommentar

                  • Thomas Kührer
                    LoxBus Spammer
                    • 25.08.2015
                    • 398

                    #10
                    Hallo,
                    du musst Systemvariable beschalten:

                    Klicke auf die Grafik für eine vergrößerte Ansicht  Name: image.png Ansichten: 0 Größe: 124,1 KB ID: 375292

                    Kommentar

                    • Pino72
                      LoxBus Spammer
                      • 31.07.2018
                      • 280

                      #11
                      Oh Mann, danke...das meinten die mit "Menupunkt"...oben in der Leiste!!! Wer sehen kann ist im Vorteil! Alles klar, dann übergebe ich mal alle relevanten Wetterdaten per Miniserver Interkommunikation an den Minserver und schau mal ob sich dann was tut.

                      Vielen Dank!
                      Loxone: MS Gen1, Audioserver +5 St. Ext, NFC(s), Air, Dimmer, Relais
                      Sonstiges: Unifi System, Doorbird, PV-Anlage Solaredge + Lg 10H Prime Speicher, NUC iOBroker
                      KNX: BWM, Glastaster II, div. Schaltaktoren und RGBW Dimmer

                      Kommentar

                      • Pino72
                        LoxBus Spammer
                        • 31.07.2018
                        • 280

                        #12
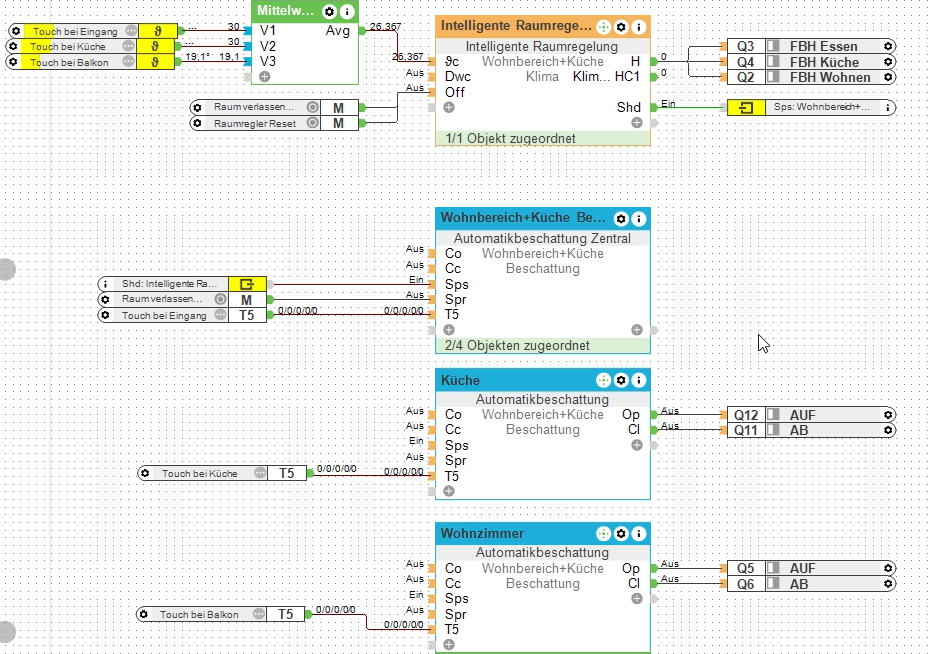
                        ​Sooo, hab jetzt ALLE Systemvariablen an den anderen Miniserver übergeben...also die Wetterdaten inkl. sonnenschein etc.

                        Leider weigert er sich immer noch die Raffstores hochzufahren wenn es im Raum über 25 Grad warm wird, er aktiviert brav den Shd Ausgang und auch an den Beschattungsbausteinen sieht man dass der Sps Eingan gauf "Ein" geschaltet wird aber er fährt einfach die Dinger nicht runter!!!

                        Was kann denn das sein??

                        Danke

                        Klicke auf die Grafik für eine vergrößerte Ansicht

Name: grafik.png
Ansichten: 221
Größe: 143,6 KB
ID: 375412Klicke auf die Grafik für eine vergrößerte Ansicht

Name: grafik.png
Ansichten: 262
Größe: 69,5 KB
ID: 375411
                        Loxone: MS Gen1, Audioserver +5 St. Ext, NFC(s), Air, Dimmer, Relais
                        Sonstiges: Unifi System, Doorbird, PV-Anlage Solaredge + Lg 10H Prime Speicher, NUC iOBroker
                        KNX: BWM, Glastaster II, div. Schaltaktoren und RGBW Dimmer

                        Kommentar

                        • Deepflash
                          LoxBus Spammer
                          • 08.06.2021
                          • 217

                          #13
                          du musst noch die Ausrichtung des Fenster vorgeben (Dir Eingang am Beschattungsbaustein) bzw. konfigurieren in den Eigenschaften.

                          Kommentar

                          • Pino72
                            LoxBus Spammer
                            • 31.07.2018
                            • 280

                            #14
                            Ausrichtung is überall hinterlegt, 90 Grad und 180 Grad für Osten und Süden.
                            Loxone: MS Gen1, Audioserver +5 St. Ext, NFC(s), Air, Dimmer, Relais
                            Sonstiges: Unifi System, Doorbird, PV-Anlage Solaredge + Lg 10H Prime Speicher, NUC iOBroker
                            KNX: BWM, Glastaster II, div. Schaltaktoren und RGBW Dimmer

                            Kommentar

                            • Deepflash
                              LoxBus Spammer
                              • 08.06.2021
                              • 217

                              #15
                              Und das stimmt auch tatsächlich mit der Himmelsrichtung genau überein?
                              Ist SP am Ausgang aktiv?
                              Sobald du eine manuelle änderung machst (morgens öffnen) ist die Automatik deaktiviert wenn du sie nicht wieder mit SPR aktivierst

                              Kommentar

                              Lädt...