Ich habe seit 1 Woche meine PV in Betrieb und würde die jetzt gerne in Loxone RICHTIG und SCHÖN dargestellt haben (Stichwort: "Energieflussmonitor) - bekomme es aber irgendwie nicht hin und wollte fragen, ob mir da jemand behilflich sein kann.
Ich habe es schon über die Suchfunktion und im Loxwiki versucht, so richtig schlau werde ich leider daraus nicht bzw. komme ich nicht dahin, dass ich in etwa die selben Werte (bzw. annähernd ähnliche Werter) wie im Fronius Solarweb angezeigt bekomme

Zur Ausgangssituation:
- Loxone MS V2
- Fronius WR Gen 24
- Fronius Smartmeter TS 65A-3
- KEIN Batteriespeicher
Irgendwie scheitere ich daran, wo ich an welchen Zählerbaustein, was dran hängen muss, damit das ganze (auch in Bezug auf die Statistiken) plausibel erscheint und mit den Werten in der Fronius App (im Groben) zusammenpasst.
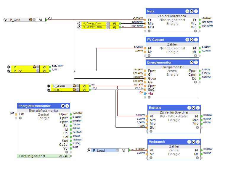
Für den Energieflussmonitor habe ich folgende Zähler eingefügt:
- Netz (Zähler Bidirektional) mit einem "Mroc Offset" von meinem Stromzähler, damit der Zählerstand in etwa übereinstimmt ("Lebensdauer" soll ja mein Zählerstand sein - wenn ich da natürlich 9000 kWh reinschreibe habe ich den Wert auch als "Tages- Wochen- und Monatsverbrauch" aber mir fällt keine elegantere Lösung ein)
- Haus (Zähler) = meine Verbraucher ohne Offset
- PV Anlage (Zähler) = Produktion meiner PV Anlage
- "Rest" den Rest lasse ich mir im Monitor nicht anzeigen
Fronius Solar API: http://IP_WR/solar_api/v1/GetPowerFlowRealtimeData.fcgi
mit dem Schema Befehlserkennung: \i"P_Load" : \i\v
Fronius Symo Gen24: http://IP_WR/solar_api/v1/GetPowerFlowRealtimeData.fcgi
mit dem Schema Befehlserkennung: \i"P_Load" : \i\v
Fronius Smartmeter: http://IP_WR/solar_api/v1/GetMeterRe...ice&DeviceId=0
mit dem Schema Befehlserkennung: "PowerReal_P_Sum" :\v
Fronius Smartmeter 63A: http://IP_WR/solar_api/v1/GetMeterRe...i?Scope=System
mit dem Schema Befehlserkennung: "PowerReal_P_Sum" :\v
lt. der API Dokumentation von Fronius erschließen sich mir nicht alle Werte, was genau was sein soll...
Habe mal eine Tabelle zusammengestellt, was ich vermute, was für steht und in Welcher physikalischen Einheit - BITTE MICH AUSBESSERN, WENN WER FEHLER ENTDECKT
BEFEHL | BESCHREIBUNG | Einheit |
"Meter_Location_Current" | 0 = Einspeisung | --- |
"PowerReal_P_Sum" | + = Verbrauch aus dem Netz - = Einspeisen ins Netz |
W |
"PowerReal_P_Phase_1" | Phase 1 | W |
"PowerReal_P_Phase_2" | Phase 2 | W |
"PowerReal_P_Phase_3" | Phase 3 | W |
"PowerApparent_S_Sum" | ? | ? |
"PowerFactor_Sum" | ? | ? |
"EnergyReal_WAC_Sum_Produced" | Gesamt - Einspeisen ins Netz | Wh |
"EnergyReal_WAC_Sum_Consumed" | Gesamt - Verbrauch aus dem Netz | Wh |
"EnergyReactive_VArAC_Sum_Produced" | ? | ? |
"EnergyReactive_VArAC_Sum_Consumed" | ? | ? |
"EnergyReal_WAC_Plus_Absolute" | Gesamt - Verbrauch aus dem Netz | Wh |
"EnergyReal_WAC_Minus_Absolute" | Gesamt - Einspeisen ins Netz | Wh |
"P_PV" | aktuelle Produktion der Anlage | Wh |
"P_Akku" | ? | ? |
"P_Grid" | aktueller Bezug aus dem Netz | Wh |
"P_Load" | aktueller Verbrauch (Verbraucher) | Wh |
"SOC" | ? | ? |
"rel_SelfConsumption" | aktueller Prozentanteil Eigenverbrauch | % |
"rel_Autonomy" | aktueller Prozentanteil Autarkie | % |
Vielleicht kann mir jemand von euch aufschlüsseln, welcher VI für was genau ist und an welchen Eingang, bei welchem Zähler, er hingehört...
Danke im Voraus

Kommentar