Rollo auf 75% wenn Fenster auf und Rollo vorher zu

Einklappen
X
 
  • Zeit
  • Anzeigen
Alles löschen
neue Beiträge
  • jaeti01
    Extension Master
    • 06.05.2017
    • 154

    #1

    Rollo auf 75% wenn Fenster auf und Rollo vorher zu

    Ich bräuchte noch mal eine Inspiration:
    Ziel: Mein Küchenfenster öffne ich wenn der Dunstabzug laufen soll. Wenn dann das Rollo mehr als 75% geschlossen ist, dann soll es auf 75% fahren, damit genug Luft rein kommt.

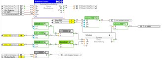
    Das Bild zeigt was ich bisher gemacht habe.
    V1 ist auf 0,75 gesetzt.
    Durch die Logik ist I1 beim Statusbaustein 1 wenn Fenster auf ist und V2 > 0,75 ist.
    Nun läuft das Rollo hoch. Wenn die 0,75 erreicht sind, dann schaltet aber der Vergleichsbaustein aus, der Status springt dadurch auf 0.0 und das Rollo fährt bis zum Anschlag hoch.
    Nicht was ich wollte. Hat jemand eine bessere Idee?

    Vielen dank!
    Gruss, Till
  • Loxtom577
    MS Profi
    • 19.08.2018
    • 521

    #2
    Ich hab es so gelöst.
    Rollo unten -> Fenster wird gekippt/geöffnet -> Rollo fährt auf 70 % --> Fenster wird geschlossen --> Rollo fährt auf 100%
    Rollo offen -> Fenster wird gekippt/geöffnet -> Rollo bleibt auf 0 %

    Klicke auf die Grafik für eine vergrößerte Ansicht

Name: RolloKüche.png
Ansichten: 260
Größe: 71,6 KB
ID: 408982
    Zuletzt geändert von Loxtom577; 01.11.2023, 22:42.

    Kommentar

    • Lightpicture
      Lebende Foren Legende
      • 16.11.2015
      • 3884

      #3
      Hallo jaeti01

      Dein Rollo hängt an der Automatik Beschattung?

      Habe so eine Schaltung in Verwendung.
      Mit einem virtuellen Eingang kannst die % einstellen, wohin das Rollo fährt.
      zb
      Steht das Rollo >75% fährt es auf 75%
      Steht es <75% bleibt es wo es steht, so die Funktion der Schaltung.
      Schließt du das Fenster, fährt das Rollo wieder dahin, wo es vorher stand.
      Ich poste sie dir in ein paar Tagen.
      FG
      Lightpicture

      Nur ein Netzwerkkabel ist richtiges WLAN

      Kommentar


      • jaeti01
        jaeti01 kommentierte
        Kommentar bearbeiten
        Danke, freu mich drauf.
    • Lightpicture
      Lebende Foren Legende
      • 16.11.2015
      • 3884

      #4

      Hallo jaeti01

      Hier die Schaltung wie versprochen.​



      Klicke auf die Grafik für eine vergrößerte Ansicht

Name: Vorhang-Beschattung01.jpg
Ansichten: 123
Größe: 151,7 KB
ID: 409265
      Angehängte Dateien
      FG
      Lightpicture

      Nur ein Netzwerkkabel ist richtiges WLAN

      Kommentar

      • Lightpicture
        Lebende Foren Legende
        • 16.11.2015
        • 3884

        #5
        Habe es dir in eine eigene Datei gespeichert, dann kannst es einfach kopieren.

        Den
        - VI für die % die beiden Ausgänge (Motor)
        - Merker an DisPc brauchst du nicht
        - Merker vom Türkontakt (der am UND links unten hängt)

        Habe ich in der Datei nicht eingebaut, das noch machen bitte.

        Rote Bausteine sind deaktiviert für die VIS.

        Mit dem VI kannst die % einstellen wohin der Vorhang, in deinem Fall das Rolle hinfahren soll, wenn der Türkontakt aktiv wird.
        Wird die Tür wieder geschlossen, fährt das Rollo wieder zur vorher vorhandenen Position.
        War das Rollo kleiner dem % Wert der beim VI eingestellt ist, fährt nichts.

        Bei der Ein- und Ausschaltverzögerung
        (Um 1 sek länger als Opd, Cld von Automatikbeschattung​)
        ist die Zeit von der Automatikbeschattung einzustellen die bei Opd, Cld eingestellt ist, die größere der beiden, plus 1 sek Reserve.
        Eben, so lange dein Rollo auf, zu fährt.

        Ich hoffe die Schaltung macht das, was du dir vorstellst.

        Feedback welcome.

        Viel Spaß beim Umsetzen.
        Angehängte Dateien
        Zuletzt geändert von Lightpicture; 04.11.2023, 13:33.
        FG
        Lightpicture

        Nur ein Netzwerkkabel ist richtiges WLAN

        Kommentar


        • jaeti01
          jaeti01 kommentierte
          Kommentar bearbeiten
          Super, danke dir. Werde versuchen mich diese Woche nach Feierabend mal dran zu setzen, Meld mich dann zurück.

        • Lightpicture
          Lightpicture kommentierte
          Kommentar bearbeiten
          Ok
      Lädt...