Suche einen bestimmten Baustein

Einklappen
X
 
  • Zeit
  • Anzeigen
Alles löschen
neue Beiträge
  • Gast

    #1

    Suche einen bestimmten Baustein

    Hallo zusammen

    Ich suche einen Baustein, der einen eingehenden Impuls erst über den Ausgang ausgibt, wenn er die "Berechtigung" über einen z.B. Trigger erhält. Gibt es solch einen Baustein? Habe in der Dokumentation leider nichts passendes gefunden.

    Danke schon jetzt für die Unterstützung.
  • Thomas M.
    Lebende Foren Legende
    • 25.08.2015
    • 3301

    #2
    Musst dir zusammenbasteln ...

    UND-Bausteine?

    Wenn die "Freigabe" 1 ist, dann kommt hinten was raus, sonst nicht.
    Und wenn du die "Freigabe" nur triggern möchtest, dann vorm UND noch einen Tastschalter oder sowas hängen.
    Alles ist machbar, nur gibt es nicht für jeden Zweck einen Extra-Baustein.
    Musst nur kreativ zusammenstöpseln.
    Angehängte Dateien
    Zuletzt geändert von Thomas M.; 30.05.2016, 12:02.

    Kommentar

    • hrvogel
      Smart Home'r
      • 30.04.2016
      • 47

      #3
      oder Gleich Baustein

      Kommentar

      • Gast

        #4
        Vielen Dank für Eure Hilfe. Die Logik von Thomas könnte was sein, danke. Ich möchte folgendes machen. Zwei Ping werden aktiviert, ist ein Ping Erfolgreich, soll er noch 2 Sekunden warten und dann seinen Ausgang aktivieren. Sollte jedoch innerhalb der 2 Sekunden der zweite Ping auch Erfolgreich sein, sollte beide Ausgänge aktiv werden und jetzt kommt es, GLEICHZEITIG. Das ist ganz wichtig das die beiden gleichzeitig und nicht Zeitverzögert den Ausgangsimpuls ausgeben. Steh auf dem Schlauch dies zu basteln. Es sollte ja auf beide Seiten funktionieren, mit einer Verzögerung klappt das ja nicht wirklich oder?

        Kommentar

        • Thomas M.
          Lebende Foren Legende
          • 25.08.2015
          • 3301

          #5
          Wird schwierig, hab etwas herumsimuliert, aber auf die Schnelle wird das nichts.

          Darf man fragen, was an der Gleichzeitigkeit von 2 Pingbausteinen so wichtig ist? vor allem nach 2 Sekunden ist es egal (dann ist eben der ping aktiv welcher ehen erfolgreich ist), nur innerhalb der 2 Sekunden wäre es wichtig dass beide gleichzeitig kommen.

          was wäre wenn ping 1 erfolgreich ist und der ping 2 kommt erst 5 Sekunden später zustande? Dann ist es auch egal?

          Kommentar

          • kerrick
            Smart Home'r
            • 03.09.2015
            • 91

            #6
            Schau dir mal den Monoflop an. Der kann seinen Ausgang für einstellbare Zeit halten und dann geht er wieder aus. Es könnte dann so Aussehen, dass die Erste Bedingung den Monoflop triggert und ein UND Baustein diesen mit dem Ausgang der zweiten Bedinung verknüpft. Nur wenn Bedingung 2 innerhalb von 2s nach der ersten eintritt, dann kommt ein Impuls durch den UND Baustein. Siehe erstes Bild.

            Problematisch wäre, wenn Ping2 vor Ping1 kommt und der Monoflop noch nicht aktiv ist. Wenn man das vermeiden will, müsste man Ping2 nach Ping1 starten. Siehe zweites Bild

            Ich bin mit dem Ping Baustein nicht vertraut, daher bin ich nicht sicher ob es auch deiner Beschreibung entsprechend funktioniert. Der Ping ist ja anscheinend dazu gedacht "offline" zu melden, wenn keine Antwort kam. Du willst es aber dafür benutzen, dass "online" gemeldet wird.

            Kommentar

            • Gast

              #7
              Ping müssen gleichzeitig ausgeben da aufgrund dessen entschieden wird welcher TTS (Text to Speech) beim Hauseingang wiedergegeben wird wenn man die Eingangstüre öffnet. Entweder Name von mir, oder von meiner Frau, oder wenn beide Ping angeben der Namen von beiden. Ist eine Spielerei aber wäre toll.

              Kommentar

              • doc-brown
                Lox Guru
                • 13.09.2015
                • 1493

                #8
                und die ping adressen sind eure handy´s?

                Kommentar

                • Gast

                  #9
                  Genau.

                  Kommentar

                  • doc-brown
                    Lox Guru
                    • 13.09.2015
                    • 1493

                    #10
                    ok, vielleicht ne doofe frage aber... funktioniert das bei deinen handy´ s dass die sich automatisch in dein wlan einbuchen so schnell?

                    mal angenommen das geht - dann wuerde ich als trigger das aufschliessen der tuer nutzen - und den statusbaustein um zu entscheiden du, deine frau oder alle beide daheim

                    waere das ein ansatz?

                    Kommentar

                    • romildo
                      Lebende Foren Legende
                      • 25.08.2015
                      • 5169

                      #11
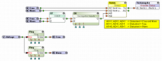
                      Sofern ich das jetzt richtig verstanden habe, müsste es so wie in meinem Beispiel funktionieren.
                      Ich hätte allerdings auch Bedenken, dass die Pings innerhalb der 2 Sekunden zuverlässig eintreffen.
                      Die Verzögerungszeit muss im Beispiel im "Verzögerten Impuls" unter D eingegeben werden.

                      Zudem müsstest Du, aus meiner Sicht, auch noch unterscheiden ob nicht schon eine Person im Haus ist und nicht erst nach Hause kommt, oder nicht?
                      Habe ich jetzt im Beispiel noch nicht berücksichtigt.
                      Klicke auf die Grafik für eine vergrößerte Ansicht

Name: PingFrauMann.png
Ansichten: 299
Größe: 31,2 KB
ID: 43456
                      LG Romildo

                      Kommentar

                      • Gast

                        #12
                        Hey romildo, dass sieht ja super aus, vielen Dank! Sehr nette und hilfreiche Leute hier im Forum. Werde dass gleich mal nachbasteln und berichten. Wegen dem Statusbaustein, gibts da irgendwo eine Erklärung wie man da einstellen muss betreffend den V1, V2 usw. denn Rest des Bausteins habe ich einigermassen kapiert ;-)

                        Danke nochmals an alle die mich so toll unterstützen.

                        Kommentar

                        • romildo
                          Lebende Foren Legende
                          • 25.08.2015
                          • 5169

                          #13
                          Der Nachbau wird noch nicht ganz wie erwartet funktionieren, habe da noch einen Fehler festgestellt. Lösung sollte aber in einigen Minuten folgen.

                          Bezüglich v1:
                          Wenn Du in den Statustext <v1> integrierst ersetzt er <v1> durch den Wert von Eingang AI1. Bei <v2> den Wert von AI2 usw.
                          <v1.1> gibt den Wert von AI1 inklusive einer Stelle nach dem Kommastelle zurück <v1.2> hat zwei Kommastellen usw.

                          Beispiel:
                          An AI1 hängt ein Analogeingang mit dem Wert 10
                          An AI2 ein Text "Euro"
                          An AI3 ein Analogwert 12.53
                          An AI4 ein Digitalsignal mit Wert 1
                          Im Status steht in der ersten Zeile: AI4 = 1 Im Statustext steht: Die Ware kostet <v1> <v2> es gibt dafür <v3.2> % Rabatt
                          Dann wäre die Bedingung dass AI4 =1 ist damit am Ausgang TQ folgender Text ausgegeben wird: Die Ware kostet 10 Euro es gibt dafür 12.53 % Rabatt.

                          Habe das Beispiel bewusst etwas komplizierter gemacht, hoffe aber es ist einigermassen verständlich. Sonst nochmals nachhaken.
                          LG Romildo

                          Kommentar

                          • Gast

                            #14
                            Super vielen Dank, nun weiss ich aber nicht genau wie ich das mit den z.B. A1=1, A2=0, A3=1 eintragen soll. Bin also beim Statusbaustein doch nicht Sattelfest :-) Sorry, du hast es mit einem dummie zu tun :-)

                            Kommentar

                            • romildo
                              Lebende Foren Legende
                              • 25.08.2015
                              • 5169

                              #15
                              Klicke auf die Grafik für eine vergrößerte Ansicht

Name: Statuseingabe.png
Ansichten: 265
Größe: 10,5 KB
ID: 43465
                              LG Romildo

                              Kommentar

                              Lädt...