Rolladen hoch bei Fenster auf bzw. runter bei Fenster zu

Einklappen
X
 
  • Zeit
  • Anzeigen
Alles löschen
neue Beiträge
  • abertram
    LoxBus Spammer
    • 31.08.2015
    • 210

    #1

    Rolladen hoch bei Fenster auf bzw. runter bei Fenster zu

    Hallo zusammen,

    ich habe in meinen Terassentüren Verschlussüberwachungssensoren, die ich per 1-Wire an Loxone angeschlossen habe. Ich möchte gerne, dass der Rolladen hochfährt, wenn ich die Terassentür aufmache und runterfährt, wenn ich die Tür zumache. Das bekomme ich aber nicht hin. Ich habe bereits mit dem Tasterschalter-Baustein rumgespielt. Hat sich aber irgendwie nicht so verhalten, wie ich es mir vorgestellt habe.

    Gruß,
    Alex
  • s.schneider
    Dumb Home'r
    • 04.10.2015
    • 23

    #2
    Du könntest natürlich mit "wenn" Kontakt = 0 bzw 1 arbeiten und dann über einen Monoflop auf "cu" und "cd" gehen.
    Aber es gibt bestimmt noch was einfacheres

    Kommentar

    • .:Chris:.
      LoxBus Spammer
      • 05.01.2016
      • 202

      #3
      ... und nicht vergessen die Automatik in der Zeit zu deaktivieren!
      AD und Dis

      Kommentar

      • HRA
        Lox Guru
        • 27.08.2015
        • 1037

        #4
        Hallo,
        ich habe dies auch realisiert.
        Wenn Fenster geschlossen ist, dann fährt Rolladen runter sobald der Helligkeitswert erreicht wird.
        Wenn er bereits unten ist und z.B.die Terrassentür wird geöffnet, dann fährt er hoch, wird sie gekippt fährt er auf 70% hoch, wird Tür geschlossen fährt er wieder runter.

        Prinziepiell habe ich das für jedes einzelene Fenster/Terrassentür aufbereitet.
        Gemeinsam gibt es ledigleich einen Helligkeitsbedingten Zentral-Auf / Ab, dieser hängt zusätzlich auch an einer Schaltuhr (warum sollen die Rolläden im Sommer früh 4:00Uhr hochgehen)

        Bedacht ist auch ein "Putzmodus", wenn der aktiviert wird fahren alle Rolläden hoch (zum Fensterputzen).
        Auch eine Vorrort-Steuerung über Taster ist beachtet, wenn du diesen bedienst, wird der "Automtik-Modus" für diesen bis zum nächsten Erreichen das gleichen Soll-Status von Zentrale gemerkt.

        Ich hatte diesbezüglich schon mal etwas gepostet - Suche benutzen

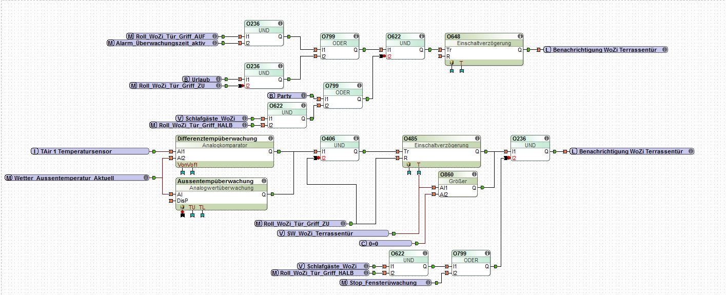
        Hier ein paar screenshots von der Terrassentür
        Angehängte Dateien
        Gruß HRA

        ### MS Gen2 + Gen1, MultiExt, Ext, AirExt, DMXExt; DMX4ALL ###
        ### EnOcean, KNX, MDT GTII ###

        Kommentar

        • abertram
          LoxBus Spammer
          • 31.08.2015
          • 210

          #5
          Ui, das sieht interessant aus. Muss ich mal studieren und den anderen Post in diesem Kontext versuchen zu finden.

          Gruß,
          Alex

          Kommentar

          • feda
            Dumb Home'r
            • 25.08.2015
            • 23

            #6
            Einfach am Automatikjalousie Baustein auf "Sp" (Sicherheitsabschaltung) eine "1" mit geöffneter Terrassentür geben. Dann fährt der Rolladen automatisch hoch wenn "SO"=0 konfiguriert ist. Und die Automatik kann dann auch kein runterfahren erzwingen.

            Gruß Bernd

            Kommentar

            Lädt...