2x Automatik Jalusie - Tweaken

Einklappen
X
 
  • Zeit
  • Anzeigen
Alles löschen
neue Beiträge
  • Rar9
    LoxBus Spammer
    • 25.08.2015
    • 221

    #1

    2x Automatik Jalusie - Tweaken

    Ich möchte meine vorhanden Automatik Jalusie Logik weiter Ausbauen / Tweaken und benötige hierzu Ideen & Anregungen.

    Ich habe einen Kinderzimmer mit 2 Rolladen (Südeite,Sonnenseite).

    Die 2 Rolladen sollen Morgens per Taster (Ulux) beide komplett hochgefahren werden egal welche Postion erreicht wurde.
    Das gleiche wenn Schlafenszeit ist, soll der selbe Taster diese komplett schliessen.
    Tagsüber soll der Taster die Rollade auf Postions X bringen. (Blendschutz)

    Zusätzlich soll folgende beide Rolladen folgende Funktionen haben:
    • Keine Aktion - Wenn die Postion OFFEN (0), BESCHATTEN (0,8) oder GESCHLOSSEN (1) schon erreicht wurden.
      (Ich bin mir nicht mehr sicher ob für Rolladen diese noch nötig ist. Für die verbauten Raffstores im Schalfzimmer jedoch schon)
    • Beschattungspositionen - anfahren von verschieden Beschattungspositionen nach Lichtverhältnisen. (BW Innen Lux vs Helligkeit Aussen)
    • Lüftungsfunktion
      • wenn GESCHLOSSEN auf BESCHATTEN & Rollo wieder ZU wenn Fenster geschlossen werde.
      • Ausnahme 1 wenn die Lüftungsfunktion NACHTS aktiviert wurde, und das Fenster erst TAGs wieder GESCHLOSSEN wurde soll das Rollo dann Hochgefahren werden.
      • Ausnahme 2 wenn bei geöffnetem Fenster die Rolladenpostion geändert wurde.
      • Schliessen nach XX Minuten Lüften, wenn die Raumtemperatur im Vergleich zur Aussentemperatur zu warm oder kalt ist.
    • Automatikbeschattung - oder Rollo Öffnung nach Jahreszeit / Temperatur - Signal vom IRR.
      • Hitzeschutz - (z.B. 25°C ) optimale Temp im Sommer
      • Kälteschutz - (z.B 18°C) optimale Helligkeit & Sonnenwärme im Winter
    • Regenschutz - Rollo bei Starkem Regen auf Postion X, (Wetterdaten)
    • Sturmschutz - bei Sturm komplett zu (Wetterdaten & Windmessung)
    • Alarm - Was auch immer besser ist komplett hoch oder runter fahren?
    • Kinderschutz / Servicefunktion - Alle Aktionen werden unterbunden.
    • Sonstiges - Was evtl. noch gemacht werden könnte. ZB Zentralfunktion
    Ich freue mich auf Eure positive Kritik

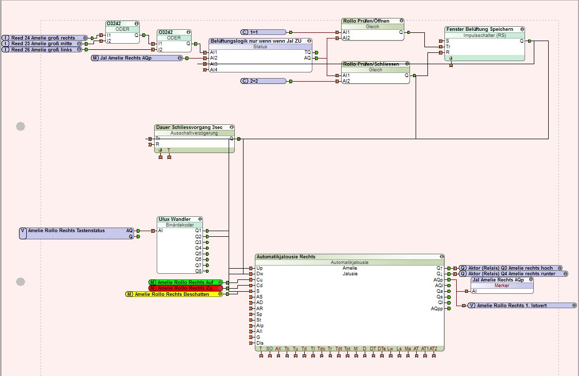
    Anbei was ich bis Dato haben.
    Klicke auf die Grafik für eine vergrößerte Ansicht

Name: Untitled-3.jpg
Ansichten: 1103
Größe: 96,7 KB
ID: 510 Klicke auf die Grafik für eine vergrößerte Ansicht

Name: Untitled-1.jpg
Ansichten: 567
Größe: 198,4 KB
ID: 511 Klicke auf die Grafik für eine vergrößerte Ansicht

Name: Untitled-2.jpg
Ansichten: 574
Größe: 130,3 KB
ID: 512
    Zuletzt geändert von Rar9; 27.08.2015, 18:07.
  • Dott
    Extension Master
    • 25.08.2015
    • 153

    #2
    Hi Rar9,
    ich denke mal, das hier wird dir bei der Lamellensteuerung helfen.
    1 fach klick fährt nach unten oder oben 2 fach Klick verstellt Lamellen auf 60% 3 fach klick verstellt Lamellen auf 70% Langzeitklick fährt auf beschatten


    Bei mir ist es zwar ein normaler Schalter, aber im Prinzip kannst du das ja in deine Logik einbauen.

    Kommentar

    • Rar9
      LoxBus Spammer
      • 25.08.2015
      • 221

      #3
      Danke Dott , ich schau mal am Weekend genauer rein.
      Evtl. kann ich diese Lamellensteuerung mit einbauen damit ich nicht immer den blöden Standard Beschattungwerts habe.
      Bei den Rollläden ist mir diese manchmal einfach zu dunkel.

      Zur folgende Punkte gehen schon.

      Keine Aktion.
      Der 1 Taster für alles und hoch oder runter geht zum teil.. Hier muss ich noch etwas am Statusbaustein tweaken, da ich zZt manchmal 2x Drücken muss da die Rollos / Raffstores erst auf Beschattung sich einpendeln wenn diese unterschiedlich sind. Der zweite mal dücken macht dann Zu / Auf wie gewünscht.

      Kommentar

      • Thomas M.
        Lebende Foren Legende
        • 25.08.2015
        • 3315

        #4
        "Alarm - Was auch immer besser ist komplett hoch oder runter fahren?"
        Rauf!
        Geht der Alarm los und niemand ist zuhause, sollte alles Licht angehen welches per Loxone geschaltet ist und die Raffs rauf. Dann sieht man den Bösewicht von überall.
        Gleichzeitig die Eingänge sperren, sonst "kurbelt" sich der Einbrecher die Rollos runter und könnte sich verstecken.

        [offtopic]
        wieso wird eigentlich immer nur voM Einbrecher geredet?
        Gibts keine Einbrecherinnen oder Bösewichtinnen?

        BTW: Hat irgendjemand im alten Forum jemals etwas Weibliches gesehen?
        [/offtopic]
        Zuletzt geändert von Thomas M.; 27.08.2015, 20:38.

        Kommentar

        Lädt...