Systemmeldung - Fehler Dimmwert Farbspiel

Einklappen
X
 
  • Zeit
  • Anzeigen
Alles löschen
neue Beiträge
  • HRA
    Lox Guru
    • 27.08.2015
    • 1037

    #1

    Systemmeldung - Fehler Dimmwert Farbspiel

    Hallo liebe Gemeinde,

    ich bekomme unregelmäßig folgende Systemfehlerbenachrichtigung:
    "Systemmeldung - Neu auftetrener Fehler: fehler Dimmwert Farbspiel Bad (Bad EG/Beleuchtung)"

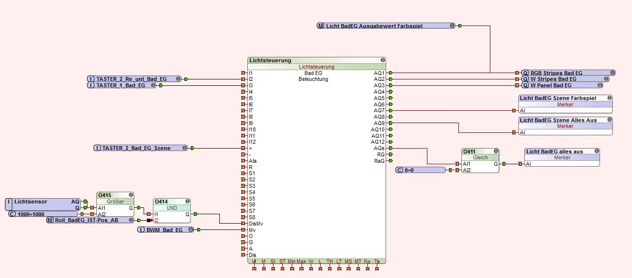
    Anbei ein Screen meiner Programmierung:

    Klicke auf die Grafik für eine vergrößerte Ansicht

Name: Farbspiel 2.JPG
Ansichten: 235
Größe: 77,5 KB
ID: 7637 Klicke auf die Grafik für eine vergrößerte Ansicht

Name: Farbspiel 1.JPG
Ansichten: 211
Größe: 61,7 KB
ID: 7638

    Kann mir jemend dazu weiterhelfen.

    Danke schon mal im Voraus
    Gruß HRA

    ### MS Gen2 + Gen1, MultiExt, Ext, AirExt, DMXExt; DMX4ALL ###
    ### EnOcean, KNX, MDT GTII ###
Lädt...