Ich würde mal gerne wissen wir Ihr die Alarmanlage aktiviert bzw deaktiviert.
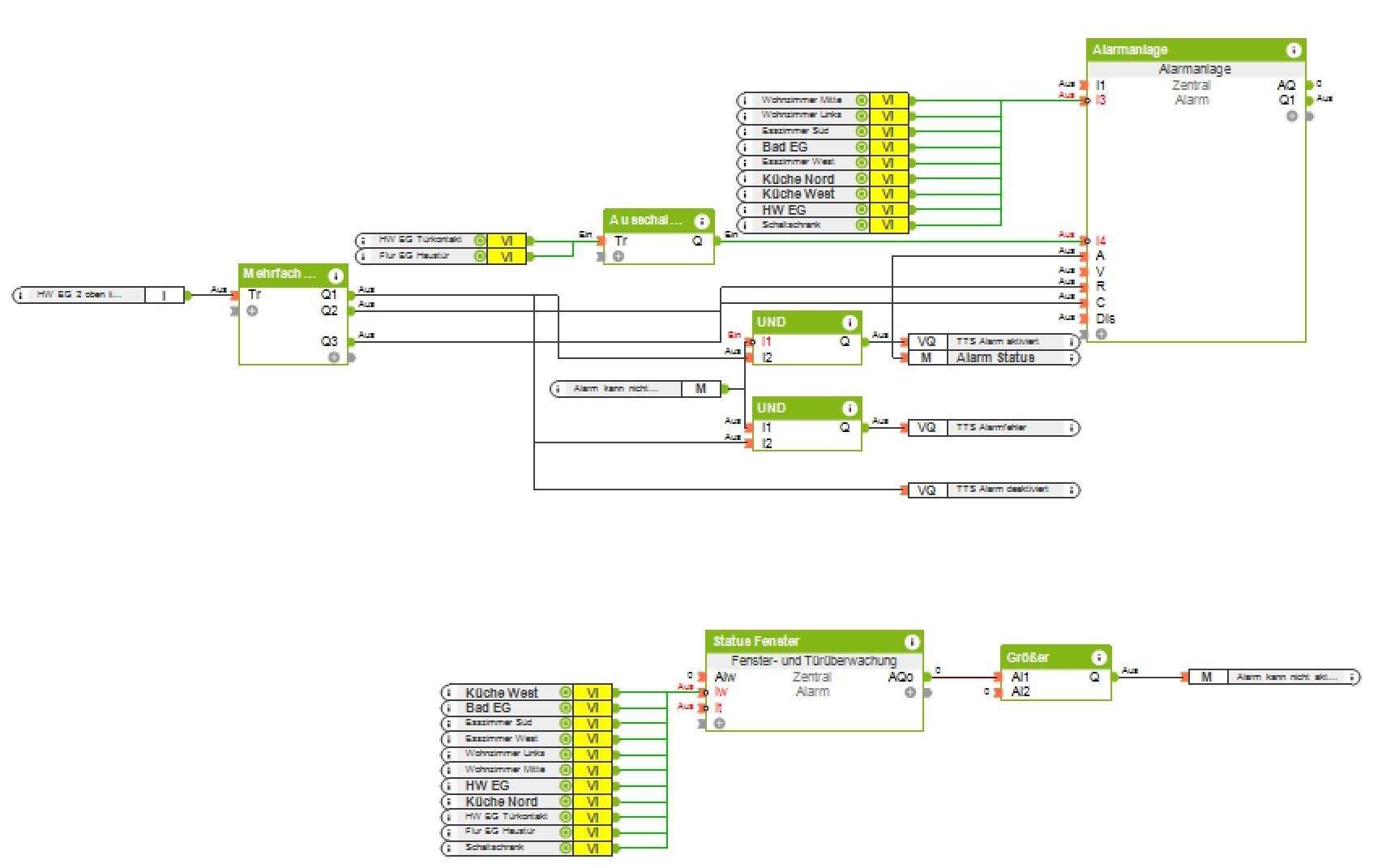
Ich habe ausschließlich Fensterkontakte im Einsatz, Momentan mache ich es so, dass ich einen Schalter an der Eingangstür habe, welcher mit einem Einfachklick die Alarmanlage 600s zeitverzögert aktiviert.
Da der Türkontakt 30 Sek. ausschaltverzögert auf den Alarmbaustein aufgelegt ist, wird dieser auch nicht als geöffnet angezeigt.
Wenn ich nun nach Hause komme, habe ich wiederrum 30 Sekunden Zeit die Alarmanlage zu deaktivieren mit einem 2 Fachklick.
Ein 3 Fachklick würde den Alarmbaustein bei Auslösung resetten.
Den Status ob aktiv oder nicht, lasse ich per TTS über meine Sonos ansagen.
Leider habe ich noch keine gute Lösung gefunden wie ich es bei Anwesenheit realisieren soll. Aktivieren über Zentral aus am Bett wäre denkbar, aber die Alarmanlage Morgens wieder zu deaktivieren ist meiner Meinung nach nicht ganz so einfach?! Vlt habt ihr ja noch Ideen oder Verbesserungen bzgl, des Alarmbausteins.
Vielen Dank im Voraus

Kommentar