Keba Wallbox

Einklappen
X
 
  • Zeit
  • Anzeigen
Alles löschen
neue Beiträge
  • KaJu74
    Extension Master
    • 10.06.2017
    • 166

    #16
    Eine wirklichen Grund habe ich nie gefunden.
    Entweder hat der x.te Versuch endlich geklappt.
    Oder es lag daran, weil ich meiner 78 jährigen Mutter den Fehler zeigen und erklären wollte und das System wollte das meiner Mutter nicht mehr zumuten.
    Ich weiß es nicht.

    Zitat von Rosco
    aber das Starten des Ladevorgangs mittels des Schalters in der App funktioniert nicht.
    Hi

    blöde Frage, aber wie und an welchen Eingang hast du den Schalter angeschlossen?

    Auf deinen Bildern sieht man ja leider nichts davon.

    An Eingang "Ie" muss ja das Signal für das Laden gehen.
    Angehängte Dateien
    Zuletzt geändert von KaJu74; 21.06.2017, 11:21.

    Kommentar

    • Gast

      #17
      Da haben wir die Mütter fast im gleichen Alter, das sollte ich auch ausprobieren.

      Nein, ohne Scherz, ich habe den Miniserver per WLAN an einer Fritzbox und die KEBA P30 im gleichen Netz.
      Der Zugriff auf den internen Webserver der P30 funktioniert und ich kann die Daten auch im UDP-Monitor im Miniserver sehen.

      Am Eingang "ie" ist noch nichts angelegt, da ich zunächst einfach mal die Keba über die Visu vom Handy aus starten möchte.
      Also ist nur der Baustein in das Projekt gezogen und die Wallbox per Netzgerät-Einbindung verbunden (die P30 wird vom Miniserver nicht im Netzwerk erkannt).
      Ich kann sehen, dass ein Fz angesteckt ist, sogar die Ladedaten kann ich sehen. Nur kann ich die Wallbox nicht aus der Visu schalten.

      Hinzu kommt, dass wenn der DW 1.3 auf on gesetzt ist, die OCPP-Kommunikation mit dem Backend nicht klappt. Die Wallbox wird dann nicht über die RFID-Karten des Backendbetreibers freigeschaltet. *grumpf*

      Ziel soll es nachher sein, aus einer PV-Anlage mit Solarlog 200BT Überschussstrom in die Batterie zu laden. Die Werte kommen per Modbus aus dem Solarlog, wobei ich mir noch nicht so sicher bin, ob die Register alle stimmen. Das muss ich noch beim Solarlog Hersteller erfragen.

      Und dann muss ich mir so eine ähnliche Zauberschaltung bauen.
      Magst du mir die mal per PN senden? Aus deinem Bild ist für mich als Lox-Newbie leider noch nicht alles verständlich.

      Kommentar

      • KaJu74
        Extension Master
        • 10.06.2017
        • 166

        #18
        Kann ich gerne machen.
        Du meinst, mein Programm für die Ladung?
        Das ist für dich aber viel zu aufwändig.
        Oder meinst du das einfache? Davon habe ich auch nur das Bild.

        Auf deinem Bild ist ja nur der Energiemonitor zu sehen,
        Und meine P20 wurde zwar über das Netzwerk gefunden, ist aber auch als Netzwerkgerät angelegt, wie deine P30.

        Kommentar

        • Gast

          #19
          Kannst du mir bitte dein kleines Bild erklären?

          Auf meinem Bild ist neben dem Energiemonitor die akutelle AC-Leistung aus dem Wechselrichter Sunnyboy 5000-TL20 zu sehen.
          Über einen gleitenden Mittelwert (Zyklus: 20, Anzahl: 15) versuche ich die Verschattung durch Wolken zu kompensieren.
          Mit einer Konstanten Vorgabe von (derzeit) 0,5 KW schalte ich den Merker (Pac > 0,5 KW)
          Diesen Merker würde ich an den Eingang "ie" des Wallbox Bausteins verbinden.
          Der Theorie nach müsste die Wallbox dann bei 500 Watt PV-Leistung einschalten (gut, ist vielleicht gerade ein bisschen unterdimensioniert, welcher Wert tatsächlich passend ist muss ich noch raustüfteln).
          Aber so sollte auch z.B. eine Waschmaschine oder der Trockner mit PV-Strom versorgt werden können...

          Kommentar

          • KaJu74
            Extension Master
            • 10.06.2017
            • 166

            #20
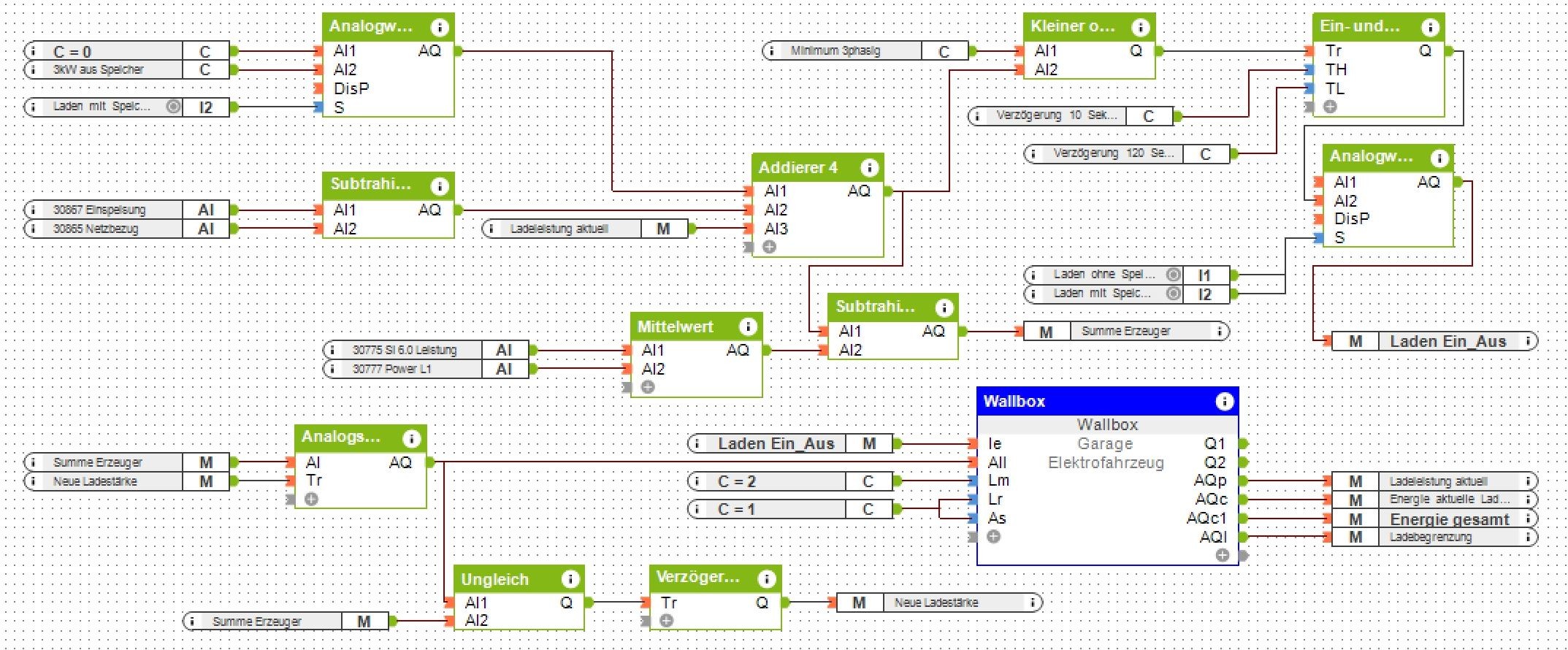
            Also, zum bild.

            Es gibt einen Merker für die Lieferung Netz.
            dieser wird mit der aktuellen Ladeleistung addiert, denn die ist ja auch als "Überschuss" vorhanden.
            Dann wird noch der Bezug vom Netz abgezogen (sollte ja 0 sein, wenn man einspeist).
            Die Summe wird bei dem Wallboxbaustein an den Eingang "All" gelegt und sagt der Wallbox, wie schnell sie laden darf.
            Der Eingang "Lm" muss der Wert 2 bekommen.
            Der Eingang "Lr" und "As" muss der Wert 1 anliegen.
            Wenn diese letzten 3 Werte anliegen, wird die intelligente Steuerung aktiviert.
            Am Ausgan AQp bekommt man die aktuelle Ladeleistung, die ich oben bereits erwähnt habe.
            Dann muss am Eingang "Ie" noch der Wert 1 angelegt werden.

            Da würde ich noch die Abfrage einbauen, wenn verfügbare Leistung an "All" größer als x kWh ist, dann erst den Wert "Ie" auf 1 setzen.
            Und eine ich habe noch eine Verzögerung beim Einschalten und beim Ausschalten eingebaut, aber das hast du ja schon über deinen gleitenden Mittelwert.
            Angehängte Dateien
            Zuletzt geändert von KaJu74; 21.06.2017, 13:18.

            Kommentar

            • Gast

              #21
              Ok, da muss ich dann nochmal ran.
              Leider kann ich (noch) nicht meinen Verbrauch messen, da muss noch ein Zähler her.
              Werde bei KEBA mal nachhaken, warum die OCPP-Anbindung nicht funktioniert, wenn die Modbus Kommunikation eingeschaltet ist.

              Kommentar

              • Gast

                #22
                hi, ich bin gerade am recherchieren, welche wallbox ich zu hause in zukunft einsetzen möchte und nachdem ich loxone verwende, fällt mal der blick auf die keba p30c. möchte jedenfalls den eingebauten stromzähler auslesen und auch statistiken über alle ladevorgänge (verbrauch pro ladevorgang und auch gesamt) usw haben.

                kann das der keba/wallbox baustein selbst oder muss man da noch einen verbrauchszähler dranbasteln? wie kann man den integrierten stromzähler auslesen, brauch ich dafür ein eigenes kabel zur wallbox noch dazu oder geht das über UDP über LAN bzw den baustein?

                hat evtl jemand bitte screenshots für mich wie das interface in der app aussieht wenn ein auto angesteckt ist und was man dort dann alles machen kann? hab den baustein mal in einer test-config eingebunden aber das ist ohne e-auto und ohne wallbox nur sehr rudimentär

                Kommentar

                • KaJu74
                  Extension Master
                  • 10.06.2017
                  • 166

                  #23
                  Hi

                  Ich habe die P20.
                  Dort gibt es ein Webinterface, wo man diverse Daten auslesen kann.
                  Der Wallbox Baustein zeigt auf jeden Fall die gesamte Energie an. Siehe Bild.
                  Den einzelnen Ladevorgang, weiß ich nicht. Vielleicht während des Ladevorgangs.

                  Was meinst du mit Bilder vom Interface in der App?
                  Solche im Anhang?
                  Grau bedeutet, kein auto angesteckt.
                  Gelb/Orange bedeutet Auto angesteckt, aber kein Ladevorgang
                  Blau bedeutet er kann laden.

                  Kommentar

                  • Gast

                    #24
                    danke sehr für die info! ja die screenshots im anhang schauen gut aus. die option "statistiken" kommt von dir oder ist das integriert im baustein? was ist dort dann hinterlegt? so eine art verbrauchszähler-grafiken?

                    aktuell setze ich bei meiner PV-anlage auch verbrauchszähler mit S0-zähler ein und da kann ich dann den gesamtverbrauch und auch die leistung entsprechend pro tag ansehen, sowas hätte ich gerne auch bei der wallbox nur sehe ich nicht wie man an die dafür notwendigen daten rankommt. das installationshandbuch habe ich schon durchgescrollt aber nix dazu gesehen wie man den integrierten stromzähler auslesen kann.

                    Kommentar

                    • KaJu74
                      Extension Master
                      • 10.06.2017
                      • 166

                      #25
                      Du kannst die Statistiken im Baustein aktivieren.
                      Aber bei mir werden dort beim Zähler komische Werte angezeigt:
                      Am 01.07.17 soll ich 1,4 MWh geladen haben!
                      Die Ladeleistungen werden hingegen korrekt angezeigt:

                      Kommentar

                      • Gast

                        #26
                        ah perfekt, danke! irgendwie hab ich das naheliegende übersehen

                        Kommentar

                        • KaJu74
                          Extension Master
                          • 10.06.2017
                          • 166

                          #27
                          Kein Problem.

                          Helfe gerne.

                          Mir wurde hier ja auch viel geholfen.

                          Kommentar

                          • technikblog
                            LoxBus Spammer
                            • 13.01.2016
                            • 278

                            #28
                            Servus,

                            möchte in den nächsten Tagen eine Wallbox bestellen, habe zur P30 von Keba tendiert, bin mir auf Grund dieses Threads aber unschlüssig ob sie nun sauber mit Loxone funktioniert oder nicht. Sonst müsste ich zur P20 greifen, habt ihr mir vielleicht Feedback? Läuft die P30?

                            Danke
                            Nachrüster-EFH: MS, Extension, EnOcean, Awaptec Switches, Loxberry, Zählterinterface Air, 2 Loxone 3 Phasenzähler, Eastron Sdm630 Modbus, Photovoltaik 9.82kWp, Eigenverbrauchsoptimierung mit Loxone

                            Projekte: Photovoltaik-Anlage, Keba P30 Wallbox, VW e-Golf Test, myStrom WiFi Switch einbinden

                            Kommentar

                            • KaJu74
                              Extension Master
                              • 10.06.2017
                              • 166

                              #29
                              Ich habe die P20.
                              Aber die P30 sollte auch funktionieren. Habe bis jetzt nichts gegenteileige gelesen.

                              Kommentar

                              • technikblog
                                LoxBus Spammer
                                • 13.01.2016
                                • 278

                                #30
                                Danke dir, vor wenigen Minuten hat mir auch Loxone bestätigt dass die P30 funktioniert. Tiptop, danke!
                                Nachrüster-EFH: MS, Extension, EnOcean, Awaptec Switches, Loxberry, Zählterinterface Air, 2 Loxone 3 Phasenzähler, Eastron Sdm630 Modbus, Photovoltaik 9.82kWp, Eigenverbrauchsoptimierung mit Loxone

                                Projekte: Photovoltaik-Anlage, Keba P30 Wallbox, VW e-Golf Test, myStrom WiFi Switch einbinden

                                Kommentar

                                Lädt...