LoxClock for Android

Einklappen
X
 
  • Zeit
  • Anzeigen
Alles löschen
neue Beiträge
  • K.Clemens
    Smart Home'r
    • 28.08.2015
    • 92

    #16
    If you hit snooze this will be the next scheduled alarm. However, if you link the alarm pulse directly to an action, this action will be performed.
    If a delay is build into your Loxone Config, you can reset the alarm pulse when the new alarm setting comes in.

    Kommentar

    • Maarten.Provo
      Dumb Home'r
      • 16.11.2020
      • 16

      #17
      Hello, I'm trying to setup this app and link it with my Miniserver. I followed the tutorial, but the alarm time is 90 minutes off.

      I re-calculated the present time which is correct (only off by 2 seconds). But my alarm is 90 minutes early.

      In example If I set my alarm up for 01:00 the present time will equal the alarm time at 23:30. As you see in the screenshot which I took at 01:00 the value for alarm time - present time is at -5402 seconds ( 90 min.) where it should have been 0.

      Did anyone else encounter this issue?

      Kommentar

      • Maarten.Provo
        Dumb Home'r
        • 16.11.2020
        • 16

        #18
        Looks like I'm having issues with the app as well. I've set my alarm for 63 minutes from now, but the loxclock app tells me alarm in 57 minutes?

        Kommentar

        • K.Clemens
          Smart Home'r
          • 28.08.2015
          • 92

          #19
          First time I hear about this problem.
          Can you share your virtual input settings and your formula?

          What time do you get in seconds for alarm 27/11/2020 6h00 ? (375683400 seconds?)

          Kommentar

          • Maarten.Provo
            Dumb Home'r
            • 16.11.2020
            • 16

            #20
            I've set my alarm for 27/11/2020 06:00 , but already communication between my default Samsung alarm clock and loxclock is 6 minutes off. The time received by the mini-server is 375683101,000 .

            The formula used for actual time is (I1*86400)+(I2*3600)+(I3*60)+I4

            Kommentar

            • K.Clemens
              Smart Home'r
              • 28.08.2015
              • 92

              #21
              I do not understand why this happens to you. What android version are you running?
              When did you install the app? I installed the app on my new phone this week and this just runs as expected.

              It's strange you get an value ending with ,000. This would mean the setting for the value of <v> is not correct?
              Zuletzt geändert von K.Clemens; 27.11.2020, 16:39.

              Kommentar

              • K.Clemens
                Smart Home'r
                • 28.08.2015
                • 92

                #22
                Today I uploaded a new version of the app to the appstore. This should version contains a fix for the 90 minutes difference.
                Hope the review by google is quick so everybody can update to this new version.

                Kommentar

                • J V
                  LoxBus Spammer
                  • 28.08.2015
                  • 370

                  #23
                  Love the idea of the app and already thinking how I can use it.

                  I also have the 6 minute issue... Already on the app, it shows me that the alarm will go off 6 minutes earlier than according to the alarm app. Not sure if it is connected, but the menu "widget settings" does not seem to do anything. I haven't tested anything on Loxone side yet.

                  Phone: Samsung Galaxy A50, Android version: 10, Kernel version 4.14.62-20126267, Android Patch Level: 1 December 2020

                  Jörg

                  Kommentar

                  • K.Clemens
                    Smart Home'r
                    • 28.08.2015
                    • 92

                    #24
                    Hi,

                    The text displayed while setting the next Alarm is only visible for to user as feedback. For me the difference is 1 minute.
                    The text displayed is not linked to the settings itself, so the set alarm should always be correct.

                    Your mobile phone will give an UDP message pulse when the alarm on your phone goes off. The time is only needed when you want to perform actions prior to the set alarm.

                    Can you please double check the "Clock_Person1" for the time of your upcoming alarm in seconds.
                    The time for 04/01/2021 6:00 should be 37897200 seconds.

                    Your remark about the "Widget Settings" is correct. I forgot to delete this option when I uploaded the new version of the app to the play store.
                    The idea behind it is that I want to have Widget buttons that will send UDP messages to the miniserver when pressed. This way you can add your favorite actions to the screen of your phone, without having to open the Loxone App. Should normally follow in one of the upcoming releases.

                    Kommentar


                    • J V
                      J V kommentierte
                      Kommentar bearbeiten
                      Thanks! I will check in Loxone Config (but not sure when I will have time to do so).
                      Interesting idea about the widgets. :-)
                      One small question: is there a way of switching off LoxClock e.g. for the next alarm?

                    • K.Clemens
                      K.Clemens kommentierte
                      Kommentar bearbeiten
                      To answer your question: LoxClock will send for every alarm a pulse to the Miniserver.
                      If you only want to use is for waking up, you need to set some rules in Loxone Config.

                      I want to keep the app as simple as possible, but are open for suggestions to improve.
                      What would be the reasoning for switching if off for the next Alarm?

                    • J V
                      J V kommentierte
                      Kommentar bearbeiten
                      Valid point about setting things in Loxone Config if you don't want to do anything with the UDP packet.

                      I know some people that set alarms as reminders (I know, there are true reminders in the phone - so that is rather their wrong use of apps), or that set an alarm if they take a nap in the afternoon... But other than that, I have to be honest that I don't know.
                      FWIW, I'm quite limited in what I could use it for as I have limited steering (just heating, lights and media). I was thinking for switching on heating (which normally switches on based on time, but if you have to get up earlier for whatever reason, this could be useful without having to program heating).
                  • Iksi
                    Lox Guru
                    • 27.08.2015
                    • 1111

                    #25
                    Is there any possibility to use different alarms from one cell Phone?
                    I use my android for waking up, but i use the alarm clock to even for other things. For example not to forget to do something on the evening, but I don't want that the lights go on then.
                    So is there a possibility to send the alarm text in the UDP message?
                    So I could define more than one UDP input for different actions....

                    Kommentar


                    • K.Clemens
                      K.Clemens kommentierte
                      Kommentar bearbeiten
                      Hi IIksi,

                      This is not possible at the moment and I think it will not be implemented anytime soon.
                      A work-around can be done in Loxone itself by using time/date block.
                  • Klartext
                    LoxBus Spammer
                    • 25.08.2015
                    • 426

                    #26
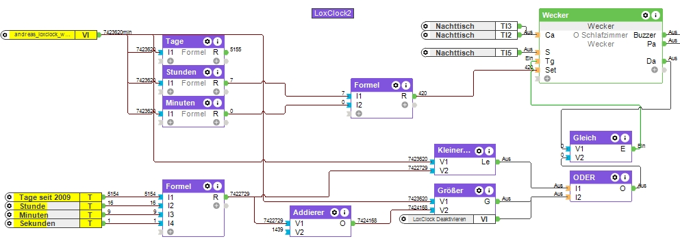
                    Hello, first of all thank you for the great app

                    I use it a little bit different, I use it to set the alarm clock of Loxone
                    attached my logic for this, formula is (I1-((I2+1)*86400-3600))/60

                    One question I still have, is there a way to detect if no alarm is set in Android, for me just the last value remains here

                    Klicke auf die Grafik für eine vergrößerte Ansicht

Name: image.png
Ansichten: 576
Größe: 54,6 KB
ID: 356133

                    Kommentar

                    • K.Clemens
                      Smart Home'r
                      • 28.08.2015
                      • 92

                      #27
                      The app does recognize when no alarm is set, but it does not send a specific message if this is the case.
                      In case your previous alarm is always in the past, you could use a comparison of the value with the current value.
                      Or maybe you could store the last value and see if the value has changed after the alarm went off?

                      Kommentar

                      • Klartext
                        LoxBus Spammer
                        • 25.08.2015
                        • 426

                        #28
                        Have it now rebuilt again, now works quite fine

                        The only thing that doesn't work is if I set the alarm clock tomorrow at 6:00, but then turn it off again, it stays active in Loxone (if no other alarm clock is set)
                        I think this problem should also exist in the original example

                        I think only the app could fix this, for example by sending a high value that is not relevant for the alarm time, or send a second input

                        Klicke auf die Grafik für eine vergrößerte Ansicht

Name: image.png
Ansichten: 569
Größe: 99,0 KB
ID: 356195

                        Kommentar

                        • K.Clemens
                          Smart Home'r
                          • 28.08.2015
                          • 92

                          #29
                          I understand the issue.
                          May I ask why you are not using the "loxclock pulse" for your alarm? This way if you remove the alarm on your mobile phone, also Loxone will not perform any action.
                          In case you want actions to be performed by Loxone prior your alarm then indeed there would be an issue I guess.

                          Kommentar


                          • Klartext
                            Klartext kommentierte
                            Kommentar bearbeiten
                            I drive the shading and dim the light and a few other gimmicks about 30 minutes before the alarm goes on
                        • Klartext
                          LoxBus Spammer
                          • 25.08.2015
                          • 426

                          #30
                          Hello,

                          here I have an alternative version with Tasker for everyone who is interested
                          Angehängte Dateien

                          Kommentar

                          Lädt...