Anbindung Rauchmelder an Miniserver

Einklappen
X
 
  • Zeit
  • Anzeigen
Alles löschen
neue Beiträge
  • pioneersteffen
    Smart Home'r
    • 10.12.2016
    • 57

    #1

    Anbindung Rauchmelder an Miniserver

    Hallo Zusammen,

    ich habe im Haus kabelvernetzte Rauchmelder, die soweit super funktionieren.

    Ich möchte diese als Alarmgeber für die Alarmanlage sowie den Brandmeldeimpuls im Loxberry einlesen. Der Rauchmelder sendet eine 5V Dauerspannung, wenn er auslöst.

    Somit habe ich das Kabel an den analogen Ausgang des Miniservers angeschlossen und wenn die Alarmanlage losgeht, werden 5V auf den Miniserver Ausgang gelegt, soweit so gut.

    Nun möchte ich aber auch über den Miniserver einlesen, wenn die Rauchmelder wegen eines Brandes auslösen.

    Somit meine Frage. Kann ich parallel zu den Miniserver Analogen Ausgang auch das Kabel an den Analogen Eingang des Miniservers anschließen oder gibt es da Probleme?

    Vielen Dank für die Hilfe.

    Viele Grüße
    Steffen
  • romildo
    Lebende Foren Legende
    • 25.08.2015
    • 5169

    #2
    Hallo
    Verstehe ich das richtig, Du gehst mit einem Ausgang vom Rauchmelder auf einen Ausgang von Loxone und das vermutlich noch mit unterschiedlichen Versorgungen?
    Den Mutigen gehört die Welt
    LG Romildo

    Kommentar

    • Labmaster
      Lox Guru
      • 20.01.2017
      • 2695

      #3
      Man müsste halt wissen wie der Meldeausgang/Eingang der Rauchmelder intern genau beschaltet ist.
      Wenn das wirklich offiziell ein Melde-AUS UND Melder-EINgang ist, dann kann das ja nur sowas wie Open Collector sein.
      Die Leitung wird hier z.B. von Pullups hochgezogen, jeder Teilnehmer überwacht die Leitung auf High/low, und jeder Teilnehmer darf die Leitung auf Aktiv Low (Masse) ziehen (jeodoch nie Aktiv High).

      Damit bräuchte man auch eine entsprechend spezielle Beschaltung beim Miniserver. EInfach so Ausgnag auf Ausgang schalten wäre dann nicht gut.
      Aber wie schon geschrieben man braucht hier viel mehr Infos um was genauers dazu schreiben zu können.

      Kommentar

      • Peter B
        MS Profi
        • 29.08.2015
        • 539

        #4
        Kannst Du das mal aufzeichnen und hochladen? Welche Rauchmelder sind das?

        reden wir jetzt vom Loxberry oder vom Miniserver oder gar beides?

        Wenn Ich das richtig verstehe, liefern die Brandmelder 5V wenn Sie auslösen?
        und wenn Du 5 Volt auf die Leitung legst gehen die akustischen Signalgeber an in den Brandmeldern?

        Wenn dem so ist dann gibt es drei Varianten:

        einmal Sparvariante mit Relais
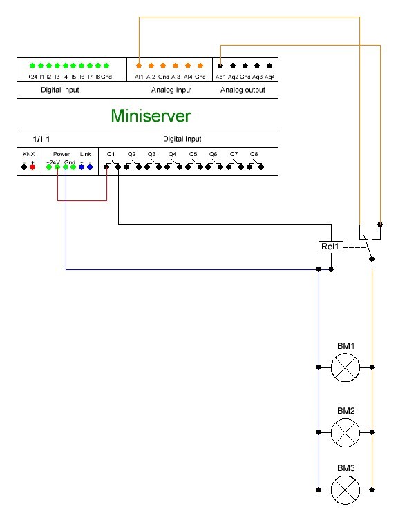
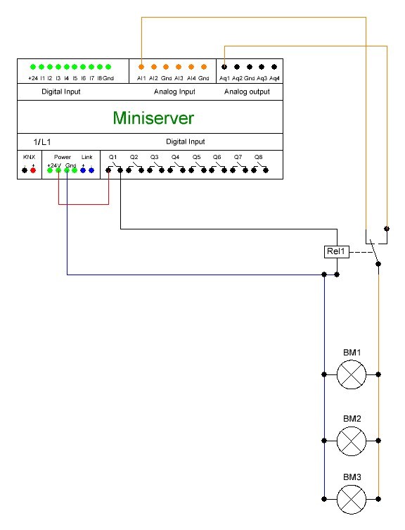
        Klicke auf die Grafik für eine vergrößerte Ansicht  Name: Lox BM1.JPG Ansichten: 2 Größe: 48,5 KB ID: 144649

        oder mit galvanischer Trennung

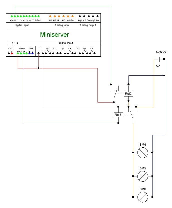
        Klicke auf die Grafik für eine vergrößerte Ansicht  Name: Lox BM2.JPG Ansichten: 2 Größe: 58,2 KB ID: 144651
        Sparvarieante mit Dioden (die D2 kannst eigentlich auch noch einsparen)
        Klicke auf die Grafik für eine vergrößerte Ansicht  Name: Lox BM3.JPG Ansichten: 2 Größe: 48,4 KB ID: 144657
        Angehängte Dateien
        Zuletzt geändert von Peter B; 21.02.2018, 17:00.

        Kommentar

        • pioneersteffen
          Smart Home'r
          • 10.12.2016
          • 57

          #5
          Hallo Zusammen,

          vielen Dank für eure schnelle Rückmeldung.

          Sorry, ich hatte euch zu wenig Informationen gegeben! Also es handelt sich um die EI-Electronics Ei650C und es soll "nur" an den Miniserver angeschlossen werden.

          Es ist genau wie Peter schreibt, wenn die Melder auslösen, legt der Melder der auslöst, 5V auf die Leitung. Es gibt kein externes Netzteil ohne ähnliches. Aktuell hängt die Melderleitung auf Aq1 und Gnd bei den Analog Outputs des Miniservers. Ziel ist diese Leitung nun auch an AI1 und Gnd bei Digital Inputs parallel anzuschließen, um im Miniserver zu detektieren, ob die Brandmelder wegen Rauch ausgelöst haben.

          Wenn ich es aber richtig verstehe, hat Peter dafür schon die Lösungen vorgeschlagen oder?

          Vielen Dank für eure Hilfe!!

          Viele Grüße
          Steffen
          Zuletzt geändert von pioneersteffen; 23.02.2018, 05:44.

          Kommentar


          • Peter B
            Peter B kommentierte
            Kommentar bearbeiten
            Ja, dann kannst eine der 3 Lösungen verwenden, bevorzugt die mit der galvanischen Trennung (wenn der Ausgang vom BM ein kleines Relais versorgen kann) ansonsten bleibt eh nur die mit der Diode über damit verhinderst Du das externe Spannung an den Ausgang kommt
        Lädt...