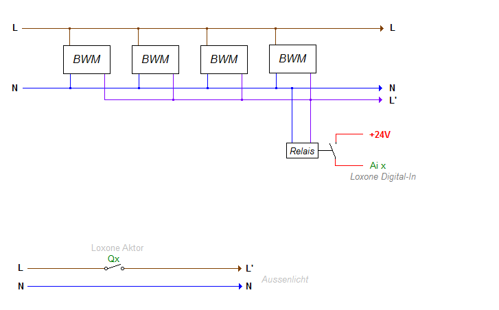
Wir haben an der Fassade sowie im Technikraum 230V Bewegungsmelder mit LED Strahler und LED Panals im Betrieb. Nun würde ich diese gerne Zeitsteuern da unsere Katze Nachts immer die ganze Nachbarschaft anstrahlen lässt wenn Sie über unser Grundstück spaziert.
Aktuell habe ich im Loxone Verteiler Schrank noch
1x Loxone Relay Extionen
1x Loxone Extension
an diesen beiden Komponenten ist noch nichts angeschlossen, da würde ich gerne z.B. die Bewegungsmelder mit schalten können. Im Internet steht aber meistens das man ein Koppelrelay benötigt ist das korrekt?
Liebe Grüße
Wünsche euch allen ein schönen und erholsamen Sonntag Nachmittag.
Kommentar