Philips Hue Wandschalter Modul + Gira Doppelwechseltaster

Einklappen
X
 
  • Zeit
  • Anzeigen
Alles löschen
neue Beiträge
  • Gast

    #1

    Philips Hue Wandschalter Modul + Gira Doppelwechseltaster

    Ich stelle mich ein wenig dämlich an und bekomme meinen Schalter einfach nicht angeschlossen. Ich hoffe, wenn einer von den Profis mal einen Blick auf die Diagramme wirft, kann meiner Verzweiflung Abhilfe geschaffen werden.

    Der Stromkreis zur Lampe (Ensis) ist schon ewig geschlossen und ich habe die Lampe bisher über Handy und Smartspeaker bedient. Nun habe ich mir für eine leere Unterputzdose den Gira 015500 und das Philips Wandschaltermodul geholt, dass mal ja total easy mit einen Schalter/Doppelschalter verbinden kann.

    Nun habe ich gefühlt schon 'zig Konfigurationen durchprobiert, da die Beispiele in der Anleitung wahrscheinlich nicht 1:1 auf den Schalter übertragbar sind.

    Nach jedem Versuch habe ich einen Reset am Philpis Modul durchgeführt, um auf Nummer sicher zu gehen, dass die Verbindung klappt. Das Modul ist jedenfalls nicht defekt (Ich bekomme eine Verbindung zur App, wenn ich die Kabel miteinander "kurzschließe").

    Philips Referenzmaterial:

    - Anleitung (PDF)
    - Anwendungshinweise (PDF)

    Anbei noch Diagramme und Bilder von Schalter und dem Philips Modul:


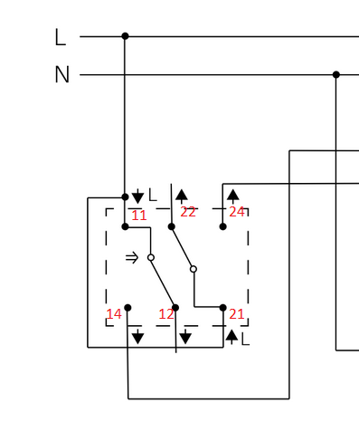
    Gira 0155500 Doppel Wechseltaster Diagramm:

    Klicke auf die Grafik für eine vergrößerte Ansicht

Name: QaHQa5h.png
Ansichten: 8183
Größe: 58,7 KB
ID: 329899 Rückseite:
    Klicke auf die Grafik für eine vergrößerte Ansicht

Name: tsiSjAL.png
Ansichten: 5803
Größe: 1,29 MB
ID: 329900
    Anderer Winkel, um die Löcher bei den roten Klemmen zu zeigen… das Ding hat ja insgesamt 10 Eingänge:
    Klicke auf die Grafik für eine vergrößerte Ansicht

Name: lJ4ZAwE.jpg
Ansichten: 5595
Größe: 218,8 KB
ID: 329901

    Philips Anleitung für Doppeltaster (hier halt die Schalter-Variante… zu Taster wird sonst nichts gesagt).
    Klicke auf die Grafik für eine vergrößerte Ansicht

Name: pyNL7Jx.png
Ansichten: 8383
Größe: 214,5 KB
ID: 329902
    Philips Wandschalter Diagramm
    Klicke auf die Grafik für eine vergrößerte Ansicht

Name: 2VG3waq.png
Ansichten: 6209
Größe: 138,0 KB
ID: 329903
    Angehängte Dateien
  • Loxtom577
    MS Profi
    • 19.08.2018
    • 533

    #2
    * weiß1 auf Klemme 11 am Schalter (roter Hebel)
    * orange1 auf Klemme 14 am Schalter
    * weiß2 auf Klemme 21 am Schalter (roter Hebel)
    * orange2 auf Klemme 24 am Schalter

    So sollte es funktionieren.

    Kommentar


    • Gast
      Gast kommentierte
      Kommentar bearbeiten
      Das ist es. Wahnsinn, ich bin begeistert und dir ziemlich dankbar.

      Wenn das Baby im Haus es zulässt schaue ich mir auch noch einmal den Schaltplan an und lese ein wenig, um das Nachzuvollziehen.
  • Loxtom577
    MS Profi
    • 19.08.2018
    • 533

    #3
    Hab mal die Klemmennummern in die Skizze eingetragen.

    Klicke auf die Grafik für eine vergrößerte Ansicht

Name: switch.png
Ansichten: 5862
Größe: 20,5 KB
ID: 329937

    Kommentar

    Lädt...