Anschluss Sauna Verdampfer/Wassermangel

Einklappen
X
 
  • Zeit
  • Anzeigen
Alles löschen
neue Beiträge
  • Gast

    #1

    Anschluss Sauna Verdampfer/Wassermangel

    Hallo,
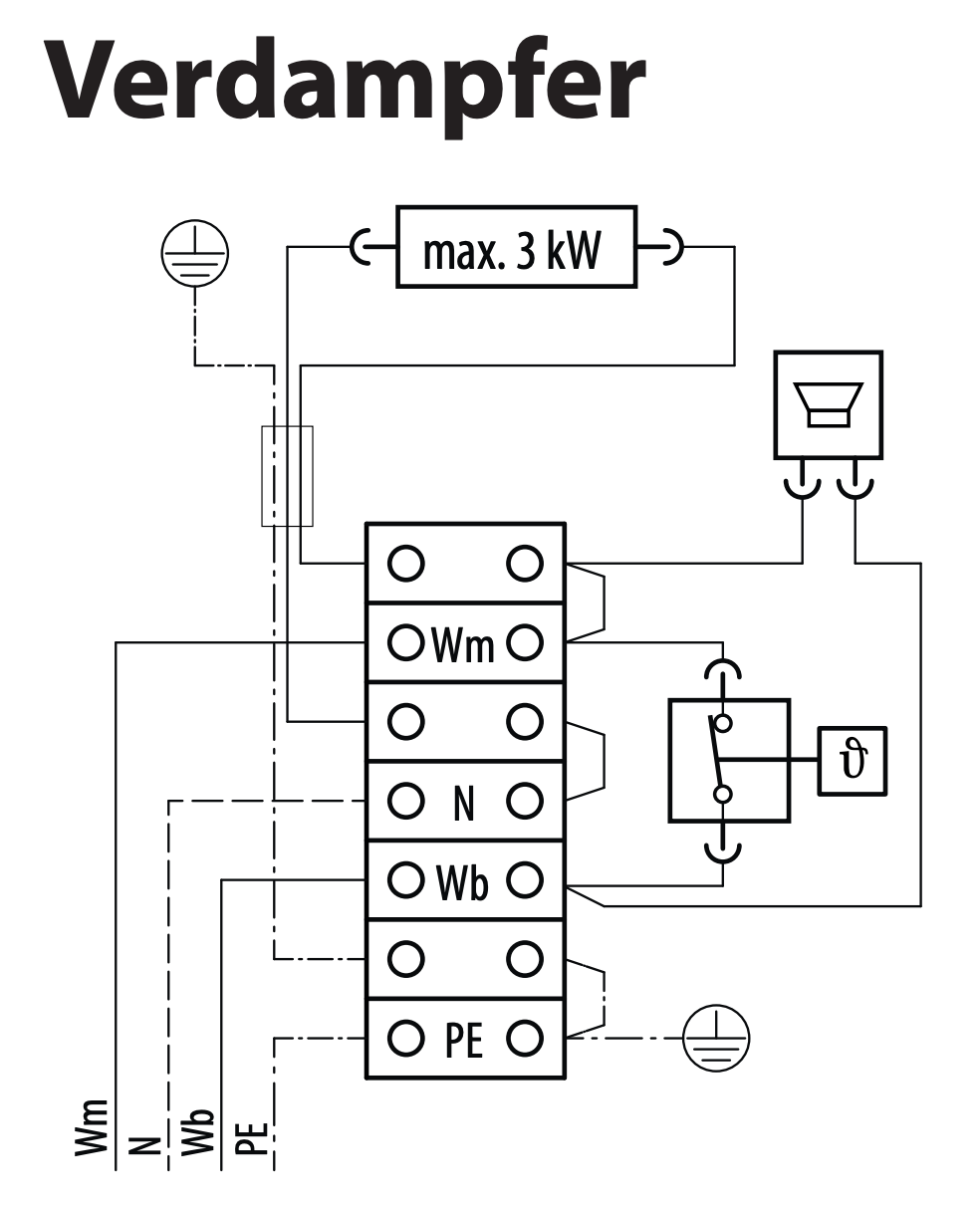
    ich bin gerade dabei eine EOS Bio Cubo anzuschließen. Beim Verdampfer bin ich mir etwas unsicher wie das angeschlossen gehört. Nach meinem Verständnis sollte eine Phase den Verdampfer selber schalten, die andere Leitung ist dann eine Rückleitung zur Wasserstandsanzeige welche ich via Koppel-Relais mit dem Miniserver verbinde. Bin mir aber nicht 100% sicher. Außerdem verstehe ich nicht ganz wie das funktionieren soll. Muss der Verdampfer eingeschalten werden das die Wassermangelanzeige funktioniert?

    lg Harald
    Angehängte Dateien
  • Thomas M.
    Lebende Foren Legende
    • 25.08.2015
    • 3316

    #2
    Gibts mehr Infos?

    "Wm"=Wassermangel?
    Was ist dann Wb? Ich blicke nicht durch, was da was ist ...
    Zuletzt geändert von Thomas M.; 21.12.2021, 20:18.

    Kommentar


    • Loxtom577
      Loxtom577 kommentierte
      Kommentar bearbeiten
      Wb = Spannungsversorgung Verdampferheizung
      Wm = Wassermangel
  • Gast

    #3
    Hallo,

    danke für die Erklärung der Abkürzung (im Handbuch war da nichts genauer beschrieben).
    D.h. ich schalte Wb via Relais/Schütz zum Einschalten vom Verdampfer. Solange Wasser vorhanden ist bekomme ich 230V auf Wm oder?!
    D.h. aber auch das ich den Verdampfer einschalten muss damit Wassermangel dedektiert werden kann?!

    Kommentar

    • Christian Fenzl
      Lebende Foren Legende
      • 31.08.2015
      • 11250

      #4
      Klicke auf die Grafik für eine vergrößerte Ansicht

Name: Foto.JPG
Ansichten: 1915
Größe: 520,7 KB
ID: 329972

      Das Schaltbild meines Ofens ist bisschen übersichtlicher, aber elektrisch das gleiche.

      Ich bin mir nach vielen Jahren aber selbst nicht mehr sicher, wie es angeschlossen ist, ich glaube nämlich zwischen Wm und Wb. Alles andere macht keinen Sinn.

      Definitiv ist, dass Wm nur bei eingeschaltetem Verdampfer rückmeldet, deswegen gibt es seit meinem "Einspruch" bei Loxone die 10-Minuten-Pause im Verdampfer-Baustein.
      ​​​​​​
      Hilfe für die Menschen der Ukraine: https://www.loxforum.com/forum/proje...Cr-die-ukraine

      Kommentar

      • Gast

        #5
        Hi,
        aber wie hast du die Logik realisiert? Wenn ich den Wassermangel via Koppelrelais auf digitalen Eingang lege und in der Steuerung auf LW hänge kann ich den Verdampfer ja nie einschalten weil er ja ohne Strom Wm nicht rückmeldet. Oder hab ich da einen Denkfehler?

        Kommentar

        • Christian Fenzl
          Lebende Foren Legende
          • 31.08.2015
          • 11250

          #6
          Du schaltest den Verdampfer ein, Heizstab heizt, überschreitet die Thermostat-Temperatur = Wassermangel, das Rückrelais gibt Impuls auf den LW-Eingang, Baustein schaltet Qv für 10 Minuten ab.

          Nach 10 Minuten geht das Spiel wieder los, außer du hast den Wassermangel behoben.
          Hilfe für die Menschen der Ukraine: https://www.loxforum.com/forum/proje...Cr-die-ukraine

          Kommentar

          • Michael Sommer
            Lox Guru
            • 25.08.2015
            • 2004

            #7
            Gast
            Das ist vielleicht eine "blöde“ interne Verdrahtung. Alles nach der Devise: Hauptsache billig. Aber egal, es erfüllt die Abschaltung und Meldung.

            So wie ich die Schaltung interpretiere, wird beim Einschalten von „WB“ über den Temperaturwächter (Wassermangel) die Klemme „Wm“ mit Spannung versorgt und damit der Heizeinsatz unter Spannung gesetzt. Die interne akustische Signalisierung erhält dann an beiden Anschlüssen die gleiche Spannung. Bei identischer Spannung erfolgt aber korrekterweise keine Akustische Meldung.

            Erst wenn der Temperaturwächter (Wassermangelsicherung) anspricht und den Kontakt öffnet, schaltet das Heizelement aus und die Signalisierung wird aktiviert (L über „Wb“, „N“ über den Leiter des Heizeinsatzes). Wenn die Klemme „Wb“ abgeschaltet ist gibt es somit auch keine Störsignalisierung mehr.

            Um eine externe Störmeldung abgreifen zu können, wird parallel zur akustischen Signalisierung, ein 230V-Relais angeschlossen. Die Spule an die Drähte von „Wb“ und „Wm“ anschließen. Ob im Verteiler oder direkt an der Verdampfer-Klemmleiste ist egal. Der potentialfreie Kontakt wird als Schließer (1=Wassermangel) an Loxone (+24VDC) angebunden.
            Somit ist sichergestellt, dass bei fehlender Loxone-Freigabe an „Wb“ auch im abgeschalteten Zustand das Relais nicht aktiv ist und eine Störmeldung „fabriziert“.

            In Loxone braucht es eigentlich keine Verriegelung über das Alarm-Relais. Wenn Du eine "echte Betriebsrückmelung haben willst, dann kann man mit einem weiteren 230V-Relais (Spule an "N" und an "Wm") Einfacher und ohne Zusatzrelais wäre es vielleicht, wenn man mittels Config-Verknüpfung, "Freigabe Ein" und "Nicht Alarmrelais betätigt, zur Betriebsmeldung" verwendt.

            Gruß Michael
            Zuletzt geändert von Michael Sommer; 22.12.2021, 10:09.
            Haustechnik UG: MS2, 7 Extensionen, WAGO 750er I/O-Module, 19"-Notbedienebene, EMA-Anlage
            ELT-UG: MS1, 5 Extensionen, Notbedienebene, RM+WM-Anlage, Mehrere Shellys,
            OG: MS1, 8 Extensionen, Notbedienebene, Mehrere Shellys
            EG: konvent. E-Installation, Autarke EZR-Regelkreise (0-10V) für Stat.-HZG mit Aufschaltung (Schwellwert) des Heizkreises auf den Miniserver UG, Zeitsteuerung EG-Wohnung aus Miniserver UG). Mehrere Shellys
            LoxBerry-Nutzer: Stats4Lox,
            Testserver: 2xMS-GEN1

            Kommentar

            • Christian Fenzl
              Lebende Foren Legende
              • 31.08.2015
              • 11250

              #8
              Jetzt mit Michaels Kommentar fällt es mir wieder ein.

              Wm zu N über ein Koppelrelais funktioniert nicht, weil das Koppelrelais nicht abfällt trotz aktivem Summer.

              Deswegen ist Koppelrelais zwischen Wm und Wb die einzige Möglichkeit, die funktioniert.

              Die Verriegelung des Verdampfers macht der Baustein mit LW. Diese Verriegelung per LW brauchst du auf jeden Fall, weil du sonst nackt in der Sauna sitzt, kein Wasser „eingesteckt“ hast, und der Summer ginge nicht mehr aus. Eine Verdampfersteuerung mit Wassermangel-Eingang macht das genauso, den Verdampfer abzuschalten.
              Zuletzt geändert von Christian Fenzl; 22.12.2021, 10:59.
              Hilfe für die Menschen der Ukraine: https://www.loxforum.com/forum/proje...Cr-die-ukraine

              Kommentar

              • @Markus
                Azubi
                • 21.01.2025
                • 5

                #9
                Hallo zusammen,

                Ich möchte diesen etwas älteren Thread noch einmal zu meinem Verständnis hochholen. Ich habe für mein Saunaprojekt zwar schon vor längerer Zeit einen Ofen ohne Verdampfer gekauft (Harvia Virta HL90), ich möchte die Verdrahtung aber so vorbereiten, dass ich später auf einen Ofen mit Verdampfer umrüsten kann. Ich bin selber kein Elektriker, möchte meinem Elektriker aber erklären können, wie die Wassermangelsignalisierung funktioniert. Hierzu habe ich das Anschlussschema von einem Harvia Virta Combi HL90S genommen und da ein bisschen drin rumgemalt, um die ausführliche Beschreibung von Michael zu begreifen. Vielleicht hilft das ja auch noch jemand anderem.

                Das Koppelrelais, welches Wassermangel an Loxone melden soll, würde mit A1 an W1 und A2 an P parallel geschaltet.

                Ist das so richtig?

                Klicke auf die Grafik für eine vergrößerte Ansicht  Name: Betriebszustände Verdampfer.jpg Ansichten: 0 Größe: 130,5 KB ID: 455003
                Angehängte Dateien
                Zuletzt geändert von @Markus; 11.02.2025, 12:25.

                Kommentar

                • Christian Fenzl
                  Lebende Foren Legende
                  • 31.08.2015
                  • 11250

                  #10
                  Ganz genau.
                  Du legst einfach ein 7x2,5mm2 statt des 5x2,5mm2 zum Saunaofen. Das (Rück)Koppelrelais kannst du dann mit den anderen Relais im Schrank verbauen.
                  LG Christian
                  Hilfe für die Menschen der Ukraine: https://www.loxforum.com/forum/proje...Cr-die-ukraine

                  Kommentar

                  • digital
                    Azubi
                    • 17.09.2025
                    • 3

                    #11
                    Hallo zusammen,

                    ich habe mich an diesem Thread hier orientiert und darauf einen Schaltplan entworfen. Ich würde mich freuen, wenn jemand drüber schauen könnte, ob das so klappt:
                    https://www.loxforum.com/forum/mein-...tplan-sensoren

                    Danke und viele Grüße!

                    Kommentar

                    Lädt...