Fronius Symo Gen24 manuell Notstrom-Umschaltung

Einklappen
X
 
  • Zeit
  • Anzeigen
Alles löschen
neue Beiträge
  • Haidy
    LoxBus Spammer
    • 01.06.2016
    • 454

    #1

    Fronius Symo Gen24 manuell Notstrom-Umschaltung

    Hallo liebe Community!

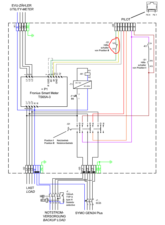
    Ich bin gerade dabei die manuelle Notstrom-Umschaltung lt. der Stromlaufpläne von Enwitec in meinem Hauptverteiler einzubauen.
    Im Vergleich mit den Infos von Fronius verstehe ich aber nicht, warum im Notstrombetrieb die Bus-Verbindung zum SmartMeter unterbrochen werden muss.
    (s. Bilder unten)
    Klicke auf die Grafik für eine vergrößerte Ansicht

Name: Enwitec.png
Ansichten: 8428
Größe: 77,4 KB
ID: 439387 Klicke auf die Grafik für eine vergrößerte Ansicht

Name: Fronius.png
Ansichten: 4151
Größe: 90,6 KB
ID: 439386

    Umschaltung Netzbetrieb in den Notstrombetrieb
    - ...
    - Der NC-Kontakt vom S1-Hilfskontakt der Position „II“ öffnet zusätzlich die „M+“ BUS-Kommunikationsverbindung des Smart Meters zum PILOT Anschluss.
    - ...

    Irgendwie sieht das für mich unsauber aus, dass ich so einen Busteilnehmer rausschmeisse und der WR vermutlich meldet, dass der SmartMeter nicht mehr erreicht werden kann.

    Vielleicht kennt jemand den Grund dafür, mich würde es einfach interessieren....
    Danke und SG
    Loxone: Miniserver Gen.1, 1-Wire Extension, Air Base Extension, Dali-Extension, KNX (MDT GT2S, BWM, Taster, ...)
    Technik: PV 11,7kWp, Fronius Symo GEN24, 2x BYD HVS 10,24kWh, LoxBerry, QNAP TS-464-8G, Unifi, Shelly
  • Philipp!
    Extension Master
    • 05.06.2021
    • 105

    #2
    Servus,
    das ist so weil bei der manuellen Umschaltung nur die automatische nachgestellt wird. Solange der Smart Meter ein Netz misst schalet der Wechselrichter nicht in den Notstrombetrieb (Nur bei Full-Backup, beim PV-Point ist das anders). Bei Netzausfall ist der Smart Meter auch stromlos.

    Kommentar

    • Haidy
      LoxBus Spammer
      • 01.06.2016
      • 454

      #3
      Danke!
      mein Fronius-Insider hat mir zwischenzeitlich auch schon geantwortet:

      Wir detektieren den Wegfall vom Smartmeter als Teil der Notstromerkennung. Bei der manuellen Umschaltung könntest du den SmartMeter am Bus lassen aber du kannst dann nur in den Notstrom wechseln wenn der Strom weg ist und wenn der Strom wieder da ist (also SmartMeter wieder da), wird der Wechselrichter den Notstrom beenden egal wie dein Schalter steht.
      Loxone: Miniserver Gen.1, 1-Wire Extension, Air Base Extension, Dali-Extension, KNX (MDT GT2S, BWM, Taster, ...)
      Technik: PV 11,7kWp, Fronius Symo GEN24, 2x BYD HVS 10,24kWh, LoxBerry, QNAP TS-464-8G, Unifi, Shelly

      Kommentar

      Lädt...