Flurtasterschaltung Bestand mit Miniserver ersetzen

Einklappen
X
 
  • Zeit
  • Anzeigen
Alles löschen
neue Beiträge
  • tomjons
    Extension Master
    • 27.10.2016
    • 123

    #1

    Flurtasterschaltung Bestand mit Miniserver ersetzen

    Hallo,

    wir haben im Flur eine Tasterschaltung über Eltako S12-100 Relais.
    Kann ich dazu einen Digitalen Ausgang am MS parallel zum Taster hängen.

    Somit könnten wir wie bisher mit den Taster als auch mit der App schalten.

    Q1 Eingang - L-Phase vom LS (selbes Potential wie Taster)
    Q2 Ausgang - A1 vom Relais (entsprechend dem "Tasterdraht")
  • romildo
    Lebende Foren Legende
    • 25.08.2015
    • 5178

    #2
    Ich denke Du hast es richtig gemeint aber nicht richtig geschrieben. Q1 ist Relais 1, Q2 ist Relais 2
    und so sollte es sein:
    Tasteranschluss 1 an Q1:Anschluss 1
    Tasteranschluss 2 an Q1:Anschluss 2

    Und nicht vergessen nur Impulse zu schicken.
    LG Romildo

    Kommentar

    • tomjons
      Extension Master
      • 27.10.2016
      • 123

      #3
      danke. mit tasteranschluss 1 und 2 meinst du +A1 bzw. -A2

      Kommentar

      • romildo
        Lebende Foren Legende
        • 25.08.2015
        • 5178

        #4
        Nein.
        Mit Taster meine ich den Taster im Flur.

        Dieser wird ja vermutlich einseitig an Phase liegen und die andere Seite wird auf das Relais vermutlich A1 gehen.
        Je nachdem wie das jetzt halt verdrahtet ist. Ich kenne Deine Verdrahtung nicht.
        Und daran denken, dass Arbeiten an Netzspannung vom Fachmann auszuführen sind. Lebensgefahr.

        Hier ein Bild:
        Klicke auf die Grafik für eine vergrößerte Ansicht

Name: Tastschalter.png
Ansichten: 8545
Größe: 184,1 KB
ID: 64833
        LG Romildo

        Kommentar

        • tomjons
          Extension Master
          • 27.10.2016
          • 123

          #5
          Also bei meinem Relais liegt an:
          +A1 der geschaltene Tasterdraht
          -A2 geht direkt nur Nullleiterschiene

          Kommentar

          • romildo
            Lebende Foren Legende
            • 25.08.2015
            • 5178

            #6
            Bis jetzt also genauso wie im Bild.
            Und wohin geht die andere Seite des Tasters? Auf eine Phase?
            LG Romildo

            Kommentar

            • tomjons
              Extension Master
              • 27.10.2016
              • 123

              #7
              Soweit ich sehen kann am Relais auf 1 (von dort zum LS.

              Kommentar

              • romildo
                Lebende Foren Legende
                • 25.08.2015
                • 5178

                #8
                Der Ausgang vom Loxonerelais muss parallel zum Taster angeschlossen werden.

                Wenn also eine Kontaktseite vom Taster auf 1 vom Relais geht, muss von da eine Leitung an Loxone Q1 Anschluss 1.
                Wenn die andere Kontaktseite vom Taster auf A1 vom Relais geht, muss von da eine Leitung an Loxone Q1 Anschluss 2.
                Somit hängt dann der Ausgang von Loxone parallel zum Taster.
                LG Romildo

                Kommentar

                • tomjons
                  Extension Master
                  • 27.10.2016
                  • 123

                  #9
                  Super ging einwandfrei. Bis der LS viel. Relais defekt.

                  Konnte über die Taster sowie App Taster schalten.

                  Bis ich zum letzten Mal den Taster im Flur drückte.... Peng Sicherung

                  Kommentar


                  • romildo
                    romildo kommentierte
                    Kommentar bearbeiten
                    Welches Relais ist defekt, das Eltako?
                    Würde mal sagen, dass Du da irgendwo einen Kurzschluss eingebaut hast.

                    Wenn Du den Relaiskontakt von Loxone parallel zu den Kontakten der Taster schaltest kann es da keinen Kurzschluss geben.
                    Wie schon in #4 erwähnt, lass dies den Fachmann machen.
                • tomjons
                  Extension Master
                  • 27.10.2016
                  • 123

                  #10
                  Nein. Das vom Miniserver

                  Kommentar


                  • romildo
                    romildo kommentierte
                    Kommentar bearbeiten
                    Wie hast Du das denn jetzt verdrahtet?
                    Hast Du kein Schema?
                • tomjons
                  Extension Master
                  • 27.10.2016
                  • 123

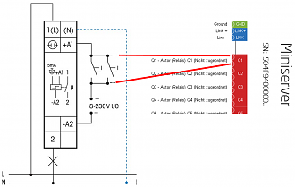
                  #11

                  Kommentar


                  • romildo
                    romildo kommentierte
                    Kommentar bearbeiten
                    Sofern bis auf das Loxonerelais alles schon so war, kann dies nicht die Ursache für ein defektes Relais sein.
                    Wenn der Relaiskontakt oder der Taster geschlossen sind, hängen beide Q1 Anschlüsse am selben potential.

                    Irgend etwas zwischen der Skizze und dem Tatsächlichen muss anders sein!
                    Du bist sicher, dass da an Loxone Q1 nicht auch noch was anderes angeschlossen ist?

                    Die Lampe hängt am anderen Ende noch an N, hat aber damit nichts zu tun.
                    Dies hast Du vermutlich nur nicht eingezeichnet.
                Lädt...