leidiges Thema Automatikbeschattung bei Rollläden
Einklappen
X
-
Habe ich Lektion 2 so richtig umgesetzt (die Eingänge AS und AR beim Automatikjalousie-Baustein waren so vom Loxone Partner gesetzt)?
Kommentar
-
Hast du es denn ausprobiert?
Zusätzlich kannst du es auch in der Simulation testen.
Liveview Während das Programm Ihres Miniservers aktiv ist, können Sie die Funktion Liveview aktivieren. Liveview hilft Ihnen die Werteänderungen innerhalb des Programmes nachvollziehen zu können. Manuelle Werteänderung Mit der Option „Manuelle Wertänderung“ lassen sich während aktiver Liveview Eingänge und Ausgänge an Miniserver und Geräten direkt über Loxone Config schalten. Bei Anwendung dieser Funktion ist Vorsicht […]
-
-
Hier mal eine andere Variante von mir.
So kann ich noch eine Nachlaufzeit einstellen, wenn die Rolladen x Minuten nach Sonnenuntergang runtergehen sollen (Im Winter gehen sie mir sonst zu früh runter)
Ebenfalls mit integrierten Schaltuhren und einen "Automatikstopper" für die Visu, falls man mal im Garten bis abends arbeiten muss.
Auch war mir eine Unterscheidung Woche und Wochenende wichtig.
Anstatt zu Prüfen, ob Tageslicht da ist, habe ich den Impuls "Sonnenuntergang" verwendet.
Beides hat Vor- und Nachteile
1 BildKommentar
-
Auch interessanter Ansatz. Woher kommt der Eingangsbefehl "Änderbare Nachlauf VI"? Ein virtueller Eingang als Schiebeschalter mittels dessen dann die Minuten in der Visu geändert werden können?
Was ist der Vorteil an 2 Schaltuhren (Mo-Do und Fr-So); die unterschiedlichen Tage kann man doch in einer Schaltuhr einstellen, oder? -
Ein virtueller Eingang als Schiebeschalter mittels dessen dann die Minuten in der Visu geändert werden können? - Korrekt
Wollte in der Konfig eine klare Trennung zwischen Woche und Wochenende. Wenn man mal auf der Fehlersuche ist, geht's schneller ;-). Geht sicherlich auch mit einer, nur die änderbare Nachlaufzeit wollte ich auch fürs WE und Woche getrennt haben. Daher getrennt.
-
-
Ich bin jetzt zum Testen gekommen und nachdem ich das Programm gerade hochgeladen habe, ist der Rolladen dann auch gleich hochgegangen (00:45) - was nicht sein sollte
Liegt das an
"dass bei "Wegfall" der Bedingungen am Eingang AS (Eingang AS geht auf AUS) die Rolladen NICHT wieder automatisch hochfahren. Niemand versteht das bzw. es verstehen nur die beiden Geschäftsführer von Loxone. Es ist also aktuell so, dass wenn eine der Beschattungsbedingungen wegfällt, also z. B. die Sonne nicht mehr scheint, der Rolladen trotzdem unten bleibt. Das wollen wir nicht. Also implementieren wir noch einen Impuls auf den Eingang Cu der Automatikjalousie, wenn unsere Beschattungsbedingungen nicht mehr erfüllt sind"?
Aber wie kann man das umgehen, dass es zwar tagsüber automatisch wieder hochgeht, aber nicht eben Nachts, wenn die Rollläden nach dem Schalter "Beschattung Zentral" eigentlich unten sein / bleiben sollten?Kommentar
-
Hallo Björn,
das verstehe ich jetzt nicht; ich habe es so gemacht (hoffe ich), wie von Prof.Mobilux dargestellt.
Habe jetzt nur noch einen Schalter nach der Schaltuhr gesetzt um das zeitgesteuerte Hoch- und Runterfahren dekativieren zu können (falls man mal länger schlafen will).
Oder meinst du einen weiteren Schaltuhr Baustein verknüpft mit einem "Und-Baustein" und dem bestehenden Monoflop? Müsste die Schlatuhr dann sie selben Zeiten haben wie die Schaltuhr ganz links ("auf nicht vor x Uhr - "zu nicht vor y Uhr"?
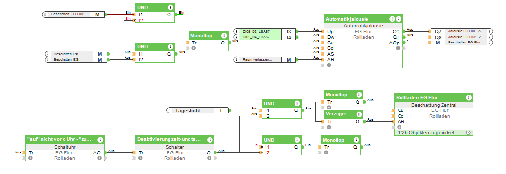
Da ich die Bausteine Automatikjalousie und Beschattung Zentral noch nicht ganz verstanden habe:
Automatikjalousie ist für die sonnen-/temperaturabhängige automatische Beschattung gedacht und
"Beschattung Zentral" für das zeitgesteurte Herunterfahren?
Oder wäre es besser, alles, was an Cu, Cd, AR von "Beschattung Zentral" hängt statt dessen an Cu, Cd, AR von "Automatikjalouse" zu hängen?
Sorry, noch eine Frage: Warum nimmt man nicht den Baustein "Automatikjalousie integriert", bei dem eine sonnenstandsabhängige Beschattung integriert ist"?
Zuletzt geändert von LoxMunich; 29.11.2018, 23:30.Kommentar
-
Hi,
der Monoflop vor dem CU Eingang der Automatikjalousie lässt doch den Rollo hochfahren, wenn die Bedingungen der Beschattungsmerker nicht alle an sind. Also, wenn einer wegfällt. Der Automatikjalousiebaustein kriegt von der Logik vor dem Zentralbaustein ja nichts mit. Deshalb musst du hinter dessen Monoflop meines Erachtens nochmal eine Schaltuhr einsetzen um das nächtliche Hochfahren beim Wegfall einer Bedingung zu blockieren. Deren Zeiten sind dann so, wie du das für richtig hältst.
Der Zentralbaustein steuert alle untergeordneten Rollos.
Der Automatikjalousiebaustein steuert in hier den einzelnen Rollo.
Beides wirkt unabhängig vom anderen.
Gruss BjörnKommentar
-
Weil es offensichtlich nicht wie erwartet funktioniert?Sorry, noch eine Frage: Warum nimmt man nicht den Baustein "Automatikjalousie integriert", bei dem eine sonnenstandsabhängige Beschattung integriert ist"?
https://www.loxone.com/dede/kb/autom...ie-integriert/Kommentar
-
In dem Zusammenhang beschäftigt mich jetzt auch noch eine Frage: Bei einem Doppelklick mit T5 - Raum Verlassen - wird der Automatikmodus ja ebenfalls aktiviert. Wie behandelt ihr das im Zusammenhang mit der "definierten" Automatikbeschattung? über Mehrfachklick? Oder darf das dann halt so sein?
LG BjörnKommentar
-
Meine Umsetzung würde ich auch gerne noch zeigen. Vor allem, weil ich hoffe (oder auch nicht
) dass jemand vielleicht noch einen Fehler findet. Leider konnte ich das in der Simulation nicht richtig testen, weil ich die Absolutstrahung und Aussentemperatur icht setzen konnte... ?
Es ist auch nicht meine Anlage und bevor ich das aufspiele, hätte ich gerne etwas mehr Sicherheit.
Edit: es sind Roma Senkrechtmarkisen verbaut. Im Prinzip wie Rolladen, aber ohne den Schlitz-Zustand, da die Markisen eine Art Netz sind und man eigentlich immer raus sieht. Desshalb die Parametereinstellung. Vielleicht ist da noch ein Hund begraben?
Vielen Dank
Björn5 BilderZuletzt geändert von bezel; 01.12.2018, 10:08.Kommentar
-
Hi,
mag mir vielleicht jemand ein Feedback geben?
Eine Frage dazu hätte ich auch noch. Der Ausgang Qs vom IRR. In der Beschreibung steht, dass er nur aktiviert wird, wenn die Einstellung "Sonnenschein verwenden" aktiviert ist. Trifft das so zu? Man liest ja hier auch, dass die Sonnenschein-Systemvariable so eine Sache ist, weil Sie auch mal nicht kommt. Sollte man den Raumtemperatureinfluss dann anderst lösen? Bzw. macht ja die ganze Logik vor dem Rollo Baustein im Prinzip eine Sonnenscheinauswertung...
Und würde es ggf Sinn machen, die Raumtemperatur statt mit einem "Und" mit einem "Oder" mit der Beschattungsanforderung zu verbinden?
Gruss und Dank
BjörnKommentar
-
Ist Sonneinschein am IRR aktiviert muss Sonnenschein auf 1 und es zu heiß im Raum sein damit beschattet wird am QS
Aus meiner Sicht ist das so OK wenn die Automatikjalousie das per Qs so mitgeteilt bekommt. Was die "Automatikjalousie" damit macht ist eine andere Geschichte!
Sonnenschein mit der eigenen Wetterstation ja aber mit dem Onlineservice naja ....
Die Automatikjalousie macht keine Strahlungsauswertung sondern weiß nur wo die Sonne steht aber nicht ob eine Wolke oder sonst was davorsteht.Zuletzt geändert von AlexAn; 11.12.2018, 14:50.Grüße AlexKommentar
-
Hallo AlexAn , vielen Dank für den Input.
Für den Sonnenschein habe ich in der Systemvariable schon die Quelle "eigene Wetterstation angegeben".
Bei der Strahlung müsste ich dann irgendwie die Systemvariable durch eine Logik definieren, der die Helligkeit (Lx) aufdem Dach auswertet. Mal im Forum schauen, wo ich da was finde. irgendwer hat, glaube ich, sowas schon gemacht.
Gruss BjörnKommentar
-

Kommentar