Lichtsteuerung & Bewegunsmelder - Nach Uhrzeiten

Einklappen
X
 
  • Zeit
  • Anzeigen
Alles löschen
neue Beiträge
  • Gast

    #1

    Lichtsteuerung & Bewegunsmelder - Nach Uhrzeiten

    Liebes Forum!

    Ich glaube meine Frage ist trivial, aber ich komme leider nicht weiter. Es geht um:

    Ich habe am Gang 2 Lichtquellen (Deckenlampe und Led Streifen) und einen Bewegungsmelder. Nun sollte es so klappen:
    Die Deckenlampe ist von "es wird dunkel" bis 21:00 Uhr bei Bewegung ein, von 21:00 bis 6:30 geht der LED Streifen mit Szene1 (bei Bewegung) an und von 6:30 bis "es hell wird" wieder die Lampe (bei Bewegung)

    Habe versucht es mit der Schaltuhr zu lösen, aber da schaffe ich es nicht, dass das Licht wieder ausgeht (ein klappt, aber kein Ausbefehl). Also eine Schaltuhr für die Lampe und eine für die Led. Für das "dunkel/hell" verwende ich die Funktion "Tageslicht 30 Minuten".

    Wie sollte ich das am besten Lösen? Mit einem Lichtbaustein oder mit 2 getrennten? Bzw. wie schaffe ich die Zeiten zu definieren?

    Vielen Dank Noizede

  • darkrain
    MS Profi
    • 25.08.2015
    • 564

    #2
    Für die einzelnen Abhänigkeiten untereinander benötigst du Logogbausteine. Am Besten mit FlipFlop oder Statusbaustein arbeiten, da kannst du die einzelnen Schaltfunktionen steuern bzw. verriegeln. Generelles ein und auschalten bzw. steuern kannst du auch mit der Zeit Sonnenunter- und aufgang gestalten, da bist du dynamischer wie mit der Schaltuhr. Die Zeiten dazwischen musst du mit der Schaltuhr machen.

    Kommentar

    • romildo
      Lebende Foren Legende
      • 25.08.2015
      • 5169

      #3
      Wie meist gibt es auch hier mehrere Möglichkeiten.
      Hier eine davon.
      Klicke auf die Grafik für eine vergrößerte Ansicht

Name: SzenenZeitabhängig.png
Ansichten: 3019
Größe: 225,8 KB
ID: 17751 Klicke auf die Grafik für eine vergrößerte Ansicht

Name: SzenenZeitabhängigStatus.png
Ansichten: 2891
Größe: 12,1 KB
ID: 17752
      Zuletzt geändert von romildo; 28.12.2015, 16:53.
      LG Romildo

      Kommentar

      • Heinrich
        Smart Home'r
        • 26.08.2015
        • 47

        #4
        Hallo,

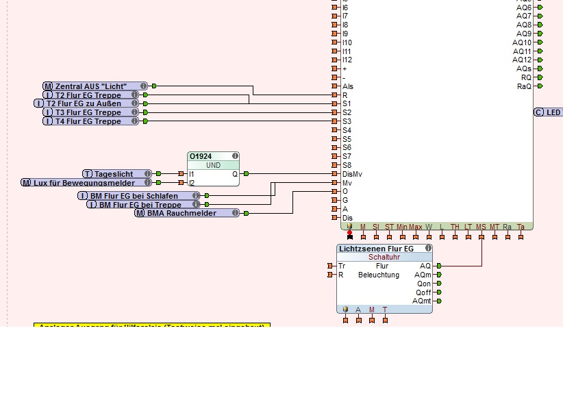
        ich kann mich meinen Vorredner nur anschießen, es gibt mehrere Möglichkeiten. Ich verwende den Baustein "Schaltuhr" mit der Einstellung - kein Hacken bei "als Digitalausgang" und somit können analoge Werte gesendet werden zu bestimmte Zeiten. Einfach deine Zeiten im Baustein hinterlegen mit verschiedenen "Werten". und den Ausgang "AQ" auf den Eingang "MS" des Lichtbausteins verbinden. Wenn nun dein Bewegungsmelder einen Impuls auf "Mv" gibt, wird die entsprechende Szene angeschaltet.

        Grüße

        Heinrich

        Klicke auf die Grafik für eine vergrößerte Ansicht

Name: 20151228_Licht Flur 2.jpg
Ansichten: 2499
Größe: 186,1 KB
ID: 17757Klicke auf die Grafik für eine vergrößerte Ansicht

Name: 20151228_Licht Flur 1.jpg
Ansichten: 2461
Größe: 83,3 KB
ID: 17756

        Kommentar

        • Gast

          #5
          Danke. Wird gleich ausprobiert.

          Mit der schaltuhr hatte ich es ähnlich nur gab es keinen aus Impuls vom Melder. Probiere es nochmal wenn Familie schläft.

          Danke

          Kommentar

          • Dimon
            LoxBus Spammer
            • 27.08.2015
            • 385

            #6
            Hallo ich habe es so gelöst... Zeiten definiere ich über das iPad (Schaltuhr)
            Haus: 1x Miniserver, 7x Extension, 4x RelayExtension, 1x 1-Wire, 1x DimmerExtension, 1x Tree Extension, 1x ModBus Extension, 1x DMX Extension, 6x RGBW, 2x UFO, 1x AirBaseExtension, 3x RGBW Air, Air Touch, Touch Pure Air, LED Pendulum Slim Tree
            Wohnung: 1x Miniserver, 3x Extension, 2x RelayExtension, 1x 1-Wire, 1x DimmerExtension, 1x DMX,
            Cams: Mobotix T25, Mobotix D22, Mobotix Q25, Axis P1428-E
            LOXBERRY: SmartMeter, Weather 4 Lox
            Heizung: Viessmann Vitocal 300-A
            PV: Fronius Symo 17.5.3

            Kommentar

            • Gast

              #7
              Einmal darf ich bitte noch nachfragen - alle Inputs haben mir sehr geholfen, und verstehe die Logik. Mir ist aber gerade ein anderes Problem in dem Zusammenhang aufgefallen (und beeinflusst vielleicht auch meine obere Frage bzw. warum es bei mir nicht klappte).

              Ich kann die "Auszeit" bei den PM nicht ändern - in 2 Räumen klappt es, in 2 nicht (gleiche Hardware, gleiche Settings). Also den Wert "TH Dauer" ändern bringt keine Veränderung (MT Wert ist auf 0). Habe ja fast das Gefühl. der Elektriker hat bei der Installation was nicht bedacht, oder? (zB DIP Schalter richtig setzen).

              Sorry für die vielen Fragen, Danke!

              Kommentar

              • romildo
                Lebende Foren Legende
                • 25.08.2015
                • 5169

                #8
                Was genau funktioniert denn nicht?
                Schaltet das Licht nicht mehr aus?
                Vielleicht mal LiveView starten und ein Bild davon machen.
                LG Romildo

                Kommentar

                • romildo
                  Lebende Foren Legende
                  • 25.08.2015
                  • 5169

                  #9
                  Oder hast du vielleicht versehentlich den Eingang vom Mv negiert?
                  LG Romildo

                  Kommentar

                  • Gast

                    #10
                    Danke. Bevor ich deine Idee umgesetzt habe, wollte ich die Ausschaltzeit ändern - und da ist es mir aufgefallen. Kann gerne Screenshot machen, da ist aber nicht viel zu sehen. Also der Wert der Dauer "60" lässt sich nicht ändern (also ändern schon, aber keine Auswirkung)

                    Klicke auf die Grafik für eine vergrößerte Ansicht

Name: loxone_screen1.png
Ansichten: 1975
Größe: 29,9 KB
ID: 17839

                    Kommentar

                    • Gast

                      #11
                      Ergänzung: Romildo, ich habe deine Lösung ausprobiert und klappt in der Simulation einwandfrei. In der Realen Welt teste ich es morgen (bekomme sonst Hiebe, wenn ich das Neugeborene aufwecke....).

                      Nochmals Danke für eure Lösung, spannend welche Wege zum Ziel führen

                      Kommentar

                      • romildo
                        Lebende Foren Legende
                        • 25.08.2015
                        • 5169

                        #12
                        Beim Bild in #10 hast du einen Zentralbaustein, könnte sein dass dieser das Verhalten verursacht.
                        An sonsten müsstest du erst LiveView starten und dann ein Bildchen machen, damit man den Status der Eingänge sieht.
                        LG Romildo

                        Kommentar

                        • Gast

                          #13
                          Guten Abend!

                          Nun das Bild in der Live View - sorry, habe ich gestern überlesen.

                          Klicke auf die Grafik für eine vergrößerte Ansicht

Name: loxone_screen2.png
Ansichten: 1974
Größe: 20,9 KB
ID: 18048 Habe nun anderen Raum getestet, gleiches Problem (egal welchen Wert ich eingebe, es ändert sich nichts) Habe zum Testen anderen Baustein verwendet als Zentral. und dann geht es gar nicht (kein Licht ein/keines aus).

                          Kommentar

                          • romildo
                            Lebende Foren Legende
                            • 25.08.2015
                            • 5169

                            #14
                            Eine Szene geht über den Bewegungsmelder nur an, wenn bei der Szene im Lichtbaustein auch das Häkchen bei "Diese Lichtszehne mit Bewegungsmelder verbinden" drin ist.
                            Siehe #3 Bild 1 die rote Markierung links, da muss ein Häkchen rein wenn nichts an MS angeschlossen ist.

                            Der Zentralbaustein übersteuert aber das Ganze, das heisst wenn vom Zentralbaustein Licht aus kommt, dann geht auch nichts.

                            LG Romildo

                            Kommentar

                            • Gast

                              #15
                              Hi Romildo!

                              Häckchen war dran

                              Es wirkt bei allen Versuchen so, als der Eingangsimpuls geht (Licht an) -> aber eben kein Ausimpuls nach dem definierte Zeitwert, sondern immer nach ca. 7 Minuten. Diese 7 Minuten sind aber nirgends hinterlegt von mir.

                              Kommentar

                              Lädt...