Statusbaustein Garagentor

Einklappen
X
 
  • Zeit
  • Anzeigen
Alles löschen
neue Beiträge
  • Stewe
    LoxBus Spammer
    • 26.08.2015
    • 285

    #16
    Warum funktioniert das bei einem Rollladen oder Jalousien?
    Obwohl gar keine Endschalter im Spiel sind!
    Ist da im Baustein gar ein Fehler versteckt?
    LG SteWE

    Kommentar


    • Christian Fenzl
      Christian Fenzl kommentierte
      Kommentar bearbeiten
      Rolläden sind ein "Kinkerlitzchen" gegenüber dem Torbaustein. Der Torbaustein triggert in der Regel eine externe Steuerung, die evt. auch von anderen Teilnehmern (Taster am Garagentor-Motor; Funkfernbedienungen; Lichtschranke am Tormotor; Notaustaster; Blockiertes Tor) umgehen muss. Bei Rolladen/Jalousien braucht der Baustein nur stupid "Auffahren" oder "Abfahren" machen, und eine Zeit stoppen.
  • Christian Fenzl
    Lebende Foren Legende
    • 31.08.2015
    • 11250

    #17
    @All: Der Tor-Baustein ist - vielleicht ist euch das nicht bewusst! - ein sehr komplexer Baustein, mit einer riesigen Latte an möglichen Konfigurationen, Kombinationen und daraus resultierendem Verhalten.
    Der Loxone Tor-Baustein macht das in Anbetracht der Fülle an Möglichkeiten ausgesprochen gut.

    Wenn es von euch kein Bild aller Eingänge, Parameter und der Ausgänge aus der LiveView gibt, dann ist jeglicher Hilfeversuch reines Sudlesen, und 90% der Probleme sind falsche Konfiguration.
    Zuletzt geändert von Christian Fenzl; 17.09.2019, 11:55.
    Hilfe für die Menschen der Ukraine: https://www.loxforum.com/forum/proje...Cr-die-ukraine

    Kommentar


    • THX
      THX kommentierte
      Kommentar bearbeiten
      Shit in - Shit out ;-)
  • mil@n
    Smart Home'r
    • 13.11.2015
    • 85

    #18
    ES= EndSchalter
    Ich muß das meine Verschalung mal genauer erklären:
    Alle Fernbedienungen werden mit Loxone geschaltet.
    Das mache ich mit Homelink PR433-4 ( 2 Kanäle )
    An den Homelink werden entsprechende Fernbedienungen angelernt und der jeweilige Kanal schaltet dann einen potentialfreien Ausgang ( Relais ) womit ein digitaler Eingang an Loxone getigert wird.

    Ein dazugehöriger digitaler Ausgang von Lox schaltet dann wiederum eine Fernbedienung die an das jeweilige Tor angelernt wurde.
    So werden beide Garagentore direkt über Loxone geschaltet.

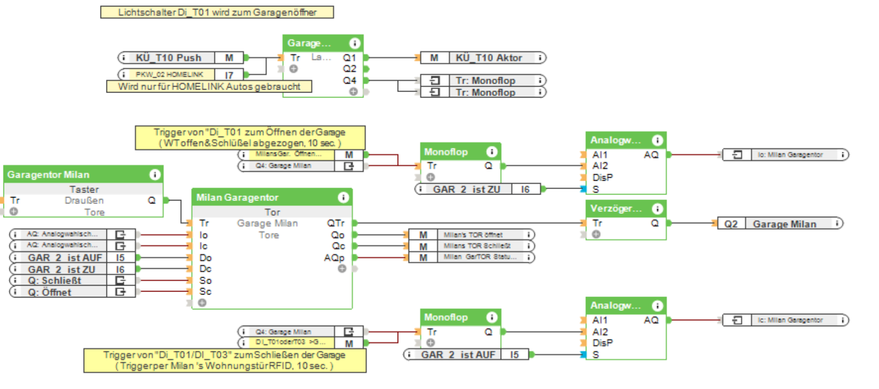
    Ich zeige mal meine ursprüngliche Programmierung, wobei diese etwas umfangreicher ist als normal, aber die Grundfunktion sollte erkennbar sein.
    Auch wenn ich den ganzen 'drumherum Kram' nicht benutze ( Völlig neue eigenständige Torbaustein Funktion, mit oder ohne Do,Dc ) gibt es den Unterschied in den VISU
    Ohne Belegung des Torbausteins mit EndSchaltern an Do,Dc funktioniert die VISU perfekt.
    Sobald der Torbaustein mit den EndSchaltern verknüpft ist zeigt die WISU in den Zwischenschritten 50% an
    Schalterstellungen:
    Tor offen =1
    Tor geschloßen =1
    Tor in Bewegung/zwischen den ES=0

    Klicke auf die Grafik für eine vergrößerte Ansicht  Name: Screenshot 2019-09-18 09.08.18.png Ansichten: 0 Größe: 327,8 KB ID: 212886
    Dazu gehören noch weitere Programm-Abschnitte

    Sprachsteuerung über Home1
    Audio-Ausgaben über VOX
    Programmierschritte die unter bestimmten Bedingungen Lichtschalter kurzzeitig umprogrammiert um Garagentore Öffnen oder Schließen.

    Erklärung:
    Komme nach hause und öffne mit RFID die Haustür, werde ich bei geöffneten Garagentor von VOX gefragt "Soll ich das Tor schließen"
    Gleichzeitig werden drei Schalter im Flur für 10" so umprogrammiert, dass nicht das Licht sondern das Tor angesteuert wird.
    Drücke ich nun innerhalb von 10" auf einen der umprogrammierten Lichtschalter, wird das Garagentor geschloßen. Licht wird bei Bedarf ohnehin mit Präsenzmeldern geschaltet.
    Oder ich setze den Sprachbefehl ab, " Alexa, schließe meine Garage"
    Die Unterscheidung um welches Tor es sich handelt erkennt Loxone an der RFID Erkennung, bzw. an der Reihenfolge der Schlüsselbund-Erkennung.


    Angehängte Dateien
    Zuletzt geändert von mil@n; 18.09.2019, 08:55.

    Kommentar


    • Smart
      Smart kommentierte
      Kommentar bearbeiten
      „Ein dazugehöriger digitaler Ausgang von Lox schaltet dann wiederum eine Fernbedienung die an das jeweilige Tor angelernt wurde.
      So werden beide Garagentore direkt über Loxone geschaltet.„

      Danke dafür, das werde ich mir so nachbauen :-)
  • Christian Fenzl
    Lebende Foren Legende
    • 31.08.2015
    • 11250

    #19
    Auf den ersten Blick (leider hast du den Shot nicht aus der LiveView gemacht):
    • So und Sc sind Blockier-Eingänge für die Lichtschranke. Von deinen Bezeichnungen her schaut es aber so aus, als hättest du das als Status-Eingang verwendet.
    • QTr und Qo/Qc sind eigentlich Ausgänge, deren Benutzung sich gegenseitig ausschließt: Entweder, die Torsteuerung hat nur einen Triggereingang (QTr), oder sie hat getrennte Triggereingänge für Auf und Zu (Qo/Qc). Ob das richtig funktioniert, wenn du beides verwendest - man weiß es nicht.
    • Die beiden Analogwahlschalter machen eigentlich keinen Sinn. Da reicht ein UND. Außerdem verhinderst du mit der Abhängigzeit zu den Endschaltern das Öffnen/Schließen bei Teilöffnung. Da baust du eine Logik rundherum, die der Torbaustein schon selber hat.
    Wäre noch hilfreich, wenn du die einfache Beschaltung auch mal zeigst, und aus der LiveView.

    lg, Christian
    Zuletzt geändert von Christian Fenzl; 18.09.2019, 09:42.
    Hilfe für die Menschen der Ukraine: https://www.loxforum.com/forum/proje...Cr-die-ukraine

    Kommentar

    • mil@n
      Smart Home'r
      • 13.11.2015
      • 85

      #20
      Die Analogwahlschalter sind notwendig um bestimmte Schaltvorgänge zu unterscheiden.
      Beispielsweise wird ein Schaltvorgang mit den Tastern Di_01 oder Di_02 nur dann ausgeführt wenn das Tor geöffnet ist.
      Ist diese Bedingung erfüllt wird per 'Ic' das Tor geschloßen.
      Das funktioniert nebeneinander, 'Tr Lo, Lc'
      Es hätte keinen Sinn das mich beim Nachhause kommen der Lautsprecher fragt ob das Tor geschloßen werden soll wenn es schon zu ist.
      Die Merker an den Ausgängen Qo, Qc werden Anderswo gebraucht um die Sprachansagen "Tor öffnet sich, Tor schließt sich" zu aktivieren.

      Werde Morgen mal nur die Grundfunktionen des Torbausteins mal in den MS laden und dann mit LiveView Shooten.
      Aber danke schon mal für Deinen Support, echt Klasse von Dir!!

      LG, Milan

      Kommentar

      • mil@n
        Smart Home'r
        • 13.11.2015
        • 85

        #21
        Habe nur eine einfache Torbaustein Verknüpfung mit Endschaltern im MS gespeichert.

        Unter Eigenschaften
        Torbaustein Antrieb: nachf. Steuerung

        Wie man sehen kann ist eine korrekte Torwisualisierung nicht möglich.
        Klicke auf die Grafik für eine vergrößerte Ansicht  Name: image_22834.png Ansichten: 13 Größe: 89,2 KB ID: 212969Klicke auf die Grafik für eine vergrößerte Ansicht  Name: Screenshot 2019-09-19 07.33.32.png Ansichten: 3 Größe: 90,5 KB ID: 212977

        Mit "nicht verknüpften" Endschaltern funktioniert die VISU korrekt.



        Klicke auf die Grafik für eine vergrößerte Ansicht  Name: image_22837.png Ansichten: 12 Größe: 88,8 KB ID: 212971 Klicke auf die Grafik für eine vergrößerte Ansicht

Name: Screenshot 2019-09-19 07.45.54.png
Ansichten: 1075
Größe: 91,1 KB
ID: 212985



        Angehängte Dateien
        Zuletzt geändert von mil@n; 19.09.2019, 07:30.

        Kommentar

        • Christian Fenzl
          Lebende Foren Legende
          • 31.08.2015
          • 11250

          #22
          Und das Öffnen hast du aus der App in der Tor-Visu getriggert?
          Hilfe für die Menschen der Ukraine: https://www.loxforum.com/forum/proje...Cr-die-ukraine

          Kommentar

          • mil@n
            Smart Home'r
            • 13.11.2015
            • 85

            #23
            Ja

            Kommentar

            • mil@n
              Smart Home'r
              • 13.11.2015
              • 85

              #24
              Ähm, ich benutze die Config 9.3 da Loxone einen Bug Im Musikserver in den nachfolgenden hat.
              Hatte ich aber gemeldet!

              Kommentar

              • Lightpicture
                Lebende Foren Legende
                • 16.11.2015
                • 3876

                #25
                Verwende den Torbaustein seit Version 6 und mit Endlagen Rückmeldung der UAP1.
                Egal ob ich über Tr das Tor öffne oder über die VIS es wird immer der aktuelle Zustand der Position richtig angezeigt. Nur wenn ich über die Fernbedienung öffne wird 50% angezeigt bis das Tor ganz geöffnet ist.
                Vielleicht hat der neue Torbaustein einen Fehler.
                Das kann ich erst am Sonntag testen, ob dem so ist.
                Verwende die aktuelle Beta.
                FG
                Lightpicture

                Nur ein Netzwerkkabel ist richtiges WLAN

                Kommentar

                • Christian Fenzl
                  Lebende Foren Legende
                  • 31.08.2015
                  • 11250

                  #26
                  Ich verwende produktiv immer noch die 7.4, und am Test-Miniserver, auf dem ich das gerade in der LiveView nachgestellt habe, die 10.3.5.4.
                  In beiden funktioniert das problemlos.

                  Die 0,5 wird nur angezeigt, wenn der Miniserver rebootet, ohne dass eine Endlage EIN ist (das korrigiert sich aber, sobald eine Endlage aktiv wird), oder ein Fahrbefehl nicht über Loxone passiert (also Endlage sich ändert, ohne dass eine Fahrt über Loxone getriggert wurde).

                  Ich hätte jetzt ja gerne ein Video gemacht, aber finde auf die Schnelle keine einfache Software.
                  Hilfe für die Menschen der Ukraine: https://www.loxforum.com/forum/proje...Cr-die-ukraine

                  Kommentar

                  • Christian Fenzl
                    Lebende Foren Legende
                    • 31.08.2015
                    • 11250

                    #27
                    Hab ein Video geschafft ;-)


                    Das ist LiveView, nicht Simulation. Da natürlich kein Garagentor dran hängt, muss ich die Endlagenschalter selbst aktivieren bzw. deaktivieren.
                    Hilfe für die Menschen der Ukraine: https://www.loxforum.com/forum/proje...Cr-die-ukraine

                    Kommentar


                    • Loxtom577
                      Loxtom577 kommentierte
                      Kommentar bearbeiten
                      Bei mir funktionierts genau wie im Video zu sehen. Hörmann-Antrieb mit UAP1
                  • mil@n
                    Smart Home'r
                    • 13.11.2015
                    • 85

                    #28
                    Ich habe den Fehler gefunden!
                    Gleich wie ich Deine "Virtuellen Eingänge" im Video gesehen habe, bekam ich den Shock!
                    Ja, die Endschalter müßen auf "Schalter" umgestellt werden!!

                    In der LiveView ist der Schalter an der jeweiligen Position zwar gelb und man hat den Eindruck der Baustein weis wo das Tor ist, intern bekommt der Baustein aber nur einen Tast-Impuls! und scheint dann sein Gedächtnis zu verlieren, obwohl die Wisu die Position anzeigt!

                    Ich gehe davon aus das bei allen wo die TorVisu nicht funktioniert, die "dig. Endschalter Eingänge" auf Taster stehen.


                    Diese Aussage von mir ist schlicht FASCH! Ich habe da etwas verwechselt Sorry!



                    Danke Christian!
                    Zuletzt geändert von mil@n; 23.09.2019, 07:12.

                    Kommentar

                    • mil@n
                      Smart Home'r
                      • 13.11.2015
                      • 85

                      #29
                      Das gibt es doch nicht!! Ich werd bekloppt! Jetzt hat es nach der Umstellung auf Schalter ein paar mal funktioniert, und jetzt plötzlich wieder die 50%

                      Kommentar

                      • Lightpicture
                        Lebende Foren Legende
                        • 16.11.2015
                        • 3876

                        #30
                        Arbeitest du live oder in der Simulation?
                        FG
                        Lightpicture

                        Nur ein Netzwerkkabel ist richtiges WLAN

                        Kommentar

                        Lädt...