meine Lichtsteuerung bringt mich zum Wahnsinn. Ursprünglich habe ich meine Lichtszenen von meinen KNX Tastern als Szenenwert eingespielt. Das klappt seit dem Update so nicht mehr korrekt.
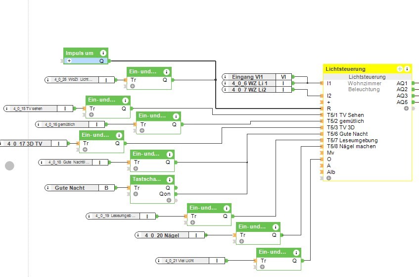
Jetzt habe ich meine KNX Taster umkonfiguriert. Jede Lichtszene hat eine eigene GA bekommen. Da die Taster einen kurz/langklick können, erzeugt der Taster nur beim Drücken eine "1". Diese wird mit dem erw.KNX Sensor in einen Impuls umgewandelt. Jede GA hängt jetzt an einem T5/x Eingang der Lichtsteuerung. Ein kurzer Klick soll die konfigurierte Stimmung aktivieren. Ein Langzeitklick (lt. Doku mehr als 1s) soll die Szenen mischen.
Es kommt wie es kommen muss...egal was ich mache, die Szenen werden immer gemischt, so als ob ich immer einen Langzeitklick mache. Ich will jedoch immer nur eine pure und ungemischte Szene aktivieren.
Anbei ein paar Screenshots der aktuell unaufgeräumten Config. Die Ein-/Ausschaltverzögerungen habe ich dazwischengebaut, da der Impuls des erw.KNX Sensors oftmals zu kurz für einen Baustein ist. Hier habe ich es mit Werten TH=0 und TL=0,01/0,05/0,5/0,75 probiert, immer mit dem selben Ergebnis.
Mir fällt nix mehr ein. Habt Ihr noch eine Idee? Vielleicht denke ich aber auch völlig falsch.
Ich hoffe, die Infos reichen so aus?
Ich bin auch für jede Alternative offen..Die Steuerung über ALS/AQS war deutlich übersichtlicher
VIELEN DANK
Norman

Kommentar