bekommt man das mit einem einfachen Dimmerbaustein hin ?
Licht ab 17:30 dimmen
Einklappen
X
-
Ich habe das mit einer Schaltuhr, Radiotasten und der Lichtsteuerung gelöst. Den Taster legst Du auf Einen Mehrfachklick Ausgang 1 an die Schaltuhr. Ausgang 2 auf R an der Lichtsteuerung. Die Schaltuhr auf Aktivierung nötig stellen, deine 2 Schaltzeiten einstellen. Für die Zeit bis 17.30 Uhr gibst du der Schaltuhr eine 1 als Standardwert und für die Nacht eine 2. Den Ausgang dann an die Radiotasten als. Die Ausgänge 1 und 2 der Radiotasten dann an T5/1 und T5/2 der Lichtsteuerung. In der Lichtsteuerung legst Du dann die Szene 1 und 2 entsprechend an.
Für den Bewegungsmelder kannst du die Schaltuhr gleich einstellen aber ohne Aktivierung nötig. Diese dann mit MS der Lichtsteuerung verbinden.Zuletzt geändert von Marco Grasso; 03.09.2020, 19:50. -
Wenn es dir nur um die Bewegungsmelder geht, kannst du auch einen neuen Betriebsmodus (z.B. "Nachtmodus") anlegen und für diesen eine getrennte Bewegungsmelderszene.
Den Betriebsmodus aktivierst du via Schaltuhr, Dreifachklick auf einen Tree oder per Dämmerungssignal.Kommentar
-
Wenn es zu festen Zeiten passieren soll, kannst du auch den Automatikdesigner nutzen und darüber zeitabhängig verschiedene Szenen deiner Lichtsteuerung schalten. Dann legst du eben eine Szene "Abend" an, auf die dann geschaltet wird - so habe ich es bei uns in Treppenhaus und Galerie gemacht, weil ich damit recht unkompliziert mehrere dieser Umschaltungen umsetzen kann.MfG BennyKommentar
-
Ja es geht schon um feste Zeiten. aber es soll mit einem Taster die Beleuchtung bei den Kids im Zimmer geschaltet werden.
in der Zeit von 17:30 bis 07:00 Uhr soll die Beleuchtung bei einem Tastenklick 20% betragen. In der restlichen Zeit 100%.
Es soll aber weiterhin gehen das ich die Lampen mit gedrückt halten dimmen kann.Kommentar
-
Vielleicht hat jemand noch eine Idee. ich habe das ganze jetzt umgesetzt mit einem Lichtbaustein, Schaltuhr und Betriebmodus.
Es gibt ein Betriebsmodus Tag und einen Abend. Dazu gibt es im Lichtbaustein jeweils eine Stimmung. Tag --> 100% Dimmer und Abend --> 20% Dimmer.
In der Automatik im Lichtbaustein habe ich die Stimmung dem Betriebsmodus zugeordnet.
Mein Problem es wird immer die Stimmung Tag geschaltet, egal zu welcher Uhrzeit. Vielleicht habe ich ja was übersehen.5 BilderKommentar
-
Das ist mein absolutes Lieblingsfeature in dieser Jahreszeit
Wir haben dazu auch Beispiele auf der Website. Ich habe meine Implementierung supersimpel gehalten da ich die Nachtbeleuchtung gerne automatisch aktiviere statt auf den Dreifachklick zurückzugreifen.
Habe mir den Betriebsmodus 'Nachtmodus' angelegt und mit einem Schalterobjekt verbunden. Das Schalterobjekt ist visualisiert, damit ich auf Wunsch den Nachtmodus in der App manuell ein/ausschalten kann.
Per Zeitfunktion 'Impuls Sonnenuntergang' auf den Dauerlicht Eingang 'O' (der den Modus in jedem Fall anschaltet) wird der Modus aktiviert. Täglich um 8 Uhr (ginge sonst auch per Impuls Sonnenaufgang) wird der Nachtmodus wieder deaktiviert.
In jeder Lichtsteuerung habe ich eine Lichtszene Nacht (Beleuchtung gedimmt auf 20%) eingestellt und den Nachtmodus hinterlegt. (Aktion: Wechsel zu --> auch wenn eine andere Lichtstimmung aktiv ist möchte ich auf den Nachtmodus wechseln).
Lg, Florian
Kommentar
-
hallo, ich habe es auf diese weise verscuht, Schaltuhr ist auf analg gesetzt und der haken bei "Aktivierung erforderlich" gesetzt. Ich möchte gerne das ab 20:00 das licht nur gedimmt angeht wenn auf den schalter klickt, stimmung schlafen. Ich arbeite hier mit ID... aber es funktioniter nicht. woran kann das liegen? Vielen dank für die hilfe im voraus. ich habe es auch schon mit ALS versucht, aber da geht das licht einfach an und lässt sich auch nicht mehr ausschalten
1 BildKommentar
-
Dany481
T5/1 ist ein Digitaler Eingang, da ist ein Analogwert nicht wirklich hilfreich. Zudem wird es so, sowieso nie funktionieren.
Schau dich mal im Forum um, da gibt es diesbezüglich schon zig Beispiele.
Eins von vielen findest du hier.
Wenn du nichts findest, beschreib genau was du hast und was du damit erreichen möchtest.
Also z.B. ob das Licht nur über Tasten geschaltet werden soll, oder ob auch Bewegungsmelder zum Einsatz kommen.
Nur eine Stimmung für Nacht und eine für Tag oder zig Stimmungen?
Je nachdem gibt es dann verschiedene Möglichkeiten.
LG RomildoKommentar
-
mmh ich habe in dem zimmer keinen bewegungsmelder und möchte gerne, dass das Licht abends trotzdem gedimmt ist, wenn ich ins Kinderzimmer gehe und den Lichtschalter betätige.
7-20 Uhr Licht 100%
20-7 Uhr Licht nur auf 30%
Darum meine Idee mit der Schaltuhr, klng für mich logisch ;-) Leider funktioniter es auch nicht wenn ich es mit einem Analog baustein verknüpfe ;(
1 BildKommentar
-
Du solltest dir vielleicht mal die Bausteinbeschreibungen durchlesen, dann wird schnell klar, warum das so nicht geht.
Wenn es die Schaltuhr sein soll, dann nimm sie und stell sie so dass sie z.B. von 20-7 Uhr aktiv und sonst inaktiv ist.
Nimm zwei UND Bausteine und verbinde sie so wie ich sie im Link #9 beschrieben habe.
Sieht dann so aus:
LG RomildoKommentar
-
ja sorry bin noch ganz am anfang und versuche mir alles bei learning bei doing bei zu bringen.
Aber vielen vielen Dank für deine Unterstützung hier. das hat mich wieder ein großes Stück weiter gebracht.
Funktioniert perfekt
Kommentar
-
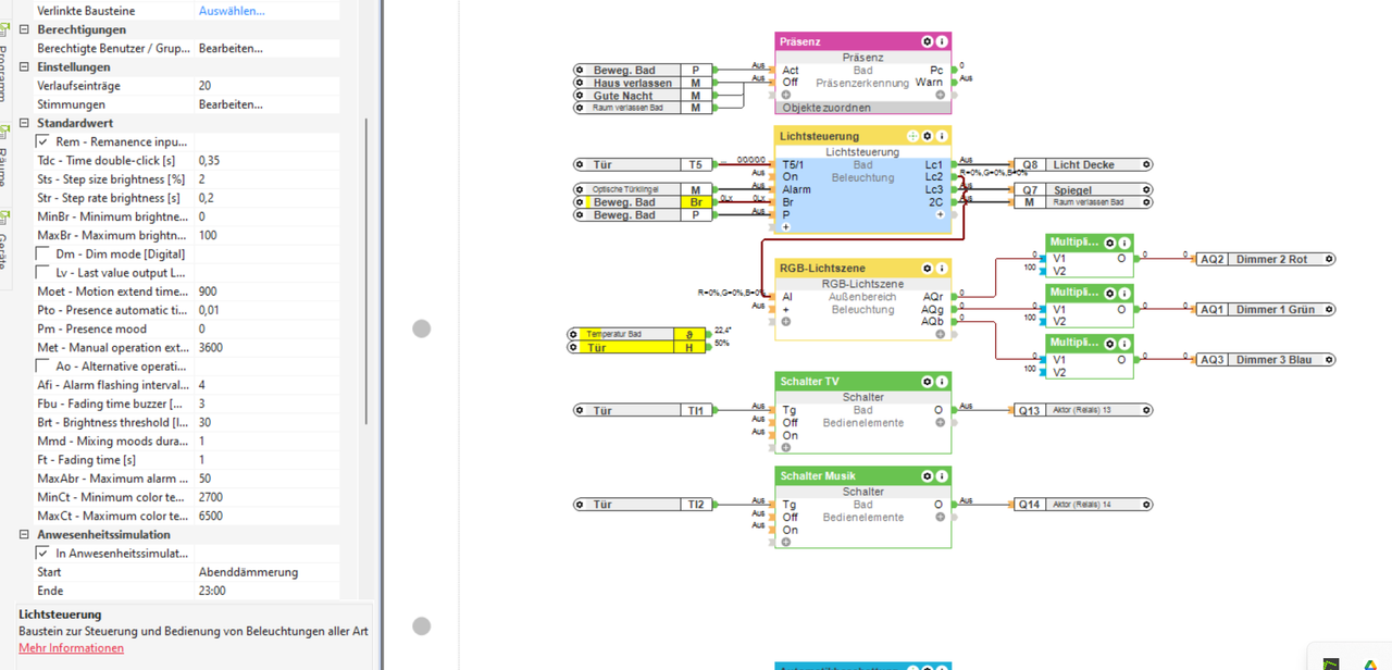
Ich habe noch mehrere "Feinschliff" Baustellen. Ich muss zugeben, das mit dem Lichtbaustein ist nicht so leicht zu verstehen. Kann man natürlich eine menge mit machen, aber verständlicher wird es dadurch nicht.
Der erste Raum in dem ich noch Probleme habe, ist das Bad.
Soll Zustand:
Es gibt RGB Streifen, die sollen Nachts an sein.
Die Deckenstrahler Tags über.
Am Besten nur über den Präsenzmelder, Touch ist auch vorhanden.
Ich möchte das in der Nachtzeit nur der RGB Streifen an geht ( oft drückt jemand den Taster, weil Melder zu träge, auch dann nur RGB)
Beim verlassen alles aus ( auch bei Tastendruck alles aus)
Tags über wenn Melder sagt, dunkel genug, alles an, wenn Bewegung oder Tastendruck.
Beim verlassen alles aus.
Ist zustand:
Licht geht nachts gar nicht an. Auf Tastendruck hingegen schalte ich alle Szenen durch...




Kommentar
-
-
Hallo,
Du benötigst 2 Stimmungen, eine für Tag und eine für Nacht. Bei deiner Konfiguration ist das vermutlich "Viel Licht" und "Entspannen"
An Stelle von "Viel Licht" würde ich eine neue Stimmung anlegen oder "Viel Licht" auf T5/2 legen.
Das + Häkchen nur bei Stimmung "Aus" setzen.
Sofern es sich um einen Loxone Präsenzmelder handelt, gibt es da auch noch einen Mo Eingang, welcher mit Mo von der Lichtsteuerung verbunden werden kann.
Die Eigenschaft Moet bestimmt die Nachlaufzeit bei Bewegungserkennung, dies gilt aber nur, wenn nicht zwischendurch ein manueller Eingriff, z. B. über den Touch erfolgt ist.
Bei manuellem Eingriff kommt dann die Zeiteinstellung Met ins Spiel.
Wenn das soweit eingestellt ist, sollte der Bewegungsmelder bereits funktionieren.
Damit der Touch ähnlich zum Bewegungsmelder funktioniert, muss noch außerhalb der Lichtsteuerung, je nach Betriebsmodus der richtige Eingang zugewiesen werden.
Dazu muss anstelle von T5 die Taste 3 (mittlere Taste), also I3 vom Touch verwendet werden.
Dann kann dies mittels 2 x UND wie folgt realisiert werden:
Verbindungen:
Touch I3 verbinden mit I1 von UND1 und I1 von UND2
Betriebsmodus "Licht Dimmen 23Uhr" verbinden mit I2 von UND1 und negiertem I2 von UND2
UND1 O verbinden mit T5/1 von Lichtsteuerung
UND2 O verbinden mit T5/2 von Lichtsteuerung
Somit sollte nun auch der Touch entsprechend funktionieren.
Bemerkung: Der Touch funktioniert so aber unabhängig von der Helligkeit im Raum
LG RomildoKommentar
Kommentar