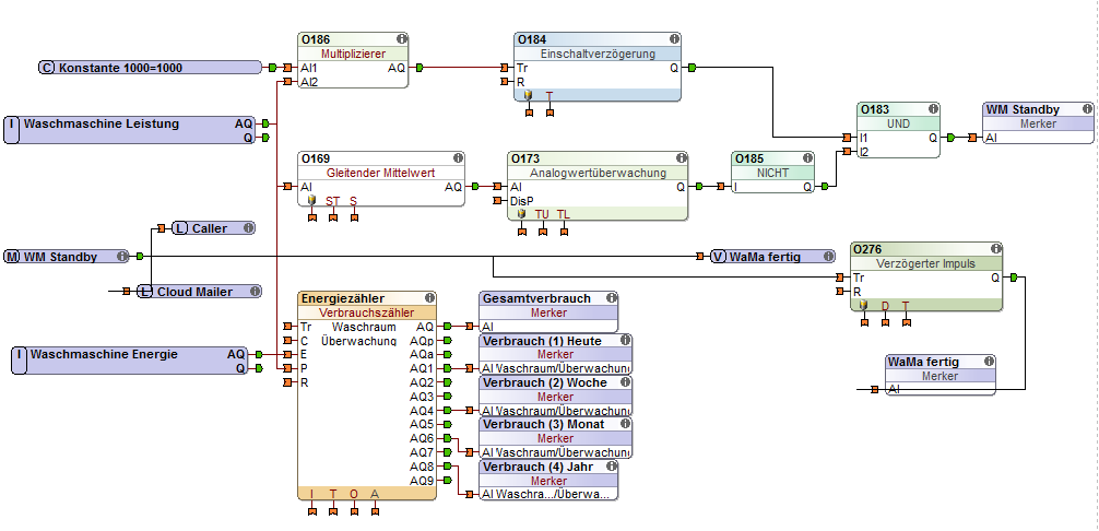
ich bastle gerade an einer Statusauswertung des Trockners. (Siehe Bild)
Der Trockner verbraucht in jedem Status eine bestimmte Leistung, das klappt alles soweit.
Jetzt habe ich aber das Problem, dass der Trockner seine Trommelrichtung wechselt, kurz stehen bleibt und dadurch für ca. 1-2 Sekunden keine Leistung verbraucht.
Das führt dann zu dem Status fertig obwohl das nicht richtig ist.
Wie kann ich da eine Verzögerung einbauen, damit der Status fertig erst gesetzt wird, sobald der Trockner mindestens 2 Minuten lang unter 0,005KW Verbauch bleibt.
Gruß
Matthias

Kommentar