
Ist zwar ein leidiges Thema und wurde hier schon so manches mal gepostet.
Irgendwie hab ich für mein Problem aber nicht das richtige gefunden.
Mein Vorhaben ist, meine Rollläden dazu zu benutzen, um die (zu stark) einfallende Sonne "draußen" zu halten.
Das hat nichts mit Raumtemperatur zu tun, sondern soll "nur" dazu dienen, damit ich z.B. besser Fernsehen kann

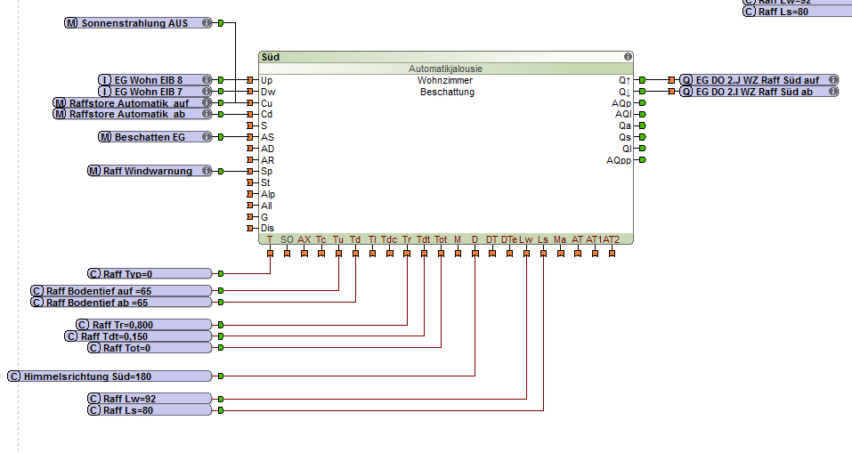
Ich habe nun alle Rollläden an den Automatikbaustein geknüpft. Ebenso habe ich den Loxone Helligkeitssensor 0-10V
Nun aber zum Problem:
Ich bekomme die Programmierung einfach nicht ordentlich hin...
Der Helligkeitssensor soll ab einen bestimmten Wert, sagen wir mal 30000 Lux den Rollladen auf 60% herunterfahren. Sollte mal eine Wolke vor die Sonne ziehen, egal. Erst ab einer bestimmten Zeit, z.B. 10 Min soll der Rollladen wieder hochfahren. Generell soll der Rollladen wieder hochfahren, wenn die Helligkeit permanent unter 30000 Lux fällt
Ich habe im alten Lox Forum mal das gefunden. Aber bei mir will das nicht so richtig. Scheint aber ein recht guter Ansatz zu sein oder ich hab einen Fehler reingebaut
Könnt ihr mir da bitte helfen?
Vielen Dank !!!!!!
Gruß,
Christoph
Kommentar