Eigenverbrauchsoptimierung im Einfamilienhaus (HEMS)

Einklappen
X
 
  • Zeit
  • Anzeigen
Alles löschen
neue Beiträge
  • IFLUR
    LoxBus Spammer
    • 07.01.2016
    • 392

    #1

    Eigenverbrauchsoptimierung im Einfamilienhaus (HEMS)

    Hallo ich möchte mich gerne über eure Erfahrungen und evtl. Lösungen zum Thema der Eigenverbrauchsoptimierung austauschen.

    Loxone hat schon den einen oder anderen "Baustein" aber eine generelle Steuerung um eine Wärmepumpe gezielt zu steuern oder den zeitgleichen Eigenverbrauch von Photovoltaikanlagen zu steigern kann sind meiner Meinung nach bisher sehr undurchsichtig und ohne Referenzen umgesetzt.

    Hier wäre auch eine Musterdatei / Lösung seitens Loxone wünschenswert.

    Ich plane somit ein HEMS in Loxone eigenständig zu "programmieren"das mir auch aufgrund der steigende Strompreise die Möglichkeit bietet bei Low Price z.B. der vorhandenen Batteriespeicher zu laden.

    Auch eine Logik die dafür sorg das bei hohen Strompreisen die Heizung gesperrt wird (EVU oder Smart Ready Funktion) aber nach einer gewissen Zeit eine Art Zwangs-Freigabe aktiviert wird wird damit das Haus nicht auskühlt.

    Grundsätzlich Anforderungen die sicherlich in vielen Haushalten ähnlich sind:

    Kurzum : Es braucht ein Home Energy Management Systems (HEMS)​ das von Loxone zwar stark beworben wird aber meine Ansprüche nicht erfüllt !


    Erste Ansätze und Voraussetzungen meiner Idee sind wie folgt:
    • Ermittlung der aktuellen Stromkosten über den neuen Spotpreis Optimierer
    • Integration der Smart Meter Daten Energieverbrauch Import-Export PV etc.
    • Integration zur Steuerung der Heizungsanlage
    • Informationen und Integration über den Ladestand vom Batterie Speichersystem
    • Erstellung einer Logik zum freigeben der Wärmepumpe
    • evtl. weiter Steuerung von Last intensiven Verbrauchern
    • evtl. Reduzierung von Heizkreisen bzw. Vorlauftemperaturen und Wassertemperaturen.
    Die technische Anbindung der einzelnen Verbraucher , Komponenten wie PV und Batteriespeicher sind dabei nicht die große Herausforderung. ( Modbus / KNX / Relais / Loxberry)

    Es geht vielmehr darum, wie die entsprechenden Regeln beim Verhalten von entsprechenden Zuständen der Energie angewandt werden.


    RULE Batterie Speicher:

    Wenn Strompreis hoch und Batterie-Speicherkapazität höher als 10% dann Zwangsladung zur Unterstützung der Netz Last.

    Wenn Strompreis gering und aktuelle PV Erzeugung unter aktuellem Eigenverbrauch dann Zwangsladung Ein.



    RULE Wärmepumpe :

    Wenn Strompreis hoch und Batterie-Speicherkapazität kleiner als 50% dann Abschaltung über EVU Sperre EIN Wärmepumpe

    Wenn Abschaltung über EVU Sperre Wärmepumpe und Strompreis länger als 2 Stunden hoch dann EVU Sperre Aus für 1 Stunde.

    Wenn Strompreis gering und aktuelle PV Erzeugung unter aktuellem Eigenverbrauch dann EVU Sperre Aus.


    RULE Verbraucher :

    Wenn Strompreis hoch und Batterie-Speicherkapazität kleiner als 50% dann Abschaltung Verbraucher wenn Verbraucher aktuell kein Verbraucher (Aus)

    Wenn Strompreis gering und aktuelle PV Erzeugung unter aktuellem Eigenverbrauch dann Verbraucher EIN.


    RULE Filteranlage:

    Wenn Strompreis hoch und Batterie-Speicherkapazität kleiner als 50% dann Abschaltung Filteranlage

    Wenn Abschaltung Strompreis hoch länger als 8 Stunden hoch dann Filteranlage Ein für 1 Stunde.


    Wenn Strompreis gering und aktuelle PV Erzeugung unter aktuellem Eigenverbrauch dann Filteranlage Ein für 1 Stunde


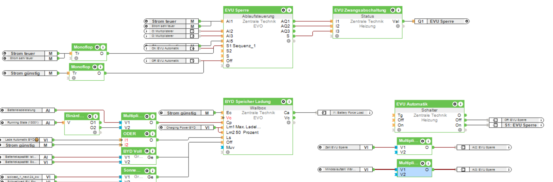
    Anbei habe ich ein kleines exemplarisches Schaubild gemacht.


    Ich denke das Ganze kann am besten über den Baustein Ablaufsteuerung geregelt werden.

    Es würde mich freuen wenn dieser Thread als Austausch dient und wir unsere Erfahrungen / Erkenntnisse möglichst optimieren und daraus eine Vorlage entsteht .


    Ich bin sehr gespannt wie ihr das Thema löst oder bereits gelöst habt !



    Oder können diese Ausgaben doch mit eigenen Bordmitteln von Loxone ohne eigene Logik Seiten problemlos umgesetzt werden ?


    Alternativ:
    Das Energiemanagement–System SMARTFOX Pro ist eine perfekte Lösung zur optimalen, komfortablen und bedarfsgerechten Eigenverbrauchsoptimierung. Es bildet die zentrale Schnittstelle zwischen Stromerzeugung und den angesteuerten Verbrauchern oder Speichern.
    ​​
    Kennt das jemand : https://smartfox.at/smartfox-pro.html ?





    ​​
    Angehängte Dateien
    Zuletzt geändert von IFLUR; 09.12.2022, 00:33.
  • IFLUR
    LoxBus Spammer
    • 07.01.2016
    • 392

    #2
    Erste Fortschritte
    • Strompreis Ermiitlung über Spot Price
    • Freigabe der Heizung über EVU Kontakt
    • Logic über Ablaufsteuerrung
    • Laden des Speicher um Strom Spitzen abzufangen
      • Laden nur wenn Strom sehr günstig
      • Nur wenn PV Forecast die nächsten 24 Stunden niedrig
      • Stoppen der Zwangsaldung wenn Füllstand X erreicht wird.
    Es gilt nun weiter zu "optimieren" logisch zu verbessern

    Auszug der Ablaufsteuerung


    Code:
    ///Variablen setzten
    
    //Zeiten
    
    set value1 = AI2
    
    set value2 = AI3
    
    
    /// Schalte EVU Sperre Ein
    
    set AQ1 = 0
    
    // Start
    
    if AI1 = 1 /// Wenn Strom teuer ist
    
    set AQ1 = 1 /// Schalte EVU Sperre Ein
    
    sleep value1
    
    goto 17 // Geh zum Zwangeinschaltung
    
    endif
    
    
    // EVU Sperre nach X Minuten Zwang für X Minuten wieder einschalten
    
    if AI5 = 1 // Wenn Strom zwischenzeitlich günstig goto EVU Sperre aus
    
    set AQ1 = 0 /// Schalte EVU Sperre Aus
    
    goto 10
    
    endif
    
    set AQ2 = 1
    
    sleep value2 // Setzte Zeitvezögeruing ( Dauer EIN )
    
    endif
    
    goto 9
    
    end
    ​
    Angehängte Dateien
    Zuletzt geändert von IFLUR; 09.12.2022, 12:12.

    Kommentar

    • kip_dynamite
      Dumb Home'r
      • 24.10.2022
      • 13

      #3
      Hallo,
      evtl. sollte man sich noch das Wetter am Folgetag anschauen:
      Wenn klar ist, dass am nächsten Tag die Sonne scheint und ein hoher Überschuss erzielt werden wird, soll die Batterie in der Nacht auch bei sehr günstigem Strom nicht komplett geladen werden.

      Grüsse

      Kommentar

      • IFLUR
        LoxBus Spammer
        • 07.01.2016
        • 392

        #4
        Danke das wird mit dem Solercast Plug im Loxberry gelöst.
        wenn der erwartende Solarertrag über xy kW liegt dann nicht laden.. Das schließt das Wetter (Solarenergie) mit ein.
        Aber ich gib dir Recht es gibt hier weiter Optimierung. Bis auf wenige Stunden genau kann man halt diesen Energieverlauf schlecht vorhersehbar

        Aktuell würde bei niedriger Strompreisentwicklung und leerem Batterie Speicher eine Zwangsladung stattfinden die bei Meldung eines zu erwartenden hohen PV Aufkommens deaktiviert wird.

        Dies würde aber unter Umständen auch bedeuten dass ich die ganze Nacht über teuren Strom beziehe und erst am Tag mit neuer Sonne Energie starte.

        Alles sehr kompliziert deshalb auch die Bitte um regen Austausch hier zu Lösungen wie ihr eure Speicher oder eure Energie zu Hause sinnvoll steuert 😁

        Kommentar


        • kip_dynamite
          kip_dynamite kommentierte
          Kommentar bearbeiten
          Ich habe deinen 2. Post mit dem PV-Forecast komplett übersehen. Da steht ja schon alles. sorry.

        • IFLUR
          IFLUR kommentierte
          Kommentar bearbeiten
          Kein Ding 😁
      • cko
        Smart Home'r
        • 25.08.2015
        • 79

        #5
        Hallo, bist du hier schon weiter. Ich würde gerne das Entladen meines Speichers verhindern wenn zu erwarten ist das der Akku in den teuren Morgenstunden lerr läuft.

        Kommentar

        • marcb
          LoxBus Spammer
          • 19.08.2017
          • 334

          #6
          Die meisten Einsparungen lassen sich bereits mit den Loxone Bordmitteln gut realisieren - insbesondere wenn ein Akku vorhanden ist.

          Eine weitere einfach umzusetzende Möglichkeit wäre noch bei "billigem Strom" die Temperatur im Wasserspeicher oder auch die Raumtemperatur zu erhöhen um so Energie zu speichern.

          Ich bin aber skeptisch ob sich variable Strompreise aktuell wirklich lohnen - die sind meist nur ein paar Stunden am Tag extrem günstig (eine 12kWh Batterie lässt sich oft gar nicht in 1-2h ganz aufladen), und wenn man dann noch den Verschleiß der Batterie einrechnet (Größenordnung 5-10ct pro kWh) und die Verluste beim Laden und wieder einspeisen (10-20%) kommt ein günstiger fixer Strompreis (aktuell wieder unter 25ct/kWh) insgesamt billiger.

          Auch die meisten Wärmepumpen können in wenigen "billigen" Stunden am Tag nicht das ganze Haus aufheizen und laufen im "Maximalbetrieb" nicht sehr effizient.
          Zuletzt geändert von marcb; 29.09.2023, 09:59.
          Loxone (für Visualisierung und Komfortfunktionen): MS2, 2x KNX + DMX + Air Ext, 2x Audio Server + 4x Stereo Ext, Baudisch ECO an MS + Fritzbox, NFC Code Touch)
          KNX (autark für alle Grundfunktionen): >100 KNX-Geräte (Aktoren, Sensoren, Glastaster...)

          Kommentar

          • aldriana
            Dumb Home'r
            • 04.02.2024
            • 27

            #7
            Ich habe alle Verbraucher im Haus mal in den Energiermonitor gehängt und mir wirklich jedes einzelne Gerät angesehen.
            Die größten Sparpotentiale sind die Standby Ströme gänzlich zu vermeiden (60W pro Jahr bei 7cent sind mit Netzgebühraufschlag 80€).
            Stromfresser hab ich keine, alles LED und gute Geräte.

            Ein anderer Aspekt ist aber z.B. bei Wärmepumpen die Reduktion der Anfahrvorgänge (=Taktung). Wer im Vorlauf mit Mischern arbeitet, und keine modulierende Anlage hat, tut gut daran die Pufferspeicher Hysterese auf einen möglichst hohen Wert zu setzen. Damit heizt die WP den Puffer um den Hysterese Wert höher auf, als die notwendige Vorlauftemperatur für die FBH. Bei modulierenden ist es natürlich genau umgekehrt, da soll die Hysterese gering sein damit der Betriebspunkt optimiert ist. Bei mir reduzierte sich die Anzahl der Taktungen von 12 auf 5 je Tag, was im Umkehrschluss eine Verdoppelung der Lebensdauer bedeutet. Die Nettolaufzeiten ändern sich ja kaum durch so einen Eingriff wenn die Leitungen im Technikraum gut isoliert sind. Aus den Daten sehe ich, dass die Wärmepumpe auch weniger Vorrangladungen für Warmwasser macht. Wenn ich es richtig interpretiere wird beim normalen Heizen der Frischwasserteil mit der HGL immer bei klein mitgeheizt, offenbar durch die längeren Laufzyklen wirkt sich das nochmals positiv aus.

            Das Ganze habe ich dann am Ende noch mit dem Spotpreise Optimierer so angepasst, dass ich die WP nur bei den Geringstpreisen am Laufen habe.
            Die Einsparung kann sich sehen lass, 40% weniger Stromverbrauch und Verdoppelung der Lebensdauer der WP (die ja auch ihren Wert hat).
            Als letztes habe ich dann den Spotpreis Optimieren noch ein wenig missbraucht :-), indem ich ihn für die Solaroptimierungsrechnung verbogen hab.
            Als Absolutoptimierer mit Solcast Daten gefüttert, bekomme ich ab Mitternacht über den Tag 8 mal Solarwerte aktualisiert und kann so die Optimiererausgänge mit den erwarteten kWh Werten mit den Verbraucher kombinieren und dann gezielt die größeren Verbraucher stundenweise optimieren.

            Die Grundlast der Home Automation konnte ich durch die KNX Vermessung aller Verbraucher im gesamten Haus von ca. 750W auf etwas unter 300W senken.

            Batterie habe ich keine, bei den Preisen und der defacto-Optimierung ist der Break Even nach Ende der zu erwartenden Lebensdauer der Batterie. Also kommt vorerst bei gegebener Fördersituation keine ins Haus.
            Zuletzt geändert von aldriana; 02.03.2024, 16:09.

            Kommentar


            • marcb
              marcb kommentierte
              Kommentar bearbeiten
              Eine Verdoppelung der Lebensdauer der WP ist eine etwas optimistische Annahme. Sicherlich erhöht sich die Lebensdauer für bestimmte Komponenten merklich, bei anderen kann durch die höhere Temperatur zu höherem Verschleiß kommen, wieder andere werden verschleißen durch das Alter der WP.
          • loxer2018
            Azubi
            • 30.07.2021
            • 7

            #8
            Zitat von aldriana

            Das Ganze habe ich dann am Ende noch mit dem Spotpreise Optimierer so angepasst, dass ich die WP nur bei den Geringstpreisen am Laufen habe.
            Die Einsparung kann sich sehen lass, 40% weniger Stromverbrauch und Verdoppelung der Lebensdauer der WP (die ja auch ihren Wert hat).
            Als letztes habe ich dann den Spotpreis Optimieren noch ein wenig missbraucht :-), indem ich ihn für die Solaroptimierungsrechnung verbogen hab.
            Als Absolutoptimierer mit Solcast Daten gefüttert, bekomme ich ab Mitternacht über den Tag 8 mal Solarwerte aktualisiert und kann so die Optimiererausgänge mit den erwarteten kWh Werten mit den Verbraucher kombinieren und dann gezielt die größeren Verbraucher stundenweise optimieren.
            Hallo Aldriana,

            bin auch mit einer nicht modulierenden Wärmepumpe "gesegnet". Bisher triggere ich in Abhängigkeit der PV-Leistung die SmartGrid Schnittstelle. Den Spotpreis Optimierer habe ich schon in meiner Config, allerdings wird damit noch nichts geschaltet. Meine Heizung ist leider etwas kompliziert über Loxone anzusteuern, da ich nur die ebus Schnittstelle zur Verfügung habe. Bin nun am überlegen, ob ich als ersten Schritt auch nur die SmartGrid Schnittstelle über den Spotpreis-Optimierer ansteuere. Die elegante Lösung braucht wird diesen Winter aus Zeitgründen nichts mehr...

            Den Teil mit dem "Spotpreis-Optimierer missbrauchen für PV" habe ich nicht verstanden. Kannst du das noch näher ausführen, bzw. einen Ausschnitt deiner Config posten?

            Kommentar

            • aldriana
              Dumb Home'r
              • 04.02.2024
              • 27

              #9
              Update:
              Solcast liefert zu erwartende Energieflüsse in kWh. Da ich den Energiebedarf je Schaltzyklus kenne, kann ich die Wärmepumpe „kurz halten“ selbst zu entscheiden wann sie heizen darf. Im Grunde kombiniere ich vier Aspekte. Strompreis, Solarleistung, Taktzahl und Verbrauchssteuerung.

              Nun zum Spotpreis Optimierer. Ich verwende den Baustein zwei Mal. Einmal füttere ich ihn mit den Tageswerten und einmal mit den Werten für den Tag darauf. Der Optimierer spuckt mir dann z.B. die Stunden mit den "höchsten" Werten aus. Diese sind dann nicht in cent/kWh sondern im Grunde nur kWh.
              In der Logik sage ich dann, wenn zumindest 1 Stunde mehr als 1,5kWh zu erwarten sind und wenn dann noch der cent Betrag vom eigentlichen Sportpreis sich decken, dann lege ich genau dort die Vorrangladung für das Warmwasser hin. Ist keine Sonnenenergie zu erwarten, dann nimmt die Pumpe den billigsten Zeitpunkt.
              Zuletzt geändert von aldriana; 06.03.2024, 12:49.

              Kommentar

              • LoxMeUp
                LoxBus Spammer
                • 09.04.2022
                • 243

                #10
                Zitat von aldriana

                Die Grundlast der Home Automation konnte ich durch die KNX Vermessung aller Verbraucher im gesamten Haus von ca. 750W auf etwas unter 300W senken..
                Wie misst du mit KNX die Last aller Verbraucher?

                Kommentar

                • aldriana
                  Dumb Home'r
                  • 04.02.2024
                  • 27

                  #11
                  Hab alles Schaltaktoren mit Strommessung. Da ich weis welches Geräte auf welcher Phase hängt und mir die PV die Spannungen liefert lässt sich das ganz einfach berechnen

                  Kommentar

                  Lädt...