Ideen zur Analog Logik gesucht

Einklappen
X
 
  • Zeit
  • Anzeigen
Alles löschen
neue Beiträge
  • pbuechel
    LoxBus Spammer
    • 26.08.2015
    • 286

    #1

    Ideen zur Analog Logik gesucht

    Hallo zusammen,

    ich frag mal in die Runde weil ich mit meiner Aufgabenstellung auf dem Schlauch stehe.

    Ausgangspunkt ist ein Analogwert. Ist der Wert >=0 soll er an einen Modbus-Aktor-1 und eine 2 an einen Modbus-Aktor-2 weitergegeben werden.
    Ist er <0 geht der Wert (positiv) an Modbus-Aktor-3 und eine 1 an einen Modbus-Aktor-2.

    Ich bekomm's einfach nicht abgebildet
    Ich danke schon mal für Ideen.

    Ciao
    No Support via PM, MS v2 + KNX,AIR Extension (ziemlich sicher aktuelle Version)
  • SPS-Guru
    Extension Master
    • 27.12.2022
    • 127

    #2
    Wenn ich deine Aufgabenstellung richtig verstanden habe müsste das so gehen.

    Klicke auf die Grafik für eine vergrößerte Ansicht

Name: image.png
Ansichten: 204
Größe: 21,8 KB
ID: 458842

    Klicke auf die Grafik für eine vergrößerte Ansicht

Name: image.png
Ansichten: 203
Größe: 22,0 KB
ID: 458841

    Kommentar

    • SPS-Guru
      Extension Master
      • 27.12.2022
      • 127

      #3
      Sorry hier noch ein Screenshot bei welchem du die Einstellungen der Min/Max Begrenzer siehst.

      Klicke auf die Grafik für eine vergrößerte Ansicht

Name: image.png
Ansichten: 139
Größe: 24,1 KB
ID: 458845

      Kommentar


      • pbuechel
        pbuechel kommentierte
        Kommentar bearbeiten
        Hab das jetzt mal eingebaut und es funktioniert entsprechend meiner Beschreibung. Vielen Dank dafür!

        Allerdings gibt es eine Feedbackschleife von den Aktoren 1 und 3 zum Ausgangswert (Das passiert im Modbus-Gerät). Den Ausgangswert muss ich jede sek abfragen.
        Ich denke ich müsste die Sprünge der Werte welche wieder in die Aktoren geschrieben werden etwas glätten. Gibt es da was?

      • SPS-Guru
        SPS-Guru kommentierte
        Kommentar bearbeiten
        Ich verstehe nicht so ganz was du meinst.
        Kannst du mal einen Screenshot zeigen.
    • pbuechel
      LoxBus Spammer
      • 26.08.2015
      • 286

      #4
      Prima, das schaut erst mal gut aus. Werd ich morgen mal ausprobieren.
      Ich sehe nur dass die 0 einen Output an Aktor-1 UND -3 zur Folge hat. Soll eigentlich nicht sein aber schaun wir mal was das Gerät sagt.
      Vielen Dank erst einmal.
      No Support via PM, MS v2 + KNX,AIR Extension (ziemlich sicher aktuelle Version)

      Kommentar


      • SPS-Guru
        SPS-Guru kommentierte
        Kommentar bearbeiten
        Ja dann müsste man halt wissen was bei >=0 an Aktor-3 ausgegeben werden soll. 😉
    • BBenda
      Extension Master
      • 06.01.2023
      • 106

      #5
      Status Baustein bzw. Zwei für jeden Modbus Aktor einen

      Kommentar


      • pbuechel
        pbuechel kommentierte
        Kommentar bearbeiten
        Das funktioniert nicht da an einem Status-Baustaein nur ein Aktor hängen kann. Ich habe allerdings insges. drei Aktoren.

      • BBenda
        BBenda kommentierte
        Kommentar bearbeiten
        deswegen habe ich ja geschrieben für jeden Aktor einen (Statusbaustein)
    • SPS-Guru
      Extension Master
      • 27.12.2022
      • 127

      #6
      Du brauchst für dein Problem 3 Statusbausteine wenn du es so lösen möchtest.

      Kommentar

      • pbuechel
        LoxBus Spammer
        • 26.08.2015
        • 286

        #7
        Ich denke, da wird ein Screenshot nicht viel helfen. Er zeigt nicht mehr als deinen Vorschlag.
        Den Analogwert kommt von einem ShellyPro3em und liefert sekündlich den Ernegiefluss eines Hausanschlusses (positiv=Bezug, negativ=Eeinspeisung).
        Gesteuert werden soll ein AC-gekoppeöter Stromspeicher um eine Null-Einsspeisung zu erreichen.
        Diesen steuert man wie folgt:
        Aktor-2: 1=Laden, 2=Entladen, 0=Standby
        Aktor-1: Leistung beim Laden
        Aktor-3: Leistung beim Entladen
        Wenn ich die Schaltung aktiviere findet keine Regelung statt. Der Analogwert geht nicht mal annähernd gegen Null.
        Der Screenshot mit den Aktualwerten ist jetzt etwas ungünstig da der Speicher nun voll ist
        Angehängte Dateien
        No Support via PM, MS v2 + KNX,AIR Extension (ziemlich sicher aktuelle Version)

        Kommentar


        • pbuechel
          pbuechel kommentierte
          Kommentar bearbeiten
          Nein, es gibt keine Probleme beom Schreiben. Die Werte landen einwandfrei im Speicher.
          Und ja, das Modbus-Schreiben muss aktiviert werden. Ich kann per Loxi umschalten; der Speicher holt sich Werte vom Shelly oder ich muss sie per Modbus schreiben. Leider hat der Speicher nur WiFi :-( daher würde ich das gerne per Modbus erschlagen.

        • SPS-Guru
          SPS-Guru kommentierte
          Kommentar bearbeiten
          Hast du bevor die Schaltung drangehängt wurde die Funktion
          auch mal mit virtuellen Eingängen nachgebildet? Wenn ja hat das dann funktioniert ?

        • pbuechel
          pbuechel kommentierte
          Kommentar bearbeiten
          Klar hab ich das :-) Nur kann ich nicht die schnellen Änderungen des Hauszählers emulieren.
          Ich werd mir das morgen nochmal ansehen. Der Speicher ist dann sicher lehr, sind nur 5kWh ;-)
      • pbuechel
        LoxBus Spammer
        • 26.08.2015
        • 286

        #8
        Noch eine Frage am Rande. Wie kann ich vor den Modbus-Aktor einen Schalter setzen der das Schreiben disabled?
        Angehängte Dateien
        No Support via PM, MS v2 + KNX,AIR Extension (ziemlich sicher aktuelle Version)

        Kommentar


        • SPS-Guru
          SPS-Guru kommentierte
          Kommentar bearbeiten
          Einen Analogspeicher dazwischen setzen.
          Den musst du dann natürlich noch triggern.
      • SPS-Guru
        Extension Master
        • 27.12.2022
        • 127

        #9
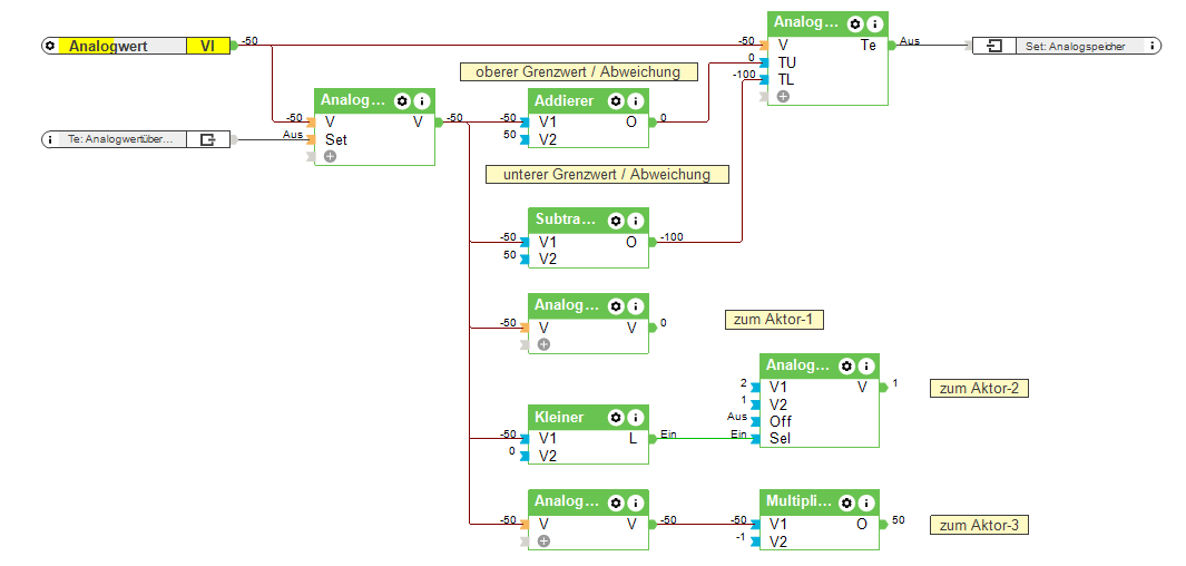
        Hier ein Vorschlag für einen Filter bei dem du die obere und untere Abweichung
        zum aktuellen Sollwert einstellen kannst.

        Klicke auf die Grafik für eine vergrößerte Ansicht

Name: image.png
Ansichten: 78
Größe: 44,6 KB
ID: 458988

        Kommentar

        • pbuechel
          LoxBus Spammer
          • 26.08.2015
          • 286

          #10
          Besten Dank für deine Hilfe. Habe meinen Fehler gefunden. Ich habe schlicht die falschen Werte an den Speicher gegeben
          No Support via PM, MS v2 + KNX,AIR Extension (ziemlich sicher aktuelle Version)

          Kommentar

          Lädt...