Wenn ich nur die Werte brauche (um sie zu dokumentieren oder anders zu verwerten), kann man das sicher mit Formeln lösen und dann lässt man den Baustein komplett weg ;-)
Loxone Energiemonitor Bug?
Einklappen
X
-
Wenn man die Visualisierung des Bausteines gerne hätte, wüsste ich nicht, wie es gehen kann.
Wenn ich nur die Werte brauche (um sie zu dokumentieren oder anders zu verwerten), kann man das sicher mit Formeln lösen und dann lässt man den Baustein komplett weg ;-) -
Hmm bei mir klemmt es regelmäßig beim Zähler Verbrauch..
Aktuelles Bsp. vom 27.10.
Verbrauch 23,07
Bezug 9,7
Lieferung 10,5
Produktion 15
Es war ganztägig keiner anwesend, Fußbodenheizung seit Tagen aus, Verbrauch dürfte nur minimal gewesen sein
2-3 kWh wäre ok aber nicht die im Energiemonitor Zähler ausgewiesenen 23,07
Ich habe leider die falsch rechnende Energiemonitor Formel noch nicht erschlossen
Könnte man nicht an den Eingang ein so kleines oder gar negatives Ergebnis geben so dass der e Monitor dann damit rechnet und das Richtige herauskommt?
Gesendet von iPhone mit TapatalkKommentar
-
Morgen, habe vor 3 Tage eine Mail mit verweis auf diesen Thread Loxone angeschrieben weil ich nicht 1000x das gleiche aufzählen möchte aber bisher keine Antwort.
schade Loxone!!!!zu viel KNX und zu wenig LoxoneKommentar
-
Ich habe ein Smart Energy Meter von Kostal und weiss nicht welche Ausgänge ich auf Ev und Ed anlegen soll. Kann mir jemand helfen? Was ist bei euch mit diesen Eingängen verbunden?Kommentar
-
Danke miqa!
Total Home Consumption Grid ist 112?
Total Energy ist 102 und Total Home Consumtption PV 114? -
102 steht in dem Dokument das ich habe gar nicht drin.
Total Energy ist 320. Wobei ich gerade gesehen habe, dass das in der Doku als Total yield drin steht.
Die anderen beiden passen.
Es sei dazu gesagt, dass das nur meine Lösung ist. Andere User hängen auch andere Werte an die Eingänge. Im Loxwiki hat zum Beispiel jemand beschrieben das er die DC Werte verwendet um die Visualisierung im Energiemonitor so aussehen zu lassen wie auf dem Webinterface des Wechselrichters. Das kann ich auch wohl nachvollziehen, auf der anderen Seite denke ich aber auch dass das nicht der richtige Wert ist, da mir zum Verbrauch bzw. zur Eispeisung nur die AC Leistung zur Verfügung steht.
-
-
Ich hab mir jetzt mal die Verbrauchswerte von meinem Wechselrichter geholt und mit der Formel die Loxone angibt nachgerechnet. Da kommt was anderes Raus als in der App steht. Das kann entweder bedeuten das Loxone mit einer anderen Formel als angegeben rechnet und die Doku dementsprechend falsch ist. Dann weiß ich aber nicht wie sie rechnen.
Alternativ bedeutet es, dass sie nur manchmal falsch Rechnen. Das wäre noch schlimmer, weil es dann nahezu unmöglich ist herauszufinden wo der Fehler passiert.
ThePhantom79 Wie müsste denn deiner Meinung nach die Formel richtig lauten?Kommentar
-
Möglicherweise liegt das Problem darin, dass im Energiebaustein keine negative (-) Produktion erfasst oder angezeigt wird. Ich liefere dem Energiebaustein auf den Anschluss EV (Verbrauchseingang Energieversorger) den Gesamtverbrauch aus dem Netz. Dieser wird aber von der Gesamtproduktion nicht abgezogen - zumindest dann, wenn die Produktion null (0 kWh) ist.
Das lässt sich wie folgt beweisen: Wenn die Gesamtproduktion real 0 ist und der Gesamtverbrauch 1'000 kWh ist, dann müsste die Gesamtproduktion auf der Visualisierung -1'000 (minus 1'00) kWh sein. Diese bleibt aber 0.
Also in dem Baustein ist wirklich mindestens ein Bug drin.
Und die realen Bedürfnisse deckt er auch noch nicht ab. Wenn es um den Parameter Strompreis geht, dann wäre es mehr als sinnvoll, wenn beim Bezug ein Nieder- und Hochtarif angegeben werden könnte. Das würde natürlich ein bisschen Programmieraufwand erfordern, da es ja auch möglich sein sollte, die Tarife dem Tages- und Wochentagzeiten zu zuordnen...Kommentar
-
Das mit Hoch und Niedertarif dürfte schwer möglich sein, weil die Schaltzeiten ja unterschiedlich sind. Das kannst du aber mit zwei vorgeschaltetnen Schaltuhren lösen. Die Schaltuhren (eine HT und eine NT) geben in der gewünschten Zeit immer eine 1 aus. Sonst eine 0. Das Multiplizierst du dann mit dem jeweiligen Preis und addierst die Werte dann einfach. Dann wird an den Baustein zu deinen gewünschten Zeiten der gewünschte Preis übergeben.
-
-
-
Wahnsinn! Ich habe jetzt auch ewig gesucht, ob ich was falsch mache. Dann bin ich auf diesen Artikel gestoßen. Ist bei mir genau das gleiche. Einzig der Verbrauch stimmt hinten und vorne nicht. Kann gar nicht glauben, dass das schon so lange nicht behoben wurde. An dem Baustein muss ja der größte Held bei Loxone sitzen. Die Visu wird ja auch seit ein paar Wochen falsch skaliert. Regt mich echt auf, weil ich dann nicht mehr erkennen kann, wie voll mein Speicher ist. Da muss ich jetzt immer extra in die Statistik, die ich aber nur stündlich schreibe oder immer extra auf Solar.web.
Mal sehen, ob ich auch noch ein Ticket für den falschen Verbrauch aufmache.Kommentar
-
same here !!!!, Grafik mit Produktion-Verbrauch-Einspeisung/Bezug am Energiemonitor in der Visu stimmt ABER Statistik Verbrauch falsch --->hier rechnet der Depp einfach die Tagesproduktion + Bezug, was ja falsch ist, da ich nicht die komplette Tagesproduktion selbst verbrauchen kann.
viel zu viel Zeit verschissen und den Fehler bei mir selbst gesucht.
Bitte um baldige Lösung seitens Loxone !!!!!Kommentar
-
Seltsam. Bei mir wird alles korrekt berechnet. Beispiel von Gestern:
Ertrag: 66.09 kWh
Verbrauch: 30.8 kWh
Lieferung: 48.3 kWh
Bezug: 13.0 kWh
Eigenverbrauch = Ertrag - Lieferung = 17.79 kWh
Verbrauch = Eigenverbrauch + Bezug = 17.79 kWh + 13.0 kWh = 30.8 kWh
Während dem Einspeisen wird die Leistung als negativer Wert beim Eingang Pv and den Energiemonitor weitergegeben.1 BildKommentar
-
Macht alle ein Ticket auf - da das Problem nun seit mehreren Releases bekannt ist, und sich nichts tut, glaube ich langsam nicht mehr daran, dass es gefixt wird. Daher: Ticket eröffnen :-)Kommentar
-
Ich hab es bei mir jetzt hingekriegt, dass alle Werte präzise stimmen. Sowohl in der Visualisierung, als auch in den Statistiken. Der Baustein funktioniert einwandfrei. Zumindest ohne Solarbatterien. Leider habe ich (noch) keine, mit der ich den Baustein vollständig testen könnte. Mittlerweile weiss ich den Baustein wirklich zu schätzen - im Besonderen auch die Statistikfunktionen.
Die Probleme, die ich mir selbst eingehandelt hatte, entstanden aus der nicht wirklich eindeutigen Dokumentation des Bausteins. Die verschiedenen Begriffe, wie Bezug, Verbrauch, Import, Lieferung, Ertrag, Produktion, Leistung, Energie, Zähler sind nicht durchgängig spezifiziert und führten daher bei mir auch zur Verwirrung und damit zu einer initial fehlerhaften Konfiguration.
Hier wie ich es dann in einem zweiten Anlauf verstanden und umgesetzt habe (und wie es funktioniert):
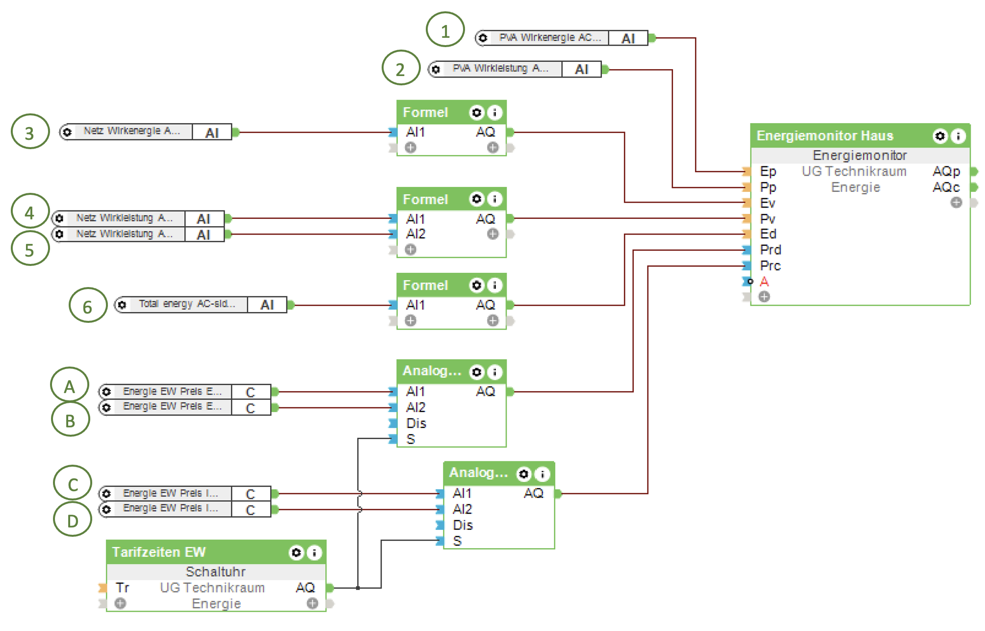
Eingänge:
1. Ep - Total produzierter PV Ertrag (AC Energie in kWh). Entspricht Gesamtzählerstand des Wechselrichters.
2. Pp - Aktuell produzierte PV Leistung (AC Leistung in kW). Entspricht aktuellem Produktionswert vom Wechselrichter.
3. Ev - Total vom Netz importierte Energie (AC Energie in kWh). Entspricht dem Gesamtzählerstand der vom Netz bezogenen Energie, gemessen am Hauptstromzähler.
4. Pv - Aktuell vom Netz importierte (positiver Wert) oder in das Netz exportierte (negativer Wert) Leistung (AC Leistung in kW). Entspricht aktuellem Bezug oder aktueller Einspeisung (bidirektional), gemessen am Hauptstromzähler.
5. Skalierungsfaktor (nur erforderlich, falls Zähler ein Skalierungsausgang hat).
6. Ed - Total in das Netz exportierte Energie (AC Energie in kWh). Entspricht dem Gesamtzählerstand der in das Netz eingespeisten Energie, gemessen am Hauptstromzähler.
7. A - Ist in diesem Fall auf 1 gesetzt, da die absoluten Werte (der jeweilige Gesamtzählerstand) an Ev und Ed geliefert werden.
A. Prd - Leistungsvergütungspreis pro kWh zum Niedertarif
B. Prd - Leistungsvergütungspreis pro kWh zum Hochtarif
C. Prc - Leistungsbezugspreis pro kWh zum Niedertarif
D. Prc - Leistungsbezugspreis pro kWh zum Hochtarif
Hier noch die Ansicht mit den Werten an den Ein- und Ausgängen:
Viel Erfolg!Zuletzt geändert von FiCastle; 04.03.2021, 14:00.Kommentar
-
Ich erkenne auch keinen Unterschied zu den von mir vorgenommen Verbindungen. Dennoch stimmt meine Statistik "Zähler Verbrauch" nicht.
z.B. heute:
Zähler Produktion = 32,2 kWh
Zähler Lieferung = 15,2 kWh
Zähler Bezug = 382 Wh (0,382 kWh)
Zähler Verbrauch = 29,8 kWh
Folglich ist mein Eigenverbrauch 32,2 - 15,2 = 17 kWh
Dazu dann noch den Bezug von 0,382 kWh ist halt eben kein Verbrauch von 29,8 kWh!
Übereinstimmung mit Solar.web gibt es bei Zähler Produktion. Mein Verbrauch liegt bei 12,16 kWh. Der Rest zu 17 kWh ist in die Batterie gegangen.
Die Lieferung von 15,2 stimmt also auch. Minimale Unterschiede bestehen, weil der Gen24 WR den Wert für Ep noch nicht liefert und der rechnerisch ermittelt wird.
Die Statistik des Verbrauchs ist also definitiv falsch.
-
Tatsächlich habe ich das auch schon immer so angeschlossen (udn auch so verstanden, wie du es erklärt hast). Leider stimmen die Werte Ertrag und Verbrauch bei Sonneneinstrahlung trotzdem bei mir nicht. Dies hat ja auch Loxone bereits so bestätigt. Würden die Zahlen stimmen, würde sich meine PV-Anlage nach 2,5 Jahren schon armortsiert haben - das wäre schön ;-)
Die Statistiken für Produktion und Einspeisungen dagegen wurden schon immer korrekt bei mir ausgewertet und angezeigt.Kommentar
-
Funktionieren und einigermaßen übereinstimmen tut das bei mir auch mit dem Fronius Portal. Das Problem ist, dass nach einer gewissen Laufzeit bei mir an den AQp Ausgängen nur noch 0 ankommt, obwohl die Eingänge nach wie vor beschaltet sind. Habe meinen Baustein Ende Januar einmal neu gemacht - lieg 4 Wochen und nun zählt er schon wieder ncht und ich hab Ertragswerte jenseits der 500000 EUR. Also schön wärs
.
HAbe dazu mittlerweile vom Support eine Bugmeldung erhalten - muss also nur noch gefixt werden.Kommentar
Kommentar