Tastenkombination mit Touch Schalter realisieren

Einklappen
X
 
  • Zeit
  • Anzeigen
Alles löschen
neue Beiträge
  • Gast

    #1

    Tastenkombination mit Touch Schalter realisieren

    Hallo zusammen,

    mein Name ist Thorsten und ich komme aus der Oberpfalz. Wir sind gerade am planen für unseren zukünftigen Neubau. Bezüglich der Hausautomation wird vollständig Loxone verbaut werden. Nach nächtelangem (und auch tagelangem :-)) Studium der Loxone Produkte und vor allem der dazugehörigen Dokumentationen, trauen wir uns zu, die Programmierung größtenteils selbst zu machen. Einen Musterkoffer zum Ausprobieren und Testen haben wir bereits.
    Dennoch bleibt bisher so manche Frage offen. Ich hoffe hier den richtigen Platz für Erfahrungsaustausch und Rat gefunden zu haben.

    Und hier kommt sie auch schon, die erste Frage:
    Wir würden gerne einen Ausgang über eine innerhalb einer gewissen Zeitspanne betätigte Tastenkombination am 5-fach Taster von Loxone realisieren. Also irgendwie so: T2->T4->T5 innerhalb sagen wir 2 sec. nacheinander drücken und dann soll der Ausgang geschaltet werden.

    Ist dies programmiertechnisch irgendwie möglich? Oder gibts gar einen passenden Baustein dafür? Wenn ja, wie würde man das programmieren?

    Ich hoffe ich habe es nicht zu kompliziert formuliert.

    Vielen lieben Dank vorab für eure Hilfe.

  • Christian Fenzl
    Lebende Foren Legende
    • 31.08.2015
    • 11250

    #2
    Der Klassiker: Alarmanlage abschalten.
    Leider gibt's dafür keinen Baustein. Man muss das selbst zusammenschnitzen.

    Wird der gesamte T5 ausschließlich dafür verwendet, oder willst du mit den 5 Tasten auch sonst noch was schalten?
    Hilfe für die Menschen der Ukraine: https://www.loxforum.com/forum/proje...Cr-die-ukraine

    Kommentar

    • Gast

      #3
      Ja genau, der Klassiker Alarmanlage.
      Wollte auch noch das Licht damit schalten.

      Kommentar

      • romildo
        Lebende Foren Legende
        • 25.08.2015
        • 5173

        #4
        Hallo Thorsten
        Licht und Alarmrückstellung auf denselben Tasten oder Licht auf T1 und T3 und Alarmrückstellung auf den restlichen?
        Wenn es die selben Tasten sein sollen, hast Du Dir vielleicht auch schon überlegt wie der Ablauf sein soll?
        Mit welcher Configversion arbeitest Du?

        Nachtrag:
        Hier noch was ähnliches.
        Zuletzt geändert von romildo; 13.08.2016, 17:23.
        LG Romildo

        Kommentar

        • Gast

          #5
          Hallo romildo,

          danke für den Link. Das bringt mich schon mal ein Stückchen weiter.
          Ich arbeite mit Config 8.
          Licht und Alarm nicht auf den selben Tasten. Licht auf T3. Der Rest ist frei und für Alarm verfügbar.

          Kommentar


          • romildo
            romildo kommentierte
            Kommentar bearbeiten
            Bitte gerne.
            Dann sollte es ja kein Problem sein. Du könntest das Beipiel im Link aus #15 in die Config kopieren und die Virtuellen Eingänge BM1, BM2 und BM3 durch Deine Eingänge ersetzen.
        • Haidy
          LoxBus Spammer
          • 01.06.2016
          • 440

          #6
          Ich hab mir auch mal einen Tast-Code gebastelt, aber noch nicht bis ins letzte durchgetestet. Nur mit einem Taster und dem Mehrfach-Klick, also z.B. 3-fach-Klick - kurze Pause - 4-fach-Klick. Das ganze lässt sich aber problemlos auf einen "4-stelligen" Code erweitern.
          Bei Interesse stell ich gern meine Programmierung rein...
          Loxone: Miniserver Gen.1, 1-Wire Extension, Air Base Extension, Dali-Extension, KNX (MDT GT2S, BWM, Taster, ...)
          Technik: PV 11,7kWp, Fronius Symo GEN24, 2x BYD HVS 10,24kWh, LoxBerry, QNAP TS-464-8G, Unifi, Shelly

          Kommentar

          • kes
            Extension Master
            • 25.08.2015
            • 167

            #7
            Mich würde deine Programmierung interessieren.

            Gesendet von meinem SM-G900F mit Tapatalk

            Kommentar

            • Haidy
              LoxBus Spammer
              • 01.06.2016
              • 440

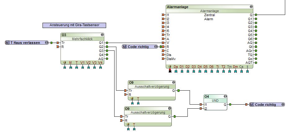
              #8
              Anbei meine Programmierung. Was noch fehlt ist eine Verriegelung, dass auch die Reihenfolge der einzelnen Sequenzen eine Rolle spielt. Sollte aber durch eine Verbindung vom Ausgang der Ausschaltverzögerung auf den negierten Reset der nächsten Ausschaltverzögerung machbar sein.
              Angehängte Dateien
              Loxone: Miniserver Gen.1, 1-Wire Extension, Air Base Extension, Dali-Extension, KNX (MDT GT2S, BWM, Taster, ...)
              Technik: PV 11,7kWp, Fronius Symo GEN24, 2x BYD HVS 10,24kWh, LoxBerry, QNAP TS-464-8G, Unifi, Shelly

              Kommentar

              • Gast

                #9
                Ich hab jetzt mal bei mir etwas die Tastenkombination weitergebastelt. ich denke, es könnte so funktionieren. Was mir jetzt noch fehlt ist irgendwie eine zeitliche Limitierung. So wie es jetzt ist, bleibt die gedrückte Taste für immer und ewig gespeichert. Ich bräuchte irgendwas, so dass die gespeicherten Tasten nach einer bestimmten Zeit wieder gelöscht werden.

                Kommentar

                • toubee
                  Dumb Home'r
                  • 05.04.2019
                  • 19

                  #10
                  Hallo Zusammen

                  Ich lese schon eine Weile mit, besten dank für euer Engagement und die Motivation, gefundene Lösungen mit allen andern zu teilen, tolle Sache!

                  In meiner Loxone-"Lernkarriere" habe ich einige interessante und auch schmerzliche Erfahrungen machen müssen, dazu vielleicht andernorts mehr...
                  Im Speziellen habe ich mich früh mit der Umsetzung einer Tastenkombination am Touch Tree auseinandergesetzt.

                  Gerne stelle ich meine Lösung der community zur Verfügung, falls jemand Verwendung/Interesse an einer solchen Lösung hat.

                  Beschreibung
                  Reihenfolgeabhängige Tastenkombinationseingabe an jedem beliebigen Tree-Taster, bspw. zum Ein-/Ausschalten vom Sturmschutz, Teichpumpe, stellen einer 15-minütigen "Eieruhr", unscharfstellen d. Alarmanlage, usw.
                  Im Beispiel wurde eine 5-stellige Tastenkombination umgesetzt, andere Kombinations-Längen sind aber machbar.

                  Funktionsweise Bedienung
                  • Mit einem Doppelklick auf die Position 2 wird der "Eingabemodus" aktiviert.
                  • Danach hat man 10s Zeit, um die gewünschte Tastenkombination einzugeben.
                    -> Während dieser Zeit sind die gängigen Funktionen (Licht, Storen) deaktivert.
                  • Entspricht die Tastenkombination einer zugewiesenen Aktion, wird diese ausgeführt, ansonsten passiert nichts.
                  Zugrundeliegende, technische Umsetzung
                  • jeder Touch-Position wird eine Zahl zugewiesen. Der Einfachheit halber habe ich gleich die vordefinierten Positionen verwendet (oben links = 1, oben rechts = 2, usw...)
                  • die erste Eingabe wird mit 1 multipliziert, die zweite mit 10, die dritte mit 100, usw. Dies ergibt ein "Zwischenresultat".
                  • um den eingegebenen Code zu ermitteln werden die jeweiligen Zwischenresultate addiert.
                  • Dieser eingegebene Code wird nun mit allen vordefinierten Codes verglichen und bei Übereinstimmung die entsprechende Aktion getriggert.
                  Anmerkungen
                  • es sind diverse kurze Zeitverzögerungen eingebaut: dies, um die Reihenfolge der Signale zu garantieren. Ob alle notwendig sind, weiss ich nicht.
                  • Weil mit der "Einer-"Ziffer begonnen wird, muss der Code "rückwärts" gelesen werden (beim Vergleichen wichtig)
                  • die Sperre der übrigen Funktionen des Tasters wird einfacherweise mittels dem "Dis"-Eingang des entsprechenden Bausteins umgesetzt
                  • um das Ganze einigermassen wartbar zu halten, habe ich eine zweite Seite erstellt, wo sämtliche Taster-positionen den entsprechenden Merkern "touch 1", "touch 2", usw.
                  Falls jemand Fragen zur Umsetzung hat, stehe ich gerne Red' und Antwort.

                  Schöne Grüsse, toubee

                  Kommentar

                  • romildo
                    Lebende Foren Legende
                    • 25.08.2015
                    • 5173

                    #11
                    Hier noch ein Link welcher, aus meiner Sicht auch zu diesem Thema passt.
                    LG Romildo

                    Kommentar


                    • toubee
                      toubee kommentierte
                      Kommentar bearbeiten
                      Hallo Romildo.
                      ist schon eine weile her... Habe erst jetzt gesehen, dass meine überaus umständliche Konstruktion im Vergleich mit der eleganten Lösung von till69 und Dir völliger Mist ist.
                      Ich hatte im Vorfeld ziemlich lange nach sowas gesucht aber nur "reihenfolge-unabhängige" Varianten gefunden (das hatte ich auch bei dem von dir verlinkten Post gedacht, aber wie es scheint, hatte ich nicht genau genug gelesen)
                  Lädt...