LICHTSTEUERUNG RGB AUSSENTEMPERATUR

Einklappen
X
 
  • Zeit
  • Anzeigen
Alles löschen
neue Beiträge
  • romildo
    Lebende Foren Legende
    • 25.08.2015
    • 5169

    #31
    Zitat von thomas76ch
    .............dass im Bad nur für eine gewisse Zeit dies angezeigt wird und anschliessend auf eine andere Lichtszene wechselt?
    Hallo,
    Sofern Du nur zwischen den zwei Szenen, welche am Statusbaustein anliegen, wechseln möchtest, könntest Du ja die gewünschte Zeit auch noch im Statusbaustein verknüpfen.
    Zuletzt geändert von romildo; 21.10.2016, 09:38.
    LG Romildo

    Kommentar

    • Christian Fenzl
      Lebende Foren Legende
      • 31.08.2015
      • 11250

      #32
      Ah ja, Uhrzeit nicht Zeit ;-)
      Also beispielsweise 8:00-10:00 Uhr.

      Schaltuhr digital, Zeiten definieren.
      Q der Schaltuhr an I4 des Status-Bausteins.
      Die Zeile, die die Temperaturfarbe ausgibt, um die Bedingung I4 = 1 erweitern.
      Hilfe für die Menschen der Ukraine: https://www.loxforum.com/forum/proje...Cr-die-ukraine

      Kommentar

      • romildo
        Lebende Foren Legende
        • 25.08.2015
        • 5169

        #33
        .......oder wenn bei jedem betreten immer nur eine "Zeit" gewünscht ist, dann einen Monoflop zwischen Ausschaltverzögerung Q und Status I4 einfügen. Abfrage wie mit der Schaltuhr........
        LG Romildo

        Kommentar

        • lobi
          Smart Home'r
          • 19.10.2015
          • 39

          #34
          hab nach langem endlich mal Zeit gefunden die RGB Lösung hier auszuprobieren. Funktioniert wunderbar, vielen Dank an Christian Fenzl!

          Kommentar

          • Fuzzy1983
            LoxBus Spammer
            • 25.01.2017
            • 241

            #35
            Hallo zusammen,

            ich bräuchte eure Hilfe.

            Ich habe das Loxone Wetter abonniert und möchte je nach Wettervorhersage eine dementsprechende Farbe über das RGBW Band angezeigt bekommen.

            Grund: ich stehe morgens um halb fünf auf und betrete mein Badezimmer. Leuchtet das RGBW Band gelb heißt es das es ein sonniger Tag wird. Bei blauem Licht ist die Wettervorhersage eher regnerisch, weißes Licht - Schneefall usw.

            Hoffe es es ist verständlich

            Bin wirklich um jeden Rat dankbar, habe nämlich keinen Schimmer wie ich das lösen kann und ob sowas überhaupt funktioniert.

            Vielen Dank im Voraus

            Kommentar

            • psg1
              Azubi
              • 04.05.2017
              • 5

              #36
              Wem eine "einfache" Rot-Blau-Skala für die Ausgabe der Farbtemperatur reicht, kann sich mittels folgender Formel behelfen
              Code:
              I1 = Temperatureingang
              I2 = Temperatur-Min
              I3 = Temperatur-Max
              Formel:
              (100-INT(100/(I3-I2)*(I1-I2)))*1000000+INT(100/(I3-I2)*(I1-I2))
              Klicke auf die Grafik für eine vergrößerte Ansicht  Name: Farbskala.jpg Ansichten: 1 Größe: 22,1 KB ID: 166807

              Die Formel sollte durch einen Analogen Min-Max-Begrenzer abgesichert werden
              Klicke auf die Grafik für eine vergrößerte Ansicht  Name: Farbtemperatur rot-blau.PNG Ansichten: 1 Größe: 24,2 KB ID: 166808
              Zuletzt geändert von psg1; 04.09.2018, 15:18.

              Kommentar

              • thomas76ch
                LoxBus Spammer
                • 29.09.2015
                • 288

                #37
                Hallo Zusammen,

                konnte das RGB Licht nun endlich umsetzen und es funktioniert alles bestens. Einer kleiner Punkt fehlt mir aber noch. Aktuell übergebe ich das RGB Licht direkt an die LED, sprich ohne über eine Lichtsteuerung zu gehen. Nun ist die Umschaltung auf das RGB Licht und wieder zurück nicht so "smooth", da mir der Fadingwert Tf fehlt.

                Kann das Fading, dass die LED z.B. 2s braucht bis 100% helligkeit, auch einzeln hinzugefügt werden mit einem Baustein?

                Danke

                Kommentar


                • svethi
                  svethi kommentierte
                  Kommentar bearbeiten
                  Hast Du denn einen Baustein dafür gefunden?

                • thomas76ch
                  thomas76ch kommentierte
                  Kommentar bearbeiten
                  Eben nicht, deshalb die Frage hier ins Forum. DAchte, dass ev. hier jemand eine Idee für das Fading hat.
              • romildo
                Lebende Foren Legende
                • 25.08.2015
                • 5169

                #38
                Zitat von thomas76ch
                ...Kann das Fading, dass die LED z.B. 2s braucht bis 100% helligkeit, auch einzeln hinzugefügt werden mit einem Baustein?...
                Einen Baustein der das macht ist mir nicht bekannt.
                Eine einfache Lösung fällt mir zurzeit leider auch nicht ein.

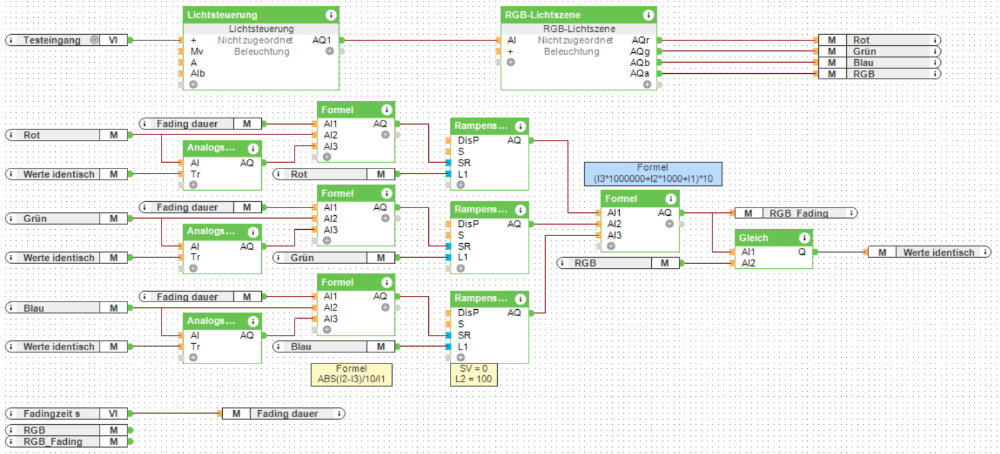
                Hier eine sehr umfangreiche Schaltung welche ich aber nur in der Simulation getestet habe.
                An Stelle der Lichtsteuerung kann der Wert natürlich auch anderswo herkommen.
                Zum Spielen auch gleich die Config.
                [ATTACH]n168565[/ATTACH]

                Klicke auf die Grafik für eine vergrößerte Ansicht

Name: RGB_Fading.png
Ansichten: 1361
Größe: 270,8 KB
ID: 168566
                Zuletzt geändert von romildo; 19.09.2018, 16:38.
                LG Romildo

                Kommentar

                • Leo73
                  Dumb Home'r
                  • 10.02.2019
                  • 10

                  #39
                  Hallo Miteinander,
                  ich hab das Konzept von Heinrich zur RGB Visualisierung der Aussentemperatur bei mir umgesetzt. Die anderen Konzepte finde ich auch sehr interessant - diese lassen sich bei mir jedoch nicht so ohne weiteres umsetzen weil ich die RGB Stripes per DMX und dem Lichtbaustein ansteuere. Dort nutze ich Szenen wie z.B. Fernsehen, Party etc.
                  Die Visualisierung funktioniert soweit.
                  Nun würde ich aber gerne nicht nur die Aussentemperatur visualisieren sondern auch die Dämmerung. Ich würde also gerne mit einsetzender Dämmerung (die Aussenhelligkeit beziehe ich hierbei über einen Lichtsensor aussen auf der Südseite des Hauses) zwei 4m lange RGB Stripes in der Galerie angefangen von 10% bis 80% hochdimmen (absteigend von 500 Bis 0 Lux im Aussenbereich). Ich habe jedoch festgestellt, dass der Lichtbaustein gar keinen brauchbaren Eingang zum Übergeben der Helligkeit besitzt.
                  Habt Ihr vielleicht eine Idee wie man das bewerkstelligen könnte?
                  Für Vorschläge oder Anregungen wäre ich sehr dankbar.

                  Kommentar

                  • Christian Fenzl
                    Lebende Foren Legende
                    • 31.08.2015
                    • 11250

                    #40
                    Du kannst das von der Logik her anders angehen.
                    Du aktiviert jetzt aufgrund von Logik die Lichtsteuerung bzw. Szenen.

                    Ich mache das umgekehrt: Ich aktiviere mit der Lichtsteuerung meine Logiken.
                    Also gebe ich beispielsweise im Normalfall den RGB-Wert über einen Analogwahlschalter oder Statusbaustein durch. Dann habe ich einen Ausgang in der Lichtsteuerung als Schalter. Ist der Schalter aktiv, schalte ich den Analogwahlschalter (oder Statusbaustein) um, und füttere den RGB-Ausgang mit berechneten Werten - sei es nun ein kontinuierlicher Farbverlauf über den RGB-Baustein, ein Dimmverlauf, oder ein berechneter Farbwert nach Temperatur.

                    Diese Logik kann dann alles. Mögliche ausgeben - im Wiki findest du z.B. eine Formel für die HSV->RGB Konvertierung. Bei HSV gibt man die Farbe zwischen 0-360 an, und die Helligkeit zwischen 0 und 100. Damit ist Dimmen ganz simpel.

                    lg, Christian
                    ​​​​​​
                    ​​​
                    Hilfe für die Menschen der Ukraine: https://www.loxforum.com/forum/proje...Cr-die-ukraine

                    Kommentar

                    • Leo73
                      Dumb Home'r
                      • 10.02.2019
                      • 10

                      #41
                      Jetzt hat's Klick gemacht und ist eingerastet. Vielen Dank Christian. Das war der Denkanstoß den ich gebraucht habe.

                      Viele Grüße
                      Leo

                      Kommentar

                      • Leo73
                        Dumb Home'r
                        • 10.02.2019
                        • 10

                        #42
                        Nun hab ich mein Beleuchtungsprojekt dank Christian auch umsetzen können. Es funktioniert einfach großartig. Ich hab meine Schaltungen hier angehängt für jeden den es interessiert.
                        Ich hab mich hierbei an der HSV->RGB Formel von Christian im Wiki bedient.

                        Kurz für alle Interessierten zur Erläuterung, vor allem weil die Ansteuerung dann doch etwas umfangreicher geworden ist:
                        Ich sammle zunächst an zentraler Stelle die Außentemperatur und Helligkeit ein. Dort laufen die Werte durch einen Min-Max Begrenzer und Skalierer und werden im Formelbaustein zusammengefasst und an einen Merker übergeben. Auch die gewählte Helligkeit speichere ich separat um diese ggfs. an anderer Stelle noch zu nutzen (ich hab auch nur weiße Stripes im Haus).

                        Diese Werte übergebe ich dann an zwei RGBW Stripes (in der Galerie hab ich links und rechts jeweils einen 4m RGBW Stripe die sich separat steuern lassen, über die DMX Erweiterung von Loxone). Da diese an einem Lichtsteuerungsbaustein hängen und darüber auch weiterhin gesteuert werden sollen hab ich diese über zwei Analogwahlschalter abgekoppelt. Je nachdem ob am Lichtbaustein eine Szene eingestellt wird werden diese darüber oder in Abhängigkeit der Außentemperatur und Helligkeit gesteuert.
                        Diese wird nur aktiviert, wenn jemand zu Hause ist, der Betriebsmodus Abend (wird ab 500 Lux aktiv) aktiv ist, das Haus nicht im Tiefschlaf ist und diese Automatik aktiviert ist. Außerdem hab ich noch eine Zeitschaltuhr eingehängt um z.B. einzelne Tage der Woche zu berücksichtigen.

                        Jetzt leuchtet's in wunderschönem äähhh Türkis? Cyan? so ner blauähnlichen Farbe halt. ;-)

                        Herzlichen Dank nochmal an Christian für die Vorarbeit und den Denkanstoß den du mir verpasst hast. Dank Dir ging die Umsetzung nun sehr schnell.


                        Viele Grüße
                        Leo
                        Angehängte Dateien

                        Kommentar

                        • Arthur42
                          Smart Home'r
                          • 06.12.2016
                          • 71

                          #43
                          Hej, hat jemand von Euch schon mal eine Zirkadiane Beleuchtung oder dynamische Tageslichtlampe realisiert? Also die Lichtfarbe in Abhängigkeit von der Uhrzeit steuern? (morgens leicht blau/aktivierend, tagsüber weiß, abends leicht orange/beruhigend? Müsste ja vom Prinzip her das gleiche Vorgehen sein wie bei der Steuerung nach Außentemperatur, nur mit einer angepassten Formel.

                          Kommentar


                          • Leo73
                            Leo73 kommentierte
                            Kommentar bearbeiten
                            Das ist ne gute Idee. Bei einer Lichtquelle wie einem RGB+W Strip sollte das kein Problem darstellen sobald man die Formel hat.
                            Da hätte ich auch Interesse dran.
                        • psg1
                          Azubi
                          • 04.05.2017
                          • 5

                          #44
                          Arthur42

                          Ich habe dies einmal für ein Kalt-/Warmweißstripe benötigt - für diese Lichtsteurung hier: https://www.loxforum.com/forum/germa...761#post166761

                          Allerdings nicht mittels Uhrzeit - sondern nach dem Sonnenstand. Eventuell ja eine Anregung um dein Projekt umsetzen zu können.

                          Den Eingang Sonne Höhe erhält man von der Loxone.

                          Der Rest besteht bei mir aus virtuellen Eingängen um das ganze etwas flexibel zu gestalten und besser testen zu können.

                          In meinem Beispiel habe ich folgende Werte gesetzt
                          Eingang Min Max
                          Sonnenhöhe 30°
                          Kelvinausgabe 2700K 6500K
                          Helligkeit 50% 100%
                          Formel des Formelbausteins:
                          Code:
                          200000000+INT(I1)+INT(I2)*10000
                          Die Bausteine Kelvin und Helligkeit sind jeweils Skalierer.

                          Der Merkerausgang WWCW ist für die Regelung Anteil Warmweiß - Anteil Kaltweis des Stripes. Also...
                          Ausgang 0% würde 100% Warmweiß
                          Ausgang 100% würde 100% Kaltweiß
                          Ausgang 50% würde 50% Warm- und 50% Kaltweiß
                          entsprechen.

                          Meine Logik hinter dieser "Zusammensetzung" war wie folgt:
                          Umso tiefer der Sonnenstand, desto dunkler soll der Stripe leuchten (da wir früh am morgen eher ein "gedimmtes" Licht durch den Sonnenaufgang gewohnt sind). Außerdem sollte dies möglichst Warmweiß sein.

                          Je näher sich die Sonne dem eingestellten Höchststand nähert, soll die Helligkeit erhöht und mehr richtung Kaltweiß verschoben werden. Dies entspricht dann recht gut dem eigentlichen Tageslicht.

                          Zum Abend hin geht das ganze entsprechend Retoure.

                          Hier ein paar Screenshots einer Simulation zu verschiedenen Uhrzeiten (am heutigen Tag).
                          10:09 UhrKlicke auf die Grafik für eine vergrößerte Ansicht  Name: 1009.PNG Ansichten: 0 Größe: 37,3 KB ID: 292865
                          13:10 UhrKlicke auf die Grafik für eine vergrößerte Ansicht  Name: 1310.PNG Ansichten: 0 Größe: 36,3 KB ID: 292866
                          17:10Uhr
                          Klicke auf die Grafik für eine vergrößerte Ansicht  Name: 1710.PNG Ansichten: 0 Größe: 37,3 KB ID: 292867
                          Zuletzt geändert von psg1; 23.02.2021, 19:44.

                          Kommentar

                          • Arthur42
                            Smart Home'r
                            • 06.12.2016
                            • 71

                            #45
                            Ich hab mich von psg1 inspirieren lassen und eine vereinfachte zirkandiane Beleuchtung gebaut. Früh ist das Licht warm, wandelt sich tagsüber zu aktivierend kalt und wird abends wieder zu warm. Ich finde das besonders im Homeoffice sehr angenehm.

                            Die Idee ist, den Minutenimpuls für die Zeitsteuerung über den Tag zu verwenden, mit den AnalogMinMax-Begrenzern die gewünschten Zeiteinheiten rauszufiltern, die Werte auf die benötigte Skala der Lichtquelle zu skalieren und dann über einen Statusbaustein die Ausgabe zu steuern.

                            Vereinfacht, weil meine Lösung die Lichtfarbe (warmes oder kaltes Licht) als eine Zahl erzeugt, keine RGB-Modell und keine Formel benötigt. In meinem Fall wird im Skalierer zwischen 0 (warm) und 100 (kalt) eingestellt. Geht natürlich auch mit anderen Skalen je nach Lichtquelle.
                            Klicke auf die Grafik für eine vergrößerte Ansicht

Name: zirkandian.PNG
Ansichten: 618
Größe: 41,8 KB
ID: 295715

                            Kommentar

                            Lädt...