MDT Glastaster II Smart

Einklappen
X
 
  • Zeit
  • Anzeigen
Alles löschen
neue Beiträge
  • svethi
    Lebende Foren Legende
    • 25.08.2015
    • 6346

    #181
    Wofür brauchst Du denn eine gesonderte Funktion für Doppelklick? Man stellt den Taster auf Status senden. Finger drauf > sendet ein, Finger weg > sendet aus, damit kannst Du doch auch den Mehrfachklick in Loxone realisieren.
    Miniserver; KNX; Vitogate; EnOcean (EnOceanPi); Loxone Air; Caldav-Kalenderanbindung; RaspberryPi und für keine Frickellösung zu schade :-)

    Kommentar


    • stefanski
      stefanski kommentierte
      Kommentar bearbeiten
      Danke für die Rückmeldung. Stimmt ich war irgendwie total fixiert darauf unbedingt das zweite Objekt im Taster zu nutzen.
      Jedoch habe ich hier jetzt auch gelesen ich kann mit dem erweiterten KNX Sensor in Loxone auch auf das EIN Telegramm mit einem Impuls reagieren. Ist das so Korrekt? Denn es gibt manche Stellen in der Applikation des Tasters in der nur EIN gesendet werden kann, nicht EIN/AUS

    • Christian Fenzl
      Christian Fenzl kommentierte
      Kommentar bearbeiten
      Das kannst du mit "Erweiterten EIB/KNX Sensoren" in der Config machen, so wie ich es hier beschrieben hab: https://www.loxwiki.eu/pages/viewpag...ageId=74286008

    • stefanski
      stefanski kommentierte
      Kommentar bearbeiten
      Danke, den Artikel kannte ich nicht, der scheint meine Probleme aber zu lösen. Werde ich testen

      Ich merke aber mit den Tastern ist echt viel möglich, aber man muss erst mal drauf kommen wie man das baut.
  • hismastersvoice
    Supermoderator
    • 25.08.2015
    • 7437

    #182
    Das geht mit Wert senden. Du sendest 00/01, und kannst so Lang- und Doppel-Klick machnen.

    Klicke auf die Grafik für eine vergrößerte Ansicht

Name: 16-09-_2020_06-59-59.jpg
Ansichten: 805
Größe: 35,1 KB
ID: 265681
    Kein Support per PN!

    Kommentar


    • stefanski
      stefanski kommentierte
      Kommentar bearbeiten
      Das verstehe ich leider nicht, mir ist aber Zwangsführung nicht geläufig, bzw habe ich noch nie verwendet
  • logol01
    MS Profi
    • 03.03.2018
    • 837

    #183
    stefanski ich habe am meisten über den Glastaster gelernt, als ich mir den Loxkurs von haus-automatisierung gekauft habe.
    Das sind sehr gute 135,- investierte EUR die anhand eines Videokurses viele Dinge erklären und im speziellen auch ist ein Part der ganz genau zeigt, wie am ideal einen MDT Glastaster in Loxone integriert.

    Kommentar

    • bayoda
      Dumb Home'r
      • 26.04.2020
      • 17

      #184
      Hallo an das geballte Loxone und KNX / Glastaster Wissen hier ...

      Habe folgende "Herausforderung" - wo ich einfach nicht weiter komme:

      Einige MDT Glastaster 2 Smart verbaut: Wohlfühlfaktor für die Frau - mit den schönen Icons

      Loxone Spots / Ceiling Light / Ledstreifen mit Tree Dimmer.. (Indirekte Beleuchtung)
      Die Aktoren zur Darstellung von Licht ein / Licht aus gingen bis jetzt über AQs - funktioniert auch soweit...

      Jetzt kommt die Herausforderung:
      • Spots mit eigener Taste und Licht an / Licht aus Icon
      • Indirekte Beleuchtung mit eigener Taste und Licht an Icon / Licht aus Icon

      Mit AQ ändert sich der Wert - aber wie bekomme ich das richtig zurück?

      Bis jetzt alles in der ETS gemacht mit:
      Einzeltastenfunkiton / Schalten / Zustand senden....


      Danke schon mal im voraus für jeden hilfreichen Fingerzeig



      Kommentar

      • Karsten
        Extension Master
        • 09.06.2016
        • 136

        #185
        Hallo bayoda,

        ich hatte dasselbe Problem.
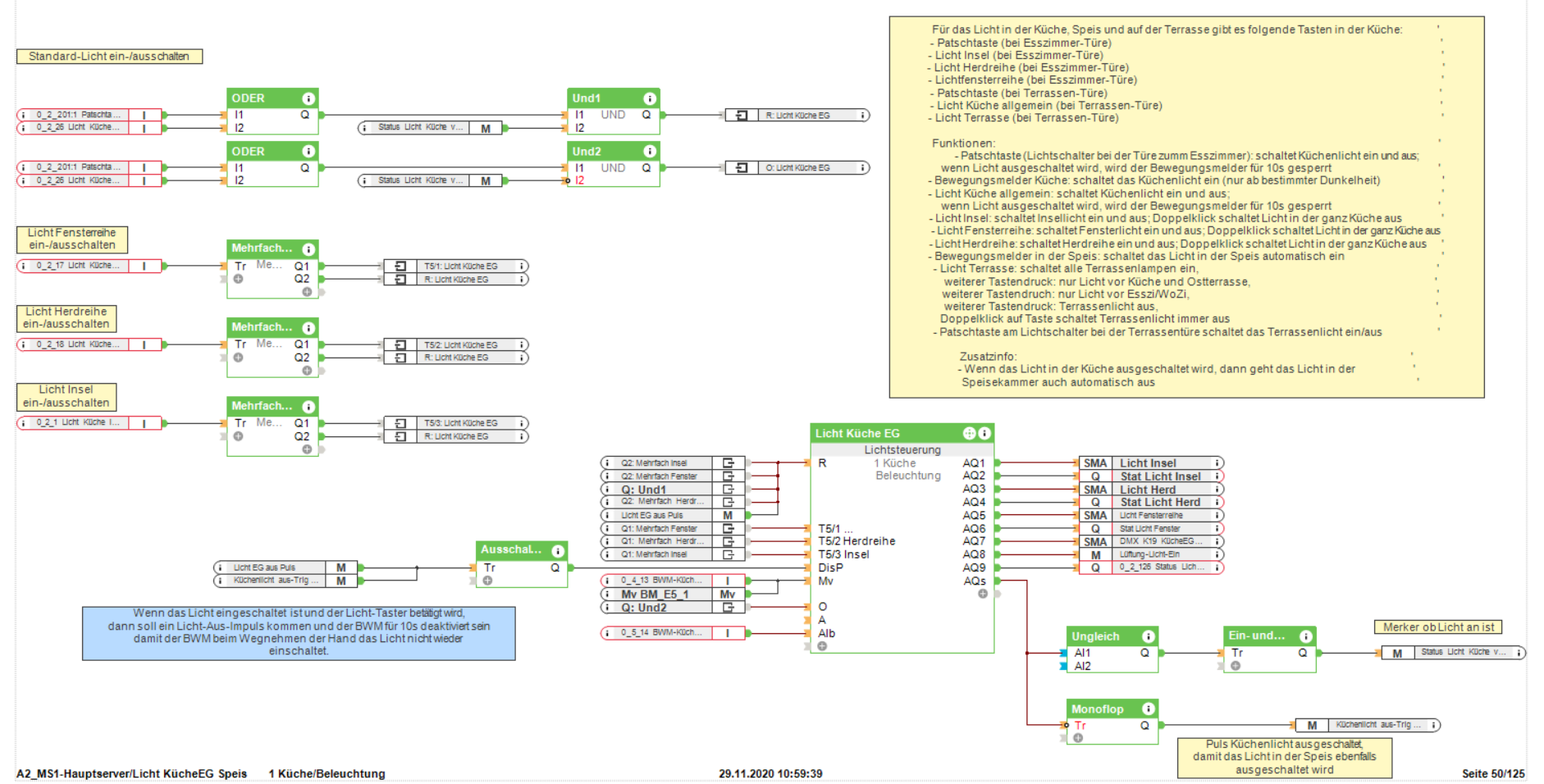
        In der Küche sollen über BWM und Patschtaste die Standardstimmung eingeschaltet werden. Patsch schaltet das Licht auch aus.
        Zusätzlich sollen über einezelne Tasten am Glastaster bestimmte Stimmungen auch direkt angewählt werden können:
        - Licht Fensterreihe
        - Licht Herdreihe
        - Licht Insel

        Das hätte ich nie so gemacht aber was die Regierung so will ...

        Hier also meine aktuelle Umsetzung.


        Ich sperre die Bewegungsmelder übrigens immer durch eigene Logik, da der Parameter Ti des Lichtsteuerbausteins erst greift wenn er keine Bewegung mehr detektiert. D.h. wenn ich das Licht ausschalte, dann möchte ich nicht, dass die Bewegungsmeldersperre immer wieder neu triggert.

        Bin auf eure Rückmeldungen dazu gespannt.

        Schönen Sonntag!
        Karsten
        Angehängte Dateien

        Kommentar


        • Karsten
          Karsten kommentierte
          Kommentar bearbeiten
          Die Ein-/Ausschaltverzögerung am AQs hab ich drin weil ich:
          - über 1 Tastendruck ein- und ausschalten und keinen Doppelpatsch machen möchte
          - sonst würde es aufgrund der Rückkopplung vom Status des Lichtbausteins bei Und1 und Und2 zu unerwünschtem Verhalten kommen

        • bayoda
          bayoda kommentierte
          Kommentar bearbeiten
          Ich hab die Status zustände jetzt mit einem Analogkomparator gelöst. Das scheint auch gut zu funktionieren.

        • Karsten
          Karsten kommentierte
          Kommentar bearbeiten
          Stell deine Lösung doch mal rein
      Lädt...