Klingel Alarm bzw. bestimmte MP3 auf Sonos oder Alexa

Einklappen
X
 
  • Zeit
  • Anzeigen
Alles löschen
neue Beiträge
  • IFLUR
    LoxBus Spammer
    • 07.01.2016
    • 392

    #1

    Klingel Alarm bzw. bestimmte MP3 auf Sonos oder Alexa

    Hallo ich suche eine einfache Möglichkeit ein bestimmte MP3 auf eine Sonos Gerät oder einer Alexa abzuspielen.

    das heißt ohne Raspberry Plugin

    Ich habe mir vorgestellt eine MP3 auf den Miniserver abzulegen. (Gong & Alarm ) und diese dann per Url an die entspreche Geräte zu übergeben.

    Hat hier jemand so etwas schon erfolgreich umgesetzt oder ist dies einfach so nicht möglich ?



    Grüße

    Stephan



  • Xenobiologist
    Lox Guru
    • 15.01.2016
    • 1125

    #2
    Ich würde die mp3 Dateien im Netz ablegen. Wie wäre es auf einen Stick der im Router steckt?


    Gesendet von iPhone mit Tapatalk
    Node-RED mit influxDB und Grafana - z.B. Statistiken auslagern:
    https://www.loxforum.com/forum/germa...d-grafana-visu
    Mit Loxone einen Windows-PC steuern:
    https://www.loxforum.com/forum/faqs-...indows-steuern

    Kommentar

    • dizzy85
      MS Profi
      • 08.12.2015
      • 731

      #3
      Alexa Anbindung ohne Script / Plugin etc. leider keine Chance im Moment

      Kommentar

      • kes
        Extension Master
        • 25.08.2015
        • 167

        #4
        Ja, Ich habe das mit Sonos in der Garage umgesetzt. Wie Xenobiologist geschrieben, habe ich am Router ein USB Stick mit der entsprechenden MP3 file.
        Klingelt jemand an der Haustüre bei Abwesenheit wird einfach die zuletzt gewählte Datei (Hundegebell) in der Garage gespielt.

        Kommentar

        • miqa
          MS Profi
          • 03.06.2016
          • 790

          #5
          Kannst du mal genau Beschreiben wie man den Router dazu konfigurieren muss und wie du das in der Loxone Config umgesetzt hast?

          Kommentar

          • kes
            Extension Master
            • 25.08.2015
            • 167

            #6
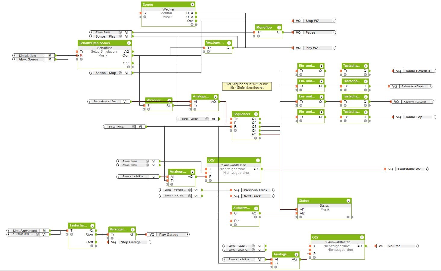
            Du musst Deine Sonos mit dem Router (bei mir Internet-Box 2 von Swisscom) verbinden. Dann kannst Du deine Titel (bei mir nur 1 Titel) auf dem Stick auf der Sonos abspielen. In der Loxone Config unter "Virtueller Ein- resp. Ausgänge" kannst Du die wichtigsten Sonosbefehle (vordefinierte Geräte) auswählen. Siehe auch den Link unten.
            Wie bereits geschrieben wird in der Garage nur dieser eine Titel abgespielt. Somit kann ich diesen mit Play einfach abspielen.

            Klicke auf die Grafik für eine vergrößerte Ansicht

Name: Sonos Garage.JPG
Ansichten: 7032
Größe: 13,6 KB
ID: 136658
            Im Wohnzimmer habe ich ebenfalls eine Sonos. Dort tunnele ich aber die Radiosender. Dort wird bei Abwesenheit via Schaltuhr die Sonos ein- und ausgeschaltet.

            Klicke auf die Grafik für eine vergrößerte Ansicht

Name: Sonos Wohnen.JPG
Ansichten: 7539
Größe: 160,6 KB
ID: 136659
            Alle anderen MP3 Titel sind auf dem NAS.
            Mein Ziel: Meine Multiroom Audio Lösung Sonos mit meinem Loxone System zu vernetzen. Sprich ich drücke eine Taste – Sonos startet Musik, usw.

            Kommentar


            • t_heinrich
              t_heinrich kommentierte
              Kommentar bearbeiten
              Krasser Aufbau, Respekt!

            • Gast
              Gast kommentierte
              Kommentar bearbeiten
              Wie funktioniert dein Tunneln der Radiosender? Bzw. wie hast du deine VQs der einzelnen Radiosender konfiguriert? Könntest du deine config eventuell teilen?
          • IFLUR
            LoxBus Spammer
            • 07.01.2016
            • 392

            #7
            kes Kannst du mir mal den Befehl für z.B die Garage zusenden.. Da wär super.. Also wie ich direkt eine MP3 anspringe ( USB / NAS ist egal)
            Play Stop lauter leiser ist alles kein Ding aber ein bestimmte MP3 Abspielen da wäre großartig..
            Danke dir für deine Unterstützung.--

            Grüße

            Stephan

            Kommentar

            • kes
              Extension Master
              • 25.08.2015
              • 167

              #8
              Wie in #6 beschrieben wird in der Garage nur dieser eine Titel abgespielt. Diesen wähle ich einmal via Sonos resp. mit dem Handy aus und dann muss ich der Sonos nur den Befehl [Play] geben. Im Wohnzimmer tunnele ich nur die Radiosender.
              Wenn Du verschiedene MP3 Titel abspielen willst, brauchst Du glaube ich eine andere Lösung. Im Loxwiki findest Du eine Lösung mit dem LoxBerry - siehe Link unten.
              Gruss
              Christoph

              Kommentar

              • Dimon
                LoxBus Spammer
                • 27.08.2015
                • 385

                #9
                Hallo ist es möglich das Alexa bei betätigen der Klingel (Mobotix) eine bestimmte mp3 abspielt als Klingelersatz... da unser Hund allergisch auf das Klingeln der Loxone App reagiert!
                Loxberry mit HA-Bridge funktioniert ohne Probleme...
                Haus: 1x Miniserver, 7x Extension, 4x RelayExtension, 1x 1-Wire, 1x DimmerExtension, 1x Tree Extension, 1x ModBus Extension, 1x DMX Extension, 6x RGBW, 2x UFO, 1x AirBaseExtension, 3x RGBW Air, Air Touch, Touch Pure Air, LED Pendulum Slim Tree
                Wohnung: 1x Miniserver, 3x Extension, 2x RelayExtension, 1x 1-Wire, 1x DimmerExtension, 1x DMX,
                Cams: Mobotix T25, Mobotix D22, Mobotix Q25, Axis P1428-E
                LOXBERRY: SmartMeter, Weather 4 Lox
                Heizung: Viessmann Vitocal 300-A
                PV: Fronius Symo 17.5.3

                Kommentar

                • Xenobiologist
                  Lox Guru
                  • 15.01.2016
                  • 1125

                  #10
                  Zitat von Dimon
                  Hallo ist es möglich das Alexa bei betätigen der Klingel (Mobotix) eine bestimmte mp3 abspielt als Klingelersatz... da unser Hund allergisch auf das Klingeln der Loxone App reagiert!
                  Loxberry mit HA-Bridge funktioniert ohne Probleme...
                  Mir ist nicht bekannt, dass du Alexa/Dot/... von außen sagen kannst, spiele dies oder gib diesen Text per TTS aus.
                  Wenn du einen rPi oder Musikserver, dann würde das gehen. Du benötigst ein Gerät mit angeshlossenen Boxen, dass du per http, tcp ... Befehl dazubringen kannst etwas zu tun.:-)
                  Node-RED mit influxDB und Grafana - z.B. Statistiken auslagern:
                  https://www.loxforum.com/forum/germa...d-grafana-visu
                  Mit Loxone einen Windows-PC steuern:
                  https://www.loxforum.com/forum/faqs-...indows-steuern

                  Kommentar

                  • dizzy85
                    MS Profi
                    • 08.12.2015
                    • 731

                    #11
                    Ja das ist möglich mit dem Alexa2Lox Plugin für den Loxberry. Damit kannst Mp3(prime music, unlimited etc) oder Radiosender oder Spotify triggern. Und es wird auf deiner jeweiligen Alexa ausgegeben

                    Kommentar

                    • Xenobiologist
                      Lox Guru
                      • 15.01.2016
                      • 1125

                      #12
                      Zitat von dizzy85
                      Ja das ist möglich mit dem Alexa2Lox Plugin für den Loxberry. Damit kannst Mp3(prime music, unlimited etc) oder Radiosender oder Spotify triggern. Und es wird auf deiner jeweiligen Alexa ausgegeben
                      Cool, werde ich nachher mal ausprobieren.
                      Das Plugin hattest du ja schon erwähnt. Aber ohne geht es denke ich wirklich nicht.
                      Node-RED mit influxDB und Grafana - z.B. Statistiken auslagern:
                      https://www.loxforum.com/forum/germa...d-grafana-visu
                      Mit Loxone einen Windows-PC steuern:
                      https://www.loxforum.com/forum/faqs-...indows-steuern

                      Kommentar

                      • t_heinrich
                        Lox Guru
                        • 07.01.2016
                        • 2151

                        #13
                        Zitat von dizzy85
                        Damit kannst Mp3(prime music, unlimited etc) oder Radiosender oder Spotify triggern.
                        Das ist allerdings zu beachten. Man kann (aktuell) keine lokale Datei antriggern.

                        Kommentar


                        • dizzy85
                          dizzy85 kommentierte
                          Kommentar bearbeiten
                          Das ist richtig. Alexa schafft es im Moment auch nicht normal etwas Lokal zuspielen z.b von einem NAS etc....
                          Es gab aber bis zum 15.01 die Möglichkeit... tracks direkt bei Amazon hoch zuladen und diese zu triggern.
                          Bzw bastelt Peter im Moment an einer Lösung das sich der Loxberry via Bluetooth mit Alexa koppelt und eigene tracks von einen NAS, lokalen Speicher über Alexa ausgegeben wird.
                      • dizzy85
                        MS Profi
                        • 08.12.2015
                        • 731

                        #14
                        Nein ohne Plugin(Script) geht im Moment sowas nicht.
                        Das ganze stammt eigentlich von hier

                        Hallo, ich habe lange gebastelt bis ich Alexa "Fernsteuern" konnte. Einsatzzweck ist z.B. das Badezimme: wenn ich reingehe soll die Musik automatisch angehen (g


                        Bzw. hier:

                        Hier gibt es einen aktuelleren Post zu diesem Thema. Please look here for an updated post! UPDATE 2021-09-20 Nachdem Amazon mit dem Multi...


                        Peter B hat das ganze auf den Loxberry umgebastelt und ein Plugin drauß gemacht.

                        Kommentar


                        • t_heinrich
                          t_heinrich kommentierte
                          Kommentar bearbeiten
                          Ich hab es bei mir noch nicht umgesetzt, steht aber auf der Liste.
                          Auf jeden Fall super Arbeit!!
                      • Dimon
                        LoxBus Spammer
                        • 27.08.2015
                        • 385

                        #15
                        Also Alexa2Lox ist installiert jedoch noch nicht im Einsatz da ich die HA-Bridge nutze...
                        es muss auch nicht unbedingt ein MP3 File seine...
                        Danke werde mir das ganze mal durchlesen!
                        Haus: 1x Miniserver, 7x Extension, 4x RelayExtension, 1x 1-Wire, 1x DimmerExtension, 1x Tree Extension, 1x ModBus Extension, 1x DMX Extension, 6x RGBW, 2x UFO, 1x AirBaseExtension, 3x RGBW Air, Air Touch, Touch Pure Air, LED Pendulum Slim Tree
                        Wohnung: 1x Miniserver, 3x Extension, 2x RelayExtension, 1x 1-Wire, 1x DimmerExtension, 1x DMX,
                        Cams: Mobotix T25, Mobotix D22, Mobotix Q25, Axis P1428-E
                        LOXBERRY: SmartMeter, Weather 4 Lox
                        Heizung: Viessmann Vitocal 300-A
                        PV: Fronius Symo 17.5.3

                        Kommentar


                        • Peter B
                          Peter B kommentierte
                          Kommentar bearbeiten
                          Du kannst ja beides verwenden, sind ja zwei unterschiedliche Plugins die auch unterschiedliche Sachen machen
                      Lädt...