Go-e Charger Auto Ladestation

Einklappen
X
 
  • Zeit
  • Anzeigen
Alles löschen
neue Beiträge
  • gtrdriver
    LoxBus Spammer
    • 08.05.2016
    • 282

    #16
    Hallo zusammen

    der letzte Post ist inzwischen schon etwas her - dennoch möchte ich hier kurz nochmals anknüpfen:

    Bei mir steht die Anschaffung einer neuen Wallbox an und in dem Zusammenhang bin ich auf die E-Go Home + gestoßen.

    Vorgaben sind eigentlich nur WLAN und 22KW Max + Steuerungs/Auslese Möglichkeit via Loxone.

    Daher wollte ich mal fragen wie denn die Erfahrungen der Benutzer hier so sind ?

    Speziell das Thema Lade-Management und Ladesteuerung interessiert mich (vorgabe der Ladestärke / Zeit via Loxone)


    Kommentar

    • KevinKrueger
      Extension Master
      • 26.01.2016
      • 199

      #17
      Zitat von gtrdriver
      Hallo zusammen

      der letzte Post ist inzwischen schon etwas her - dennoch möchte ich hier kurz nochmals anknüpfen:

      Bei mir steht die Anschaffung einer neuen Wallbox an und in dem Zusammenhang bin ich auf die E-Go Home + gestoßen.

      Vorgaben sind eigentlich nur WLAN und 22KW Max + Steuerungs/Auslese Möglichkeit via Loxone.

      Daher wollte ich mal fragen wie denn die Erfahrungen der Benutzer hier so sind ?

      Speziell das Thema Lade-Management und Ladesteuerung interessiert mich (vorgabe der Ladestärke / Zeit via Loxone)

      Also, ich bin 110% zufrieden ... kann per Loxone kW genau die Ladeleistung steuern ... für mich optimal !

      Kommentar

      • gtrdriver
        LoxBus Spammer
        • 08.05.2016
        • 282

        #18
        Hallo zusammen

        ich hab meinen e-GOCharger - jetzt hier und soweit eingebunden - das läuft ja alles ganz schick :-)

        Was mich interessieren würde wie ihr damit umgeht:

        Ich habe hier die 22KW Variante und die angegebene MAX Ampere Zahl bezieht sich ja auf ein Fahrzeug mit 3 Phasen Onboard Lader.

        Entsprechend (schieflast mal außen vor und mal angenommen das Fahrzeug kann es) - würde bei der Einstellung 22KW = 32A mit 7,33 KW geladen werden - richtig ?
        Ich habe hier sowohl Fahrzeuge mit 1 und 3 Phasen lader was die Einstellung in Bezug auf die PV Überschuss Regelung schwierig macht oder sehe ich das falsch ?

        Kommentar

        • KevinKrueger
          Extension Master
          • 26.01.2016
          • 199

          #19
          Zitat von gtrdriver

          Entsprechend (schieflast mal außen vor und mal angenommen das Fahrzeug kann es) - würde bei der Einstellung 22KW = 32A mit 7,33 KW geladen werden - richtig ?
          Ich habe hier sowohl Fahrzeuge mit 1 und 3 Phasen lader was die Einstellung in Bezug auf die PV Überschuss Regelung schwierig macht oder sehe ich das falsch ?
          Richtig.

          Die Box kann unterschiedliche Lade-Profile verwalten, ggf. kannst du darüber etwas machen ?


          Gesendet von iPhone mit Tapatalk

          Kommentar

          • gtrdriver
            LoxBus Spammer
            • 08.05.2016
            • 282

            #20
            Hi

            ja so in der art - nur dass ich das in der Loxone mache und dort 2 Profile anlege - eins für 1 Phasen und eins für 3 Phasen laden ...

            DANKE !

            Kommentar

            • Ottcri
              Azubi
              • 11.03.2017
              • 6

              #21
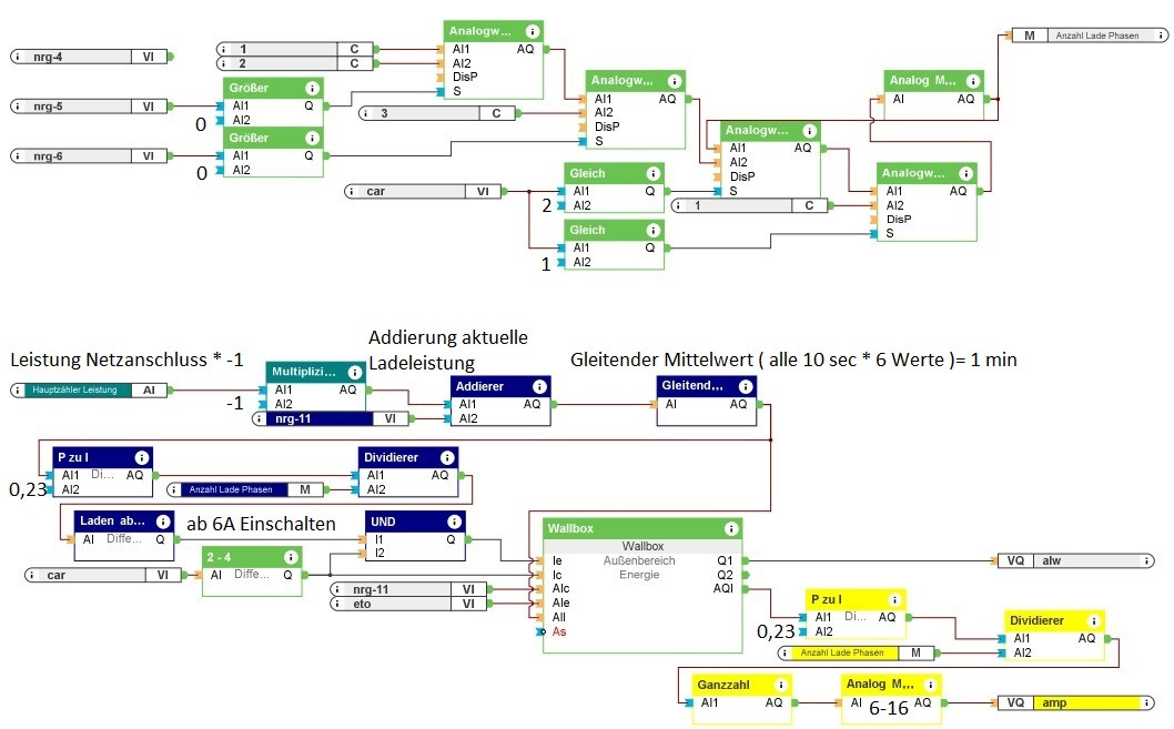
              Hallo zusammen,
              danke für die geniale vorarbeit. Da ich mein Programm noch etwas Optimiert habe möchte ich es hier zur Anregung einstellen.
              Ich habe einen 1-phasigen Plug-In und ein 2 phasiges E-Auto am go-e hängen und will hauptsächlich Überschussladung machen.
              Der obere Teil ist zum erkennen auf wie viel Phasen das Auto Lädt, das ist wichtig um die Leistungsvorgabe zu berechnen, bzw. den Start/Stop zu generieren. Wenn kein Auto angeschlossen ist wird eine 1 in den Merker Phasenanzahl geschrieben. Wenn das Auto nun Anfängt zu laden wird erkannt auf wie viel Phasen ein Strom fließt und dementsprechend gespeichert bis das Auto wieder getrennt wird, bzw. werden dann sofort die Leistungen und Ströme angepasst.
              Über die App kann ich das Laden auch Manuell starten sowie die Leistung Manuell vorgeben.
              Ist noch nicht alles 100% getestet aber das Überschuss-laden klappt wunderbar. Ist leider wegen den ganzen Rechenoperationen etwas unübersichtlich geworden.
              Angehängte Dateien
              Zuletzt geändert von Ottcri; 12.03.2020, 03:06.

              Kommentar


              • Eusebius
                Eusebius kommentierte
                Kommentar bearbeiten
                Die Phasenerkennung kannst aber auch über einen Statusbaustein machen --> wesentlich aufgeräumter. Und die P zu I kannst durch einen Formelbaustein mit dem Dividieren durch die Ladephasen zusammengeben ("I1/0,23/I2")

              • Loxham
                Loxham kommentierte
                Kommentar bearbeiten
                Hi Ottcri, ich versuche gerade deine Programmierung nachzubauen. Vielen Dank für den Upload. Ich hätte noch eine Frage:
                Was ist nrg-5, nrg-6, nrg-11 und der VI car?
            • Loxhomy
              Azubi
              • 12.03.2020
              • 2

              #22
              Hallo Zusammen,

              ich versuche verzweifelt den go-e charger in Loxone einzubinden, die Statusabfrage der einzelnen Werten bekomme ich nicht hin.
              Vielleich könnte mir jemand seine Templates zuschicken?
              Vielen Dank im vorraus!

              Kommentar

              • Ottcri
                Azubi
                • 11.03.2017
                • 6

                #23
                Zitat von Loxhomy
                Hallo Zusammen,

                ich versuche verzweifelt den go-e charger in Loxone einzubinden, die Statusabfrage der einzelnen Werten bekomme ich nicht hin.
                Vielleich könnte mir jemand seine Templates zuschicken?
                Vielen Dank im vorraus!
                Hallo,
                die Templates sind in Post #2 und ein kleines how-to in Post #7.
                Die IP-Adresse des go-e aus deinem Router noch eintragen und dann sollte es gehen.

                MFG

                Kommentar

                • Loxhomy
                  Azubi
                  • 12.03.2020
                  • 2

                  #24
                  Danke dir , es hat geklappt. Wie sieht es in der Visualisierung bei dir aus? Wenn man auf Wallbox geht, sieht es mager aus, nicht mal der Ladestrom wird da angezeigt.
                  Kanst du viellecht ein Foto davon machen?

                  Kommentar

                  • Ottcri
                    Azubi
                    • 11.03.2017
                    • 6

                    #25
                    Zitat von Loxhomy
                    Danke dir , es hat geklappt. Wie sieht es in der Visualisierung bei dir aus? Wenn man auf Wallbox geht, sieht es mager aus, nicht mal der Ladestrom wird da angezeigt.
                    Kanst du viellecht ein Foto davon machen?
                    Hast du am Wallbox Baustein alles richtig beschalten ?
                    Bei mir passt alles ... Fahrzeug Verbunden, Fahrzeug Lädt, Strom, Dauer ... passt eigentlich ?!
                    Schau mal mein Post #21 an, da siehst du ja ungefähr wie du das verschalten kannst.

                    Kommentar

                    • Gast

                      #26
                      Hi, ich kämpfe auch gerade mit der Kommunikation mit dem Go-E Charger. Ich krieg zwar alles rein, wenn ich den status über http abfrage, aber das Schicken von Kommandos will einfach nicht funktionieren. Kann mir jemand sagen, wie ich den Virtuellen Ausgang einstellen muss, dass http://'ip'/mqtt?payload='befehl'='value'" gesendet wird.

                      LG, Alex

                      PS. in Post #2 ist nur noch ein Bild der Verschaltung zu sehen.

                      Kommentar

                      • romildo
                        Lebende Foren Legende
                        • 25.08.2015
                        • 5169

                        #27
                        In die URL kommt nur die IP
                        Also
                        Code:
                        http://IP
                        In den Ausgangsbefehl dann der Rest.
                        Für den Wert gibt es zwei Möglichkeiten.
                        Möglichkeit 1: Er wird direkt in den Befehl geschrieben
                        Möglichkeit 2: Er wird kommt vom verbundenen Objekt und wird mittels <v> migegeben.
                        Code:
                        [URL="http://192.168.6.2/mqtt?payload=alw=0"]/mqtt?payload=befehl=[/URL]<v>
                        In Post #2 sind auch die Templates
                        LG Romildo

                        Kommentar

                        • Eusebius
                          Smart Home'r
                          • 08.09.2017
                          • 62

                          #28
                          Schreibe gerade im Loxwiki eine möglichst trivial gehaltene Anleitung dazu - https://www.loxwiki.eu/pages/viewpag...ageId=72122962
                          Hätte auch vor die Templates noch um ein Großteil der weitern Werte zu ergänzen, dann kann sich jeder aussuchen, was er braucht.
                          Und das Problem mit dem Runterladen der Templates (ich sehe sie auch trotz Versuch mit 2 Browsern und Neuanmeldung nicht - keine Ahnung wie ich es vor paar Wochen geschafft habe) sollte damit auch verschwunden sein.
                          Bitte dort jederzeit um Fragen / Anmerkungen / Ergänzungen - ist aber noch im Entstehen (bis vermutlich Mitte Juni 2020)

                          Kommentar

                          • KevinKrueger
                            Extension Master
                            • 26.01.2016
                            • 199

                            #29
                            Hallo ;-)

                            Ich habe jetzt einiges versucht aber nichts hat gut funktioniert ... wie steuert Ihr das Überschuss-laden ... sprich welche Logik arbeitet bei Euch um nur dann zu laden wenn Überschuss da ist und (im Idealfall) ggf. die Ladeleistung anzupassen ?

                            Viele Grüße
                            Kevin

                            Kommentar


                            • Eusebius
                              Eusebius kommentierte
                              Kommentar bearbeiten
                              Hast du dir die Anleitung dazu im Loxwiki schon angesehen? Da gibts unter "Intelligent Laden mit intelligenter Ladeleistung" ein Beispiel dazu.

                            • KevinKrueger
                              KevinKrueger kommentierte
                              Kommentar bearbeiten
                              Ja, das habe ich gelesen, aber irgendwie komme ich nicht weiter ...

                              Zum einen Scheint mein Wallbox Baustein nicht korrekt zu funktionieren (IE ist AUS aber Q1 ist EIN), zum anderen suche ich noch nach einer Möglichkeit den "aktuellen" Überschuss meiner Anlage (den Wert habe ich) sinnvoll als aktuelle Ladeleistung (mit Reserve) in die Box umzusetzen ...

                              Vor allem habe ich einen Knoten im Hirn wie ich "fortlaufend" den Überschuss der Anlage berechne und gleichzeitig versuche maximal zu laden ...
                              Zuletzt geändert von KevinKrueger; 16.07.2020, 20:11.

                            • Eusebius
                              Eusebius kommentierte
                              Kommentar bearbeiten
                              Q1 bleibt bei mir auch manchmal (eine Zeit lang) auf Ein, wenn Ie Aus ist. Hab das nur zufälligerweise mal gesehen. Ist vielleicht sowas wie eine bewusste Verzögerung im Wallbox Baustein.
                              Das mit dem aktuellen Überschuss in Wallbox verbraten ist ja unter "Intelligent Laden mit intelligenter Ladeleistung" beschrieben. Der fortlaufend berechnete Überschuss der Photovoltaik kommt aus dem Energiemonitor Baustein (Negation des AQv Ausgangs). Dieser plus die aktuelle Ladung ergibt (mit entsprechender Reserve und auch mal ok, wenns leicht ins Minus geht) die maximal sinnvolle Ladeleistung.
                          • gtrdriver
                            LoxBus Spammer
                            • 08.05.2016
                            • 282

                            #30
                            Hi
                            siehe Anhang:

                            Klicke auf die Grafik für eine vergrößerte Ansicht  Name: ScreenShot351.jpg Ansichten: 0 Größe: 136,0 KB ID: 258108
                            Batt brauchst du nur wenn du nen Akku dran hast ...

                            Kommentar

                            Lädt...