Go-e Charger Auto Ladestation

Einklappen
X
 
  • Zeit
  • Anzeigen
Alles löschen
neue Beiträge
  • RiverRaid
    LoxBus Spammer
    • 25.08.2015
    • 337

    #46
    DaCro
    Servus!

    Ich habe jetzt einige Einstellungen durchprobiert, um dein Problem einzukreisen....

    Probiere Mal in der go-E App diese Einstellungen:
    Klicke auf die Grafik für eine vergrößerte Ansicht  Name: Screenshot_20220126-190917.jpg Ansichten: 0 Größe: 256,5 KB ID: 335260 image widget

    Kommentar

    • DaCro
      Extension Master
      • 25.05.2018
      • 150

      #47
      RiverRaid Danke!
      Daran (scheint) es gelegen zu haben!
      Habe gerade die Ladung über Loxone gestoppt, Kabel gezogen, Go-E App angepasst (Laden erlaub von 0:00 - 0:00 Uhr :-D ), Kabel wieder eingesteckt - kein Ladebeginn - wie erwartet.
      Werde das nun die nächsten Tage weiter beobachten. Aber die Hoffnung ist da, dass es daran lag.

      Witzige Einstellung in der Go-E - da muss man erstmal drauf kommen...

      Kommentar


      • RiverRaid
        RiverRaid kommentierte
        Kommentar bearbeiten
        Ich drück dir die Daumen!

      • allp
        allp kommentierte
        Kommentar bearbeiten
        Habe es jetzt so auch getestet. Funktioniert! Ladevorgang wird durch Ladetimer gesperrt.
    • allp
      Smart Home'r
      • 23.09.2015
      • 64

      #48
      Zitat von DaCro
      Hallo zusammen,
      nachdem nun unser EV da ist, kann ich nun meine Programmierung endlich mal live testen ;-). Soweit so gut - danke an die Ersteller der vielen Tipps und Anleitungen.
      Wenn die Go-E und EV verbunden sind, funktioniert das jeweilige Laden gesteuert durch Loxone perfekt.
      ...

      Anbei meine Wallbox Konfig...
      Hi DaCro,

      ich war so frech und hab deine Config nachgebaut. Auch von mir ein riesen Dankeschön an dich und an alle anderen Beteiligten.
      Ein paar Fragen ergeben sich dennoch:

      1. Welchen Wert hast du bei dem "Größer Gleich Baustein" zur Ermittlung "PV-Laden möglich" eingetragen?
      2. Kannst du mir bitte die Ausgangs-Befehle für die 3P Umschaltung schicken?
      3. Interessant wären noch die Inhalte der beiden Status Bausteine (Ladetyp und Ladeleistung).


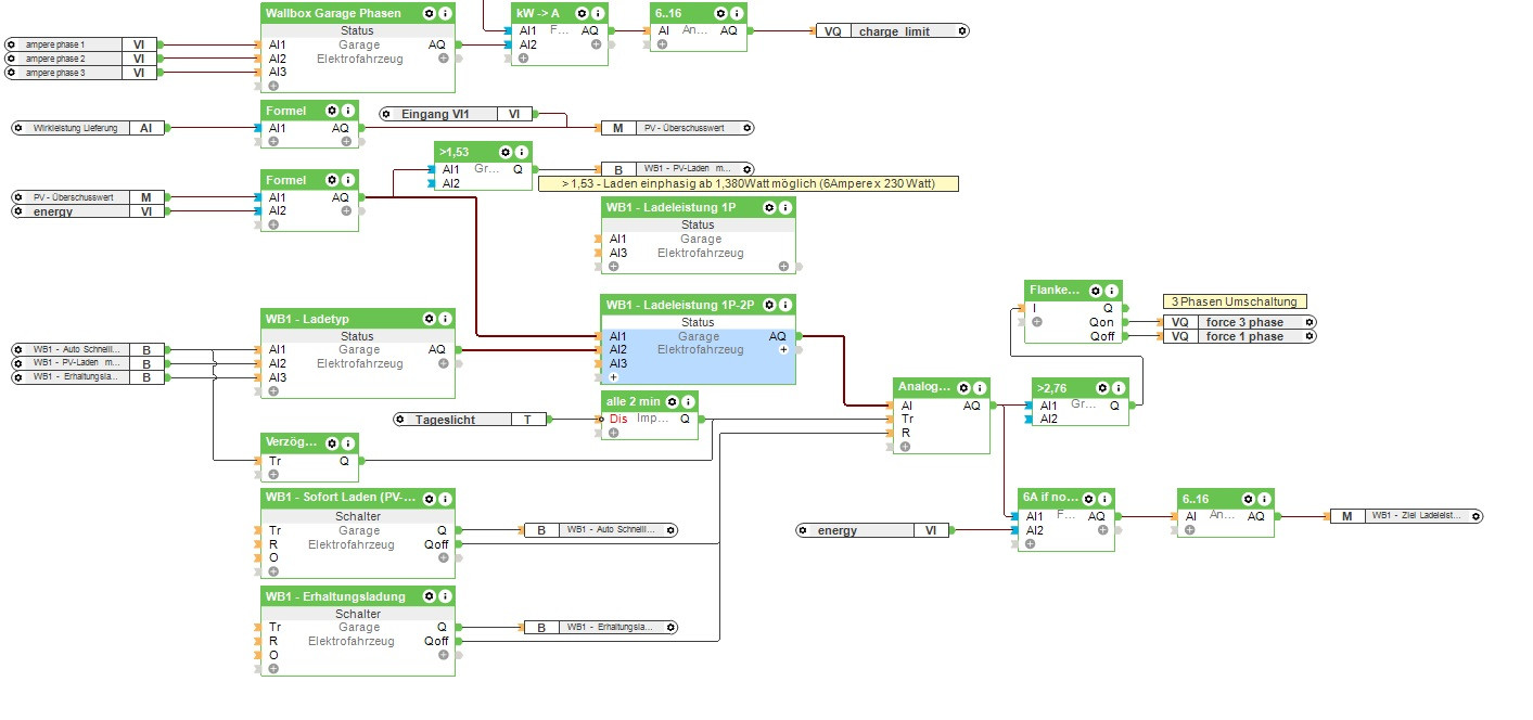
      Hier meine Config:


      Klicke auf die Grafik für eine vergrößerte Ansicht

Name: image_40143.jpg
Ansichten: 1989
Größe: 168,8 KB
ID: 335308

      Kommentar

      • DaCro
        Extension Master
        • 25.05.2018
        • 150

        #49
        allp , hier die Antworten:

        1. 1,53 - Laden einphasig ist beim meinem EV ab 1,380Watt möglich (6Ampere x 230 Watt). Um ein bißchen Puffer zu haben, habe ich den Wert etwas höher angesetzt, damit nicht nach Ladebeginn direkt wieder gestoppt wird, wenn eine Wolke oder so kommt.

        2. 3 Phasen: http://IPADRESSEGOE/mqtt?payload=fsp=0 / 1 Phase: http://IPADRESSEGOE/mqtt?payload=fsp=1

        3. Den Inhalt der Statusbausteine habe ich aus dem Wiki ebenfalls übernommen und leicht angepasst:
        Klicke auf die Grafik für eine vergrößerte Ansicht  Name: Ladeleistung.png Ansichten: 0 Größe: 88,0 KB ID: 335328 Klicke auf die Grafik für eine vergrößerte Ansicht  Name: Ladetyp.png Ansichten: 0 Größe: 46,0 KB ID: 335329


        Noch eine kleine Ergänzung: Automatische Phasenumschaltung während einer Ladung ergibt bei mir keinen Sinn. Da bei meiner PV-Anlage der Überschuss nur im Hochsommer ganz kurz über 3680Watt liegt. Daher geht die Ladeleistung maximal bis 16A mit einer Phase = 3680W. Es sei denn ich schalte bewusst auf Volle Kanne - dann greift die Phasenumschaltung und automatisch 16A
        Angehängte Dateien
        Zuletzt geändert von DaCro; 27.01.2022, 10:25.

        Kommentar


        • DaCro
          DaCro kommentierte
          Kommentar bearbeiten
          Ja, wenn Sofort Laden ausgewählt wird, bleibt die Wallbox auf Volle Kanne :-D
          Das Auto meldet dann eben Bedarf oder nicht, wenn der SOC erreicht ist. Gleichzeitig ist in der Konfiguration ja auch der SOC enthalten.

          Um den Schalter "Sofort laden" zu deaktivieren, kannst du den ja mit einem Reset Befehl bei Erreichen des SOCs triggern.
          Dann geht er nach dem Laden auch in der Loxone aus.

        • allp
          allp kommentierte
          Kommentar bearbeiten
          Ich kann leider bei meinem EV (ist ein Audi) den Soc noch nicht auslesen. Wenn ich es richtig gesehen habe, hast du einen VW. Wie liest du den Soc aus?
          Ich kann aber einfach den Status des GO-E abfragen und damit den Reset am Schalter triggern.

        • DaCro
          DaCro kommentierte
          Kommentar bearbeiten
          Den SOC lese ich mit iobroker und dem vwconnect Plugin aus.. diesen Wert dann mit dem mqtt Plugin über den loxberry in die Konfig..
      • allp
        Smart Home'r
        • 23.09.2015
        • 64

        #50
        Besten Dank für die ausführlichen Antworten.
        Da mein EV 2 Phasig geladen werden kann, muss ich den Ladeleistung Statusbaustein noch anpassen. Zudem werde ich eine automatische Phasenumschaltung einbinden müssen (Das umschalten mit Loxone funktioniert schon mal). Sollte also alles machbar sein.
        Aktuell habe ich auch das Problem, dass das EV direkt nach dem anstecken geladen wird obwohl nicht erlaubt. Da muss ich auch nochmal dran.

        Das was noch nicht funktioniert ist das Weiterreichen des "charge limit" - Wertes.
        Anbei mal ein Bild von den Einstellungen. Ausprobiert habe ich bereits "amp" und "amx".
        Übersehe ich was? Der wert muss sich doch in der Go-E App sowie der Wert der Pahsenumschaltung auch verstellen, richtig?

        Klicke auf die Grafik für eine vergrößerte Ansicht

Name: Screenshot 2022-01-27 165520.jpg
Ansichten: 1721
Größe: 40,5 KB
ID: 335446

        Kommentar


        • DaCro
          DaCro kommentierte
          Kommentar bearbeiten
          Nein, der Wert ändert sich nur, wenn auch geladen wird.

        • allp
          allp kommentierte
          Kommentar bearbeiten
          Ok. Dann teste ich das gleich nochmal. Der Befehl ist aber sonst richtig?

        • allp
          allp kommentierte
          Kommentar bearbeiten
          Nach Ausgang Löschen und wieder Neuanlegen funktioniert es jetzt
      • allp
        Smart Home'r
        • 23.09.2015
        • 64

        #51
        Kann das so mit der Phasenumschaltung und den Ladeleistungen funktionieren?

        Klicke auf die Grafik für eine vergrößerte Ansicht

Name: Screenshot 2022-01-27 193342.jpg
Ansichten: 2055
Größe: 157,8 KB
ID: 335473

        Klicke auf die Grafik für eine vergrößerte Ansicht

Name: Screenshot 2022-01-27 183213.jpg
Ansichten: 2029
Größe: 224,7 KB
ID: 335472

        Angehängte Dateien

        Kommentar

        • DaCro
          Extension Master
          • 25.05.2018
          • 150

          #52
          Zitat von RiverRaid
          DaCro
          Servus!

          Ich habe jetzt einige Einstellungen durchprobiert, um dein Problem einzukreisen....

          Probiere Mal in der go-E App diese Einstellungen:
          Klicke auf die Grafik für eine vergrößerte Ansicht Name: Screenshot_20220126-190917.jpg Ansichten: 0 Größe: 256,5 KB ID: 335260 image widget
          Da mir das mit den Ladetimer "etwas" merkwürdig vorkam, habe ich einfach mal den Go-E Support kontaktiert.
          Dazu habe ich folgende Info erhalten:

          Grundsätzlich funktioniert die Freischaltung mit dem Ladetimer, da Sie das Zeitfenster von 0:00 - 0:00 eingestellt haben, somit können Sie hier den Parameter " frc" verwenden. In diesem Fall gibt der Charger erst die Freigabe wenn Sie über die API den " frc" Parameter ändern.

          Ohne die Funktion Ladetimer einstellen zu müssen, können Sie dem Parameter "acs" ( Read/Write) verwenden, um die Freigabe des Ladens zu gewähren.
          "acs" = 0 access control is Open
          "acs" = 1 access control is Wait
          Werde das mal bei Gelegenheit testen...

          Kommentar


          • RiverRaid
            RiverRaid kommentierte
            Kommentar bearbeiten
            Klingt interessant! Butte halte uns auf dem Laufenden
        • DaCro
          Extension Master
          • 25.05.2018
          • 150

          #53
          Soderle,
          hier nun mal mein Update und Zusammenfassung von meinen Learnings - die sicherlich auch anderen helfen können!
          1. Es gibt zur Zeit zwei Go-Charger mit unterschiedlicher Hard- und Software auf dem Markt. Daher ist es elementar die richtige API Schnittstelle zu aktivieren, die man auch verwenden will und die richtigen API Befehle abzusetzen! Bei jeder Anfrage hier im Forum sollte man daher auch immer dazuschreiben, welche API man nutzt :-D. (Im Git-Hub unterscheidet Go-E auch über API V1 und V2)
            1. Dazu in der Go-E App unter "Internet / Erweiterte Einstellungen" auch die korrekte API aktivieren. In meinem Fall HTTP APIv2.
          2. Der Go-E Charger fängt immer direkt an zu laden, es sei denn man verbietet es ihm über die Go-E App oder eben über API Werte
          3. Der Support von Go-E ist schnell, kompetent und freundlich :-D

          Daher waren die Lösungsansätze und API Befehle hier alle richtig - man muss sie nur in Kombination mit der APP richtig verknüpfen :-D
          Ich nutze wie gesagt V2. Daher gilt folgendes:


          KEINE Einstellungen in der APP --> Ladebeginn startet sofort! Wenn über Loxone dann Parameter geändert werden, reagiert die Wallbox entsprechend darauf.
          (Das war mein geschildertes "Fehlverhalten")

          Möglichkeit 1:
          Go-E App --> Einstellungen --> Zugriffsverwaltung --> Erforderlich
          Hier wartet die Wallbox darauf, dass man sich mittels RFID oder direkt über die App authentifiziert. Oder über die API den Wert "acs" auf 0 setzt und damit das Authentifizieren simuliert.

          Möglichkeit 2:
          Go-E App --> Einstellungen --> Ladetimer --> Laden sperren.
          Dies unterbindet den Beginn der Ladung zu den eingestellten Zeiten. Bei dem "Workaround" hier im Forum, von 0:00-0:00 wird also dauerhaft das Laden unterbunden.
          Dies kann dann mit dem Wert "alw" verändert werden.

          Insgesamt bietet die API eine Vielzahl von Möglichkeiten, die Wallbox über Loxone zu steuern - wenn man denn weis, welcher Wert was verändert :-D
          Ich nutze nun die Authentifzierungs-Einstellung = Wallbox lädt nur, wenn ich mittels API den Wert von acs=0 setze oder zum beenden acs=1

          Natürlich - und das finde ich besonders spannend - kann man so auch komplexere Logiken über Loxone steuern, in dem man die diversen API Keys im Zusammenhang nutzt..

          Für meinen Teil ist jetzt alles so wie ich es wollte:
          Wallbox ist "doof" und lädt nicht - nur wenn Loxone sagt los gehts :-D.

          Kommentar


          • DaCro
            DaCro kommentierte
            Kommentar bearbeiten
            Ja - das ist das Winterproblem. Ein ständiges an/aus macht weder der Wallbox noch dem Lademanagement des Autos Spaß. Daher habe ich zwei Möglichkeiten implementiert:
            a) Minimalladung starten. Dann wird mit 1,48kw geladen und wenn mehr Sonne scheint, dann auch mehr. Aber dauerhaft mit mind 1,48kw
            b) Ausschaltverzögerungen bei der PV-Ladung einbauen/aktivieren. Generell startet bei mir eine Ladung, wenn mehr als 1,5kw zur Verfügung stehen und eine Ladung wird erst beendet, wenn länger als 2 Minuten der Wert unter 1kw liegt. So kann man den Wolken entgegenwirken..Und ja - das ist ein Kompromiss, da hier natürlich öfters mal Strom zugekauft wird.

          • Eusebius
            Eusebius kommentierte
            Kommentar bearbeiten
            Das ein/aus sollte kein Problem sein. Es ist durch die Logik auf 2min. begrenzt - d.h. max. alle 2min gehts bei wechselnder Bewölkung ein/aus. Lt. Auskunft von goE sollte das kein Problem sein. Für den Akku des Autos ists auf jeden Fall kein Problem, da beim Bremsen=Rekuperieren genau dasselbe passiert.

          • allp
            allp kommentierte
            Kommentar bearbeiten
            Das mit der Minimalladung hört sich interessant an.
            Dem Akku mag das nicht viel ausmachen, aber die elektronischen Bauteile leiden schon drunter.
        • grasiv6
          Azubi
          • 17.02.2019
          • 6

          #54
          Hallo Jungs

          Gibt es Irgendwo eine Vorlage oder Musterprojekt.

          Kann in der Wiki aktuell nichts finden.
          Auch der link https://loxwiki.atlassian.net/wiki/p...erLadeleistung
          funktioniert nicht mehr.

          Danke vorerst

          Kommentar

        • Loxham
          Smart Home'r
          • 06.09.2021
          • 42

          #55
          Zitat von allp
          Besten Dank für die ausführlichen Antworten.
          Da mein EV 2 Phasig geladen werden kann, muss ich den Ladeleistung Statusbaustein noch anpassen. Zudem werde ich eine automatische Phasenumschaltung einbinden müssen (Das umschalten mit Loxone funktioniert schon mal). Sollte also alles machbar sein.
          Aktuell habe ich auch das Problem, dass das EV direkt nach dem anstecken geladen wird obwohl nicht erlaubt. Da muss ich auch nochmal dran.

          Das was noch nicht funktioniert ist das Weiterreichen des "charge limit" - Wertes.
          Anbei mal ein Bild von den Einstellungen. Ausprobiert habe ich bereits "amp" und "amx".
          Übersehe ich was? Der wert muss sich doch in der Go-E App sowie der Wert der Pahsenumschaltung auch verstellen, richtig?

          Klicke auf die Grafik für eine vergrößerte Ansicht

Name: Screenshot 2022-01-27 165520.jpg
Ansichten: 1721
Größe: 40,5 KB
ID: 335446


          Ich hab jetzt gefühlt alles versucht, was hier im Thread beschrieben wurde. Nichts funktioniert. Mit /mqtt?payload=alw=1 kann ich Laden einschalten und ausschalten, aber charge limit funktioniert weder mit amp noch mit amx.
          Ich habe den Ausgang auch schon mehrmals gelöscht und neu angelegt, ohne Ergebnis.

          Unter Internet > Erweiterte Einstellungen kann ich nichts ändern, da es ausgegraut ist.

          Hardware Version ist laut App, die V2.

          Hat Jemand eine Vermutung was ich noch machen kann?

          Kommentar


          • Niggo_dN
            Niggo_dN kommentierte
            Kommentar bearbeiten
            Hi, habe das selbe Problem. Hast du ne Lösung gefunden? Der Befehl passt, wenn ich aus <v> z.B. 9 mache und die Ladung starte wird der Wert gesendet und auch von der go.e umgesetzt...

          • Loxham
            Loxham kommentierte
            Kommentar bearbeiten
            Hi, ich habe es mit einem Statusbaustein gelöst. Wenn eine 6 am Statusbaustein ankommt gebe ich /mqtt?payload=amx=6 aus. Und das mache ich mit jeder Zahl bis 16.

          • Niggo_dN
            Niggo_dN kommentierte
            Kommentar bearbeiten
            ...Danke für den Tip!
        • herrnik
          Smart Home'r
          • 11.11.2016
          • 34

          #56
          Zitat von RiverRaid
          Siehe Beispiel - Screenshot von mir: force_1_phase und force_3_phase

          /mqtt?payload=fsp=1 => 1 phasig /mqtt?payload=fsp=0 => 3 phasig


          Hallo RiverRaid, kurze Frage:
          Das ist dann bei Dir die Kombination "go-e charger V3 Hardware" mit "API V1", richtig?

          Vermutung: Bei meiner V2 Hardware sind die Parameter "amx" und "fsp" nicht verfügbar, über die API V1, stimmt das?

          Kommentar


          • RiverRaid
            RiverRaid kommentierte
            Kommentar bearbeiten
            Ich habe Hardware Version V3 und verwende beide API - Versionen, vielleicht geht es mittlerweile auch schon alleine mit der 2er API, aber das ist dann ein Winterprojekt
        • RiverRaid
          LoxBus Spammer
          • 25.08.2015
          • 337

          #57
          Loxham
          Niggo_dN
          Bei mir funktioniert es mit der Formel "INT(I1/0,23/I2)" und dahinter dann ein Analogbegrenzer 6-16, dahinter dann der virtuelle Ausgang "/mqtt?payload=amx=<v>"
          Klicke auf die Grafik für eine vergrößerte Ansicht  Name: goe.png Ansichten: 0 Größe: 59,2 KB ID: 360419

          Kommentar

          • Loxham
            Smart Home'r
            • 06.09.2021
            • 42

            #58
            Das habe ich genauso. Ich habe nur zwischen dem Analogbegrenzer und dem Ausgang noch einen Statusbaustein, um direkt den Befehl auszugeben, da <v> bei mir nicht funktioniert hat. Wieso auch immer.

            Was allerdings überhaupt nicht funktioniert, ist die Umschaltung auf eine Phase oder drei Phasen. Bei mir sind immer drei Phasen aktiv.
            Ich kann auch in der Go-e App die erweiterten Einstellung nicht ändern, da dieser Button ausgegraut ist.

            Kommentar

            • RiverRaid
              LoxBus Spammer
              • 25.08.2015
              • 337

              #59
              Loxham

              Ich hab Dir mal meine Einstellungen von dem virtuellen Ausgangsverbinder angehängt:
              Klicke auf die Grafik für eine vergrößerte Ansicht  Name: Lox_AMX.png Ansichten: 0 Größe: 29,7 KB ID: 360623
              Und probiere aich bei Einheit <v>, und nicht <v.1>

              Bei mir funktioniert die umschaltung zwischen 1 und 3 Phasen erst, seitdem ich 2 Ausgangsverbinder gemacht habe und sie mit einer Flankenerkennung (T=0,5) aufrufe.
              Für Umschalten auf 1-Phasig: /mqtt?payload=fsp=1
              und 3 Phasig: /mqtt?payload=fsp=0


              Meinst Du mit erweiterte Einstellung in der go-e App den Punkt "Internet => Erweiterte Einstellungen" ?
              Zuletzt geändert von RiverRaid; 13.10.2022, 16:26.

              Kommentar


              • Loxham
                Loxham kommentierte
                Kommentar bearbeiten
                Habe ich alles so gemacht, wie du es beschreibst. Hat nicht funktioniert. Ganz unabhängig von der Automatik, wenn ich den Phasen-Befehl manuell rausschicke, tut sich bei der Wallbox auch nichts

                Ja, in die Erweiterte Einstellungen komme ich nichtmal rein.

              • RiverRaid
                RiverRaid kommentierte
                Kommentar bearbeiten
                Ok... sehr eigenartig :/

                Vor allem, dass Du in die nicht in die erweiterten Einstellungen kommst. Ich würde goE anschreiben

              • Niggo_dN
                Niggo_dN kommentierte
                Kommentar bearbeiten
                habe auch das selbe Problem, aber egal, vorerst passt das mit dem Statusbaustein dazwischen...
            • roadi
              MS Profi
              • 26.08.2015
              • 561

              #60
              Hey Leute 👋

              Ich hab den Go Echarger soweit eingebunden, das PV Überschussladen funktioniert.

              Jetzt ist die Frage ob ich die Phasenumschaltung auch einbinden muss? Soweit ich jetzt gelesen hab gehts sonst nicht unter 3,5kw? Ist das richtig?

              hab nen gemini flex 11kw und ne 10kwp PV, das heisst aktuell bin ich schon eher unter 3kw Einspeisung unterwegs.

              lg.
              Loxone: 1x Miniserver, 8x Extension, 2x Dimmer, 1x Relay 2x 1Wire, 1x DMX, 1x Fröling, 1x AirBase, 1x NanoIO Air, 1x RemoteAir, 2x Multi Extension Air
              Dmx4all:4x X9, 1x MaxiRGBW, 1x RGB
              Synology: DS414, 4x4TB WD red,
              Intel NUC7I3BNK: Proxmox, MusikServer4Lox, Win10, loxberry, Verstärker für 10 Zonen Eigenbau
              Fritzbox: 7490
              Rasenmäher: Husqvarna Automower 420 (2017), Robonect HX R3 Modul

              Kommentar


              • Loxham
                Loxham kommentierte
                Kommentar bearbeiten
                Ja, die müsstest du einbinden, um mit geringerer Leistung zu laden.
            Lädt...