Fronius Symo API Abfrage
Einklappen
X
-
Hallo,
ich habe die Vorlage genutzt und es läuft auch. Allerdings bekomme ich keine Werte der Batterie. Wie mache ich es richtig? Aktuell nutze ich als 2. Energiemonitor den direkten von Fronius und greife dort den SOC ab. Das klappt allerdings nur verzögert. Kann mir bitte jemand helfen?
Um die Werte via Modbus auszulesen, benötige ich da eine Modbus Extension? Ich habe 2 Fronius Wechselrichter und 1 Fronius Smart Meter. Vielen Dank euch
Kommentar
-
Sie benötigen die Modbus-Erweiterung nicht. Der Miniserver liest die Modbuswerte direkt aus. Sie erwähnen nicht, ob Sie den Fronius Battery and Hybrid Wechselrichter haben? Ich nehme es an und dieser Link hat einige weitere Informationen -
Ich spreche kein Deutsch. Gib Google Translate die Schuld, wenn ich unverständlich bin.Kommentar
-
Gibt jetzt auch was für Fronius per Node Red: https://flows.nodered.org/node/node-...-fronius-solar
https://www.loxwiki.eu/display/LOXBE...+MQTT+ausgeben
Ich schick mir das dann per MQTT zu:
Der 2.String wird leider noch nicht berücksichtigt!
Auf API V1 konnte ich leider noch nicht umstellen aber das ganze ist ja erst 2Tage alt.
Abfrageintervall ist dann frei einstellbar!Zuletzt geändert von AlexAn; 10.08.2019, 18:24.Grüße AlexKommentar
-
Hallo,Sie benötigen die Modbus-Erweiterung nicht. Der Miniserver liest die Modbuswerte direkt aus. Sie erwähnen nicht, ob Sie den Fronius Battery and Hybrid Wechselrichter haben? Ich nehme es an und dieser Link hat einige weitere Informationen -
https://www.loxwiki.eu/display/LOXEN...ith+Modbus+TCP
ich habe das jetzt nach deiner Anleitung (wiki) gemacht, aber es funktioniert nicht richtig.
Aktuell wird kein Hausverbrauch dargestellt und die Gesamtproduktion stimmt auch nicht.
Vielleicht kannst du mir da weiterhelfen?
Würde ein Screenshot helfen?
Meine Hardware: Fronius Symo Hybrid 5, Fronius Symo 3, Fronius Smart Meter und Fronius Batterie 4,5kw.
Zuletzt geändert von ceeage; 11.08.2019, 18:28.Kommentar
-
Mit dem zusätzlichen Symo-Wechselrichter benötigen Sie zusätzliche Modbus-Sensoren.
Der folgende Screenshot zeigt die Einstellung für nur einen einzelnen Hybrid-Wechselrichter. Ihr Symo 3 benötigt die Ergänzung durch einen'Datamanager Modbus Server'.
Die Adresse ist Ihre Symo 3 IP-Adresse und Port etwas anderes als 502.
z.B. 10.1.1.6:503
Dann erstellen Sie ein neues Modbus-Gerät - Fronius Symo 3
Modbus-Adresse - 2
Ändern Sie die Modbus-Adresse (2) über das Wechselrichtermenü am Wechselrichterfeld. Ändern Sie auch den Port auf 503, indem Sie das Einstellungsmenü für die Webschnittstelle des Wechselrichters verwenden.
Erstellen Sie die Sensoren für das Lesen des Symo 3. Beachten Sie bei der Erstellung der Symo 3 Sensoren die vorhandenen Hybrid-Modbus-Sensorwerte.
Sehen Sie, ob Sie erfolgreich Rohdaten von den Symo 3 Modbus-Sensoren erhalten haben. Weitere Informationen folgen danach.1 BildZuletzt geändert von Tico; 12.08.2019, 07:48.Ich spreche kein Deutsch. Gib Google Translate die Schuld, wenn ich unverständlich bin.Kommentar
-
Danke für die schnelle Hilfe. Was mich wundert: gestern, nachdem ich hier den Beitrag geschrieben habe, hat es mal kurzzeitig funktioniert und alle Werte korrekt ausgegeben. Abends, als der Symo 3 dann offline war, funktionierte es nicht mehr!?
Was auch nicht funktioniert hat ist die manuelle Lademöglichkeit der Batterie über Loxone/Modbus.
Generell gefragt: was sind die Vorteile von Modbus im Vergleich zur API- Abfrage? So viel schneller ist das doch auch nicht oder?
-
-
Wählen Sie in den Einstellungen des Symo 3 Wechselrichters (Bild 1) den Nachtmodus auf EIN. Dies sollte den Symo 3 wach halten.
Das manuelle Laden des Akkus erfordert auch einige Einstellungen, die auf der Webseite der Hybrid-Einstellungen (Bild 2 + 3) vorgenommen werden.
Die Steuerung des Wechselrichters / der Batterie ist nur mit Modbus möglich. Das Lesen der meisten Parameter ist mit Modbus mit einem Polling-Intervall von 5-10 Sekunden möglich.
Die Solar.api ermöglicht das Lesen einiger Parameter mit einem Abfrageintervall, das davon abhängt, wie "geladen" der Miniserver ist. Die virtuelle HTTP-Eingabe verbraucht mehr Ressourcen, je höher die Polling-Frequenz ist. Praktisch wäre eine Abfrage alle 30-60 Sekunden möglich.3 BilderIch spreche kein Deutsch. Gib Google Translate die Schuld, wenn ich unverständlich bin.Kommentar
-
Das habe ich so auch alles schon eingestellt. Ging trotzdem nicht.
Ich versuche morgen alles noch mal von vorne zu programmieren. Mal sehen ob es dann funktioniert?!
Klappt bei dir das Einstellen des Ladeverhaltens der Batterie?
Ich hatte vor der Modbus-Abfrage ja die API-Abfrage. Diese hat die Daten jedoch auch spätestens alle 10 Sek. aktualisiert..!?Kommentar
-
Das Ladeverhalten über die Modbus-Steuerung funktioniert gut.
Beispiel 1
Speichersteuerungsmodus wählen - StorCtlMod auf Wert 2 einstellen
Stellen Sie die Entladegrenze - OutWRte auf (z.B. -10%). Minuszeichen beachten.
Bei einem 4,5kWh Akku beträgt die Laderate aus dem Netz ~250 Watt.
Beispiel 2
Wählen Sie Speichersteuerungsmodus auf Wert 2.
Stellen Sie die Entladegrenze - OutWRte auf (z.B. -100%).
Bei einem 4,5kWh Akku beträgt die Laderate aus dem Netz ~2500 Watt.
Beispiel 3
Wählen Sie Speichersteuerungsmodus auf Wert 1.
Ladegrenze einstellen - InWRte auf (z.B. +50%).
Bei einem 4,5kWh Akku ist die Ladung durch die Sonne auf ~1250 Watt begrenzt.
Ja, die API-Abfrage funktioniert im Abstand von 10 Sekunden. Wenn Sie viele andere HTTP Virtual Inputs für andere Geräte haben, sind 10 Sekunden nicht realisierbar. -
Das mit den Laderaten verstehe ich jetzt nicht so recht!?
Wenn ich jetzt Modus 3 wähle und Ladelimit bei 80% und Entladelimit bei 30% einstelle, bedeutet das doch, dass ausserhalb dieser Bereiche der Akku weder geladen noch entladen wird oder?
-
-
Wenn Modus 3 gewählt ist, Ladegrenze 80%, erfolgt die Ladung von der Sonne bis zu einer maximalen Leistung von ~2000 Watt (wobei 100% ~2500 Watt für einen 4,5kWh Akku entspricht). Die ungenutzte Balance geht an das Netz.
Wenn Modus 3 ausgewählt ist und auch eine Entladegrenze auf 30% eingestellt ist, wird die Entladerate auf ~750 Watt begrenzt. Wenn also die Sonne hinter Wolken verschwindet, entladen sich die Akkus nur bis zu einer maximalen Leistung von ~750 Watt (gilt wiederum für 4,5kWh Akkus). Weniger als 750 Watt, wenn der Hausbedarf geringer ist.
Ich benutze das Ladelimit häufig, um die Ladezeit zu verlängern. Dies führt zu einer geringeren Erwärmung der Batterie und sollte die Lebensdauer der Batterie verbessern.
Modus 3 gilt nur für Ladegrenze+ und Entladegrenze+. Beim Aufladen ist die Rate auf X% zu begrenzen. Beim Entladen ist der Grenzwert auf einen Satz von Y% zu begrenzen.
Ladegrenze - ist Zwangsentladung und Entladegrenze - ist Zwangsladung. Sie können nicht zur gleichen Zeit auftreten.
Ich spreche kein Deutsch. Gib Google Translate die Schuld, wenn ich unverständlich bin.Kommentar
-
Ach jetzt verstehe ich. Es geht nicht um die minimale oder maximale "Füllung" des Akkus sondern um die Laderate an sich. Dass er z.B. nicht mit 2.000Watt bis um 12 Uhr mittags den Speicher voll macht, sondern verzögert bis z.B. in den Nachmittag hinein. Stimmt das jetzt so?Zuletzt geändert von ceeage; 13.08.2019, 17:28.
-
-
So ich bin jetzt dabei das zu implementieren. Allerdings bekomme ich keine Daten vom Symo 3.Mit dem zusätzlichen Symo-Wechselrichter benötigen Sie zusätzliche Modbus-Sensoren.
Der folgende Screenshot zeigt die Einstellung für nur einen einzelnen Hybrid-Wechselrichter. Ihr Symo 3 benötigt die Ergänzung durch einen'Datamanager Modbus Server'.
Die Adresse ist Ihre Symo 3 IP-Adresse und Port etwas anderes als 502.
z.B. 10.1.1.6:503
Dann erstellen Sie ein neues Modbus-Gerät - Fronius Symo 3
Modbus-Adresse - 2
Ändern Sie die Modbus-Adresse (2) über das Wechselrichtermenü am Wechselrichterfeld. Ändern Sie auch den Port auf 503, indem Sie das Einstellungsmenü für die Webschnittstelle des Wechselrichters verwenden.
Erstellen Sie die Sensoren für das Lesen des Symo 3. Beachten Sie bei der Erstellung der Symo 3 Sensoren die vorhandenen Hybrid-Modbus-Sensorwerte.
Sehen Sie, ob Sie erfolgreich Rohdaten von den Symo 3 Modbus-Sensoren erhalten haben. Weitere Informationen folgen danach.
Woran kann das liegen? Port ist 503 und Modbus-Adresse ist die 2.
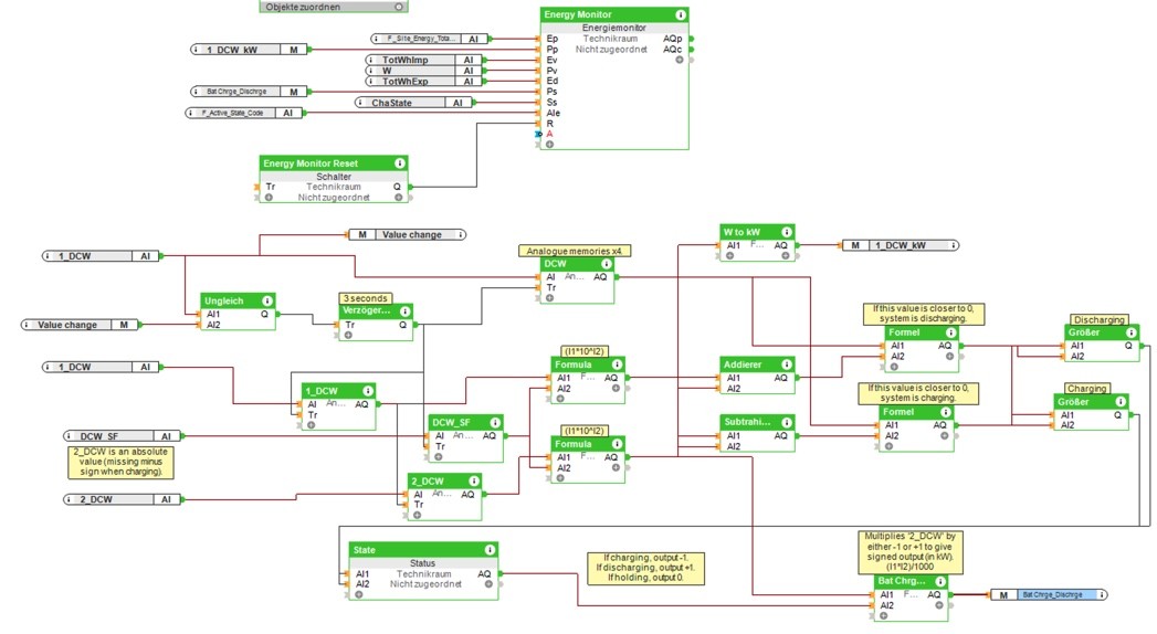
Und dann ist mir nicht klar woher ich den Wert "DCW" bekomme?
Irgendwie ist mir das alles eine Nummer zu hoch, zumal die Anleitung ihr übriges beiträgt. Gerade der Abschnitt "e" mit der Abfragesequenz. Muss man das jetzt noch händisch umstellen oder reicht es wenn ich die Analogsensoren in die Vorlage einfach rüber ziehe?Zuletzt geändert von ceeage; 13.08.2019, 18:03.Kommentar
-
Ignoriere den Abschnitt 'e' im Wiki. Der Abschnitt verbessert nur die Genauigkeit der Messwerte. Die Vorlage funktioniert so, wie sie ist.
Vom Symo 3 wird nur ein Wert benötigt. Das ist die aktuelle PV-Produktion.
Sie können diesen Wert entweder über Modbus oder die solar.api beziehen. Sie muss dem Produktionswert der Hybrid-PV-Produktion hinzugefügt werden. Der kombinierte Wert wird mit dem Pp-Eingang verbunden. Der folgende Screenshot ist vereinfacht auf die PV-Produktionseinträge für den Energiezähler.
Verwenden Sie einfach die solar.api für den Symo 3 im Moment. Dadurch gelangen die erforderlichen Informationen in den Energiezähler.1 BildIch spreche kein Deutsch. Gib Google Translate die Schuld, wenn ich unverständlich bin.Kommentar
-
Die angehängte .loxone Datei hat die Einstellungen in der Miniserver Kommunikation.
Der Modbuswert namens 'DCW' hat die Gesamtleistung für die Produktion.
Ich habe einen Sensor namens 'AC Power Total' eingebaut. Dies sollte sehr nahe an DCW liegen (hat aber die Verluste der Umwandlung von DC in AC).
Fügen Sie Ihre Symo 3 IP unter xxx.xxx.xxx.xxx ein. Sie sollten die Modbus-Adresse als 1 belassen können.Angehängte DateienIch spreche kein Deutsch. Gib Google Translate die Schuld, wenn ich unverständlich bin.Kommentar
-
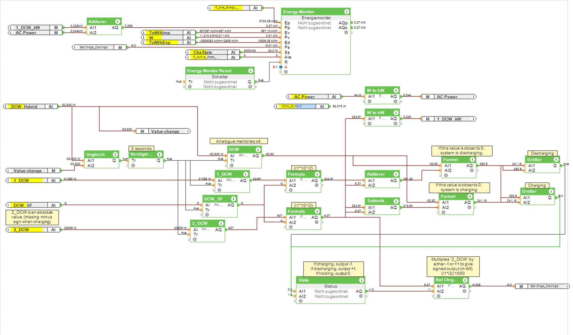
Hallo, hier bin ich wieder.
Irgendetwas mache ich schon wieder falsch....
Hab mal einen Screenshot angehängt.
Kann man das erkennen?
Die Werte des Symo Hybrid weichen leicht vom Solarweb ab (dort ist die Produktion höher) und die Werte für die Gesamtproduktion etc. werden erst gar nicht angezeigt? Woran kann das liegen?
Was auch nicht richtig funktioniert ist die Aktualität der Daten. Im Solarweb werden eingeschaltete Verbraucher recht rasch dargestellt. In der App leider nicht. Muss ich da dann doch noch Kapitel "e" angehen und umsetzen?Zuletzt geändert von ceeage; 14.08.2019, 19:57.Kommentar
-
Es klingt, als ob Sie erleben, dass der Modbus überlastet wird.
Zur Information, ich habe eine kabelgebundene Ethernet-Verbindung zum Hybrid. Ich habe 23 Modbus-Sensoren über den Wechselrichter und den intelligenten Zähler. Das Beste, was ich in diesem Heimnetzwerk verwalten kann, ist eine 10-Sekunden-Abfrage mit einem Timeout von 500 ms.
Ich habe eine WLAN-Verbindung zu einem anderen Fronius-Wechselrichter, der durch einen zusätzlichen drahtlosen Zugangspunkt springt. Das Beste, was es bewältigen kann, sind etwa 6 Modbus-Sensoren bei 10 Sekunden Abfrage mit dem Timeout-Set 4000ms.
Stell es dir so vor.....
(Anzahl der Sensoren) x (Abfrageintervall) x (Timeout) = Zeitintervall der freien Modbus-Kapazität.
Wenn Sie die Anzahl der Sensoren erhöhen, nimmt die freie Kapazität ab. Wenn das Polling-Intervall gleich bleibt, nähert sich der Modbus einem überlasteten Zustand.
Abschnitt (f) im Wiki-Artikel hat einige Informationen über das'Tuning' der Modbus-Abfrage. Schlagen Sie vor, dass Sie mit Timeout 750ms und 15 Sekunden Abfrage für jeden Sensor beginnen und sehen, wie es läuft.Ich spreche kein Deutsch. Gib Google Translate die Schuld, wenn ich unverständlich bin.Kommentar
-
Ok verstehe.
Habe gestern dann noch ein wenig rum probiert und die Abfrage bei 7 Sek. und den Timeout bei 700ms stehen. Damit klappt es ganz gut. Daten weichen jetzt auch nicht mehr vom Solarweb ab.
Den Wert „DCW_Symo 3“ habe ich allerdings nicht in Verwendung. Muss ich den noch irgendwo einbauen? Lediglich den AC Power hab ich eingebaut.
Und wieso bekomme ich keine richtigen Statistikdaten?Kommentar
-
Jeder Wert (DCW_Symo 3 oder AC Power) ist ein Maß für die Solarproduktion. Eine wird genauer auf solar.web abgestimmt sein. Löschen Sie diejenige, die Sie nicht verwenden möchten.
Die Ertragsstatistik hat für mich noch nie gut funktioniert. Entweder verwendet Loxone eine andere Methode, um den Ertrag zu bestimmen, oder der Energy Monitor ist fehlerhaft. Ich denke, je später, desto wahrscheinlicher.
-
Kommentar